EHC 12kW Comet Electric System Boiler

This appliance is not intended for use by persons (including children) with reduced physical, sensory or mental capabilities, or lack of experience and knowledge, unless they have been given supervision or instruction concerning use of the appliance by a person responsible for their safety. Children should be supervised to ensure that they do not play with the appliance.
INTRODUCTION
Please read and follow the installation and operating instructions carefully, to ensure the long life and reliable operation of this appliance. The Electric Heating Company may make minor changes if necessary in the appliance that will not be shown in the operating instructions, so long as the main features of the boiler remain the same. All boilers come with a 24 month warranty that covers all defects originating from faulty materials and workmanship in the manufacture of the boilers. The warranty covers the replacement of any faulty parts and labour costs. The warranty will not cover any damage to the boiler from poor or incorrect installation work.
The warranty will not cover any call out charges that have not been organised by the Electric Heating Company Ltd. The warranty will not cover water leaks into the boiler. All plumbing joints must be checked. The warranty card must be completed and sent back to The Electric Heating Company as soon as possible for registration. An internal Magnetic Filter is fitted to the Boiler and it must be cleaned at least annually. (Note: Failure to clean the Magnetic Filter may result in boiler shutdown). Warranty calls will not be covered for this repair.
PREPARATION
Instructions and Building Regulations
This appliance must be fitted in accordance with the following instructions. The Local Building Regulations The Building Regulations The Building Standards, (Scotland-consolidated) Regulations. Local water bylaws. British Standards- code of practice
BS EN 12828
Heating systems in buildings. Design for water-based heating systems.
BS EN 12831
Heating systems in buildings. Method for calculation of the design heat load
BS EN 14336
Heating systems in buildings. Installation and commissioning of water based heating systems
BS7671
Requirements for electrical installations. IEE Wiring Regulations. Seventeenth edition.
BS EN 13831
Closed expansion vessels with built-in diaphragm for installation in water.
C.O.S.H.H.
Materials used in the manufacture of this appliance are nonhazardous and no special precautions are required when fitting or servicing this appliance.
PREPARATION
- Load Check
A load check should be taken into consideration when installing high output boilers. - Boiler location
The boiler must be fitted on a wall that will provide an adequate fixing, and should be fitted in a location that the boiler and pipe-work are not subject to frost and damp conditions. - Central heating (design & installation)
Detailed recommendations are given in BS EN 12828, BS 6700 and CP 342-2 Pipes forming part of the useful heating surface should be insulated to prevent any potential heat loss or frost damage (BS 6700). Drain valves should be fitted at the lowest point of the system pipe work in an accessible position. Drain valves should be in accordance with BS 2879 and copper tube to BS EN 1057. is recommended.

LOCATION
The boiler can be installed in almost any location within a domestic or commercial property, however consideration should be given to future maintenance. Never leave the boiler switched off if there is danger of having temperatures below 0°C in the room where it is located.
We recommend that a minimum clearance of 450 mm should be allocated for the removal of the front cover and adequate access to the boiler plumbing and the internal electrical connections. A 50 mm allowance should be made at either side of the boiler to allow free flow air into the boiler case and allow access to screws on the boiler case. THE BOILER MUST BE INSTALLED IN THE UPRIGHT POSITION, FAILURE TO DO SO WILL INVALIDATE THE WARRANTY.
INSTALLATION
- General
The boiler must be installed by a professional plumber or heating engineer and must be connected to the public low voltage network by a competent person. For systems that require a three phase electrical supply we strongly recommend this is installed by a 17th Edition certified Electrician. The Electric heating Company ltd will not be held responsible for faulty installations which are performed by unqualified tradespersons. - Pipe Connections
All Fusion Electric Boilers have a 22mm compression connection at the boiler’s flow and return pipes. Please note that the boilers are supplied with blank washers fitted for transit purposes. These must be removed before connections to pipe-work can be made. The flow (red) and return (blue) are clearly marked on the external case and under no circumstances should these connections be reversed. Hot connections are not recommended at the boiler for future maintenance and boiler disconnection. Lockshield valves are recommended. - Case Removal
Remove outer screws at the bottom of the boiler and pull the front cover outwards taking care to remove internal earth connections. Earth connections must be re-connected before the boiler case is re-installed. - Isolation Valves
We recommend that lockshield isolation valves are fitted on the flow and return pipework. Such valves must be „full bore” and not„standard ball valves”. The installation of „standard ball valves” in the flow and return pipework will reduce the recommended flow rate through the boiler and promote premature boiler shutdown. - Auto air vents
An auto air vent is integral within the boiler however an additional auto air vent must be fitted at the cylinder coil if the boiler is being used for central heating and domestic hot water. - Boiler Sizing
Calculate the „space heating” requirements in accordance with BS EN 12831 and BS EN 14336. If the boiler is to heat the domestic hot water, an additional allowance of 3kW (10,239 Btu’s) should be made to the ‘space heating’ calculation. - Insulation
Where practical, and if at all possible, we recommend that all pipe-work be insulated, in particular the primary pipe-work within a boiler cupboard. This is to reduce heat loss and reduce high cupboard temperatures from exposed pipe-work. (BS 6700). - System Design
The boiler has an integral automatic bypass valve fitted which should be set to the relevant settings to allow the minimum flow rates to pass through the boiler (8 l/min) when all radiator thermostats and zone valves are closed. Allowance should be made for a radiator to be installed within the heating circuit and locked open. This will be located in the room that has the room thermostat installed. To comply with building regulations, Part L and Part J (in Scotland), room and cylinder stats must be fitted. - Water Connections
Provisions must be made for the replacement of water lost from the heating system (sealed systems). Reference should be made to BS EN 14336 for the method of filling and make up of water. There must be no direct connection between the boilers central heating system and the main water supply. When mains water is required to fill the system directly, all local water bylaws must be observed, and any connection made must be disconnected after use. - Flushing
The system must be flushed to within 10% of mains water PPM to ensure that no debris is trapped in the system as this may result in boiler failure. Where existing radiators and pipe work are utilized a power flush must be carried out to remove debris. For further guidance please see section – Flushing & System Protection. - System pressures
All boilers are tested to 4.0 bar. The normal working pressure of the boiler should be set to approx 1.0 / 1.5 bar. All sealed systems should comply with the relevant building regulations and standards, including BS EN 13831 – Specification for Expansion Vessels.
Please Note:
In order to protect the Flow Sensor located within the boiler, it is imperative that the pre-installed magnetic filter is removed and cleaned at least annually. Failure to carry out this action will increase contamination of the boiler by system residue. - System types
The Fusion Comet range of boilers can be used in various system designs. Please refer to The Electric Heating Company for more details on our Fusion Boiler for under floor heating. We are able to supply a heat pack that contains the relevant control valves, cylinder and room thermostats required to configure an „S” plan heating system. The heat pack has all the necessary components that you need to connect the systems controls and plumbing configurations for „S” Plan design. We recommend the use of thermostatic radiator valves on all radiators except in the room that has the wall thermostat fitted. This radiator should be fitted with lock shield valves and left in the fully open position. The boiler has an integral automatic bypass valve fitted which should be set to the relevant settings to allow the minimum flow rates to pass through the boiler (8 l/min) when all radiator thermostats and „zone valves are closed”. Systems should be designed to meet the current building regulations in force at the current time. - Hanging the Boiler
- Hang the boiler in a vertical position on the fixing points and screws provided, with the flow and return connections to the bottom of the boiler, maintaining the clearances as per Figure 12 of this manual.
- Connect the boiler to a heating system that is equipped with isolation valves (see Figures 4 & 5).
- Fill the heating system with treated water, which will substantially extend the life of the heating coils. See item 14„System Protection” below.
- Connect the boiler to the „mains” electrical system as per Figures 6, 8, 9 & 11
- Connect the room thermostat / Programmer using the two control conductors marked RP as in Figure 7 & 10.
- For all other electrical connections refer to the ELECTICAL CONNECTIONS & CONTROL section of this manual.
INSTALLATION ELECTRIC BOILER INTERNAL LAYOUT
- Stainless Steel Heat Exchanger
- Flow Sensor
- Pressure Sensor
- Safety Valve
- Circulating Pump
- Safety Temperature limiter
- Return connection
- Flow connection
- Power Board
- Control Module
- Automatic Vent
- Expansion vessel
- By-pass Valve
- Magnetic Filter
PF – Internal „mains” phase connections from the PN connection block
PN – Incoming ‘mains’ cable connection block
WP – Electric cable access
M – Boiler fixing points
RP – External Controls (Volt Free)
COMMISSIONING
IMPORTANT:
TURN ON THE ELECTRICAL POWER SUPPLY TO THE BOILER. MAKE SURE THAT THE PROGRAMMER IS NOT CALLING FOR HEAT AT THIS STAGE!
FILLING THE HOT WATER CIRCUIT. (If Applicable)
- Check the pressure in the potable vessel is set to 3 Bar.
- Check that all plumbing connections are tight.
- Open the furthest away tap outlet.
Note: Make sure that the filling loop is closed at this stage! - Turn on the mains water supply to the unit.
- It will take a few minutes to fill the cylinder, once the water comes through the tap outlet let it run.
- Open the other hot water outlets and purge all air out of the system.
- Once fully purged close all the outlets and further check for leaks.
FILLING THE PRIMARY HEATING CIRCUT. THE PRIMARY CIRCUT MUST BE FLUSHED IN ACCORDANCE TO BS 7593
- Connect the primary filling loop and tighten.
- Make sure that all primary connections are tight before filling.
- Open the filling loop and allow the system to start filling.
- Press the right arrow key on the boiler control panel until the A (bar) led is illuminated.
- fill the system to 1,5 bar, then start to purge the radiators until all the air is out the system.
- This will have to be repeated several times to fully purge the system re-filling as you go.
System protection:
Failure to protect the system will invalidate the manufacturer’s warranty.
- Fill the system with cold mains water to the recommended pressure 1.5 bar and check for leaks, then drain the system thoroughly making sure all drain cocks are fully open and that the system is completely drained.
- Add Fernox F3 cleaner to the system at the furthest point from the boiler, this is to allow the substance to fully dilute throughout the system. If you are unsure of the correct dose rate, contact Fernox on 03301007750 for advice.
- Re-fill the system and circulate the F3 cleaner prior to the boiler being fired up. Commission the system in the normal way. The cleansing agent must be in the system for a minimum 1 hour with the system running at normal operating temperature. A longer period of time would be more beneficial to the cleansing process especially if excess flux was used or is an old system. F3 cleaner can be left in the system for up to a maximum of one week running on a normal heating cycle. (We recommend that existing systems are power flushed as per BS 7593 and PAS33 regulations)
- Drain and flush the system thoroughly to remove the cleaning agent and any debris or contaminants. This is a critical part of the cleaning process and must be carried out correctly. Use a rinse test meter (TDS), such as the Fernox CTM. The reading must be within 10% of the mains ppm value.
- After the system has been thoroughly flushed and TDS readings are within 10% you can now add Fernox F1. This will protect against the formation of scale, corrosion and microbiological growths. It is crucial however, that for the protector to work correctly, the system must be properly cleansed and flushed.
- Now attach the label included within the Fernox F1 packaging completed and attached adjacent to the boiler. We recommend inhibitor levels are checked on an annual basis (usually during the service) or sooner if the system content is lost. This should be carried out using a Fernox inhibitor Test Kit. Fernox Technical Service Help line on 0870 870 0362 for further assistance.
INSTALLATION
IF SUPPLIED WITH THE GRUNDFOS UPM3 PUMP
15. Start-up / Commissioning
- Ensure the system is filled with water and correctly vented.
- Check if the appropriate system installation pressure is reached (see the “TECHNICAL DATA” section) by pressing the down arrow button whilst the control panel is off, the pressure value will be displayed. When the installation pressure is too low The “A’’indicator flickers (see “Operating’’ section). This doesn’t concern open vented system installations.
- Set the external controls to call for heat.
- Switch the boiler on by pressing the power button.
- Check the pump is set to the correct mode (see table 15.1). To do this, press the pump arrow button for no more than 2 seconds. The LED’s should signal an operating mode at the place pointed by arrow.
- If the LEDs are signalling a different operating mode than recommended in table 15.1, set the appropriate mode according to the following instructions: press the pump arrow button for longer than 2 seconds, but less than 10 seconds (LED’s will start to flash),the pump then switches to the programming mode. LEDs glows to indicate the current settings. To change the settings of the pump in accordance with table 15.1, you can set the right combination of glowing LEDs by pressing the pump arrow button. Once the LED combination is set correct, by not pressing the button for 10 seconds the pump will remember this setting and will exit from the programming mode back to performance view.
Note: holding the pump arrow button for more than 10 seconds will enter the pump into key lock mode. This prevents the user from altering the pump settings. To remove the key lock and allow the pump settings to be changed, hold the pump arrow button again for more than 10 seconds. - Ensure adequate flow through the boiler is reached (the ‘H’ indicator is on with a constant light). The pump should self vent after a short period of running. If necessary assist the venting process in the following way; Warning the screw head in the centre of the pump is not intended to be used to assist venting of the pump, Damage to the pump internals may occur!
• close the isolation valve on the outlet,
• leave boiler running for 15 sec.
• open the isolation valve. - Set the external controls to the required program and the boiler to the required system temperature, see the “Operating” section. In the case of a seized pump impeller due to a long layover out of the heating season and simultaneous non-compliance with the recommendation to cycle the pump every couple of days, please restore proper movement of the impeller. To do this, please use PH2 screwdriver, press and turn the screw anti-clockwise, located in the middle of the front panel of the pump (Figure 3) until the pump impeller is spinning freely.

Table 15.1
| Rated power [kW] | Pump lifting height [m] | LED 1 red | LED 2 yellow | LED 3 yellow | LED 4 yellow | LED 5 yellow |
| 4 | ● | ● | ||||
| 6-9 | 5 | ● | ● | ● | ||
| 9-12 | 6 | ● | ● | ● | ● | |
| 14 – 39 | 7 | ● | ● | ● |
Alarm status
If the pump has detected one or more alarms, the bicolored LED 1 switches from green to red. When an alarm is active, the LEDs indicate the alarm type as defined in the table below. If multiple alarms are active at the same time, the LEDs only show the error with the highest priority. The priority is defined by the sequence of the table. When there is no active alarm anymore, the user interface switches back to operation mode.
Table 15.2
| Display | Indication | Pump operation | Counter action |
| One red LED + one yellow LED (LED 5) | Rotor is blocked. | Trying to start again every 1,5 seconds | Wait or deblock the shaft. |
| One red LED + one yellow LED (LED 4) | Supply volt- age too low | Only warning pump runs | Control the supply volt- age |
| One red LED + one yellow LED (LED 3) | Electrical error | Pump is stopped because of low supply voltage or serious failure | Control the supply voltage /Exchange the pump |
CENTRAL HEATING ONLY
CENTRAL HEATING & DOMESTIC HOT WATER

ELECTRICAL CONNECTIONS AND CONTROLS
ALL WIRING MUST BE CARRIED OUT IN ACCORDANCE WITH CURRENT IEE BS7671 WIRING REGULATIONS. ALL ELECTRICAL CONNECTIONS MUST BE MADE BY A QUALIFIED ELECTRICIAN.
Load check must be taken into consideration when installing high power boilers. This will be carried out by a qualified electrician. There may be an additional requirement to upgrade the incoming main fuse supplying the property if other high power devices are used within the property. E.g Electric Showers. If an electric shower is present we recommend that a Shower Sensor is installed within the system. This will cause an interrupt to the boilers control signal when the shower is in use. It will disable the boiler protecting the electrical system from overload.
All boilers Must be protected with a 30mA dou- ble pole RCD with a minimum of 3mm contact separation accompanied by a suitably rated MCB. If the boiler is not fitted local to the meter position then an additional isolation switch must be fitted local to the boiler for each supply. If the property is supplied by a rural power supply or prone to lightening strikes & power cuts it is recommended to install a suitable surge protection device to the boiler supply. This will reduce the risk of damage to the boiler electronics during these events.
THIS APPLIANCE MUST BE EARTHED.
All pipe-work must be earthed in accordance with the IEE BS7671
Wiring Regulations.
After completion of all electrical works, an electrical safety check should be carried out i.e. short circuit, earth continuity, resistance to earth and polarity check, and all relevant Test Certificates completed and issued to the customer. Never open the front cover of the boiler until all power supplies to the boiler have been disconnected.
ELECTRICAL CONNECTIONS
The boiler connections are clearly marked inside the boiler L N E (24hr LIVE). The 24hr live is the permanent Feed connection to the boiler from the mains supply. External controls will require an independent fused spur supplied from the same consumer unit & protected by the same.
RCD as the boiler itself. Where a single phase boiler is installed within a 2 Phase or 3 Phase installation the control circuit should also be supplied by the same phase as the boiler. The control circuit should be protected by a 6Amp MCB. The Boiler & control circuit RCD should be independent of all other domestic circuits. The boiler supply cable should be calculated by the means of a cable calculation in accordance with BS7671 by a suitably qualified electrician.
Boiler Protection
The recommended protection for hard wired boilers are as follows:
Model No Boiler size Protection (per phase)
- EHCCOM39KW 38.7kW BOILER 3×63 AMP Protection
- EHCCOM23KW 22.6kW BOILER 3×40 AMP Protection
- EHCCOM19KW 19.5kW BOILER 3×32 AMP Protection
- EHCCOM3PH15KW 14.4kW BOILER 3×32 AMP Protection
- EHCCOM3PH12KW 12kW BOILER 3×20 AMP Protection
- EHCCOM15KW 14.4kW BOILER 80 AMP Protection
- EHCCOM12KW 12kW BOILER 63 AMP Protection
- EHCCOM9KW 9kW BOILER 50 AMP Protection
- EHCCOM6KW 6kW BOILER 32 AMP Protection
External Controls
We recommend the use of the EHC SINGLE CHANNEL PROGRAMMER and EHC ROOM THERMOSTAT for heating only installations. For Heating and Hot water installations, we recommend the use of the TWIN HEAT PACK which includes the EHC ROOM THERMOSTAT & AN EHC 2 CHANNEL PROGRAMMER. The TWIN HEAT PACK will incorporate all the relevant parts to comply with current building regulations i.e. Motorized valves to control the heating and hot water circuits and Room and cylinder thermostats to control the room and water temperatures. This will also provide boiler interlock. The use of TRV’s alone will not provide boiler interlock.
We recommend the use of TRV’s, however they must not be used in the room that has the room thermostat fitted.
Note: This control method is recommended by BEAMA (The association of Control Manufactures) in order to comply with the current Building Regulations.
ELECTRICAL CONNECTIONS AND CONTROLS
Programmer/Stat Connections
The boiler PCB has a voltage free connection for the controls (RP) & (NA). Under no circumstances should 240V be connected to these controller block connections as this will damage the boiler’s PCB and Void the Manufacturers warranty. The stat / programmer connections are clearly marked within the boiler. Only after all connections have been made and checked should the system be filled with water and set to the proper pressure 1.5 bar (Sealed systems).
Check the system for leaks. If water leaks into the boiler this may damage the boiler electrics and the manufacturers warranty will be invalid. Under no circumstances should the boiler be switched on when the system is dry.
After the cleansing and protection of the system has been carried out, set the external controls to the customers selected times. If an off-peak electric meter has been installed by an Electricity Company to supply OFF-peak rate electricity at selected times, the appropriate settings should be entered into to the system programmer to take advantage of the OFF-peak rate electricity. The boiler has an inbuilt pressure sensor. If the boiler has been switched on with a low or no water content, the system will sense this and prevent the boiler from sending power to the main elements.
EXTERNAL CONTROL WIRING
Heating Only Wiring (Non Standard Volt Free Switching)

Heating & Hot Water Wiring: S Plan (Non Standard Volt Free Switching)
CONTROL PANNEL CONNECTIONS (Volt Free)

SAFETY NOTE: „RP”, and „NA” are signal conductors only. DO NOT CONNECT ANY VOLTAGE to these as this will damage the boiler and invalidate the boilers warranty!
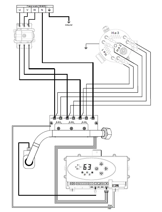
POWER BOARD – CONNECTION 415V 3N~ 39kW
Connection of power board 39kW 415V 3N~.

POWER BOARD – CONNECTION 415V 3N~ 14,4 -23 kW
Connection of power board 14,4 – 23kW 415V 3N~.

POWER BOARD – CONNECTION 240V 4-14.4kW
Connection of power board 4-14.4kW 240V~
EXTERNAL BOILER WIRING
BOILER DIMENSIONS
USER INSTRUCTIONS
CONTROL PANEL

Control Panel Key
A – Water pressure indicator (bar)
B – Water flow rate indicator (l/min)
C – kW indicator
D – Water temperature indicator (°C)
E – Digital display
F – Summer Mode
G – Call for Heat
H – Pump operation indicator
I – Return temperature indicator
J – Flow temperature indicator
K – Boiler heating indicator
INDICATORS
Heat Indicator.
- „on” – calling for heat,
- „off” – the required temperature has been reached – no call for heat is required,
- Flashing – NA entry is open – (external boiler interrupt active).
P Pump Indicator. - „on” – pump is active, proper flow rate of water has been reached,
- Flashing – lack of flow or insufficient flow rate of water – heating elements are off. Temperature Indicator.
- Red light – Boiler is in heating mode.
- Green light – Boiler temperature has been reached in radiators.
A Indicator flashing – water pressure is not sufficient (below 0.5 bar). F When boiler is in Summer Mode (i.e. switched off) indicator will blink. I Indicator flashing – relative temperature sensor failure. J Indicator flashing – relative temperature sensor failure. EE Messages on electronic display – data record error. Dashes (- -) on display – parameter out of range or a temperature sensor failure.
- General
Unlike other system boilers such as Gas, Oil and Propane the FUSION „Comet” range of electric boilers require no ignition or lighting sequence to be executed by the end user. All the end user is required to do is ensure that the system is filled with water and the room thermostat or programmer is calling for heat. - Boiler Operation
- Switch the boiler on by pressing the button. (Note: When switching the boiler off use the same button by pressing and holding it in for 3 seconds.).
- The recommended Water Pressure is approx 1.0/1.5 bar and this can be checked by pressing the button until indicator A is illuminated. The water pressure can be adjusted by connecting the external filling loop and pressurizing to the desired pressure.
Note: the filling loop must be disconnected after the system has been re-pressurised. - First set the required Boiler Temperature (we recommend a setting of 65 0C) by pressing the button until only indicators D and K are illuminated. Press the button or the button until the desired temperature setting is achieved.
- Ensure the room thermostat is switched on and is calling for heat. If the boiler is not yet at the desired heat setting then indicators D, G, H, I, J & K will be illuminated. Indicator K illuminated in red. Once the room has reached the required setting the K indicator should change from red to green. Refer to the Control Panel diagram above to learn how to adjust to the right temperature to make the boiler work comfortably and economically.
- EHC recommends adjusting the pump settings and system Flow Rate to best suit the system design during the installation of the boiler. To check this setting press the button a number of times until only indicator B is illuminated and then read the figure on the digital display. The minimum permissible system flow rate for the by-pass circuit should be set to 8L/min, If the system flow rate figure is well below the 8 L/min call a Service Engineer for assistance. The boiler will enter fault mode if the flow rate drops below 5L/min and therefore blocking any further heating until the flow rate is improved.
- To check the amount of kW energy being used by the boiler at any point in time press the button a number of times until only indicator C is illuminated. The Kw figure will now be shown.
- When indicator H is illuminated the pump is running.
- Temperature Setting
We recommend the boiler temperature be set to 65°C. Raise or lower the temperature in your installation with the buttons on the right hand side of the control panel as per 2.3 in the previous section.
ATTENTION: Should the temperature on the front panel be set too low the desired room temperature may not be achieved.’ - Summer Setting. („Stand by” Mode)
The customer has the option to switch the boiler onto „standby” mode during summer months and this can be carried out by pressing the „button and holding this in for 3 seconds”. All indicators will go off except the F indicator which will intermittently illuminate.
IMPORTANT – DO NOT SWITCH THE BOILER OFF AT THE MAINS SWITCH
In the „stand-by” mode all the boiler functions are switched off except the circulation pump. This is activated for 15 minutes each day which protects the boiler and the whole central heating system from being blocked and silted up. In this „stand by” mode the circulation pump will run each day at the same time. (e.g. If you switch the boiler to „stand by” at 6pm then the circulation pump will run every day at 6pm for 15 minutes) To return to a „Winter” mode setting press and hold the button for 3 seconds again. - Winter mode
In the Winter mode setting the digital display will be active and will show the temperature of the water at various points within the boiler. Those indicators which are illuminated will show the current status of the boiler. If the boiler is being called for heat by the thermostat then the G, H, I, J & K indicators will be illuminated. In the winter mode both the two port valves are active and they will direct heat as required.
Note: When in diagnostic mode of the Display (i.e. using the arrow buttons), and there has been no activity (i.e. buttons pressed) for 60 seconds the Display will revert to its normal mode.
NB: Voltage free control connections
Boiler Dimensions
- Width 418 mm
- Height 710 mm
- Depth 251.5 mm
FAULT FINDING
| Symptom | Reason | Procedure |
|
The indicators and LCD display on the front panel are off | No power to the boiler | Check electricity mains power supply |
| Main over heat stat cut-out | Check the temperature safety cut-out investigate cause – possibly fault / return sensors or power board | |
|
The „A” indicator flashing | Insufficient water pressure | Check water pressure in display panel and increase to 1.5 bar |
| Pressure Sensor failure | Check water pressure in display panel and if display shows „- -” then replace Pressure Sensor | |
|
The „H” indicator flashing | Pump is blocked | Free Pump by setting the Pump on the highest gearing – See Figure 3 then unscrew the screw on the Pump housing – See Figure 2. Move Pump rotor manually. |
| Water is not circulating through the Boiler | Vent the system: Radiators, Pump and Boiler | |
| Pump not running | Check power available at Pump head, if power available replace as necessary. If power not available check fuse on Controller Module and replace if necessary | |
| Flow sensor not operating | Check the flow sensor and replace as necessary | |
| „G” indicator is flashing but boiler digital display operating | „NA” connection open circuit | Ensure „NA” connection is closed or if using external control (e.g. Shower Sensor) that this is working correctly |
| „G” indicator flashing | „NA” connection open circuit | Check „NA” connection – should be closed |
| „K” indicator flashing | Failure of inlet temp sensor | Replace inlet temp sensor |
| „L” indicator flashing | Failure of outlet temp sensor | Replace outlet temp sensor |
| „G” „H” & „K” Indicators lit but boiler not heating | No supply to heating coils from Power Board. | Check outputs „G1” „G2” & „G3” on Power Board if 230Volts not present to all replace Power Board |
| „G” „H” & „K” Indicators lit but boiler only partially heating | One or more heating coils have no voltage supply from Power Board | Check outputs „G1” „G2” & „G3” on Power Board if 230Volts not present to all replace Power Board |
TECHNICAL SPECIFICATIONS
| Boiler range | Fusion Comet 6kW (EHCCOM6KW) | Fusion Comet 9kW (EHCCOM9KW) | Fusion Comet 12kW (EHCCOM12KW) | Fusion Comet 14.4kW (EHCCOM15KW) | Fusion Comet 12kW (EHCCOM3PH12KW) | Fusion Comet 14.4kW (EHCCOM3PH15KW) | Fusion Comet 19,5kW (EHCCOM19KW) | Fusion Comet 22.6kW (EHCCOM23KW) | Fusion Comet 38.7kW (EHCCOM39KW) |
| Pipe entry from boilers | Bottom | Bottom | Bottom | Bottom | Bottom | Bottom | Bottom | Bottom | Bottom |
| Central heating flow & return pipes | 22 mm | ||||||||
| Min water pressure | 1 bar | ||||||||
| Max water pressure | 3 bar | ||||||||
|
Expansion vessel | 6 lt. | ||||||||
| Maximum system water volume about 60 litres at initial system pressure 1,5 bar | |||||||||
| Vessel charge pres- sure | 1,5 bar | ||||||||
| Safety Class | IP22 | ||||||||
| Overall dimensions (height x width x depth) | 710 x 418 x 252 | ||||||||
| Dry weight | 25kg | ||||||||
| Electrical supply | 240V 1ph 50Hz | 415V 3ph 50Hz | |||||||
| Load/current | 25,0 Amp. | 37,5 Amp. | 50,0 Amp. | 60,0 Amp. | 3 x 16,7 Amp. | 3 x 20,0 Amp | 3 x 26,9 Amp. | 3 x 29,2 Amp. | 3 x 53,8 Amp. |
| Minimum permit- ted cable diameter | 6mm | 10mm | 16mm | 5 x 2,5 | 5 x 4 | 5 x 6 | 5 x 10 | ||
| Heating output | 20472 Btu | 30709 Btu | 40945 Btu | 49134 Btu | 40945 Btu | 49134 Btu | 61418 Btu | 77114 Btu | 132045 Btu |
| Max. temp setting | 85°C | ||||||||
| Min temp setting | 20°C | ||||||||
| Overheat Protection | 100°C | ||||||||
| Pump included | Yes | ||||||||
| Recommended Pump settings | Set to system kW rating (See page 7) | ||||||||
| Required Protection | 32 Amp. | 50 Amp. | 63 Amp. | 80 Amp. | 3 x 20 Amp. | 3 x 32 Amp. | 3 x 40 Amp | 3 x 63 Amp. | |
| The maximum allowed network impedance | 0,39 Ω | 0,32 Ω | 0,24 Ω | 0,22 Ω | – | – | 0,27 Ω | 0,22 | 0,13 |
| ERP Rating | D | D | D | D | D | D | D | D | D |
*Stated cable sizes are the minimum permitted for boiler installations. The Installer is solely responsible for verifying & selecting the correct diameter cable based on the characteristics of the installation by means of a cable calculation set out in BS7671.
Electric Heating Company Ltd
Unit 40, Block 5
Third Road
Blantyre Industrial Estate
Blantyre
Glasgow
G72 0UP
Tel: 01698 820533
Fax: 01698 825697
www.electric-heatingcompany.co.uk
(Waste Electrical & Electronic Equipment)
(Applicable in the European Union and other European countries with separate collection systems).
This marking shown on the product or its literature, indicates that it should not be disposed of with other household wastes at the end of its working life. To prevent possible harm to the environment or human health from uncontrolled waste disposal, please separate this from other types of wastes and recycle it responsibly to promote the sustainable reuse of material resources. Household users should contact either the retailer
where they purchased this product, or their local government office, for details of where and how they can take this item for environmentally safe recycling. Business users should contact their supplier and check the terms and conditions of the purchase contract. This product should not be mixed with other commercial wastes for disposal.


















