TRIANCO 12KW Classic Electric Flow Boiler Instruction Manual
HEALTH AND SAFETY
INFORMATION FOR THE USER, INSTALLER AND SERVICE ENGINEER
Under the Consumer Protection Act and the Health and Safety at Work Act, it is a requirement to provide information on substances hazardous to health (COSHH Regulations 2002).
TR Engineering takes every reasonable care to ensure that its products are designed and constructed to meet these safety requirements when the products are properly installed and used. To fulfil the requirements, products are comprehensively tested and examined before despatch.
When working on the appliance, it is the responsibility of the user or engineer to ensure that personal protective clothing or equipment appropriate to parts that could be considered hazardous or harmful is worn.
This appliance may contain some of the items below:
Insulation and Seals
Glass rope, mineral wool, insulation pads, ceramic fibre, and glass insulation.
When handling, avoid inhalation and contact with eyes. These may be harmful and cause irritation to the skin, eyes, nose, or throat. Use disposable gloves, face masks and eye protection.
After handling, wash hands and other exposed areas. When disposing of materials, limit dust and the risk of inhalation by using water spray. Ensure materials are securely wrapped.
Seek urgent medical attention if inhaled or ingested. Exposure to eyes and skin should be followed by immediate cleansing of the affected areas and medical attention if necessary.
Glues, Sealants and Paints
The glues, sealants and paints used present no known hazards when the appliance is used in the manner for which it is intended.
Notes
a) Electrical safety checks should be carried out by a competent person.
b) It is a requirement of the guarantee and any extended warranty that an annual service is carried out by a competent person.
Installation Engineers Signature
Company Name (if applicable)
Company Address
Company Tel. No.
Please read these instructions fully before installing this appliance. If in doubt seek expert advice
These instructions should be kept in a place close to the appliance for easy reference
IMPORTANT PRE-INSTALLATION NOTES
By Fitting this Aztec Classic boiler, you agree:
- The Boiler has been received in good condition.
- You have carried out a heat loss calculation and are sure that this boiler is suitable.
- You have carried out a load and voltage test to determine the correct size of breaker to be used.
- You meet the requirements of the appropriate Building Regulations
Before installation, it is imperative that the following guidelines are heeded to ensure the trouble-free and efficient operation of the boiler:
Ventilation and Siting
When siting the boiler in a confined space it is essential that adequate ventilation be provided. This will ensure that air can circulate freely around the appliance keeping down the ambient temperatures. Refer to Ventilation requirements (Page 12) for further details.
Ensure that the area surrounding the boiler is kept free of items which would impede the good ventilation of the appliance (e.g., towels, linen, etc).
When siting the boiler, consider the potential requirement for future servicing. Enough space should be provided at the front of the boiler to enable an engineer to adequately service and/or replace items such as the PCB or heat exchanger. Space should also be available for the removal of the front casing panel. Please refer to siting information (Page 11) for clearance dimensions. The boiler must be sited vertically and away from strong magnetic fields.
Power Supply and Wiring
The power supply to the premises must meet the minimum requirements of the unit being installed, with special attention paid to the supply current, cable size, and RCD recommendation. The supply voltage to the appliance must never drop below 207 Volts.
System
Isolation valves must be fitted on both the flow and return pipe work. These are useful as from time to time the boiler may require draining of water, and the lengthy drawing-off process can be avoided by the astute placement of these valves. Ensure that any isolation valves are open before first use, and that the system is full of water
IMPORTANT
General Information:
To keep your boiler running efficiently DO NOT OBSTRUCT OR COVER any ventilation air inlet on the appliance or the compartment where it is installed.
To keep the casing clean, switch ‘OFF’ the boiler at the electrical supply, and simply wipe with a damp cloth. DO NOT use abrasive cleaning fluids as this may damage the stove enamel paintwork.
TR ENGINEERING LTD CUSTOMER AFTER SALES SERVICE INFORMATION
The boiler comes with a 5 Year warranty, providing the boiler is registered within 30 days from the date of installation. Register online at: www.trianco.co.uk/product-registration
Terms and Conditions apply, please see Trianco web site for details. https://trianco.co.uk/5-year-warranty-terms-conditions
Please note you will require the full boiler serial number to be able to register the boiler. The serial number is located on the right-hand side of the boiler and can also be found on the box the boiler came in.
A step-by-step guide to reporting a fault with your appliance.
A qualified field SERVICE ENGINEER is available to attend a breakdown or manufacturing fault occurring whilst the appliance is under warranty.
The appliance must be made available for service during normal working hours, Monday to Friday (no weekend work or bank holidays accepted)
A charge will be made where:
- Our Field Service Engineer finds no fault with the appliance.
- The cause of a breakdown is due to other parts of the plumbing/heating system or with equipment not supplied by TR Engineering Ltd.
- Where the appliance falls outside the warranty period.
- The appliance has not been correctly installed, as recommended (see installation, operating and servicing instructions.)
NOTE:Over 50% of all service calls made are found to have no appliance fault.
What to do in the event of an appliance fault or breakdown:
Step 1: Always contact your installer in the first instance, who must thoroughly check all his work PRIOR to requesting a service visit from TR Engineering LTD.
Step 2: If your appliance has developed an in-warranty fault your installer should contact TR Engineering LTD for assistance from site.
What happens if my Installer/engineer is unavailable?
Step 3: Contact TR Engineering LTD. We will provide you with the name and telephone number of our Service Agent. However, a charge may apply if the fault is not covered by the appliance warranty (payment will be requested on site by our independent Service Agent).
PLEASE NOTE: UNAUTHORISED INVOICES FOR ATTENDANCE AND REPAIR WORK CARRIED OUT ON THIS APPLIANCE BY ANY THIRD PARTY WILL NOT BE ACCEPTED BY TR ENGINEERING LTD
Register your boiler online – www.trianco.co.uk/product-registration
SERVICE CENTRE AND TECHNICAL SUPPORT
Tel: 0114 257 2300
Fax: 0114 257 1419
Hours of Business
Monday to Thursday 8.30am – 5pm
Friday 8.30am – 2.30pm
IMPORTANT SAFETY NOTES
INTRODUCTION
The Aztec Classic is a wall mounted electric central heating boiler which has been designed with smaller properties in mind. Fitted Vertically only and requiring access to the front of the boiler for servicing. Once the boiler is switched on it is fully controlled by an automatic management system which monitors the safety and running functions of the boiler. Designed to work on a fully pumped wet system only. The boiler produces hot water by passing water over electric heating elements housed in an insulated heat exchanger.
The boilers incorporate inverter constant temperature technology which automatically adjusts output to match demand.
Note
The New Aztec Classic boiler differs from the original Aztec Classic, if carrying out a boiler swap for the original Aztec Classic, do not consider it as a “Like for Like “swap.
Please familiarise yourself with the current system controls and take note that the new Aztec Classic boiler has Volt Free switching. The use of a relay might be required, an optional DIN mount relay is available, Part number: SP211589
Read these instructions before installing the boiler.
Always switch OFF the electrical supply before removing the cover.
If any part of the boiler is modified, then the warranty will be invalidated.
We recommend that you keep these instructions in a place near your appliance for easy reference.
The Trianco Aztec Classic Boiler has been designed to conform to European Directive/Standards EN60335-1:2002 +A15:2011, EN60335-2-35:2002 inc Amd 1, EN55014-1:2006 +A1:2009, EN55014-2:1997 +A2:2008.
THE PERSON(S) WHO INSTALLS THIS APPLIANCE, SERVICES OR CARRIES OUT ANY REMEDIAL WORK, I.E. ELECTRICAL FAULT FINDING, MUST HAVE SUITABLE ENGINEERING QUALIFICATIONS.
WARNING: DO NOT SWITCH ON THIS APPLIANCE IF THERE IS ANY POSSIBILITY THAT THE WATER MAY BE FROZEN.
THE INSTALLATION OF THIS APPLIANCE MUST MEET THE REQUIREMENTS OF THE CURRENT ISSUE FOR ELECTRICAL INSTALLATIONS IEE WIRING.
USER INSTRUCTIONS
The Trianco Aztec Classic boiler has been designed and constructed to give years of trouble-free service and these instructions are provided to assist you in obtaining the best performance with the least trouble and cost.
The boiler is fully automatic in operation and requires little attention other than the setting of the thermostat and any external system controls such as a room thermostat.
IMPORTANT
DO NOT COVER OR BOX IN YOUR BOILER WITHOUT MAKING SUITABLE PROVISION TO ALLOW AIR TO CIRCULATE FREELY AROUND THE APPLIANCE
WARNING: DO NOT ATTEMPT TO SWITCH ON THE BOILER IF THERE IS ANY POSSIBILITY THAT THE WATER INSIDE THE HEAT EXCHANGER IS FROZEN
Before turning the boiler on, ensure the system is full of water and all valves fitted to the system are open. Switch on the power supply, the display will illuminate. Observe any error codes – Refer to table on
Boiler Multi-Function Display
Press ON/OFF button to turn boiler on – Standby
In Standby Mode
Set temperature, outlet temperature, and time are illuminated.
Setting Boiler Thermostat
Press the UP/Down key to adjust temperature. 30°C – 80°C. Press the confirm key to save.
Heating return difference Temperature setting
In standby press the mode key once, screen shows CH, press UP/DOWN key to choose temperature between 5°C – 30°C Press Confirm to save.
In Standby Mode
Setting Day of Week
Press Mode Four times – Day of Week Flashes, Use UP/DOWN keys to set current Day Number 1 – 7 Press “Confirm” to store
Setting Time
Press Mode Twice – Hours Flashes, Use UP/DOWN keys to set hours. Press mode again. Use UP/DOWN keys to set minutes. Press Confirm to store
Turning OFF the built in Timer
Press and hold the TIME button, 3-time clocks will flash, Press confirm when clocks disappear from screen. Timer is now OFF
In Run Mode
Pressing “Time” will cycle between Manual ON/OFF and Timed.
Programmed times must be set using the Wi-Fi thermostat, see separate instructions supplied with the thermostat.
Fault Deletion Function
When a fault code shows on the display, once the fault is rectified, press the Confirm key to clear the fault.
Child Lock
Press “CONFIRM” for 5 Seconds, all keys are locked until “CONFIRM” is pressed again for 5 seconds
Frost Protection
In Standby the boiler will monitor the real time water temperature.
If the water temperature is < 5°C the boiler will run automatically until the water temperature has reached 15°C. The heating element will turn off, the pump will continue to run for 5 Minutes.
Cleaning Casings
Use hot soapy water applied with a damp cloth for the enamel, then dry with a soft dry cloth.
Simple Maintenance
Ensure that the natural ventilation around the boiler is not obstructed. If fitted in a compartment, ensure all ventilation grilles are clear
Fault Finding
Information Codes
| Code | Protection Function | Description | |
| E2 | Current leakage | Moisture on circuit board or the boiler has condensation internally | Qualified engineer to remove cover and dry/inspect circuitboard |
| E3 | Water temperature sensor | Sensor is short circuit or open circuit | Check sensor connection. Check sensor cable and replace if required |
| E9 | Antifreeze fault | Heating water temperature is too low | If the pipework is frozen the boiler will not be able to work. |
| EC | Display Disconnected with PCB | Display Disconnected with PCB | Check whether the cable between the display and the PCB is broken or whether the plug is loose. |
| F1 | Dry Fire Protection | No water flow | Fill system and vent Press and hold TIME key for 6seconds to re-set |
| F4 | Low Water Pressure | System is low on water | Fill to correct pressure using filling loop |
| F6 | No water Flow | Air in the system, no water or water pump not working, pump is blocked, water flow switch blocked, waterflow switch is faulty | Vent system. Check system pressure. Check pump and flow switch for blockage/operation |
| External earth leakage protector trip(RCD) | Display screen does NOT light up. | Check whether the leakage protector is damaged and replace it.Check whether the heater has leakage,Check whether there is leakagesituation in the external input power wires | |
| Dry burning temperature controller trip | Display screen does NOT light up. | Check whether the temperature controller trips. If it trips, press the reset button.Check whether the waterway is blocked. Clean and unblock the pipeline.Check the flow of water pump. | |
| No heating | Equipment temperature does NOT rise. | Water temperature setting too low.2. Return temperature setting too high.3. Timing and opening.4. Indoor temperature controlsetting too low. |
INSTALLATION
Technical Specification
| MODEL | Aztec 6kW | Aztec 9kW | Aztec 11kW | Aztec 12kW |
| Electrical Input | 6kW | 9kW | 11kW | 12kW |
| Supply Current (amp) | 25A | 39A | 45A | 51A |
| RCD Rating (amp) | 32A | 40A | 50A | 63A |
| Minimum Cable Size (mm) | 4 | 6 | 10 | 16 |
| Weight (kg) | 8.1 | 10.6 | 10.8 | 10.8 |
| Water Content (litres) | 2.1 | 3.2 | 3.2 | 3.2 |
| Width (mm) | 164 | 164 | 164 | 164 |
| Depth (mm) | 170 | 170 | 170 | 170 |
| Height (mm) | 820 | 1070 | 1070 | 1070 |
| Mains Supply | 230V 50Hz | |||
| Max Operating Pressure | 3 bar43.5 psi | |||
| Test Pressure | 6 bar87 psi | |||
| Boiler Flow Temperature | Adjustable between 30°C and 80°C,located on the front casing | |||
| Limit Thermostat | Factory set at 95°C | |||
| Casing Finish | Stove enamelled white | |||
Regulations
The Boiler must be installed in accordance with the following: –
BS EN 12828 – Heating systems in buildings: Design for water-based heating systems.
BS EN 12831 – Heating systems in buildings: Method for calculation of the design heat load.
BS EN 14336 – Heating systems in buildings: Installation and commissioning of water-based heating systems.
BS7671 – Requirements for electrical installations. IEE wiring Regulations. Seventeenth Edition.
BS EN 7593 – Code of practice for treatment of water in heating systems.
The Building Regulations: Part ‘L’ (Northern Ireland) Current I.E.E. Regulations Local water undertaking By-laws.
Health & Safety at Work Act
The installer should be aware of his responsibilities under the Act and provide where necessary, appropriate protection for persons carrying out the installation. In the interests of safety, a competent engineer should install the boiler and all wiring must be carried out in accordance with current IEE wiring regulations.
IMPORTANT:
ALL ELECTRICAL WORK MUST BE CARRIED OUT BY A QUALIFIED ELECTRICAL ENGINEER TO CURRENT IEE WIRING REGULATIONS
Siting the Boiler
IMPORTANT: NOT TO BE INSTALLED IN A SHOWER COMPARTMENT OR BATHROOM.
The boiler is designed to be fitted in an upright position only. Ensure adequate clearance is allowed for making water connections as the boiler can be fully serviced from the front. The boiler must also be fitted in a dry well-ventilated position, which is not subject to adverse temperature conditions (see Ventilation requirements).
Care should be taken when siting the appliance to make sure adequate access is available for future servicing of the appliance. Please not the PCB and heat exchanger assembly may require removal during such times.
When installed in a compartment with a hot water cylinder (see Fig. 1), we recommend that the boiler is fitted in position 1; if fitted in position 2, provision should be made at the front of the boiler to enable the removal of the front casing. In both cases, where any additional equipment like a hot water cylinder or system controls are to be fitted after the boiler has been installed, attention should be given to ensure that they do not restrict access to the boiler for servicing.
Fixing Boiler to the Wall
Important:
DO NOT CUT FLOW AND RETURN PIPES
- The boiler should be fitted to a suitable wall in an upright position. Flow tapping must be at the top of the boiler.
- Using fixing dimensions supplied work out position of boiler, mark four mounting holes and drill 6mm diameter to a depth of 38mm.
- Fit plastic wall plugs into holes and fit bottom two mounting screws.
- Hang on bottom two screws and push the boiler back towards the wall and secure in position with top two fixing screws. The flow tapping must be at top of the boiler.

Minimum Clearances:
Top – 100mm
Bottom – 100mm
R/H Side – 50mm
L/H Side – 50mm
Front – 150mm from other fixed equipment
NOTE: APPROXIMATELY 750mm WILL BE REQUIRED AT THE FRONT OF THE APPLIANCE TO ENSURE ADEQUATE ACCESS BY AN ENGINEER DURING ROUTINE SERVICING.
| 6kW | 9-12kW | |
| A | 855 | 1105 |
| B | 876 | 1126 |
| C | 820 | 1070 |
| D | 100 | 100 |
| E | 164 | 164 |
Ventilation Requirements
If the appliance is to be fitted in a confined space or compartment, adequate ventilation must be provided to prevent the overheating of the boiler controls. Aeration of 110cm2 will be required to the compartment, in both high- and low-level positions. Failure to do so will invalidate the warranty
Water System
IMPORTANT: USE ONLY COMPRESSION FITTINGS WHEN CONNECTING THE BOILER TO THE HEATING SYSTEM.
BS 5449 Part 1 Forced Circulation Hot Water Systems
BS 7593 Treatment of water in domestic hot water central heating systems.
BS EN 12828 – Heating systems in buildings: Design for water-based heating systems.
BS EN 12831 – Heating systems in buildings: Method for calculation of the design heat load.
BS EN 14336 – Heating systems in buildings: Installation and commissioning of water-based heating systems.
The water system must be thoroughly flushed out with cold water without the pump in position. Refit the pump and fill the system. Vent all air from the system. Clear any air locks and examine the system for water leaks.
IMPORTANT: ENSURE ALL SERVICE VALVES ARE IN OPEN POSITION.
Ensure boiler is fitted with flow pipe at the top and return pipe at the bottom.
The boiler is supplied with 22mm tail pipes top and bottom for connection to the system.
The boiler must be installed using 22mm compression fittings both top and bottom
The AZTEC ranges of boilers are low water content boilers so always require a good flow rate (see below chart).
| Model | Min Flow Rate/Min |
| Aztec 6kW | 8 Litres |
| Aztec 9kW | 10 Litres |
| Aztec 11kW | 11 Litres |
| Aztec 12kW | 12 Litres |
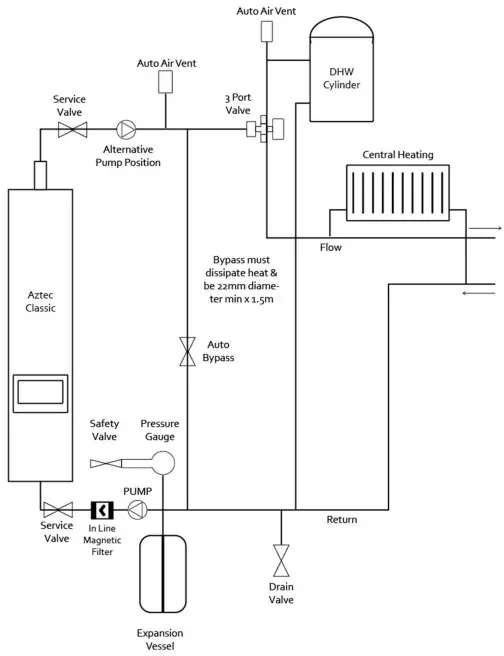
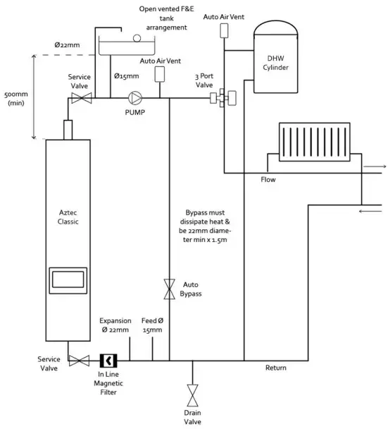
Aztec boilers are approved for use on fully pumped open vented systems and sealed systems. When fitting on a sealed system a 3 bar safety valve must be fitted to the system, where thermostatic radiator valves are fitted it will be necessary to fit a bypass to obtain minimum flow rates.
IMPORTANT: IF MIN FLOW RATES ARE NOT OBTAINED THE BOILER MAY GO TO LOCK OUT ON HIGH LIMIT THERMOSTAT.
System must be flushed out before adding inhibitor to BS 7593:2019, Treatment of Water in Central Heating Boiler.
IMPORTANT: THIS BOILER IS TO BE FITTED ON FULLY PUMPED SYSTEMS ONLY
Sealed Water System Requirements
The installation must comply with the appropriate requirements of the current issue of BS 4814, BS 5449, BS 6798 and BS 7074 Part 1 and 2.
THE INSTALLATION ENGINEER MUST BE REGISTERED AS A COMPETENT INSTALLER.
Safety Valve
A safety valve set at 3 bar must be fitted with the drain routed to the outside of the building. The drain must not discharge above an entrance or a window or any public access area, be clear of any electrical fittings and positioned so that any discharge can be seen.
Expansions Vessel Capacity
A diaphragm type expansion vessel, conforming to the current issue of BS 4814. The expansion vessel must be connected to the systems at a point close to the inlet side of the circulating pump. The expansion vessel volume depends on the total water system volume and the initial system design pressure. For any system an accurate calculation of vessel size is given in the current issue of BS 5449 and BS 7074 Part 1.
The water content of the boiler is given in the Technical Specification. Note: A higher initial design pressure requires a larger Volume expansion vessel.
The charge pressure must not be less than the static head of the system that is the highest point of the system above the expansion vessel.
Capacity of Expansion Vessel
Where design information is not complete the following chart can be used for selecting the size of the vessel.
| Safety valve setting (bar gauge) | 3 bar | ||
| Vessel charge and initial system pressure (bar gauge) | 0.5 | 1.0 | 1.5 |
| Total water content of system | Vessel volume | ||
| Litre | Litre | Litre | Litre |
| 25 | 2.3 | 3.3 | 5.9 |
| 50 | 4.4 | 6.7 | 11.8 |
| 75 | 7.0 | 10.0 | 17.7 |
| 100 | 9.4 | 13.4 | 23.7 |
| 125 | 11.7 | 16.7 | 29.6 |
| 150 | 14.1 | 20.1 | 35.5 |
| 175 | 16.4 | 23.4 | 41.4 |
| 200 | 18.8 | 26.8 | 47.4 |
System Temperature
The normal running temperature of the system is 75°C, if a fault was to occur then the safety device would allow the system temperature to rise to 95°C. It is recommended that this figure be used in the calculations of vessel size.
Connection of the Expansion Vessel
The expansion vessel should be connected in the neutral part of the system this being the return pipe work close to the boiler, refer to sealed system pipe work layout drawing.
Pressure Gauge
A pressure gauge must be permanently fitted in the system covering a range from 0 to 4 bar. Position where it can be seen when filling the system.
System Makeup
Provision can be made by pre-pressurisation of the system via a temporary hose connection and through a double check valve (non-return) and stop valve. There must be no permanent connection to the mains water valve supply even through a non-return valve.
Inhibitor
If using an existing system take care to drain down the entire system including the radiators, then thoroughly clean out before fitting the boiler. Attention is drawn to the current issue of BS5449 and BS7593 on the use of inhibitors in central heating systems.
Drain Tapping
A drain tapping must be provided at the lowest point of the system, which will allow the entire system to be drained.
Magnetic Boiler Filter
To be fitted in the return pipe work close to the boiler. Failure to do so will invalidate the warranty.
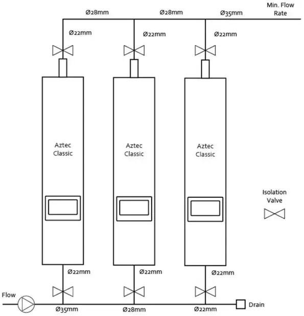
Multiple Boiler Installations
Important
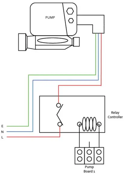
Where a greater output is required, more than one boiler can be used in the same system. However, if installing a Circulating pump with a higher power demand, the PCB circuit protection fuse may not be adequate. The pump could be wired using a relay. See wiring instructions (Page 17) for further details.
The boilers must be fitted side by side using common flow and returns. For each additional boiler fitted, it is recommended that the pipe work is increased in size and the pump set to deliver the combined flow rates. The circulating pump will be connected to one of the boilers or via the relay.
We strongly recommend the positioning of isolation valves on the flow and return pipe work of each boiler, as there may be a need to isolate one or more during servicing.
Sealed System
Open Vent
Wiring Instructions
ALL ELECTRICAL WORK MUST BE CARRIED OUT IN ACCORDANCE WITH CURRENT IEE WIRING REGULATIONS.
BEFORE COMMENCING INSTALLATION CHECK POWER SUPPLY TO THE PROPERTY TO ENSURE THAT THERE IS SUFFICIENT CURRENT AND VOLTAGE AVAILABLE FOR SIZE OF BOILER BEING FITTED. TAKE INTO ACCOUNT REQUIREMENTS OF OTHER ELECTRICAL APPLIANCES. THE BOILER MUST BE CONNECTED TO THE MAINS SUPPLY BY MEANS OF A DOUBLE POLE LINKED SWITCH WITH 3mm CONTACT GAP IN BOTH POLES
IMPORTANT: After completing electrical installation work preliminary safety checks should be carried out as described in BS 7671:2018.
The electrical supply requirements: –
The 2kW boilers and 6kW boiler supplies should meet the requirements of EN 61000 3.3.
The 9kW and 11kW boilers must be installed in premises having a service supply of ≥100A per phase and meet the requirements of IEC 60417-5855.
The 12kW boiler must be installed in premises having a system impedance of not more than 0.1939+ 0.1939Ω.
A double pole RCD with trip level sensitivity of 30mA can be used capable of breaking full load current to BS EN 61008:2012.
Note: RCD UNIT can be used as the isolating switch if mounted close enough to the boiler.
Miniature circuit breakers (MCB) MUST be fitted between RCD unit and boiler and RCD and any external controls. Refer to technical specification. For MCB ratings refer to wiring diagram.
It is important the correct size MCB is used in the supply from the RCD to the boiler. An additional MCB rated 6A will be required to supply the external controls.
Electrical Connections
WARNING: THIS APPLIANCE MUST BE EARTHED
The mains connection block is located inside the boiler on a bracket at the top left hand side of the boiler which can be directly wired to the boiler MCB. Use the correctly rated cable. The pump must be wired to the boiler via the pump connection block.
IMPORTANT: CORRECT POLARITY MUST BE OBSERVED WHEN BRINGING THE MAINS SUPPLY INTO THE BOILER.
The boiler has volt free contacts.
Volt free contact terminals Must Not be connected to 240V AC
Please see diagrams below for information on volt free connections. Please remove the link before connecting the controls.
Multiple Boiler installation Wiring information.
3 Phase Supply Connections for Multiple boiler installation.
Mains Supply Cables
Connect each boiler to each phase.
Control Signal.
Wire as shown in diagram below.
Pump Wiring
Pump Wiring for multiple boiler installation. Connect Pump relay to one boiler only.
Internal Wiring

Servicing
To ensure reliable operation of your Aztec electric boiler and to validate the warranty, it is recommended that you have your boiler serviced once a year.
The person(s), who services or carries out any remedial work, i.e. electrical fault finding, must have suitable qualifications.
Isolate the mains supply before carrying out any service work.
- Check all electrical connections on PCB and electric elements to ensure they are secure and clean.
- Check electrical insulation on wiring.
- Ensure all ventilation grilles are clean and free from obstructions.
- Inspects seals around elements and the heat exchanger top flange.
- Check and clean in line filter.
- Check Inhibitor strength, re-dose if required. Consult manufactures instructions for inhibitor strength.
- Run Boiler to check correct operation.
Boiler Spares
| Item | DESCRIPTION | QTY | 6kW | 9kW,11kW,12kW |
| 1 | Terminal Block | 1 | 225051 | 225051 |
| 2 | PCB | 1 | 225002 | 225002 |
| 3 | Flow Pipe | 1 | 225052 | 225052 |
| 4 | Heat Exchanger Shell | 1 | 225053 | 225075 |
| 5 | Case | 1 | 225054 | 225073 |
| 6 | Relay Board | 1 | 225010 | 225055 |
| 7 | 60A Terminal Block | 1 | 225056 | 225056 |
| 8 | Terminal Block bracket | 1 | 225057 | 225057 |
| 9 | Digital Display Board | 1 | 225058 | 225058 |
| 10 | Display Bracket | 1 | 225059 | 225059 |
| 11 | Flow Switch | 1 | 225060 | 225060 |
| 12 | Temperature Sensor | 1 | 225015 | 225015 |
| 13 | High Limit Safety Cut Out | 1 | 225061 | 225061 |
| 14 | Small Cable Gland | 2 | 225062 | 225062 |
| 15 | Large Cable Gland | 1 | 225063 | 225063 |
| 16 | Top Flange and Pipe | 1 | 225064 | 225064 |
| 17 | Front Case | 1 | 225065 | 225065 |
| 18 | Element Clamp A | 1 | 225066 | 225066 |
| 19 | Element Clamp B | 1 | 225067 | 225067 |
| 20 | Element Clamp C | 1 | 225068 | 225068 |
| 21 | 2kW Element | 3 | 225069 | |
| 21 | 3kW Element | 4 | 225070 | |
| 22 | Heat Exchanger Gasket | 1 | 225071 | 225071 |
| 23 | Element O-Ring Seal per element | 2 | 225072 | 225072 |

Aztec Commissioning Report
Installation Details
Name:
Address: ___________________________
Tel: _______________________________
Mobile No: __________________________
Email: ____________________________
Commissioning Engineer Details
Name:
Address: ___________________________
Tel: _______________________________
Mobile No: _________________________
Email: ___________________________
Commission Details
Date of Completion: ________________________
Date of Commission: ______________________
Serial Number: _______________________________________
RCD – Existing/New: ________________________
Size: _________
Supply Cable – Existing/New: _________
Diameter (mm): __________
Isolation valves fitted to all boiler outlets Y/N______________
Magnetic Filter Fitted to Heating circuit Y/N______________
By signing you agree that you have installed the boiler in accordance with these instructions and that the boiler is working as intended.
Plumber
Signed: _____________________ Date: ____________________
Electrician
Signed: ___________________ Date: _____________________
Customer Acceptance
I confirm that I have received training and instruction on how to operate and maintain this appliance.
I understand the warranty on this product, and I have been provided with a User Manual and Operating Instructions.
Customer Signature: ________________________ Date: __________________
Support
TR ENGINEERING LTD
5 Wortley Road Rotherham S61 1LZ
Tel: (0114) 2572300
Fax: (0114) 2571419
www.trianco.co.u
TR Engineering Limited
Copyright in this brochure and the drawings and illustrations contained in it is vested in TR Engineering Limited and neither the brochure or any part thereof may be reproduced without prior written consent.
TR Engineering Limited’s policy is one of continuous research and development. This may necessitate alterations to this specification.





















