Aztec Classic WM
Maxi Combi 
INSTALLATION, OPERATION AND
SERVICING INSTRUCTIONS
PLEASE READ THESE INSTRUCTIONS CAREFULLY BEFORE INSTALLING AND OPERATING THIS APPLIANCE
TO BE RETAINED BY HOUSEHOLDER
HEALTH AND SAFETY
INFORMATION FOR THE USER, INSTALLER, AND SERVICE ENGINEER
Under the Consumer Protection Act 1987 and the Health and Safety at Work Act 1974, it is a requirement to provide information on substances hazardous to health (COSHH Regulations 1998).
TR Engineering takes every reasonable care to ensure that its products are designed and constructed to meet these safety requirements when the products are properly installed and used. To fulfill the requirements, products are comprehensively tested and examined before despatch.
When working on the appliance, it is the responsibility of the user or engineer to ensure that personal protective clothing or equipment appropriate to parts that could be considered hazardous or harmful is worn.
This appliance may contain some of the items below:
Insulation and Seals
Glass rope, mineral wool, insulation pads, ceramic fiber, and glass insulation.
When handling, avoid inhalation and contact with the eyes. These may be harmful and cause irritation to the skin, eyes, nose, or throat. Use disposable gloves, face masks and eye protection.
After handling, wash hands and other exposed areas. When disposing of materials, limit dust and the risk of inhalation by using water spray. Ensure materials are securely wrapped.
Seek urgent medical attention if inhaled or ingested. Exposure to eyes and skin should be followed by immediate cleansing of the affected areas and medical attention if necessary.
Glues, Sealants, and Paints
The glues, sealants, and paints used present no known hazards when the appliance is used in the manner for which it is intended.
Notes:
a) Electrical safety checks should be carried out by a competent person.
b) It is a requirement of the guarantee and any extended warranty that an annual service is carried out by a competent person.
Installation Engineers Signature……………………………………………………..
Company Name (if applicable)………………………………………………………..
Company Address……………………………………………………………………………
Company Tel. No……………………………………………………………………………..
Please read these instructions fully before installing this appliance.
If in doubt seek expert advice
These instructions should be kept in a place close to the appliance for easy reference.
IMPORTANT PRE-INSTALLATION NOTES
By Fitting this Aztec Maxi Combination boiler, you agree:
- The Boiler has been received in good condition.
- You have carried out a heat loss calculation and are sure that this boiler is suitable.
- You have checked that the hot water flow rate is sufficient for the application.
- You have carried out a load and voltage test to determine the correct size of the breaker to be used.
- You meet the requirements of the appropriate Building Regulations
Before installation, it is imperative that the following guidelines are heeded to ensure trouble-free and efficient operation of the boiler:
Ventilation and Siting
When sitting the boiler in a confined space it is essential that adequate ventilation be provided. This will ensure that air can circulate freely around the appliance keeping down the ambient temperatures. Refer to Ventilation requirements (Page 11) for further details.
Ensure that the area surrounding the boiler is kept free of items that would impede the good ventilation of the appliance (e.g., towels, linen, etc).
When siting the boiler, consider the potential requirement for future servicing. Enough space should be provided at the front of the boiler to enable an engineer to adequately service and/or replace items such as the PCB or heat exchanger. Space should also be available for the removal of the front casing panel. Please refer to siting information (Page 11) for clearance dimensions. The boiler must be sited vertically and away from strong magnetic fields.
Power Supply and Wiring
The power supply to the premises must meet the minimum requirements of the unit being installed, with special attention paid to the supply current, cable size, and RCD recommendation. The supply voltage to the appliance must never drop below 207 Volts.
System
Isolation valves (supplied) must be fitted on both the flow and return pipe work. These are useful as from time to time the boiler may require draining of water, and the lengthy drawing-off process can be avoided by the astute placement of these valves.
Ensure that any isolation valves are open before first use and that the system is full of water.
IMPORTANT:
General Information:
To keep your boiler running efficiently DO NOT OBSTRUCT OR COVER any ventilation air inlet on the appliance or the compartment where it is installed.
To keep the casing clean, switch ‘OFF’ the boiler at the electrical supply, and simply wipe with a damp cloth. DO NOT use abrasive cleaning fluids as this may damage the stove enamel paintwork.
TR ENGINEERING LTD CUSTOMER AFTER-SALES SERVICE INFORMATION
The boiler comes with a 5 Year warranty, providing the boiler is registered within 30 days from the date of installation. Register online at: www.trianco.co.uk/product-registration
Terms and Conditions apply, please see the Trianco website for details.
Please note you will require the full boiler serial number to be able to register the boiler. The serial number is located on the right-hand side of the boiler and can also be found on the box the boiler came in.
A step-by-step guide to reporting a fault with your appliance
A qualified field SERVICE ENGINEER is available to attend a breakdown or manufacturing fault occurring whilst the appliance is under warranty.
The appliance must be made available for service during normal working hours, Monday to Friday (no weekend work or bank holidays accepted).
A charge will be made where:
- Our Field Service Engineer finds no fault with the appliance.
- The cause of a breakdown is due to other parts of the plumbing/heating system or equipment not supplied by TR Engineering Ltd.
- Where the appliance falls outside the warranty period (see terms and conditions enclosed).
- The appliance has not been correctly installed, as recommended (see the installation, operating, and servicing instructions.)
NOTE: Over 50% of all service calls made are found to have no appliance fault.
What to do in the event of an appliance fault or breakdown:
Step 1: Always contact your installer in the first instance, who must thoroughly check all his work PRIOR to requesting a service visit from TR Engineering LTD.
Step 2: If your appliance has developed an in-warranty fault your installer should contact TR Engineering LTD for assistance from the site.
What happens if my Installer/engineer is unavailable?
Step 3: Contact TR Engineering LTD. We will provide you with the name and telephone number of our Service Agent.
However, a charge may apply if the fault is not covered by the appliance warranty (payment will be requested on-site by our independent Service Agent).
PLEASE NOTE: UNAUTHORISED INVOICES FOR ATTENDANCE AND REPAIR WORK CARRIED OUT ON THIS APPLIANCE BY ANY THE THIRD PARTY WILL NOT BE ACCEPTED BY TR ENGINEERING LTD
Register your boiler online – www.trianco.co.uk/product-registration
SERVICE CENTRE AND TECHNICAL SUPPORT
Tel: 0114 257 2300 Fax: 0114 257 1419
Hours of Business
Monday to Thursday 8.30 am – 5 pm
Friday 8.30am – 2.30pm
IMPORTANT SAFETY NOTES
INTRODUCTION
The Aztec Classic WM Maxi Combination boiler is a wall-mounted electric central heating boiler that incorporates an unvented cylinder and is designed with smaller properties in mind. Access is required to the front of the boiler for servicing. Once the boiler is switched on it is fully controlled by an automatic management system that monitors the safety and running functions of the boiler. Designed to work on a fully pumped wet system only. The boiler produces hot water by passing water over electric heating elements housed in an insulated heat exchanger. The boilers incorporate inverter constant temperature technology which automatically adjusts output to match demand.
Read these instructions before installing the boiler.
Always switch OFF the electrical supply before removing the cover.
If any part of the boiler is modified, then the warranty will be invalidated.
We recommend that you keep these instructions in a place near your appliance for easy reference.
The Trianco Aztec Classic WM Maxi Combination Boiler has been designed to conform to European Directive/Standards EN60335-1:2002 +A15:2011, EN60335-2-35:2002 inc Amd 1, EN55014-1:2006 +A1:2009, EN55014-2:1997 +A2:2008.
THE PERSON(S) WHO INSTALLS THIS APPLIANCE, SERVICES OR CARRIES OUT ANY REMEDIAL WORK, I.E.
ELECTRICAL FAULT FINDING MUST HAVE SUITABLE ENGINEERING QUALIFICATIONS.
WARNING: DO NOT SWITCH ON THIS APPLIANCE IF THERE IS ANY POSSIBILITY THAT THE WATER MAY BE FROZEN.
THE INSTALLATION OF THIS APPLIANCE MUST MEET THE REQUIREMENTS OF THE CURRENT ISSUE FOR ELECTRICAL INSTALLATIONS IEE WIRING.
THIS BOILER INCORPORATES AN UNVENTED CYLINDER. UNVENTED CYLINDERS ARE A CONTROLLED SERVICE AS DEFINED IN THE LATEST EDITION OF THE BUILDING REGULATIONS AND SHOULD ONLY BE FITTED BY A COMPETENT PERSON.
USER INSTRUCTIONS
The Trianco Aztec Maxi Combination boiler has been designed and constructed to give years of trouble-free service and these instructions are provided to assist you in obtaining the best performance with the least trouble and cost.
The boiler is fully automatic in operation and requires little attention other than the setting of the thermostat and any external system controls such as a room thermostat.
IMPORTANT
DO NOT COVER OR BOX IN YOUR BOILER WITHOUT MAKING SUITABLE PROVISIONS TO ALLOW AIR TO CIRCULATE FREELY AROUND THE APPLIANCE
WARNING: DO NOT ATTEMPT TO SWITCH ON THE BOILER IF THERE IS ANY POSSIBILITY THAT THE WATER INSIDE THE HEAT EXCHANGER IS FROZEN
Before turning the boiler on, ensure the system is full of water and all valves fitted to the system are open.
Switch on the power supply, the display will illuminate. Observe any error codes – Refer to table on Page 9.
Boiler Multi-Function Display
Press the ON/OFF button to turn the boiler on from Standby. Power symbol illuminated.
Setting Boiler Heating Thermostat
With the Power symbol and Heating symbol illuminated (Boiler producing Heat for the Heating circuit) Press the UP/Down key to adjust the boiler temperature. 30°C – 80°C Press the Confirm key to saving.
Heating return difference Temperature setting
In standby press the mode key twice, and the screen shows CH, press the UP/DOWN key to choose the temperature differential between 5°C – 30°C Press Confirm to save.
Heating times are controlled by the external programable Wi-Fi thermostat supplied, see separate instructions for installation and operation. Alternatively, any programable room thermostat capable of volt-free switching can be used.
Once a call from the external thermostat is received by the boiler, TC will illuminate on the display and the heating symbol will flash on the boiler display. The power band should rise and fall.
Summer Mode
Pressing the ON/OFF button to put the boiler on standby will allow the boiler to operate in DHW mode only
Domestic Hot Water return difference Temperature setting In standby press the mode key once, screen shows LH, press UP/DOWN key to choose temperature differential between 5°C – 30°C Press Confirm to save. 5°C differential is recommended Setting Domestic Hot Water (DHW) On/Off times and Temperature.
This must be set when the boiler is commissioned to obtain hot water.
Repeatedly pressing the TIME button will cycle between Hours, Minutes, and DHW Temperature through 3 On/Off periods.
Each parameter can be changed using the UP/DOWN keys. It is recommended the DHW is set at 75°C
Turning the DHW timer ON/OFF
Press and hold the time key until all three clocks flash, Press the confirm key when clocks are visible to turn on the in-built programmer or press the confirm key when all three clocks are not visible to turn the in-built timer off.
Domestic Hot Water return difference Temperature setting
In standby press the mode key once, the screen shows LH, press the UP/DOWN key to choose the temperature differential between 5°C – 30°C Press Confirm to save. 5°C differential is recommended.
The boiler is supplied with a thermostatic blending valve which must be fitted on the Hot water outlet and adjusted accordingly at the time of commissioning.
Initial domestic hot water flow rates of 10l/min will produce 130l of water blended at 40°C, a lower flow rate of 5l/min will allow for more hot water to be drawn. The hot water volume will be affected by cold water supply temperature, flow rate, and boiler temperature setting.
In Standby Mode
Setting Day of Week
Press Mode Five times – Day of Week Flashes, Use UP/DOWN keys to set the current Day Number.
1 – 7 Press “Confirm” to store.
Setting Time
Press Mode Three times – Hours Flashes, Use UP/DOWN keys to set hours. Press mode again. Use UP/DOWN keys to set minutes. Press Confirm to store.
Fault Deletion Function
When a fault code shows on the display press the Confirm key to clear the fault.
Child Lock
Press “CONFIRM” for 5 Seconds, all keys are locked until “CONFIRM” is pressed again for 5 seconds
Frost Protection
In Standby the boiler will monitor the real-time water temperature.
If the water temperature is < 5°C the boiler will run automatically until the water temperature has reached 15°C. The heating element will turn off, the pump will continue to run for 5 Minutes.
Cleaning Casings
Use hot soapy water applied with a damp cloth for the enamel, then dry with a soft dry cloth.
Simple Maintenance
Ensure that the natural ventilation around the boiler is not obstructed. If fitted in a compartment, ensure all ventilation grilles are clear.
The boiler has built-in over-temperature protection. If the water temperature exceeds 140°C the limit thermostat will activate, and the screen will be blank. The thermostat will require re-setting by a qualified person.
FAULT FINDING
Information codes
| Code | Protection Function | Description | |
| E2 | Current leakage | Moisture on the circuit board or the boiler has condensation internally | Qualified engineer to remove cover and dry/inspect the circuit board |
| E3 | Water temperature sensor | A sensor is a short circuit or open circuit | Check sensor connection. Check sensor cable and replace if required |
| E5 | DHW temperature sensor | A sensor is a short circuit or open circuit | Check sensor connection. Check sensor cable and replace if required |
| E6 | Neutral Fault | Check Neutral Connection | |
| E9 | Antifreeze fault | The heating water temperature is too low | If the pipework is frozen the boiler will not be able to work. |
| EC | Display Disconnected with PCB | Display Disconnected with PCB | Check whether the cable between the display and the PCB is broken or whether the plug is loose. |
| F1 | Dry Fire Protection | No water flow
DHW Temperature set above 70 Degree | Fill system and vent. Press and hold the TIME key for 6 seconds to reset Lower Temperature to 70 Degree |
| F4 | Low Water Pressure | The system is low on water | Fill to correct pressure using the filling loop |
| F6 | No water Flow | Air in the system, no water or water pump not working, the pump is blocked, water flow switch blocked, the water flow switch is faulty | Vent system. Check system pressure. Check pump and flow switch for blockage/operation |
| External earth leakage protector trip (RCD) | The display screen does NOT light up. | Check whether the leakage protector is damaged and replace it. Check whether the heater has leakage, Check whether there is leakage situation in the external input power wires | |
| Dry burning temperature controller trip | The display screen does NOT light up. | Check whether the temperature controller trips. If it trips, press the reset button. Check whether the waterway is blocked. Clean and unblock the pipeline. Check the flow of the water pump. | |
| No heating | Equipment temperature does NOT rise. | The water temperature setting is too low. 2. Indoor temperature control set too low. | |
| No Hot Water | Power Band working | Check High Limit Thermostat on DHW Heat Exchanger Check 3 port valve is operating. | |
| Blank Display | High Limit Thermostat has tripped | Check High Limit Thermostat on main Heat Exchanger |
INSTALLATION
Regulations
Installation of the boiler must comply with the following British Standards and Regulations:
BS5449 – Forced circulation hot water central heating systems.
BS7074-Part 1: Code of practice for sealed water systems.
The Building Regulations: Part ‘L’ (Northern Ireland)
Current I.E.E. Regulations
Local water undertaking By-laws.
This boiler incorporates an Unvented Cylinder. Unvented cylinders are a controlled service as defined in the latest edition of the building regulations and should only be fitted by a competent person.
England and Wales – Building Regulations G3
Scotland – Technical Standard P3
Northern Ireland – Building Regulation Part F
Health and Safety at Work Act
The installer should be aware of his responsibilities under the Act and provide where necessary, appropriate protection for persons carrying out the installation. In the interests of safety, a competent engineer should install the boiler and all wiring must be carried out in accordance with current IEE regulations.
IMPORTANT
ALL ELECTRICAL WORK MUST BE CARRIED OUT BY A QUALIFIED ELECTRICAL ENGINEER TO CURRENT IEE WIRING REGULATIONS.
UNPACKING THE BOILER
Carefully open the boiler carton, remove the boiler, and place it in a safe place until required.
NOTE: ALWAYS STORE THE BOILER IN A DRY PLACE PRIOR TO FITTING.
SITING THE BOILER IMPORTANT: NOT TO BE INSTALLED IN A SHOWER COMPARTMENT OR BATHROOM
Ensure adequate clearance is allowed for making water connections. Access is required to the front of the boiler for servicing.
The boiler must also be fitted in a dry well-ventilated position, which is not subject to adverse temperature conditions. (See ventilation requirements).
Care should be taken when sitting on the appliance to make sure adequate access is available for future servicing of the appliance.
Please note that the PCB and heat exchanger assembly may require removal during such times.
The front cover is held in position by four Phillips Head screws, two at the top and two at the bottom. Clearance at the top and bottom of the boiler should be adequate to allow access with a small Phillips screwdriver.
When removing the cover please unplug the cable between the display and main circuit board.
The boiler must be mounted on a suitable wall capable of bearing the weight of the boiler.
Utilize all 6 fixing points on top and bottom fixing brackets.
Clearances
Please allow adequate clearance in front of the boiler for servicing and end-user access.

VENTILATION REQUIREMENTS
If the appliance is to be fitted in a confined space or compartment it is a requirement that adequate ventilation be provided to prevent the overheating of the boiler controls. Aeration of 110 cm² will be required For the compartment, in both high and low positions. 
WATER SYSTEM
The installation must comply with the requirements of the following codes of practice.
BS 5449 Part 1 Forced Circulation Hot Water Systems
BS 7593 Treatment of water in domestic hot water central heating systems.
BS EN 12828 – Heating systems in buildings: Design for water-based heating systems.
BS EN 12831 – Heating systems in buildings: Method for calculation of the design heat load.
BS EN 14336 – Heating systems in buildings: Installation and commissioning of water-based heating systems.
SUPPLIED ISOLATION VALVES MUST BE FITTED.
Fill the system. Vent all air from the system. Vent Pump. Clear any air locks and examine the system for water leaks.
IMPORTANT: ENSURE ALL SERVICE VALVES ARE IN AN OPEN POSITION.
IMPORTANT: THIS BOILER IS TO BE FITTED ON FULLY PUMPED SYSTEMS ONLY WHICH MUST INCLUDE AN AUTO-BY-PASS VALVE.
IMPORTANT: ALL DOMESTIC HOT WATER OUTLETS SHOULD BE RESTRICTED TO 10L/M USING THE FLOW RESTRICTOR SUPPLIED
SEALED WATER SYSTEM REQUIREMENTS
The installation must comply with the appropriate requirements of the current issue of BS4814, BS5449, BS6798, and BS7074 Part 1 and 2.
THERMOSTATIC BLENDING VALVE
The boiler is supplied with a thermostatic blending valve which must be fitted on the Hot water outlet and adjusted accordingly at the time of commissioning.
Safety Valve Discharge Arrangement
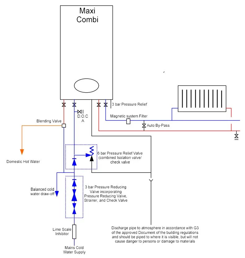
A 3-bar safety valve is fitted within the unit. The drain must be routed to the outside of the building. The drain must not discharge above an entrance or a window or any public access area, be clear of any electrical fittings, and be positioned so that any discharge can be seen.

Note: The discharge will consist of scalding water and steam. Roofing felt asphalt and non-metallic rainwater goods may be damaged by such discharges.
Position the inlet control group so that the discharge from both safety valves can be joined together via a 15mm end feed Tee.
Connect the tundish and route the discharge pipe. The tundish should be installed away from electrical devices.
The discharge pipework must be routed in accordance with Part G3 of schedule 1 of the Building Regulations.
The discharge pipe should have:
- A vertical section of pipe at least 300mm long below the tundish.
- Be installed with a continuous fall of at least 1 in 200 thereafter.
The safety valves will only discharge water under fault conditions.
The discharge pipe should be at least one pipe size larger than the nominal outlet size of the safety device. Please follow BS6700 for sizing discharge pipework.
The general guidance for sizing copper discharge pipe:
22mm Up to 9m. Deduct 0.8m for each bend from the maximum length.
28mm Up to 18m. Deduct 1m for each bend from the maximum length.
35mm Up to 27m. Deduct 1.4m for each bend from the maximum length.
The discharge pipe should terminate in a safe place where there is no risk to persons in the vicinity of the discharge.
Temperature and Pressure Relief
A 7 bar 90 degrees C pressure and temperature valve are fitted to the domestic hot water vessel.
This must be routed to the outside of the building.

The 6-bar pressure Relief valve, combined isolation valve, check valve, and 3bar pressure reducing valve, strainer, and check valve are supplied with the boiler and must be installed into the cold mains inlet pipework to the boiler.
Expansion Vessel Capacity
Note the internal 5-liter expansion vessel might not accommodate the entire system volume.
A second diaphragm-type expansion vessel, conforming to the current issue of BS4814 might be required. The expansion vessel must be connected to the systems at a point close to the inlet side of the circulating pump. The expansion vessel volume depends on the total water system volume and the initial system design pressure. For any system, an accurate calculation of vessel size is given in the current issue of BS5449 and BS7074 Part 1.
The water content of the boiler is given in the technical specification. Note a higher initial design pressure requires a larger volume expansion vessel.
The charge pressure must not be less than the static head of the system, which is the highest point of the system above the expansion vessel.
NOTE: Failure to ensure the correct vessel size could result in premature failure of the expansion vessel which in turn may adversely affect other components in the system i.e., the circulating pump and diverter valve.
The capacity of Expansion Vessel
Where design information is not complete the following chart can be used for selecting the size of the vessel, it should be noted that the size given in the table take account of fault conditions.
| Safety valve setting (bar gauge) | 3 Bar | ||
| Vessel charge and initial system pressure (bar gauge) | 0.5 | 1.0 | 1.5 |
| The total water content of system (liter) | Vessel volume (liter) | ||
| 25 | 2.3 | 3.3 | 5.9 |
| 50 | 4.7 | 6.7 | 11.8 |
| 75 | 7.0 | 10.0 | 17.7 |
| 100 | 9.4 | 13.4 | 23.7 |
| 125 | 11.7 | 16.7 | 29.6 |
| 150 | 14.1 | 20.1 | 35.5 |
| 175 | 16.4 | 23.4 | 41.4 |
| 200 | 18.8 | 26.8 | 47.4 |
System Temperature
The normal running temperature of the heating system is 75°C, if a fault were to occur then the safety device would allow the system temperature to rise to 100°C. It is recommended that this figure be used in the calculations of vessel size.
Pressure Gauge
A 0 to 4 bar pressure gauge is fitted within the unit.
Drain Tapping
A drain tapping must be provided at the lowest point of the system, which will allow the entire system to be drained.
System Makeup
Provision can be made by pre-pressurization of the system via a temporary hose connection and through a double-check valve (non-return) and stop valve. Supplied
There must be no permanent connection to the mains water valve supply even through a non-return valve.
Maximum Cold Water inlet pressure not to exceed 6 bar.
Inhibitor
If using an existing system take care to drain down the entire system including the radiators, then thoroughly clean out before fitting the boiler. Attention is drawn to the current issue of BS5449 and BS7593 on the use of inhibitors in central heating systems.
Magnetic Boiler Filter
To be fitted in the return pipework close to the boiler. Failure to do so will invalidate the warranty.
Scale Inhibitor
The Aztec Maxi Combination boiler MUST be fitted with an inline scale inhibitor (not supplied) on the cold feed inlet pipe.
Failure to do so will invalidate the warranty.
Pump Setting
The boiler is fitted with a Grundfos UPM3 Flex AS circulator
To avoid any primary water flow issues, it is important to commission the pump to the correct setting to suit the system.
Pressing the > button will change the pump performance as per the chart below.
| Display | Indication | Performance in % of P1 MAX |
| One green LED (flashing) | Standby (only externally controlled) | 0 |
| One green LED + one yellow LED | Low performance | 0-25 |
| One green LED + two yellow LED | Medium-low performance | 25-50 |
| One green LED + three yellow LED | Medium-high performance | 50-75 |
| One green LED + four yellow LED | High performance | 75-100 |
Alarms
If the circulator has detected one or more alarms, the bi-colored LED 1 switch from green to red. When an alarm is active, the LEDs indicate the alarm type as defined in the table below. If multiple alarms are active at the same time, the LEDs only show the error with the highest priority. The priority is defined by the sequence of the table.
When there is no active alarm anymore, the user interface switches back to the operation mode.
| Display | Priority | Indication | Pump operation | Counteraction |
| One red LED + one yellow LED (LED 5) | 1 | The rotor is blocked. | Trying to start again every 1,Wait seconds. | or deblock the shaft. |
| One red LED + one yellow LED (LED 4) | 2 | Supply voltage too low. | Only warning, the pump runs. | Control the supply voltage. |
| One red LED + one yellow LED (LED 3) | Electrical error, | The pump is stopped because of low supply voltage or serious failure. | Control the supply voltage or replace the pump. |

Water Connections

Pipe Work Layout

WIRING INSTRUCTIONS
All electrical work must be carried out in accordance with current IEE wiring regulations.
Before commencing installation check the power supply to the property to ensure that there is enough current and voltage available for the size of the boiler fitted. Consider requirements of other electrical appliances. The boiler must be connected to the mains supply by means of a double pole linked switch with a 3mm contact gap in both poles.
IMPORTANT:
After completing electrical installation work preliminary safety checks should be carried out as described in BS 7671:2001 NOTE: RCD unit can be used as the isolating switch if mounted close enough to the boiler.
Miniature circuit breakers MCB MUST be fitted between the RCD unit and boiler and RCD and any external controls. Refer to technical specification. For MCB ratings refer to the wiring diagram.
It is important the correct size MCB is used in the supply from the RCD to the boiler.
ELECTRICAL CONNECTIONS
WARNING: THIS APPLIANCE MUST BE EARTHED.
The boiler is supplied with a 3-core flexible cable which should be connected to a suitable isolator capable of handling the rated current input of the boiler. See boiler data label or technical details chart for more information.
IMPORTANT: CORRECT POLARITY MUST BE OBSERVED WHEN BRINGING THE MAINS SUPPLY INTO THE BOILER
External Controls
Control wiring is volt free, do not apply 230v. This will invalidate the warranty.
THP1002 Series Wi-Fi Thermostat
The combination boiler is supplied with a Wi-Fi wall-mounted thermostat which allows the end user to control the heating from a smartphone or tablet.
The thermostat requires a 230V supply connected to 3 (N) and 4 (L) and communicates with the boiler via a twin core cable.
Connect the twin core cable from the boiler to terminals 1 & 2
For further information on installing and using the thermostat please refer to the separate installation manual supplied with the thermostat.
Alternatively, any programable room thermostat capable of volt-free switching can be used.
Once a call from the external thermostat is received by the boiler, TC will illuminate the display and the heating symbol will flash on the boiler display.
Please check all internal joints before filling the system, connections may become loose in transit.
COMMISSIONING
Please make sure the system is full of water and all isolation valves are open before turning the power on to the boiler.
When power is first applied, the boiler will proceed to heat the internal cylinder to 75 Degree C. This is a one-off process when the boiler is turned on for the first time.
If at the time of this pre-heat the boiler displays any information codes, please see the information codes chart on page 9.
The most likely problem will be due to air in the system and the code on the display will be F6.
Please confirm the code by pressing the Confirm button and let the boiler go through the initial pre-heat again.
Set the pump to speed 1 by pressing the pump speed selection button on the pump, make sure the auto air vent on the pump is open, and allow the boiler to continue with the pre-heat.
If the boiler displays further information codes it might be necessary to remove the valve head from the motorized valve body by turning the fixing nut anti-clockwise until loose and then gently easing the head from the valve body.
The valve can then be manually turned anticlockwise from the 3 O’clock position, 90 degrees to the 12 O’clock position when air can be heard at the pump. This will allow the air to be released into the heating system. Once the air has passed through the boiler the valve can be turned back to the 3 O’clock position. This process might have to be repeated several times to remove the air. It is important to maintain a system pressure of 1 – 1.5 Bar whilst the boiler is in pre-heat mode.

If the boiler displays the F1 code (Overheat) it will be necessary to remove the white panel to expose the circuit boards and disconnect the relay board from the main circuit board by separating the white plug. The boiler will now operate but not produce any heat. Continue with the air removal until satisfied.
Once the pre-heat is complete the boiler’s internal DHW programmer can be set, please see page 8 for details.
You can set 3 ON/OFF times with cylinder temperatures. The Timer must be set to ON and the current time and day must be set.
It is recommended that the cylinder be set to 75 Degree C to obtain the maximum performance from the boiler.
The blending valve supplied, which MUST be fitted, can be set between 30 degrees C and 50 Degree C.
It is recommended the DHW flow rate be no greater than 10 l/min and can be regulated using the flow restrictor provided.
Once the initial pre-heat is complete the heating can be turned on using the provided Wi-Fi thermostat or other programmable volt-free room thermostat fitted.
Once the boiler has a call signal, indicated by TC on the boiler display, the boiler will run in heating mode until either the call signal is removed, or the internal cylinder drops in temperature and the boiler is in a timed-on period for DHW. The boiler works on a Hot water priority basis. When the boiler sees a drop in cylinder temperature the boiler will heat the cylinder to the set target temperature providing the boiler is in a Hot water timed on the period set by the internal programmer.
While the boiler is working in Heating mode the heating flow temperature can be set by using the up and down arrows on the boiler display, press confirms button to store the required set temperature.
Please fill in the commissioning Report form found on Page 24. Failure to do so could invalidate the warranty.
Servicing
Servicing should only be carried out by competent installers and only spare parts approved by the manufacturer may be used.
Never bypass any safety devices or operate the boiler without them being fully operational.
Always isolate the boiler from the electrical supply before carrying out any work on the appliance.
An annual service should include the following:
- Recharging of the expansion vessel
- Inspection of all electrical connections
- Testing of boiler thermostats.
- Run boiler in heating and hot water modes to ensure correct operation
- Check all safety valves to ensure they are not leaking and function correctly
- Clean system filter
- Check correct operation of blending valve
- Clean blending valve filters
- Record temperature of hot water at outlet after 1 minute of flow
- Ensure discharge pipe discharges fully
- Check the strength of the system inhibitor
TECHNICAL DETAILS
| TECHNICAL DETAILS | UNIT | 8kW | 10kW | 12kW |
| Electrical Input | kW | 8 | 10 | 12 |
| Supply Current | Amp | 35 | 44 | 53 |
| RCD Rating 30ma | Amp | 40 | 50 | 63 |
| Minimum Cable Size | mm | 6 | 10 | 10 |
| D.H.W @45°C | Ltr/min* | 10 | 10 | 10 |
| Weight | Kg | 56 | ||
| Water Content | liters | 40 | ||
| Width | mm | 500 | ||
| Depth | mm | 315 | ||
| Height | mm | 950 | ||
| Mains Supply | 230V 50Hz | |||
| Max Operating Pressure | 300 kPa / 3 bar | |||
| Test Pressure | 600 kPa / 6 bar | |||
| Minimum HTG Flow Rate | 8 l/min | |||
| Boiler Flow Temperature | Adjustable between 30°C and 80°C | |||
| Limit Thermostats | Factory set at 140°C | |||
| CH Flow & Return | ¾ BSP Male | |||
| DHW Inlet & Flow | ½ BSP Male | |||
| Maximum Flow Temp CH | 80°C | |||
| Pressure Gauge | 0 – 4 bar | |||
| Pressure Relief Valve | 3 bar | |||
| Pump | GRUNDFOS UPM3 FLEX AS | |||
| Expansion Vessel Htg | 5Ltr charge 1.5 bar | |||
| Expansion Vessel DHW | 2Ltr charge 1.5 bar | |||
| Available System Head | 3m | |||
| Maximum Cold Water Inlet Pressure | 6 bar | |||
| Casing Finish | Stove enameled white | |||
*Cold water inlet temperature 10°C
BOILER SPARES
| ITEM | DESCRIPTION | QTY | 8Kw Combi | 10Kw Combi | 12Kw Combi |
| 1 | Outer Cover – 1 | 1 | |||
| 2 | Electrical Control Box | 1 | |||
| 3 | PCB | 1 | 225002 | 225002 | 225002 |
| 4 | Heating Flow Connection | 1 | |||
| 5 | Heat Exchanger | 1 | 225005 | 225005 | 225005 |
| 6 | 2l Expansion Vessel | 1 | |||
| 7 | Temperature & Pressure relief valve | 1 | |||
| 8 | Pressure Gauge | 1 | 225008 | 225008 | 225008 |
| 9 | Blanking Plug | 1 | |||
| 10 | Safety Valve 3 bar | 1 | 225009 | 225009 | 225009 |
| 11 | Expansion Board | 1 | 225010 | 225010 | 225010 |
| 12 | Display | 1 | 225012 | 225012 | 225012 |
| 13 | Display Cover | 1 | 225013 | 225013 | 225013 |
| 14 | Grundfos UPM3 Pump | 1 | |||
| 15 | Heating Limit Thermostat | 1 | 225021 | 225021 | 225021 |
| 16 | Limit Thermostat 85°C | 1 | |||
| 17 | 3 Port Valve | 1 | |||
| 18 | Main Supply Cable | 1 | |||
| 19 | Cable Gland | 1 | 225018 | 225018 | 225018 |
| 20 | Boiler Case | 1 | |||
| 21 | 5L Expansion Vessel | 1 | 225022 | 225022 | 225022 |
| 22 | Valve Control Board | 1 | |||
| 23 | 40l Cylinder | 1 | |||
| 24 | DHW Pipe | 1 | |||
| 25 | Heating Flow Pipe 1 | 1 | |||
| 26 | Heating Flow Pipe 2 | 1 | |||
| 27 | Heating Inlet Pipe | 1 | |||
| 28 | DHW Flow Pipe | 1 | |||
| 29 | 2l Expansion Vessel Connection Pipe | 1 | |||
| 30 | T&P Relief pipe | 1 | |||
| 31 | 5l Expansion Vessel Connection Pipe | 1 | |||
| 32 | Heating pressure Relief Pipe | 1 | |||
| 33 | Heating Flow Switch | 1 | |||
| 34 | Heat Exchanger Bracket | 2 |

Aztec Commissioning Report
| Installation Details Name:…………………………………………….. | Commissioning Engineer Details Name:…………………………………………………………………… |
Commission Details
Date of Completion: ________________________ Date of Commission: ______________________
Serial Number: _________________________________________________________
RCD – Existing/New: ________________________ Size: _________
Supply Cable – Existing/New: _________ Diameter (mm): __________
Isolation valves fitted to all boiler outlets Y/N______________
Magnetic Filter Fitted to Heating circuit Y/N______________
In-line scale inhibitor fitted Y/N______________
Incoming Cold-Water Pressure ______________Bar
What is the maximum Hot water flow rate set at? _________l/min
Has the strainer been cleaned of installation debris Y/N __________
What is the hot water temperature at the nearest outlet? __________°C
All appropriate pipes have been insulated __________
The tundish and discharge pipework have been connected and terminated to Part G of the building regulations _________
Where is the pressure reducing valve situated ________________________________
The hot water system complies with the appropriate Building Regulations _________
By signing you agree that you have installed the boiler in accordance with these instructions and that the boiler is working as intended.
Plumber
Signed: ________________________ Date: __________________________
Electrician
Signed: ________________________ Date: ___________________________
Customer Acceptance
I confirm that I have received training and instruction on how to operate and maintain this appliance.
I understand the warranty on this product, and I have been provided with a User Manual and Operating Instructions.
Customer Signature: ____________________________________ Date: _____________________
TR ENGINEERING LTD
5 Wortley Road
Rotherham
S61 1LZ
Tel: (0114) 2572300
Fax: (0114) 2571419
www.trianco.co.uk
© TR Engineering Limited
Copyright in this brochure and the drawings and illustrations contained in it is vested in TR Engineering Limited and neither the brochure nor any part thereof may be reproduced without prior written consent.
TR Engineering Limited’s policy is one of continuous research and development. This may necessitate alterations to this specification
June 2022


















