steinel GL 65 S Motion Sensor LED Path Lamp User Manual
About this document
- Under copyright. Reproduction either in whole or in part only with our consent.
- Subject to change in the interest of technical progress
Hazard warning!
Warning of hazards from electricity!
Warning of hazards from water!
General safety precautions
Failure to observe these operating instructions presents hazards!
These instructions contain important information on the safe use of this product. Particular attention is drawn to potential hazards. Failure to observe this information may lead to death or serious injuries.
- Read instructions carefully.
- Follow safety advice.
- Keep instructions within easy reach.
- Working with electrical current may produce hazardous situations. Touching live parts can result in electrical shock, burns or death.
- Work on mains voltage must only be performed by qualified, skilled personnel.
- National wiring regulations and electrical operating conditions must be observed (e.g. D: VDE 0100, A: ÖVE-ÖNORM E8001-1, CH: SEV 1000).
- Only use genuine replacement parts.
- Repairs must only be carried out by companies qualified to do so
System description
Proper use for GL 65 S
- LED light with infrared motion sensor.
- For installation on floors and outdoor surfaces.
- Not suitable for connecting to a dimmer.
Operating principle
- The integrated infrared sensor detects the heat radiated from moving objects (e.g. people, animals). The heat detected in this way is converted electronically into a signal that switches the LED light ON automatically.
- The most reliable way of detecting motion is to install the unit with the sensor aimed across the direction in which a person would walk.
- Motion detection reach is restricted when the unit is approached head on.
- Obstacles (such as trees, walls or panes of glass) may restrict or prevent the detection of movement.
- Sudden fluctuations in temperature as a result of changes in weather are not distinguished from sources of heat.
Proper use for GL 65
- LED light.
- For installation on floors and outdoor surfaces.
- Not suitable for connecting to a dimmer.
Non-intended use
- The LED light cannot be dimmed.
Not dimmable
GL 65 S package contents
- 1 LED light with infrared motion sensor
- 1 Allen key
- 3 screw fixing plugs
- 3 M8 x 70 mm screws
- 2 M6 x 20 mm screws
- 1 safety data sheet
- 1 quick-start guide

- 1 LED light
- 1 Allen key
- 3 screw fixing plugs
- 3 M8 x 70 mm screws
- 2 M6 x 20 mm screws
- 1 safety data sheet
- 1 quick-start guide
GL 65 S product dimensions

GL 65 S product components
A LED light head
B Sensor unit
C Bottom side of LED light head with control dials
D Terminal box
E Locking screw
F Tube
G Base

H Basic light level
I Twilight setting
J Time setting

A LED light head
B Sensor unit
C Bottom side of LED light head
D Terminal box
E Locking screw
F Tube
G Base
Luminous intensity distribution curve
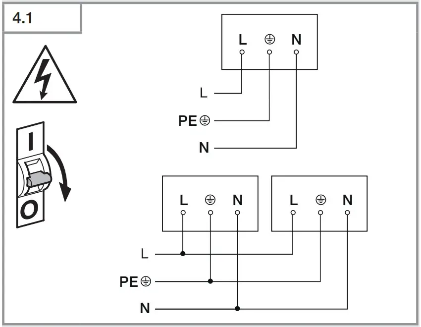
Electrical connection
Wiring diagrams
The mains power supply lead is a 3-core cable:
L = phase conductor (usually black, brown or grey)
N = neutral conductor (usually blue)
PE = protective-earth conductor (green/yellow)
The floodlight can also be connected to the power supply downstream of a mains switch if it is ensured that the mains switch is left ON all the time.
The LEDs in this floodlight cannot be replaced. In the event of LED failure, the entire product must be replaced.
Installation
Hazard from electrical power.
Touching live parts can result in electrical shock, burns or death.
- Switch OFF power and interrupt power supply.
- Using a voltage tester, check to make sure that the power supply is disconnected.
- Make sure power supply remains interrupted.
Risk of damage to property!
Mixing up connection leads may produce a short circuit.
- Identify connection leads.
- Connect the leads correctly.
Preparing for installation
- Check all components for damage. Do not use the
floodlight if it is damaged. - Select an appropriate site to install the product.
- Take reach into consideration.
- Take motion detection into consideration.
- Vibration-free.
- No obstacles in detection zone.
- Not in explosive atmospheres.
- Not on normally flammable surfaces.
- Do not look into the light source from a short distance (< 30 cm).
- Spaced at a distance of at least 50 cm from other LED lights.
GL 65 S reach
Detecting movement of persons walking past the GL 65 S
Detecting movement of persons walking towards the GL 65 S
Mounting procedure
- Check to make sure the power supply is switched OFF.
- Mark drill holes.

- Drill holes (ø 8 mm) and fit screw fixing plugs.

- Screw base to surface.
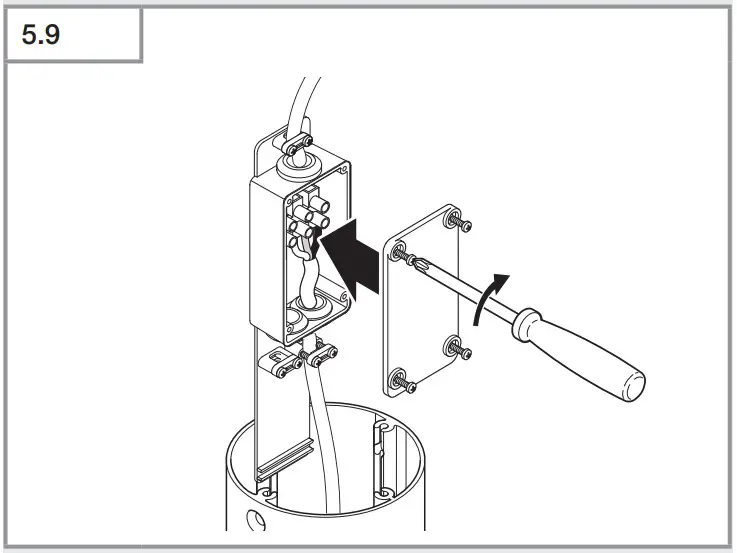
- Unscrew cover from terminal box.

- Unscrew cover from terminal box.

- Connect mains power supply lead as shown in the wiring diagram.
➔ „4. Electrical connection“
- Screw cover back on terminal box.

- Fit lamp.
- Screw in retaining screws.

- Switch ON power supply.
- Set functions.
➔ „6. Function
Function
GL 65 S

- Unscrew LED light head.
- Make settings.
Factory settings
- Time setting: 5 seconds
- Twilight setting: daylight mode 1,000 lux
- Basic light level: OFF
Basic light level (H)
Off: Standard programme
- Soft light start / no basic light level
What is soft light start?
The sensor-switched light features a soft light start function. This means that when turned ON, the light is not switched directly to maximum output but constantly builds up brightness to 100% within a short period of time. Brightness is also gradually reduced when the light is switched OFF.
User-friendly economy programme
Soft light start + basic light level until the middle of the night Basic light level ON from twilight setting selected until the middle of the night
How does the user-friendly economy programme work?
The sensor-switched light does not have an integrated clock. The middle of the night is only determined on the basis of the length of darkness phases. To work perfectly, therefore, it is important for the sensor-switched light to be permanently connected to the power supply during this period. During the first night (calibration phase) basic light level remains activated throughout the night. The values are saved even in the event of a mains power failure. We do not recommend interrupting the power supply in this the programme. The values are determined over several nights. The sensor-switched light should, in the event of any fault occurring, be monitored over several nights to ascertain whether the switch-off time moves towards midnight.
User-friendly programme
Soft light start + basic light level Basic light level ON from twilight setting selected
What is basic light level?
The basic light level provides continuous night-time illumination at approx. 10% light output. The light only switches to maximum output (100%) for the time selected in response to movement in the detection zone. The light then returns to the basic light level (approx. 10%).
NM: Nightmatic programme
Soft light start, no basic light level, no movement evaluation Switches ON at 100% if the light level falls below the level set
Twilight setting (I)
The response threshold (twilight) can be infinitely varied from approx. 2 to 2,000 lux
= daylight mode (depending on ambient light level)
= night-time operation (approx. 2 lux)
The control dial must be turned to when adjusting the detection zone and performing the functional test in daylight.
Time setting (J)
The stay-ON time) can be set to any period from approx. 5 seconds to a maximum of 15 minutes. Every movement detected re-activates the light.
Note: after the LED light switches OFF, it takes approx. 1 second before movement can be detected again. The LED light can then switch ON again in response to movement.
The shortest time setting is recommended when adjusting the detection zone and performing the functional test.
Manual override – GL 65 S
1) Activate manual override:
- Switch OFF and ON twice.
The LED light is set to manual override for 4 hours. Then it returns automatically to sensor mode.
2) Deactivate manual override:
- Switch OFF and ON once.
The LED light switches OFF or goes into sensor-switched mode
Important:
Switching must take place within 0.2 to 1 second.
Cleaning and maintenance
The tool requires no maintenance.
Hazard from electrical power.
Contact between water and live parts can result in electric shock, burns or death.
- Only clean tool in a dry state.
Risk of damage to property!
Using the wrong cleaning product can damage the light.
- Clean tool with a moist cloth without detergent.
Important note: the control gear cannot be replaced.
Disposal
Electrical and electronic equipment, accessories and packaging must be recycled in an environmentally compatible manner.
Do not dispose of electrical and electronic equipment as domestic waste.
EU countries only:
Under the current European Directive on Waste Electrical and Electronic Equipment and its implementation in national law, electrical and electronic equipment no longer suitable for use must be collected separately and recycled in an environmentally compatible manner.
Manufacturer’s warranty
This Steinel product has been manufactured with utmost care, tested for proper operation and safety and then subjected to random sample inspection. Steinel guarantees that it is in perfect condition and proper working order. The warranty period is 36 months and starts on the date of sale to the consumer. We will remedy defects caused by material flaws or manufacturing faults. The warranty will be met by repair or replacement of defective parts at our own discretion. The warranty shall not cover damage to wear parts, damage or defects caused by improper treatment or maintenance. Further consequential damage to other objects shall be excluded.
Claims under the warranty will only be accepted if the unit is sent fully assembled and well-packed with a brief description of the fault, a receipt or invoice (date of purchase and dealer’s stamp) to the appropriate Service Centre.
Repair service:
If defects occur outside the warranty period or are not covered by the warranty, ask your nearest service station for the possibility of repair.
Technical specifications
| Dimensions (H × Ø) | 770 × 180 mm |
| Power supply | 220 – 240 V, 50/60 Hz |
| Standby (Psb) (sensor) | GL 65 S 0.25W |
| Power consumption (Pon) | GL 65 S 8.70 W |
| Luminous flux | GL 65 8.50 W 575 lm |
| Efficiency | GL 65 S 66 lm / W |
| Colour temperature | GL 65 68 lm / W |
| Colour-rendering index | 3,000 K |
| Colour consistency SDCM | Ra = 80 |
| Luminous intensity distribution | starting value: 6 |
This product contains an energy efficiency class “E” light source.
Technical documentation at www.steinel.de/eprel
Troubleshooting
Unit without power
- Fuse not switched ON or faulty.
- Switch ON fuse.
- Change faulty fuse.
- Break in wiring.
- Check wiring with voltage tester.
- Short circuit in mains power supply lead.
- Check connections.
- Any mains switch OFF
- Switch ON mains switch.
Unit does not switch ON.
- Wrong twilight setting selected.
- Reset twilight setting.
- Mains switch OFF.
- Turn on mains switch.
- Fuse not switched ON or faulty.
- Switch ON fuse.
- Change faulty fuse.
- Rapid movements being suppressed to minimise malfunctioning, or detection zone too small or incorrectly defined.
- Check and adjust detection zone.
- Light source faulty.
- The light source cannot be changed. Completely replace unit.
Unit does not switch OFF.
- Continued movement within the detection zone.
- Check detection zone.
- If necessary, limit or change detection zone.
Unit switches ON when it should not.
- Floodlight not mounted for detecting movement reliably.
- Securely mount floodlight.
- Movement occurred but not identified by the observer (movement behind wall, small object moving in immediate proximity of lamp etc.).
- Check detection zone.
- If necessary, limit or change detection zone.
STEINEL Vertrieb GmbH
Dieselstraße 80-84
33442 Herzebrock-Clarholz
Tel: +49/5245/448-188
www.steinel.de


























