
TY-01 / TY-01-25
User Manual

Caution
Ensure no obstacles are in the TV lift’s path. Ensure all cords are the appropriate length to accommodate the change in height.
Warning:
Pinch point!
Keep hands and fingers clear.
Ensure these instructions are read and acknowledge before use or installation.
Please contact a professional installer for assistance if unsure of installation. Attach to structures suitable for supporting the TV lift and added load.
Use the appropriate safety equipment and tools. A minimum of two people is required for this installation.
Do not exceed the maximum load capacity of 135 lbs or else this may result in product failure or personal injury.
Do not sit or stand on the TV lift. Do not crawl or lie under the TV lift.
Before cleaning, unplug the unit from power. Clean with a slightly damp cloth to wipe away any surface dust. Do not use corrosive or abrasive materials. Keep all electrical components away from liquids.
Dispose of in accordance with local laws and regulations. There are wires, electronic components, metal and plastic parts and may not be disposed of as local waste.
Liability

Under no circumstances does the manufacturer accept warranty claims or liability claims for damages caused by improper use or handling of the TV lift.
2
Specifications
| Model | TY-01-25 | TY-01 |
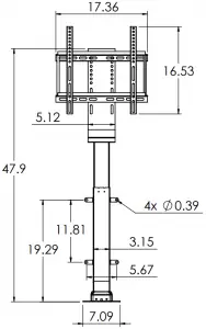
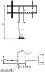
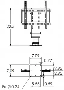
| Stroke (Movement) | 25.4″ | 38.8″ |
| Minimum Height | 22.5″ | 32.1″ |
| Maximum Height | 47.9″ | 70.9″ |
| Dimensions (LxWxH) | 7.09″ x 18.19″ x 26.88″ | 7.09″ x 28.62″ x 36.18″ |
| Weight | 33.2 lbs | 42.0 lbs |
| TV Size Compatibility | 32″ to 60″ | |
| Vesa Compatibility | Yes – Adjustable | |
| Input Voltage | 110 VAC, 230 VAC Customizable | |
| Control Options | Wireless & Wired Remote | |
| Wireless Remote Range | Up to 100 ft | |
| Wired Remote Cable Length | Coiled Cable, Up to 6 ft when stretched | |
| Dynamic Load | 135 lbs | |
| Static Load | 155 lbs | |
| Upside Down Dynamic Load | 135 lbs | |
| Upside Down Static Load | 135 lbs | |
| Speed (No Load) | 1.22″/sec | |
| Speed (Full Load) | 0.98″/sec | |
| Overload Protection | PTC Short Circuit Protection | |
| Operational Temperature | 41° to 104°F (5° to 40°C) | |
| Operating Noise | <50dB | |
| Duty Cycle | 10% (2 Minutes On, 18 Minutes Off) | |
| IP Rating | IP20 | |
| Certifications | UL for Control System and Lifting Column | |
| Color | Black | |
| Frame Material | Steel | |
| AC Cable Length | 10 ft | |
| Warranty | 18 Months | |
3
Dimensions
(Dimensions in inches)
TY-01-25

TY-01

4
Components
Tools

Hardware

x 2 Screws M5×50 x 4 Screws M6×16 x 8 Hex Bolts M6×14
![]()
x 4 Hex Bolts M8×16 x 4 Nuts M8 x 8 Spring washers M6

x 8 Washers M6








*2 AAA batteries are required for the wireless remote
Parts Diagram

| No. | Type | Qty |
| 1 | Mounting base | 1 |
| 2 | Column | 1 |
| 3 | Washers M6 | 8 |
| 4 | Spring washers M6 | 8 |
| 5 | Hex Bolts M6x14 | 8 |
| 6 | Screws M5x50 | 2 |
| 7 | TV mounting bracket | 1 |
| 8 | Nuts M8 | 4 |
| 9 | Mounting bracket | 1 |
| 10 | Screws M6x16 | 4 |
| 11 | Screws M8X16 | 4 |
5
Assembly Instructions
*Please contact our customer service department should you have any questions.*
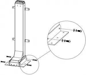
1 Use 4 Hex Bolts M6x16, each with Spring washer and Washer, to attach Bases to the bottom of the Column. Tighten the 4 Screws (2 per side).

2 Use 4 Hex Bolts M6x16, each with Spring washer and Washer, to attach Mounting bracket to the top of the Column. Tighten the 4 Screws.

3 Use 4 Screws M6x16, to assemble the TV mounting bracket as following.

4 Use 4 Hex Bolts M8x16, each with Spring washer and Washer, to attach TV mounting bracket on to the Mounting bracket. Tighten the 4 Screws.

6
5 Secure another 2 parts of the TV mounting bracket onto the backside of the TV set with 4 screws included with TV set. And then hang the TV set onto the TV mounting bracket as following.
Use 2 M5x50 screws to tighten on the bottom.

6 Connect the wires as per the diagram below. A Reset procedure is required before use.

7 Operating: You can use the wireless remote or handset to operate the TV lift.
(1) Remote: Press the UP button to move the TV lift move up, press the DOWN button to move the TV lift move down.
(2) Handset: Press UP button, TV lift move up, press DOWN button, TV lift move down. (3) During the movement, you can press any button on remote or handset (not the RESET button on handset), TV lift stop at once.

8 Setting the UPPER and LOWER limits:
- To set the UPPER limit position:
Hold UP and RESET for 3 seconds, release both buttons to stop the rising column at the preferred position. The upper-limit position is now set. - To set the LOWER limit position:
Hold the DOWN and RESET for 3 seconds, release both buttons to stop the descending column at the preferred lower limit position. The lower-limit position is now set. - The upper and lower limit set have power down memory, which means this setting will be saved even if power is removed from the control box.
7
Reset Procedure
*Please contact our customer service department should you have any questions.*
9 The handset remote has two different modes which indicate the state of the TV lift
- If the red LED is blinking at 0.5 second intervals, the device is in RESET mode.
- If the red LED is blinking at 3 second intervals, the device is in OVERHEAT PROTECTION mode.
The device can go into RESET mode automatically if there is an error, or the RESET mode needs to be activated manually if the device is not working as intended.
To Enable RESET mode:
- To enter the RESET procedure, hold the RESET button on the wired handset remote until the red LED begins blinking at 0.5 second intervals.
- Release the RESET Button once the red LED begins blinking. This takes approximately 5 seconds.
- Press and hold the RESET button until the TV lift lowers completely. Continue holding the RESET button until the TV lift raises back up about 7mm.
- Once the red LED stops blinking, the device has completed the RESET procedure.
Please note, before the RESET procedure is complete, all buttons will not be functional except for the RESET button on the wired handset remote.
10 Pairing the Wireless Remote
Pairing the wireless remote is required before use. There are two options for pairing the wireless remote:
- Press the UP and DOWN buttons on the wireless remote while simultaneously pressing the STUDY button on the wired handset remote for 10 seconds.
- Press the UP and DOWN buttons on the wireless remote while simultaneously pressing the button on the side of the control box for 10 seconds.
The TV lift may raise after the remote pairing has been completed.



11 Changing Travel Functionality
To change the wireless remotes travel function from Momentary to Non-Momentary, hold the COM button for approximately 10 seconds.
12 Basic Troubleshooting
If the TV lift is unresponsive, remove power from the control box and wait for 15 seconds. Reconnect power to the control box and check that the green LED light on the control box is on.
Warning: The TV lift will move to the zero position when RESET. Be sure there is no obstruction under the TV set.
8






















