ASSEMBLY INSTRUCTION MODEL #DUM-9803-GE
Instruction Manual
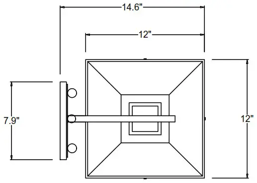
DUM-9803-GE Dumont Outdoor 3 Light Wall Mount


All electrical components must be installed by a licensed electrician in accordance with the National Electric Code and the appropriate local electrical codes.
You will need 3-Medium Bulb 40 Watts Recommended 60 Watts Max Bulb not included
USE LED BULBS FOR EXTENDED USE
This fixture is WET rated
How to Install
- Place the mounting plate over the outlet box and mark the 4 points on the wall surface at the center of 4 holes on the mounting plate.
- Drill 4 holes at the marked points and insert the wall anchors.
- Attach the mounting plate over the outlet box using two outlet box screws. Insert the anchor screws into the wall anchors to tighten it.
- Place the bottom cage over the light cluster and secure it with 4 screws.
- Install the bulb onto the socket and place the top cage over the bottom cage while inserting the bottom end of the top arm onto the stud. Secure the top cage with the cap screws and the top arm with set screw as illustrated.
How to change glass
- Remove the cap screws on the top of the cage and the set screw on the bottom end of the top arm near the backplate. Pull the top scroll arm out of the nipple to remove the top cage.
- Remove the L-shaped metal strap by unscrewing the screws.
- Smooth out the silicone glue along the glass channel, prior to placing in the new glass panel.
- Put the new glass panel on and secure it with the L-shaped metal strap and screws.

WARNING: This product can expose you to Lead, which is known to the State of California to cause cancer and/or birth defects or reproductive harm.
For more information go to www.P65Warnings.ca.gov
Part Number

Part Numbers
| A. Mounting Hardware (3)Wire Nut (1)Mounting Plate (1)Green Ground Screw (4)Anchor screw (4)Wall anchor B. (1)Back plate;Ø11.8×7.9×0.7h;XMO9803GEBKP11.8IN | C. (4)Ball nut;XMO9801GEBANUT D. (1)Bottom arm E. (1)Light cluster F. (1)Bottom cage G. (4)Glass;XMO9803GEGLA12IN H. (1)Top cage I. (1)Top scroll arm |


















