ASCO 300 Series D3ATS Single Phase

Product Information
The product is an ASCO Automatic Transfer Switch (ATS) designed for use in emergency power systems. It comes with various features including common alarm and not in auto signaling, non-automatic (manual) operation, remote control, engine control contacts, external power supply compatibility, load disconnect feature, inphase transfer feature for load transfer source availability signals, and load current metering four-function software bundle. The product is manufactured by ASCO.
Product Usage Instructions
Before using the ATS, ensure that it is properly installed by a qualified electrician or technician. To operate the switch manually, use the non-automatic (manual) operation feature. This feature allows you to switch between power sources manually in case of an emergency or power outage. You can also control the switch remotely using the remote control feature. The engine control contacts feature allows you to monitor the status of your generator set. The external power supply compatibility feature ensures that the ATS is compatible with different power sources. The load disconnect feature prevents damage to your connected equipment during a power outage or transfer. The inphase transfer feature ensures that the switch transfers power to the load source only when it is synchronized with the power source. The load current metering four-function software bundle allows you to monitor the current being used by your connected equipment.
If you encounter any issues with the product, refer to the user manual for troubleshooting tips or contact ASCO customer support for assistance.
GENERAL INFORMATION
NOTES
- SWITCH SHOWN DE-ENERGIZED CONNECTED TO NORMAL SOURCE.
- DEVICE SYMBOLS AND DESIGNATIONS ARE IN ACCORDANCE WITH NEMA PUB. ICS 1,
PART 1-101A. ALL WIRING IS #16 AWG, TINNED, STRANDED COPPER UNLESS OTHERWISE INDICATED. - 0 INDICATES CUSTOMER CONNECTION POINTS.
- INDICATES FACTORY CONNECTION POINTS.
- CONNECTION POINTS THAT HAVE BOTH CUSTOMER CONNECTIONS AND FACTORY CONNECTIONS ARE SHOWN OPEN AS CUSTOMER CONNECTION POINTS.
- THE TRANSFER UNIT IS MOUNTED ON THE BACK INSIDE SURFACE OF THE ENCLOSURE. THE CONTROL PANEL AND ANY OPTIONAL ACCESSORIES ARE MOUNTED ON THE INSIDE SURFACE OF THE DOOR.
- AN OPERATOR’S MANUAL IS FURNISHED WITH EACH AUTOMATIC TRANSFER SWITCH. REFER TO THIS PUBLICATION PRIOR TO INSTALLATION ANDOPERATION OF THE SWITCH.
- GROUND STRAP ON CONTROL PANEL IS AFFIXED TO CHASSIS (ENCLOSURE) AT LOWER LEFT CONTROL PANEL MOUNTING ST
LOAD DISCONNECT FEATURE
FEATURE 31: INCLUDES SUB-FEATURES 31 F, 31 G, 31 M, 31 N A SET OF FORM C CONTACTS ARE PROVIDED ON THE GROUP G CONTROLLER AS “OP 1 “. WHEN THE FEATURE SETTING OF “OP1” IS SET TO OPERATE THE CONTACTS AS “FEATURE 31”, THE TIME DELAY SETTINGS OF THE SUB-FEATURES ARE AVAILABLE.
“OP1” CAN BE SET TO OPERATE TO PROVIDE THE FOLLOWING FUNCTIONS USING THE TIME DELAY
SETTINGS ASSOCIATED WITH EACH SUB-FEATURE;
- 31 F – NORMAL TO EMERGENCY PRE-TRANSFER SIGNAL
- 31 G – EMERGENCY TO NORMAL PRE – TRANSFER SIGNAL
- 31 M – NORMAL TO EMERGENCY POST – TRANSFER SIGNAL
- 31 N – EMERGENCY TO NORMAL POST TRANSFER SIGNAL
THE “OP1” OUTPUT CONTACTS CHANGE POSITION FOLLOWING EACH OF THE ABOVE TIME DELAYS.
ADDITIONAL LOAD DISCONNECT CONTACTS, “FEATURE 31” ARE AVAILABLE WHEN OPTIONAL ACCESSORY 18RX (RELAY EXPANSION MODULE) IS INCLUDED IN THE TRANSFER SWITCH ASSEMBLY. OUTPUT CONTACTS “OP2 AND/OR “OP3” WILL PROVIDE LOAD DISCONNECT FUNCTIONS WHEN THE FEATURE SETTING OF EACH IS SET TO OPERATE AS “FEATURE 31 “.
ALL OUTPUT CONTACTS (“OP1 “, “OP2”, “OP3”) SET TO OPERATE AS “FEATURE 31 “, SHARE THE COMMON TIME DELAY SETTINGS OF SUB-FEATURES 31 F, 31 G, 31 M, AND 31 N. CONTACTS ARE RATED 5 AMPS RESISTIVE AT 30 VDC MAXIMUM, 100 mA AT 5 VDC MINIMUM. REFER TO USER’S GUIDE, ASCO GROUP G CONTROLLER FOR AUTOMATIC & NON-AUTOMATIC TRANSFER SWITCHES, PART NUMBER 381333-400 FOR SETTING INFORMATION.
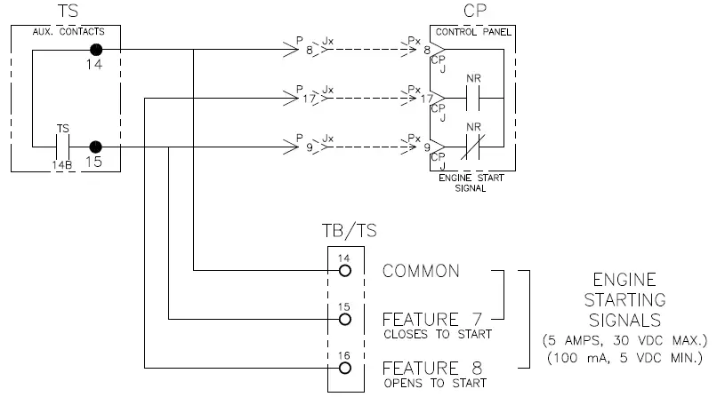
ENGINE CONTROL CONTACTS
FEATURE 7 & FEATURE 8:
ONE SET OF FORM C CONTACTS “NR” (FEAT. 7 N/C, FEAT. 8 N/0) THAT CHANGE POSITION ON EXPIRATION OF THE FEATURE 1 C, OVERRIDE MOMENTARY NORMAL SOURCE OUTAGES TIME DELAY, AND RESET ON EXPIRATION OF THE FEATURE 2E ENGINE COOLDOWN TIME DELAY.
AN AUXILIARY CONTACT THAT IS CLOSED WHEN THE TRANSFER SWITCH IS CONNECTED TO THE EMERGENCY SOURCE, IS CONNECTED ACROSS THE N/C CONTACT (FEATURE 7).
AN ADDITIONAL SET OF ENGINE STARTING CONTACTS ARE AVAILABLE ON THE GROUP G CONTROLLER WHEN THE FEATURE SETTING OF THE CONTROLLER OUTPUT CONTACTS “OP1” IS SET TO OPERATE AS “NR2”.
ADDITIONAL. OPTIONAL ENGINE STARTING CONTACTS “NR2” ARE AVAILABLE WHEN OPTIONAL ACCESSORY 18RX (RELAY EXPANSION MODULE) IS INCLUDED IN THE TRANSFER SWITCH ASSEMBLY. OUTPUT CONTACTS “OP2” AND/OR “OP3” PROVIDE THE ENGINE STARTING FUNCTION WHEN THE FEATURE SETTING OF EACH IS SET TO OPERATE AS “NR2”.
CONTACTS ARE RATED 5 AMPS RESISTIVE AT 30 VDC MAXIMUM, 100 mA AT 5 VDC MINIMUM. REFER TO USER’S GUIDE, ASCO GROUP G CONTROLLER FOR AUTOMATIC & NON-AUTOMATIC TRANSFER SWITCHES, PART NUMBER 381333-400 FOR SETTING INFORMATION.
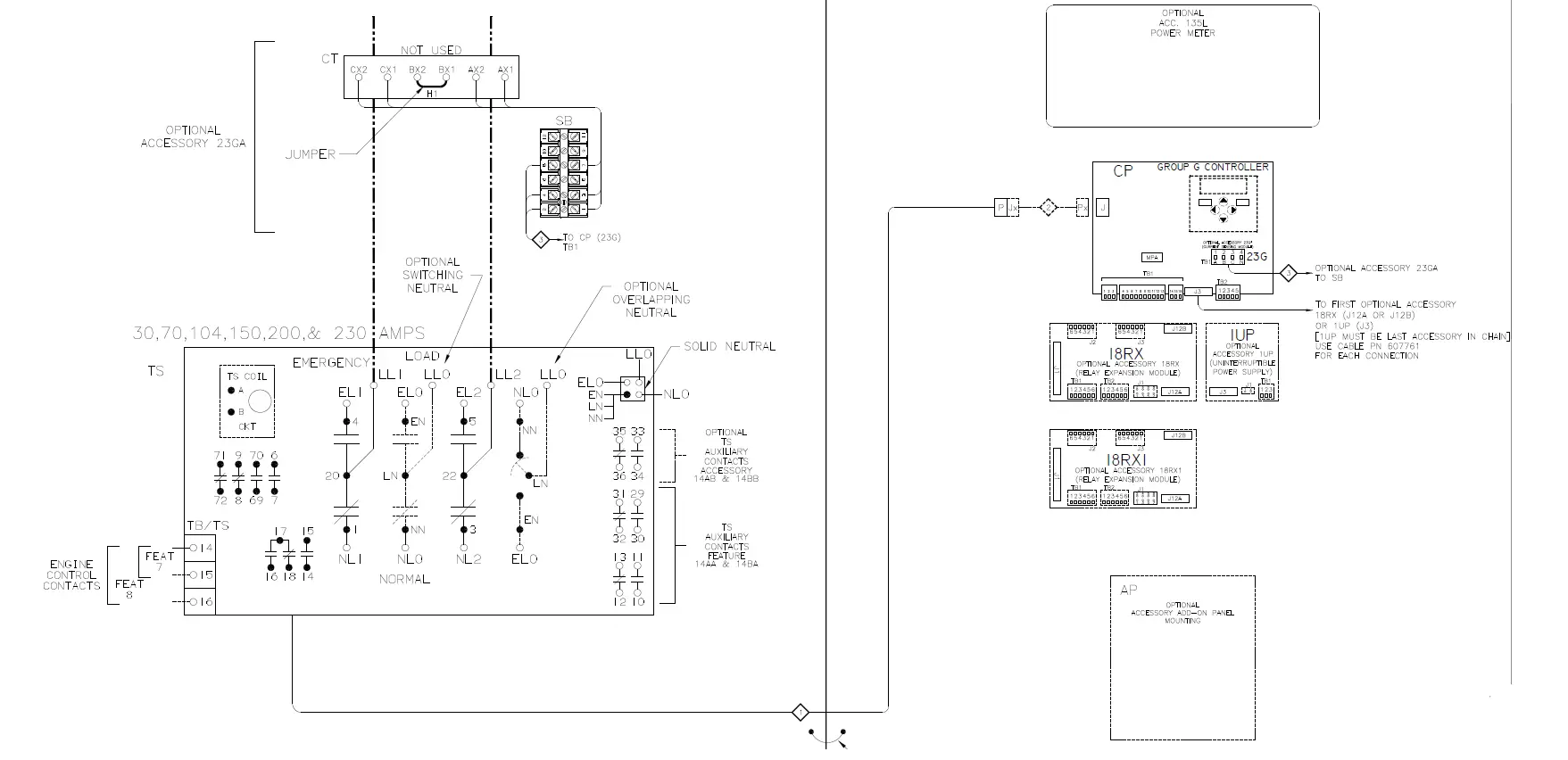
THIS WIRING APPLIES TO 300 SERIES TRANSFER SWITCHES THAT UTILIZE THE “D” FRAME POWER TRANSFER SWITCH RATED 30 – 230 AMPERES. THE GROUP G CONTROLLER PROVIDES EITHER AUTOMATIC (D3ATS) OR NON-AUTOMATIC [MANUAL] (D3NTS) OPERATION BASED ON ITS FACTORY SETTING ACCORDING TO THE CUSTOMER ORDER REQUIREMENTS. THE TYPE OF TRANSFER SWITCH PROVIDED CAN BE DETERMINED FROM THE PRODUCT IDENTIFICATION MARKINGS LOCATED ON BOTH THE POWER TRANSFER SWITCH AND THE COVER OF THE GROUP G CONTROLLER. ALL OPERATIONAL SETTINGS AND SEQUENCES OF THE GROUP G CONTROLLER AND ITS RELATED OPTIONAL ACCESSORIES (1UP, 18RX, 23G) ARE PROVIDED IN THE USER’S GUIDE, ASCO GROUP G CONTROLLER FOR AUTOMATIC & NON-AUTOMATIC TRANSFER SWITCHES, PART NUMBER 381333-400. INFORMATION FOR INSTALLATION AND TESTING OF THE TRANSFER SWITCH IS PROVIDED IN THE INSTALLATION MANUAL, ASCO 3ATS & 3NTS, D-DESIGN 30-230 A TRANSFER SWITCHES, PART NUMBER 381333-402.
COMMON ALARM & NOT IN AUTO SIGNALING FEATURES
A SET OF FORM C CONTACTS IS PROVIDED ON THE GROUP G CONTROLLER AS “OP1 “. THE FEATURE SETTING OF “OP1” CAN BE SET TO OPERATE THE CONTACTS AS A “NOT IN AUTO” SIGNAL.
WHEN “OP1” IS SET FOR “NOT IN AUTO”, THE OUTPUT CONTACTS CHANGE POSITION WHEN THE TRANSFER IS BEING INHIBITED FROM TRANSFERRING TO THE EMERGENCY SOURCE (FEATURE 348) OR THE TRANSFER SWITCH HAS BEEN SET FOR NON-AUTOMATIC (MANUAL) OPERATION. WHEN OPTIONAL ACCESSORY 11 BE “SOFTWARE BUNDLE” IS PART OF THE TRANSFER SWITCH ASSEMBLY, “OP1” MAY ALTERNATIVELY SET FOR A “COMMON ALARM” SIGNAL. THE OUTPUT CONTACTS CHANGE POSITION WHEN A “COMMON ALARM” IS NOT PRESENT AND RESET WHEN A “COMMON ALARM” CONDITION IS PRESENT. THE “COMMON ALARM” SIGNAL CONDITIONS ARE SELECTABLE.
ADDITIONAL “COMMON ALARM” AND “NOT IN AUTO” CONTACTS ARE AVAILABLE WHEN OPTIONAL ACCESSORY 18RX (RELAY EXPANSION MODULE) IS INCLUDED IN THE TRANSFER SWITCH ASSEMBLY. OUTPUT CONTACTS “OP2 AND/OR “OP3” WILL PROVIDE SIGNAL FUNCTIONS WHEN THE FEATURE SETTING OF EACH IS SET TO OPERATE AS “COMMON ALARM” OR “NOT IN AUTO”. CONTACTS ARE RATED 5 AMPS RESISTIVE AT 30 VDC MAXIMUM, 100 mA AT 5 VDC MINIMUM. REFER TO USER’S GUIDE, ASCO GROUP G CONTROLLER FOR AUTOMATIC & NON-AUTOMATIC TRANSFER SWITCHES, PART NUMBER 381333-400 FOR SETTING INFORMATION.
EXTERNAL POWER SUPPLY COMPATIBILITY
USE OF AN EXTERNAL POWER SUPPLY IS USEFUL WHEN REQUIRED TO EXTEND THE FOLLOWING CONTROLLER TIME DELAYS BEYOND 6 SECONDS;
- FEATURE 1 C – OVERRIDE MOMENTARY NORMAL SOURCE OUTAGES
- FEATURE 1 F – OVERRIDE MOMENTARY EMERGENCY SOURCE OUTAGES
AN EXTERNAL POWER SUPPLY IS ALSO USEFUL WHEN THE TRANSFER SWITCH IS USED WITH COMMUNICATIONS FEATURES BY ENABLING THE CONTROLLER TO CONTINUE COMMUNICATING. AN EXTERNAL POWER SOURCE MAY BE PROVIDED TO THE CONTROLLER, UNTIL THE NORMAL SOURCE OR EMERGENCY SOURCE IS AVAILABLE, BY USE OF;
- AN EXTERNAL 24 VDC POWER SUPPLY WITH ACCESSORY 18RX (RELAY EXPANSION MODULE)
OR - OPTIONAL ACCESSORY 1 UP (UNINTERRUPTIBLE POWER SUPPLY MODULE)
EXTERNAL 24 VDC POWER SUPPLY “1 G”:
AN EXTERNAL 24 VDC POWER SUPPLY MAY BE USED TO POWER THE CONTROLLER WHEN ACCESSORY 18RX (RELAY EXPANSION MODULE) IS INCLUDED IN THE TRANSFER SWITCH ASSEMBLY. OUTPUT CONTACTS “OP2” WILL PROVIDE EXTERNAL 24 VDC POWER SUPPLY FUNCTIONALITY WHEN ITS FEATURE SETTING IS SET TO OPERATE AS “1 G”. ADDITIONALLY, JUMPERS MUST BE RECONFIGURED ON ACCESSORY 18RX (RELAY EXPANSION MODULE) TO ENABLE THIS FUNCTION AS FOLLOWS;
- REMOVE JUMPERS “J1” 1-2 & “J1” 3-4
- CONNECT JUMPERS “J1” 5-7 & “J1” 6-8
THE OUTPUT CONTACTS CHANGE POSITION WHEN EITHER THE NORMAL SOURCE OR EMERGENCY SOURCE IS AVAILABLE AND RESET WHEN NEITHER SOURCE IS AVAILABLE. THE “OP2” N/C CONTACT SWITCHES CUSTOMER PROVIDED +24 VDC FROM THE EXTERNAL POWER SUPPLY TO THE CONTROLLER. REFER TO USER’S GUIDE, ASCO GROUP G CONTROLLER FOR AUTOMATIC & NON-AUTOMATIC TRANSFER SWITCHES, PART NUMBER 381333-400 FOR SETTING INFORMATION.
ACCESSORY 1 UP (UNINTERRUPTIBLE POWER SUPPLY):
WHEN OPTIONAL ACCESSORY 1 UP IS INCLUDED IN THE TRANSFER SWITCH ASSEMBLY, THE CONTROLLER
IS PROVIDED WITH LIMITED RESERVE POWER (APPROXIMATELY 3 MINUTES).
LOAD CURRENT METERING
WHEN OPTIONAL ACCESSORY 23GA IS PART OF THE TRANSFER SWITCH ASSEMBLY, PHASE CURRENT MEASUREMENTS ARE AVAILABLE FOR DISPLAY ON THE GROUP G CONTROLLER. REFER TO USER’S GUIDE, ASCO GROUP G CONTROLLER FOR AUTOMATIC & NON-AUTOMATIC TRANSFER SWITCHES, PART NUMBER 381333-400 FOR INFORMATION ON USE.
FOUR-FUNCTION SOFTWARE BUNDLE
WHEN OPTIONAL ACCESSORY 11 BE IS PART OF THE TRANSFER SWITCH ASSEMBLY, A FOUR-FUNCTION SOFTWARE BUNDLE IS AVAILABLE TO PERFORM THE FOLLOWING FUNCTIONS;
- SERIAL COMMUNICATIONS (RS-485)
- PROGRAMMABLE ENGINE EXERCISER
- EVENT LOG
- COMMON ALARM SIGNAL CAPABILITY ON GROUP G CONTROLLER “OP1” OUTPUT
REFER TO USER’S GUIDE, ASCO GROUP G CONTROLLER FOR AUTOMATIC & NON-AUTOMATIC TRANSFER SWITCHES, PART NUMBER 381333-400 FOR INFORMATION ON THESE FUNCTIONS.
NON-AUTOMATIC (MANUAL) OPERATION
TRANSFER SWITCH ASSEMBLIES FACTORY SET FOR NON-AUTOMATIC OPERATION PROVIDE USER INITIATED, ELECTRICAL OPERATION OF THE TRANSFER SWITCH TO EITHER AVAILABLE SOURCE. THE TRANSFER SWITCH ASSEMBLY IS PHYSICALLY IDENTICAL TO THAT OF THE AUTOMATIC TYPE. WHEN THE TRANSFER SWITCH IS SET FOR NON-AUTOMATIC OPERATION, A CUSTOMER-PROVIDED SELECTOR SWITCH MAY BE USED TO OPERATE IT FROM A REMOTE LOCATION.
REMOTE CONTROL FEATURES
THE FOLLOWING CONTROL PANEL INPUTS PROVIDE REMOTE CONTROL FUNCTIONS FOR THE TRANSFER SWITCH. EACH FUNCTION CAN BE IMPLEMENTED BY THE CUSTOMER PROVIDING THE FORM OF CONTROL DESCRIBED. EACH CONTROL CONTACT MUST BE SUITABLE FOR A 5 VDC LOW ENERGY CIRCUIT.
EXTERNAL FEATURE 17: REMOTE TRANSFER TO EMERGENCY FEATURE (FOR AUTOMATIC TRANSFER TYPE ONLY) – REQUIRES A CUSTOMER SUPPLIED, NORMALLY CLOSED CONTACT. OPENING OF THE CONTACT CAUSES THE ENGINE TO START AND TRANSFER TO THE EMERGENCY SOURCE. RE-CLOSURE OF THE CONTACT ACTIVATES THE FEATURE 3A “RETRANSFER TO NORMAL (IF JUST TEST) TIME DELAY PRIOR TO RETRANSFER. IN THE EVENT THAT THE EMERGENCY SOURCE FAILS WHILE THE TRANSFER SWITCH IS CONNECTED TO THE EMERGENCY AND THE CUSTOMER-SUPPLIED CONTACT IS OPEN, THE TRANSFER SWITCH WILL AUTOMATICALLY RETRANSFER TO THE NORMAL SOURCE.
EXTERNAL FEATURE 68: REMOTE BYPASS OF RETRANSFER TO NORMAL TIME DELAY – REQUIRES A CUSTOMER SUPPLIED, NORMALLY CLOSED CONTACT. OPENING OF THE CONTACT BYPASSES FEATURE 3A RETRANSFER TO NORMAL DELAY IF ACTIVE. REFER TO USER’S GUIDE, ASCO GROUP G CONTROLLER FOR AUTOMATIC & NON-AUTOMATIC TRANSFER SWITCHES, PART NUMBER 381333-400 FOR SETTING INFORMATION.
CATALOG NUMBER SUFFIXES
EXPLANATION OF CATALOG/ NUMBERS CODE 


FIELD CONNECTIONS





OPTIONAL USES





MAIN POWER POLES
NOTE: ATS SHOWN CLOSED ON NORMAL SOURCE .
TS OPERATION CIRCUIT



NORMAL SOURCE CIRCUITS

EMERGENCY SOURCE CIRCUITS

LOAD TERMINAL CIRCUITS

CONTROL SIGNALS AND INDICATIONS

ADDITIONAL CIRCUITS



PHYSICAL DIAGRAM


WIRE RUN LISTING






















