hager XEVA433 Three-Phase EVCS MID Kit Installation Guide
What’s in the Box

Tools Required

Requirements
- Before proceeding with the installation of the energy meter, please carry out the operations described in the chapters preceding the electrical connection in the installation manual for the charge station. Then follow the steps described in these instructions.
- Comaptible meter are using a software version must be greater than or equal to 1.2.
- The MID meter must be confi gured in the local commissioning tool to be taken into account.
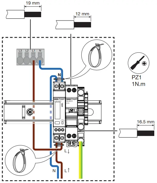
Installation


- Power connection
- Connecting the Modbus cable

D0 / A/A’ / (-) [6] green
D1 / B/B’ / (+) [8] white
Com./ C/C’ / OVL [10] black


- Max. current setting (see chapter 6. Direct configuration in the installation manual of the charging station)

















