Quick Installation Guide
X3-Matebox advanced
Introduction
X3-Matebox advanced is a critical part for energy storage system, which integrates the DC breaker/AC breaker/switch unit/Meter and so on, it can easily be installed compare to the traditional separate system, this unit can be used with Hybrid and Fit series inverters.
There are 2 wiring diagrams for your system connection reference, please follow your local policy to chose which one is suitable for your side.

![]() | |
| Diagram A: N line and PE line separate wiring, D series inverters; (For most countries) | Diagram B: N line and PE line together, D series inverters; (Applicable to Australia) |
Overview
- Dimension and terminals of X3-Matebox advanced.

| Object | Name | Description |
| A | EPS(INV)/(Off-grid) | EPS output proof the inverter |
| B | Grid(INV) | Grid output port of the inverter |
| C | Grid | Grid connection port (to local grid) |
| D | Load | Load connection port |
| E | E BAT | Battery connection port(tobatterypack) |
| F | Meter | Meter |
| G | BAT(INV) | Battery connection port of the inverter |
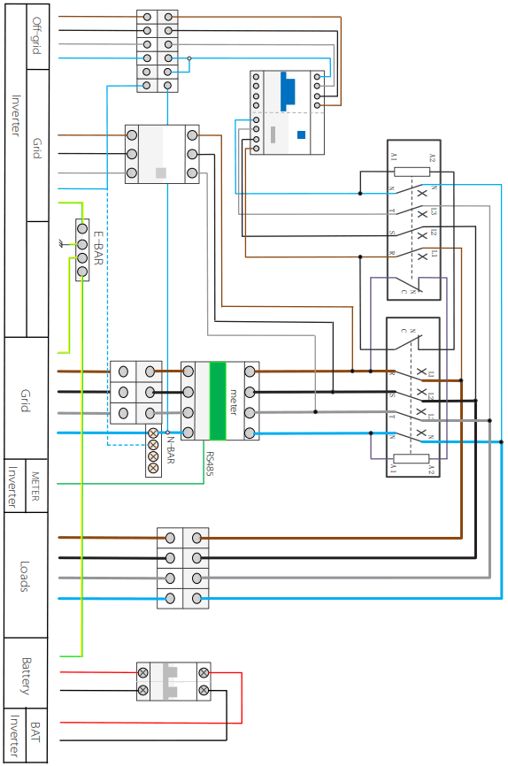
2) Electrical schematic diagram

Preparation
– Packing Lists

– Tools

Mounting
Step 1: Bracket installation
Fasten the brackets to the wall, according to the following steps.

Note :When installing the bracket, be sure to use a spirit level to test and keep the bracket parallel to the horizontal plane.
Bracket A should be installed at a distance of 300mm (at least) from the ground.
Step 2: Screw the brackets on the wall
![]() | |
| a) Use the bracket as a template to mark the two holes on the wall with a marker pen. Drill holes at marked spots with depth of 80 mm. | b) Insert expansion bolt into the hole, use rubber hammer to knock the expansion screw bolt into the wall. |
![]() | |
| c ) The bracket is aligned with the screw uses the inner hexagonal wrench to screw the tapping screw until the expansion bolt “bang” is heard. | d) The Mateo should be prioritized over the installation of the inverter. Before installing the inverter, you need connect the ground wire and the Dongle communication accessories) |
Step 3. Match the X3-Matebox advanced with the brackets
Use a level rashly to ensure that the brackets in the system are rmly installed and level. Then follow the steps below to hang X3-Matebox advanced.
Mount X3-Matebox advanced on brackets and tighten the screws.
Open the upper cover and the isolation plate of X3-Matebox advanced before wiring.

Monitor the antenna connections of accessories
There is an antenna in the box of monitoring accessories.
a) Install the antenna on the box and tighten it by hand;
b) Then connect the antenna cable to the end of the WiFi Dongle.

Wiring Connection
6.1 Inverter side connection
According to the BAT(INV )+/BAT(INV )- line symbol on X3-Matebox advanced harness, the corresponding ports of BAT+/BAT- of the inverter are successively inserted.

6.2 X3-Matebox advanced side connection
– Grid(INV) and EPS(INV)
1) Connect the Grid(INV ) R/S/T/N and EPS (INV ) R/S/T/N/PE ports of the inverter to the X3-Matebox advanced port. The connection method is as follows :
a) First, insert the R/S/T EPS(INV ) into the R/S/T port of EPS (INV ) in X3-Matebox advanced and the N EPS(INV ) directly into the hole, directly into the hole and ensure that the installation is tight ;
b) Then nd the Grid(INV ) (R/S/T ) port in X3-Matebox advanced, connect the corresponding wire harness, and lock the screw with a screwdriver.
C) Finally, lock the PE wire/N wire with a hexagonal keys;

Note: According to the different N terminals of Grid(INV ), select the corresponding connection position.(if need:(A + 6.4B) or (I + 6.4II))
– Grid and Load and Battery
2) Grid(R/S/T/N/PE) /Load(R/S/T/N) side connection
a) Prepare ordinary 10mm² Grid(R/S/T/N/PE) /10mm² Load(R/S/T/N) and remove the 12mm insulation layer at the end of the wire. Insert the European-style terminals respectively.
The stripped terminals must be inserted into the European-style terminals and nally pressed down with the crimping pliers.

b) Grid(PE) strip the grounding cable insulation(lengthily’’), insert the stripped cable into the R type terminal, and then clamp it.

3) Pass the Grid/Load line through the Grid/Load port of the X3-Matebox advanced, then nd the Grid(R/S/T/N) port and Load (R/S/T/N) ports in the X3-Matebox advanced, insert each line, and use the screwdriver to lock the screws.

4) Pass the battery power wire through the BAT port of The X3-Matebox advanced, then nd the BAT+ and BAT- ports in the X3-Matebox advanced, insert each wire accordingly, and use the screwdriver to lock the screws.

6.3 Ground wire connections
The box needs to be grounded as follows.

6.4 The N-line on the Grid side is short circuited to the N-line on the EPS side
-If the user requires wiring rules for neutral wires the standby power supply cannot be isolated or switched (for wiring Australia and New Zealand regulations AS/NZS_3000:2012)

6.5 Finally, use the screwdriver to install the baffle back, close the upper cover and lock the buckle with a key.

320102048901





















