Solax X3 Mega 50kW Three Phase Inverter

X3-MEGA G2 Series
Product Information
The X3-MEGA G2 Series is a photovoltaic (PV) grid-connected system that converts DC energy from solar panels to AC energy for use in homes and businesses. It has a power output range of 20kW to 60kW and is manufactured by SolaX Power Network Technology(Zhejiang) Co., Ltd. in China. The inverter comes with advanced network technology and safety features such as multiple protections against short circuits, overvoltage, under voltage, over temperature, and over current.
Product Usage Instructions
Step 1: Select an appropriate location for the inverter installation. Refer to section 5.1 of the user manual for installation precautions.
Step 2: Install the inverter according to the guidelines provided in section 5.2 of the user manual. Ensure that the DC input and AC output cables are connected correctly.
Step 3: Turn on the inverter using the power button located on the front panel.
Step 4: Monitor the inverter operation using the LED indicators and LCD display panel. Refer to section 3.3 of the user manual for an overview of the inverter.
Step 5: In case of any fault or abnormality, refer to section 2.2 of the user manual for important safetyinstructions and section 4.3 for information on safety and protection features.
Step 6: For technical specifications and data, refer to section 4 of the user manual.
Notes on this Manual
Scope of Validity
This manual is an integral part of X3-Mega G2 Series, It describes the assembly, installation, commissioning, maintenance and failure of the product. Read it carefully before operating.
| X3-MGA-20K-G2-LV | X3-MGA-25K-G2-LV | X3-MGA-30K-G2-LV | X3-MGA-35K-G2-LV |
| X3-MGA-40K-G2 | X3-MGA-50K-G2 | X3-MGA-60K-G2 |
- Note: “X3”: means three phases, “MGA” means Mega, “20K” means 20 kW.
- Each model is available for LED indicator lights and LCD.
- 20K/25K/30K/35K inverters works in the 127 V / 220 V low voltage range.
- 40K/50K/60K inverters works in the 230 V / 400 V voltage range.
- Keep this manual at the place where it is accessible all the time.
Target Group
This manual is for qualified electricians. The tasks described in this manual only can be performed by qualified electricians.
Symbols Used
The following types of safety instructions and general information appear in this document as described below:
DANGER!
“Danger” indicates a hazardous situation which, if not avoided, will result in death or serious injury.
WARNING!
“Warning” indicates a hazardous situation which, if not avoided, could result in death or serious injury.
CAUTION!
“Caution” indicates a hazardous situation which, if not avoided, could result in minor or moderate injury.
NOTE!
“Note” provides tips that are valuable for the optimal operation of your product.
Safety
Appropriate Usage
The X3-Mega G2 Series are PV inverters which can convert the DC current of the PV generator into AC current and feed it into the public grid.
Surge protection devices (SPDs) for PV installation
WARNING!
- Over-voltage protection with surge arresters should be provided when the PV power system is installed.
- The grid connected inverter is fitted with SPDs in MAINS side.
Induced surges are the more likely cause of lightning damage in the majority of installations, especially in rural areas where electricity is usually provided by long overhead lines. Surges may be induced on both the PV array conductors or the AC cables leading to the building.
Specialists in lightning protection should be consulted during the end use application.
Using appropriate external lightning protection, the effect of a direct lightning strike into a building can be mitigated in a controlled way, and the lightning current can be discharged into the ground.
Installation of SPDs to protect the inverter against mechanical damage and excessive stress include a surge arrester in case of a building with external lightning protection system (LPS) when separation distance is kept.
To protect the DC system, surge suppression device (SPD type2) should be fitted at the inverter end of the DC cabling and at the array located between the inverter and the PV generator, if the voltage protection level (VP) of the surge arresters is greater than 1100 V, an additional SPD type 3 required for surge protection for electrical devices.
To protect the AC system, surge suppression devices (SPD type2) should be fitted at the main incoming point of AC supply (at the consumer’s cutout) , located between the inverter and the meter / distribution system; SPD (test impulse D1) for signal line according to EN 61632-1.
All DC cables should be installed to provide as short a run as possible, and positive and negative cables of the string or main DC supply should be bundled together. Avoid creating loops in the system. This requirement forshort runs and bundling includes any associated earth bundling conductors.
Spark gap devices are not suitable to be used in DC circuits once conducting, they won’t stop conducting until the voltage passes through their terminals typically less than 30 volts.
Anti-Islanding Effect
Islanding effect is a special phenomenon that grid-connected PV system still supplies power to the nearby grid when electrical grid power is no longer present. It is dangerous for maintenance personnel and the public.
X3-Mega G2 series provide Active Frequency Drift (AFD) to prevent islanding
Important Safety Instructions
DANGER!
Danger to life due to high voltages in the inverter!
- All work must be carried out by qualified electrician.
- The appliance is not to be used by children or persons with reduced physical sensory or mental capabilities, or lack of experience and knowledge, unless they have been given supervision or instruction.
- Children should be supervised to ensure that they do not play with the appliance.
CAUTION!
- Danger of burn injuries due to hot enclosure parts!
- During operation, the upper lid of the enclosure and the enclosure body may become hot.
- Only touch the lower enclosure lid during operation.
CAUTION!
- Possible damage to health as a result of the effects of radiation!
- Do not stay closer than 20 cm to inverter for any length of time.
NOTE!
Grounding the PV generator.
- Comply with the local requirements for grounding the PV modules and the PV generator. SolaX recommends connecting the generator frame and other electrically conductive surfaces in a manner which ensures continuous conduction and ground these in order to have optimal protection of system and persons.
WARNING!
- Ensure input DC voltage ≤Max. DC voltage .Over voltage may cause permanent damage to inverter or other losses, which will not be included in warranty!
WARNING!
- Authorized service personnel must disconnect both AC and DC power from X3-Mega G2 series before attempting any maintenance or cleaning or working on any circuits connected to the X3 series.
WARNING!
- Do not operate the inverter when the device is running
- Risk of electric shock!
- Prior to the application, please read this section carefully to ensure correct and safe application. Please keep the user manual properly.
- Use only attachments recommended or sold by SolaX. Otherwise may result in a risk of fire, electric shock, or injury to person.
- Make sure that existing wiring is in good condition and that wire is not undersized.
- Do not disassemble any parts of inverter which are not mentioned in installation guide. It contains no user-serviceable parts. See Warranty for instructions on obtaining service. Attempting to service the X3 Series inverter yourself may result in a risk of electric shock or fire and will void your warranty.
- Keep away from flammable, explosive materials to avoid fire disaster.
- The installation place should be away from humid or corrosive substance.
- Authorized service personnel must use insulated tools when installing or working with this equipment.
- PV modules shall have an IEC 61730 class A rating.
- Never touch either the positive or negative pole of PV connecting device.
- Strictly prohibit touching both of them at the same time.
- The unit contains capacitors that remain charged to a potentially lethal voltage after the MAINS and PV supply has been disconnected.
WARNING!
- Hazardous voltage will present for up to 5 minutes after disconnection from power supply.
- CAUTION-RISK of electric shock from energy stored in capacitor. Never operate on the solar inverter couplers, The MAINS cables, PV cables or the PV generator when power is applied. After switching off the PV and Mains, always wait for 5 minutes to let the intermediate circuit capacitors discharge before you unplug DC and MAINS couplers.
- When accessing the internal circuit of solar inverter, it is very important to wait 5 minutes before operating the power circuit or demounting the electrolyte capacitors inside the device. Do not open the device before hand since the capacitors require time to sufficiently discharge!
- Measure the voltage between terminals UDC+ and UDC- with a multi-meter (impedance at least 1Mohm) to ensure that the device is discharged before beginning work (35 VDC) inside the device.
PE Connection and Leakage Current
- The inverter incorporates a certified internal Residual Current Device (RCD) in order to protect against possible electrocution and fire hazard in case of a malfunction in the cables or the inverter. There are two trip thresholds for the RCD as required for certification (IEC 62109-2: 2011) .
- The default value for eletrocution protection is 30 mA, and for slow rising current is 300 mA.
- If an external RCD is required by local regulations, check which type of RCD is required for relevant eletric code. It recommends using a type-A RCD. The recommended RCD values is 100 mA or 300 mA unless a lower value is required by the specific local electric codes. When required by local regulations, the use of an RCD type B is permitted.
The device is intended to connect to a PV generator with a capacitance limit of approx 700 nf.
WARNING!
- High leakage current!
- Earth connection essential before connecting supply.
- Incorrect grounding can cause physical injury, death or equipment malfunction and increase electromagnetic.
- Make sure that grounding conductor is adequately sized as required by safety regulations.
- Do not connect the ground terminals of the unit in series in case of a multiple installation. This product can cause current with a d.c component,
- Where a residual current operated protective (RCD) or monitoring (RCM) device is used for protection in case of direct or indirect contact, only one RCD or RCM of type B is allowed on the supply side of this product.
For United Kingdom
- The installation that connects the equipment to the supply terminals shall comply with the requirements of BS 7671.
- Electrical installation of PV system shall comply with requirements of BS 7671 and IEC 60364-7-712.
- No protection settings can be altered.
- Installer shall ensure that equipment is so installed and operated to maintain at all times compliance with the requirements of ESQCR22 (1) (a) .
For Australia and New Zealand
- Electrical installation and maintenance shall be conducted by licensed electrician and shall comply with Australia National Wiring Rules.
Explanation of Symbols
This section gives an explanation of all the symbols shown on the inverter and on the type label.
- Symbols on the Inverter

- Symbols on the Type Label


EC Directives
This chapter follows the requirements of the European low voltage directives, which contains the safety instructions and conditions of acceptability for the endues system, which you must follow when installing, operating and servicing the unit. If ignored, physical injury or death may follow, or damage may occur to the unit. Read this instructions before you work on the unit. If you are unable to understand the dangers, warnings, cautions or instructions, contact an authorized service dealer before installing. Operating and servicing the unit. The Grid connected inverter meets the requirement stipulated in Low Voltage Directive (LVD) 2014/35/EU and Electromagnetic Compatibility (EMC) Directive 2014/30/EU. The unit is based on: EN 62109-1:2010; EN 62109-2:2011; IEC 62109-1 (ed.1) ; IEC62109-2 (ed.1); EN 61000-6-3:2007+A:2011; EN 61000-6-1:2007; EN 61000-6- 2:2005
In case of installation in PV system, startup of the unit (i.e. start of designated operation) is prohibited until it is determined that the full system meets the requirements stipulated in EC Directive (2014/35/EU, 2014/30/EU, etc.) The grid connected inverter leave the factory completely connecting device and ready for connection to the mains and PV supply, the unit shall be installed in accordance with national wiring regulations. Compliance with safety regulations depends upon installing and configuring system correctly, including using the specified wires. The system must be installed only by professional assemblers who are familiar with requirements for safety and EMC. The assembler is responsible for ensuring that the end system complies with all the relevant laws in the country where it is to be used.
The individual subassembly of the system shall be interconnected by means of the wiring methods outlined in nationa / international such as the national electric code (NFPA) No.70 or VDE regulation 0107.
Introduction
Photovoltaic Grid Connected System
X3-Mega G2, a three-phase transformerless grid connected inverter, is an important part of photovoltaic power generation system. It converts the direct current generated by the photovoltaic panel into alternating current and also can be used to optimize self-consumption or feed into the public grid.
| NO. | Defination |
| A | Photovoltaic string |
| B | X3-Mega G2 series inverter |
| C | Public grid |
Warning!
- The inverter shall not be connected to the PV string requiring positive grounding or negative grounding.
Do not connect local load between inverter and AC side circuit breaker
The power grid supported by X3-Mega G2 inverter are TN-S, TN-C, TNC-S, TT and IT.
20 kW-35 kW inverters are connected to 220 V / 127 V three-phase four wire power grid and 40 kW-60 kW inverters are connected to 380V / 400V three-phase four wire power grid, which can be connected with N line (or not), as shown in Figure;
Basic Features
Thanks for your purchasing with SolaX X3-Mega G2 Series inverter. The X3-Mega G2 Series inverter is one of the finest inverters on the market today, incorporating state-of-the-art technology, high reliability, and convenient control features.
More energy harvest:
- Maximum efficiency 98.4%
- 180~1000Vdc MPPT voltage range
- Maximum 6 MPPTs, 2 strings per MPP tracker
- 150% PV oversizing input, 110% overloading output
- 32A Maximum MPPT current, 16A Maximum string current
Safety & reliability:
- Ip66 protection level
- AFCI protection (optional)
- Both AC&DC SPDs (Type 2) inside, Type 1 SPD is optional
Intelligence for easy maintenance and economy:
- SVG functional supported
- Built-in export power control
- 24 hours operation monitoring
- Remote setting and upgrading
- Power line communication(PLC)
- Smart I-V Curve Diagnosis supported
- Aluminium AC cable connection available
- Current measuring for each of 24 input strings
- Smart air cooling technique result in long lifetime of fans
- Advanced heat dissipation reduced more than 10% size and weight
Overview of the Inverter
| A | DC Switch |
| B | Pocket WiFi / LAN / 4G (optional) |
| C | DC Connector |
| D | RS 485 / Meter / DRM (optional) |
| E | AC Connector |
| F | Grounding Connector |
| G | Cooling fan inside |
WARNING!
Only authorized personnel is allowed to set the connection.
Dimension of the Inverter
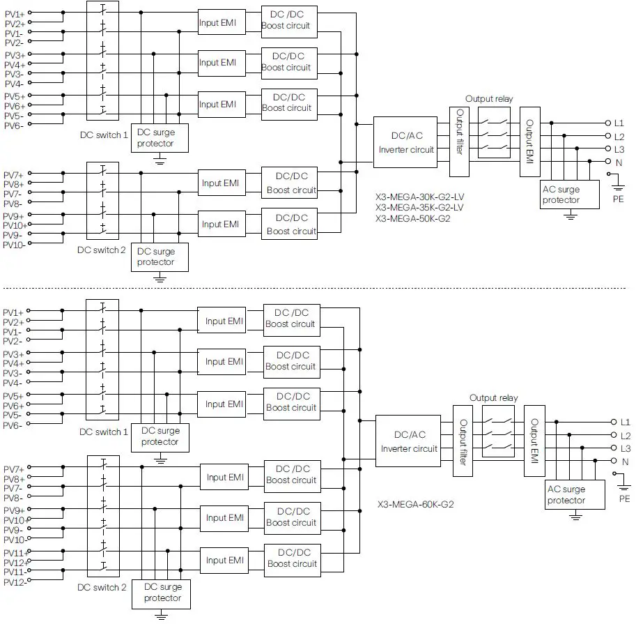
Principle Description
The inverter is equipped with multi-channel MPPT for DC input to ensure maximum power even under different photovoltaic input conditions. The inverter unit converts DC into AC that meets the requirements of the power grid and feeds it into the power grid. The lightning arrester at AC / DC side can realize the function of surge protection.
The principle design of inverter is shown in the figure below:

Technical Data
DC Input
| Model | X3-MEGA- 20K-G2-LV | X3-MEGA- 25K-G2-LV | X3-MEGA- 30K-G2-LV | X3-MEGA- 35K-G2-LV | X3-MEGA- 40K-G2 | X3-MEGA- 50K-G2 | X3-MEGA- 60K-G2 |
| Max. PV array input power [kWp] | 30 | 37.5 | 45 | 52.5 | 60 | 75 | 90 |
| Max. PV input voltage [V] | 800 | 1100 | |||||
| Nominal input voltage [V] | 360 | 600 | |||||
| Startup voltage [V] | 200 | 200 | |||||
| MPP tracker voltage range [V] | 180~650 | 180-1000 | |||||
| Max. input current(input A/input B) [A] | 32 | ||||||
| Max. short circuit current(input A/input B) [A] | 46 | ||||||
| No. of MPP trackers | 3 | 4 | 5 | 4 | 5 | 6 | |
| Max. input strings | 10 | 12 | |||||
AC Output
| Model | X3-MEGA- 20K-G2-LV | X3-MEGA- 25K-G2-LV | X3-MEGA- 30K-G2-LV | X3-MEGA- 35K-G2-LV | X3-MEGA- 40K-G2 | X3-MEGA- 50K-G2 | X3-MEGA- 60K-G2 |
| Nominal AC output power [kW] | 20 | 25 | 30 | 35 | 40 | 50 | 60 |
| Nominal AC output current [A] | 52.5 | 65.7 | 78.8 | 91.9 | 60.6 | 75.8 | 90.9 |
| Max. AC output active power [kW] | 22 | 27.5 | 33 | 35 | 44 | 55 | 66 |
| Max. AC output apparent power [kVA] | 22 | 27.5 | 33 | 35 | 44 | 55 | 66 |
| Max. AC output current [A] | 57.8 | 72.2 | 86.7 | 91.9 | 66.7 | 83.3 | 100 |
| Nominal AC voltage [V] | 3 × 127 V / 220 V, 3W+(N)+PE | 3 × 220 V / 380 V, 3 × 230 V / 400 V, 3W+(N)+PE | |||||
| Nominal grid frequency [Hz] | 50/60 | ||||||
| Grid frequency range [Hz] | 45~55/55~65 | ||||||
| THDi (rated power) [%] | <3 (Rated power) | ||||||
| DC component of output current | <0.5%In | ||||||
| Power factor | >0.99 (Rated power) | ||||||
| Displacement power factor | 0.8 leading~0.8 lagging | ||||||
Efficiency, Safety and Protection
| Model | X3-MEGA- 20K-G2-LV | X3-MEGA- 25K-G2-LV | X3-MEGA- 30K-G2-LV | X3-MEGA- 35K-G2-LV | X3-MEGA- 40K-G2 | X3-MEGA- 50K-G2 | X3-MEGA- 60K-G2 |
| Max. efficiency [%] | 97.5 | 97.5 | 97.5 | 97.5 | 98.4 | 98.4 | 98.4 |
| PROTECTION | |||||||
| DC switch | YES | ||||||
| DC anti-reverse polarity protection | YES | ||||||
| Insulation monitoring | YES | ||||||
| Current leakage protection | YES | ||||||
| Over current protection | YES | ||||||
| Over voltage protection | YES | ||||||
| Anti-islanding protection | YES | ||||||
| DC surge protection | Type II | ||||||
| AC surge protection | Type II | ||||||
| Residual current detection and protection | YES | ||||||
| DC ARC fault detection and protection | Optional | ||||||
| Output terminals over temperature protection | YES | ||||||
General Data
| Model | X3-MEGA- 20K-G2-LV | X3-MEGA- 25K-G2-LV | X3-MEGA- 30K-G2-LV | X3-MEGA- 35K-G2-LV | X3-MEGA- 40K-G2 | X3-MEGA- 50K-G2 | X3-MEGA- 60K-G2 |
| Protection level | IP66 | ||||||
| Operating temperature range [°C] | -25~+60 (derating at 45) | ||||||
| Humidity [%] | 0~100 RH | ||||||
| Cooling concept | Smart cooling | ||||||
| Max. operation altitude [m] | 4000 | ||||||
| Dimensions (W×H×D) [mm] | 630×521×286 | ||||||
| Weight [kg] | 44 | 45 | |||||
| Display & Communication | |||||||
| Display | LED indicators×4, LCD (Optinal) | ||||||
| Communication | RS485 / PLC (Optional) / Pocket Wifi (Optioanal) / 4G (Optional) / Lan (Optional) / USB | ||||||
| Standard | |||||||
| Safety Standard | IEC/EN 62109-1 and 62109-2 (EU), NB/T32004-2018(China) | ||||||
| EMC | NB/T32004-2018(China), IEC/EN 61000-6-2, IEC/EN 61000-6-4 | ||||||
| Certification | VDE-AR-N 4105, NB/T32004-2018(China), ABNT NBR 16149:2013, ABNT NBR 16150:2013, ABNT NBR IEC 62116: 2012 | ||||||
| Standard warrnty [Year] | 5 years / 10 years (Optional) | ||||||
Mechanical Installation
Installation Precaution
DANGER!
Before installation, make sure there is no electrical connection. Before drilling holes on the wall, make sure the layout of the water pipes and cables inside the wall is clearly known to avoid any danger.
CAUTION!
Personal injury and machine damage may be caused by improper movement of the inverter.
Please be strictly comply with the instructions of this manual when moving and installing the inverter.
Selection for the Installation Position
The installation location selected for the inverter is quite critical in the aspect of the guarantee of machine safety, service life and performance.
- X3-Mega G2 series has the IP66 ingress protection, which allows it to be installed outside the door.
- The installation position shall be convenient for wiring connection, operation and maintenance.

Installation Environment Required
The installation position shall be well ventilated.
Make sure the installation site meets the following conditions:
- Not be exposed to glare.
Not in areas where highly flammable materials are stored. - Not in potential explosive areas.
- Not in the cool air directly.
- Not near the television antenna or antenna cable.
- Not higher than altitude of about 4000m above sea level.
- Not in environment of precipitation or humidity (0-100%) .
- Be sure the ventilation is good enough.
- The ambient temperature in the range of -25°C to +60°C.
Avoide direct sunlight, rain exposure, snow laying up during installing and operating.
Installation Carrier Required
The wall or stand hanging the inverter should meet conditions below:
- Solid brick / concrete, or strength equivalent mounting surface;
- Inverter must be supported or strengthened if the strength of wall/stand isn’t enough. (such as wooden wall, the wall covered by thick layer of decoration)
Installation Angle Required
- The inclination angle of the flat installation shall be greater than 10° and can not be tilted forward, inverted, excessive back tilted or side tilted.
- The inverter shall be installed more than 500 mm above the ground.

Installation Space Required
To ensure good heat dissipation and convenient disassembly, the minimum clearance around the inverter shall not be less than the following values, as shown in the following figure.
For multi-inverter installation, please reserve the space of 1200 mm at least between each left and right inverter and at least 500 mm between each upper and lower inverter.
Tools Preparation 

Check for Transport Damages
Make sure the inverter is intact during transportation. If there are some visible damages, such as cracks, please contact your dealer immediately.
Packing Lists
Open the package and fetch out the product, check the accessories at first. The packing list shows as below.
Installation Steps
Installation Steps of Mounting the Inverter on the Wall
- Step 1: Fix the bracket on the wall
- a) Find out the expansion screws, bracket and M8 bolts from the accessory box as below:

- b) Use the bracket as a template for marking the positions of drilling holes on the wall with digital level and marker.
- c) Use Φ12 drill to drill holes in accordance with the mark. The depth of the holes shall be at least 65 mm.
- d) Insert the expansion screws into the holes and use hammer to knock it into the wall. Hang the bracket on the screw and secure it with nut.

- a) Find out the expansion screws, bracket and M8 bolts from the accessory box as below:
- Step 2: Hang the inverter on the bracket
- a) Lift up the inverter. Two methods are available for your choice.
- Method 1: Two installers directly hold the inverter on the two sides and lift it up
- Method 2: Install two lifting rings on the two sides of inverter and lift it up.

- b) Hang the inverter on the bracket and secure it on the bracket with M8 bolts

- a) Lift up the inverter. Two methods are available for your choice.
Installation Steps of Mounting Inverter on the Stand
- Step 1: Fix the bracket on the stand
- a) Find out the bracket and M8 bolts from the accessory box as below:
And prepare four M8X40 screw in advance. Please kindly note that M8X40 screws are not in the accessory box. Please prepare it in advance.
- b) Select appropriate stand for the inverter. The size of bracket for your reference.

- c) Use the bracket as a template for marking the position of drilling holes on the wall with a digital level and marker.
- d) Use Φ10 drill to drill holes in accordance with the mark.
- e) Pre-install the bracket on the stand and screw in the M8X40 screws to fix it.

- a) Find out the bracket and M8 bolts from the accessory box as below:
- Step 2: Hang the inverter on the bracket
- a) Lift up the inverter. Two methods are available for your choice.
- Method 1: Two installers directly hold the inverter on the two sides and lift it up
- Method 2: Install two lifting rings on the two sides of inverter and lift it up.

- b) Hang the inverter on the bracket and secure it on the bracket with M8 bolts

- a) Lift up the inverter. Two methods are available for your choice.
Electrical Connection
Groundng Connection
The uncharged metal parts in the photovoltaic power generation system, including the photovoltaic substrate bracket and the metal shell of the inverter, should be reliably grounded. The grounding part of multiple inverters and photovoltaic array shall be connected to the same grounding bus to establish reliable equipotential connection.
- Step 1: Make the grounding cable
- a) Select 16-25 mm² yellow and green conductor with proper length by wire cutter and OT copper terminal. Use wire stripper to strip the insulation layer of the conductor end. The stripped length shall be as shown below:
- b) Tighten the stripped end and pull the heat-shrink tubing over the grounding cable. The heat-shrink tubing must be at below cable section.

- c) Insert the stripped section into the OT copper terminal and crimp with crimping tool.
- d) Pull the heat-shrink tubing over the stripped section of OT terminal and use hot-air blower to shrink it so that it can be in firm contact with OT terminal.

- Step 2: Connect the grounding cable to the inverter.
- a) Connect the grounding cable to the inverter and fix it with torque 12 N·m.

- a) Connect the grounding cable to the inverter and fix it with torque 12 N·m.
PV String Connection
WARNING!
Before connecting the inverter, make sure that the open circuit voltage of the photovoltaic string shall not exceed 1100 V under any conditions, otherwise, the inverter will be damaged.
WARNING!
Do not ground the positive or negative pole of the PV string, otherwise it will cause serious damage to the inverter.
WARNING!
Make sure that the positive and negative poles of the PV string are correctly connected with the corresponding identification of the inverter.
- Step 1: Make the PV cable
- a) Find out the positive x12 DC contactor and x12 nagative DC contactor from accessory box.
- b) Disassemble the contactor into PV pin, terminal and fastening head.

- c) Turn off the DC switch and prepare a 4-6 mm² PV cable. Use wire stripper to strip 6 mm insulation layer of the PV cable end.

- d Tighten the stripped section and insert it into the PV pins. And use terminals press clamp to clamp it so that the stripped section of PV cable is in firm contact with PV pins.

- e) Insert the PV cable through fastening head and plug (male and female) and force the male or female plug to the cable. You will hear “Click” which indicates the connection is completed. Then tighten the fastening head.

- Step 2: Measure the voltage of DC input
Use a multimeter to measure the PV voltage of DC input, verify the polarity of DC input cable, and ensure that the voltage fo each string is within the range of inverter. - Step 3: Connect the PV cable to the inverter
Connect the PV cable to the corresponding PV port on the inverter, shown as below:
WARNING!
When the DC cable is reversely connected or the inverter fails to work normally, it is forbidden to turn off the DC switch directly, otherwise the inverter may be damaged or even cause fire!
The correct operation is as follows:
- Use clamp current meter to measure DC string current.
- If it is greater than 0.5A, please wait until the current is less than 0.5A.
- Only when the current is less than 0.5A, can the DC power be cut off and the DC string be pulled out.
The inverter damage caused by illegal operation will not be included in the warranty.
Requirements for photovoltaic modules connected to the same circuit:
- All PV modules shall be of the same specification.
- All PV modules have the same tilt angle and orientation.
- The open circuit voltage of the PV string shall not exceed 1100 V at the coldest expected temperature in time
WARNING! Electric shock!
Do not touch live DC wires. When photovoltaic modules are exposed to light, high voltage will occur, which will lead to the risk of electric shock, resulting in death due to contact with DC conductor.
Grid Connection
- WARNING!
Ensure electrical connection design meets local national and local standards. - WARNING!
The PE wire (ground wire) of the inverter must be reliably grounded. - WARNING!
Disconnect the circuit breaker or fuse of inverter and grid connection access point.
Note:
- It is recommended to add circuit breaker or fuse at AC side, whose specification is more than 1.25 times of rated AC output current.
- 70~240 mm² copper wire is recommended. If aluminum wire is needed, please consult the inverter manufacturer.
- Use copper terminal for copper wire, use copper aluminum terminal for aluminum wire, not aluminum terminal directly.
- Step 1: Make the AC cable
- a) Find out the AC protective shield from the accessory box.
- b) Disassemble the shield into individual parts as shown below. There are one fastening head, one blue rubber seal ring, one orange rubber seal ring, one red rubber seal ring, one black part, and the body of protective shield.
The colored seal ring is used in case the cable size at customer size is smaller. Please keep it in safe place.
The black part will be no longer used.
- c) Select the appropriate OT terminal and black, red and yellow and green cable with proper length by wire cutter, and use wire stripper to strip 15mm insulation layer of the AC cable end.
- d) Insert the AC cable through fastening head and AC protective shield, and pre-tighten the fastening head.

- e) Pull the heat-shrink tubing over AC cable.
- f) Insert the stripped section into OT terminal and crimp with crimping
tool and pull the heat-shrink tubing over the crimped section of OT terminal. Then use hot air blower to shrink it so that they are in firm contact with OT terminal.
- Step 2: Connect the AC cable to the inverter
- a) Disassemble the five screws with socket wrench and connect the AC cable to the corresponding AC terminals with cross screwdriver. Then tighten the screw with torque 6 N·m.
- b) Loosen the fastening head and clockwise screw in the screws (with the torque of 1 N·m) to fix the AC protective shield with cross screwdriver. Then tighten the fastening head.

Communication Connection
Communication Signal Definition
| Port | Pin | Definition | Remark |
|
RS-485-1 | 1 | RS485A IN+ |
Inverter RS485 networking or connect the data collector |
| 2 | RS485B IN- | ||
| 3 | GND | ||
| 4 | RS485A OUT+ | ||
| 5 | RS485B OUT- | ||
| 6 | GND | ||
| RS-485-2 | 7 | RS485A METER | Connect the RS485 meter or other devices |
| 8 | RS485B METER | ||
| 9 | +5V | ||
| 10 | GND | ||
|
DRM | 11 | DRM1/5 |
Reserved for DRM |
| 12 | DRM2/6 | ||
| 13 | DRM3/7 | ||
| 14 | DRM4/8 | ||
| 15 | RG/0 | ||
| 16 | CL/0 | ||
| DI | 21 | Digital IN+ | Input digital signal |
| 22 | Digital IN- | ||
| DO | 29 | Digital OUT+ | Output digital signal |
| 30 | Digital OUT- |
Connection Steps of Communication Cable
- a) Find out the communication terminal from the accessory box and disassemble it into the following parts.

- b) Select 0.5-0.75 mm2 conductor and use wire stripper to strip 12-14 mm insulation layer of the cable end and insert the insulated cord end terminal to the cable end. (ENY0512 nylon terminal for 0.5mm²/22 AWG conductor; ENY7512 nylon terminal for 0.75mm²/20 AWG conductor)
- c) Use terminals press clamp to make the terminal in firm contact with the cable end.

- d) Set the nut, claw, seal body, seal ring and body on the communication cable in turn.

- e) Insert the tube type terminal into the housing according to the label on it. Push the terminal-inserted housing into the body. There will be a slight sound of “Click”, which indicates the connection is completed.

- f) Push the seal body into seal ring, then push the claw.
- g) Clockwise tighten the nut with torque 8+/-2 N.m.
- h) Keep the buttons on both sides pressed and connect it to the COM port of the inverter. There will be a slight sound of “Click” if it is correctly connected.

Release Steps of Communication Cable
For releasing the communication cable, please keep the buttons on the two sides pressed and pull out the cable to make it unlocked.
Monitoring Connection
SolaX Cloud is a mobile phone application that can communicate with the inverter via Wi-Fi/LAN/4G. It can realize alarm query, parameter configuration, daily maintenance and other functions. This is a convenient maintenance platform.
Plug Dongle into “USB” port at the bottom of the inverter. After the DC side or AC side is powered on, the APP and inverter can be connected. Please refer to the corresponding manual for details.
- Wi-Fi connection
SolaX Pocket WiFi Dongle connects to a local network within 50 m of the installation to enable access to the SolaX Cloud monitoring platform.
- LAN connection
If WiFi isn’t suitable, the Pocket LAN enables users to connect to the network via an ethernet cable. Ethernet allows for a much more stable connection with less interference.
- 4G connection
SolaX Pocket 4G dongle allows you to use a 4G connection to monitor your system without the option of connecting to a local network. (This product is not available in the UK)
- Basic setting and advanced setting
Basic settings include the time, date and language.
Advanced settings can set Satety,System Switch,PVConnection, Active Power Control, Export Control, Reactive Power Control, Grid Voltage Parameters, Grid Frequency Parameters, Grid Through Parameters, Check Parameters, Reset, Communication Parameters and New Password.
Start up the Inverter
- Start inverter after checking all below steps:
- a) Check that device is fixed well on the wall or stand.
- b) Make sure all the DC breakers and AC breakers are disconnected.
- c) AC cable is connected to grid correctly.
- d) All PV panels are connected to inverter correctly, DC connectors which are not used should be sealed by cover.
- e) Turn on the DC switch to the “ON”position.
- Start the inverter
Inverter will start automatically when PV panels generate enough energy. Check the status of LED indication
If the LED indication is not on, please check the below:- All the connections are right.
- All the external circuit breakers are closed.
- The DC switch of the inverter is in the “ON” position.

| LED | Indicator status | Indicator status definition |
|
Communication signal indicator (blue) | Always light on | The inverter communication is normal. |
| Flashing | No communication data is sent or received for a long time. | |
|
DC side signal indicator (green) | Always light on | The inverter is in grid-connected state. |
| Flashing | If the fault signal light is on, it indicates errors occur on the inverter DC side. If the fault signal light is off, it indicates no errors occur on the inverter DC side and at least one channel of MPPT input voltage is higher than 200 V. | |
| Always light off | The input voltage of all channels of MPPT is less than 200 V; Or DC switch is not turned on. | |
|
Grid connection indicator (green) | Always light on | The inverter is in grid-connected state. |
| Flashing | If the fault signal indicator is on, it indicates errors occur on inverter AC side; If the fault signal indicator is off, AC grid is connected and the inverter is not in grid- connected state. | |
| Always light off | The inverter is not connected to the grid; | |
|
Inverter fault indicator (Red) | Always light on | The inverter is faulty |
| Flashing | The inverter prompts warning | |
| Always light off | The inverter is currently in a normal state, and there is no fault. |
- Four LED lights have three states:
Always on / always off / flashing
The specific definitions are as follows:
Note:
When there is firmware in the inverter system in the upgrading state, the other 3 LED lights are in the flashing state except the communication signal light; Do not operate the inverter before upgrading finished.
| error | Diagnostics and Solutions |
| GridVol_OVP_INST | Instantaneous high voltage of power grid 1. Check whether the grid voltage is within the allowable range; 2. Try to re run the inverter; |
| GridFreq_OFP1 | Grid frequency exceeds allowable value 1. Check whether the power grid frequency is within the allowable range; 2. Try to re run the inverter; |
| GridFreq_UFP1 | The grid frequency is lower than the allowable value 1. Check whether the power grid frequency is within the allowable range; 2. Try to re run the inverter; |
| GridPhase_Loss | Loss of grid phase voltage 1. Check the grid voltage; 2. Check the power grid electrical connection AC switch; 3. Try to re run the inverter |
| Grid_Unbalance | Grid voltage imbalance 1. Check whether the grid voltage is within the allowable range; 2. Try to re run the inverter; |
| Grid_FRT | Grid fault 1. Check whether the grid voltage is within the allowable range; 2. Try to re run the inverter; |
| DCBus_HW_OVP | Bus hardware overvoltage 1. Check the PV voltage and confirm that it is within the allowable range; 2. Try to restart the inverter; 3. Contact the installer |
| PBus_FSW_OVP | Bus software overvoltage 1. Try to restart the inverter; 2. Contact the installer |
| NBus_FSW_OVP | Bus software overvoltage 1. Try to restart the inverter; 2. Contact the installer |
| DCBus_SW_OVP | Bus software overvoltage 1. Check the PV voltage and confirm that it is within the allowable range; 2. Try to restart the inverter; 3. Contact the installer |
| DCBus_SW_UVP | Bus software overvoltage 1. Check the PV voltage and confirm that it is within the allowable range; 2. Try to restart the inverter; 3. Contact the installer |
| DCBus_Unbalance | Bus imbalance 1. Try to restart the inverter; 2. Contact the installer |
| PV_Above_Bus | PV instantaneous high voltage 1. Try to restart the inverter; 2. Contact the installer |
| error | Diagnostics and Solutions |
| DcBus_SSErr | Bus soft start failure 1. Try to restart the inverter; 2. Contact the installer |
| SunPWR_Weak | Low PV power 1. Try to restart the inverter; 2. Contact the installer |
| InvRelay_Err | Relay fault 1. Try to restart the inverter; 2. Contact the installer |
| Relay_OnErr | Relay switch-on fault 1. Try to restart the inverter; 2. Contact the installer |
| Inv_SW_OCP | Inverter software overcurrent 1. Try to restart the inverter; 2. Contact the installer |
| Inv_PkCur_OL | Inverter software overcurrent 1. Try to restart the inverter; 2. Contact the installer |
| Inv_HW_OCP | Inverter hardware overcurrent 1. Try to restart the inverter; 2. Contact the installer |
| Inv_DCI_Err | DCI above allowable value 1. Try to restart the inverter; 2. Contact the installer |
| Inv_SC_Err | Output short circuit 1. Try to restart the inverter; 2. Contact the installer |
| GFCI_CT_Err | GFCI sensor failure 1. Try to restart the inverter; 2. Contact the installer |
| GFCI_Err | GFCI failure 1. Check whether the inverter ground wire is correctly connected; 2. Try to restart the inverter; 3. Contact the installer |
| Inv_HW_OCPA | Inverter hardware overcurrent fault 1. Try to restart the inverter; 2. Contact the installer |
| Bst_IGBT_NTC_OTP | Boost module temperature above allowable value 1. Confirm that the inverter is well ventilated; 2. Try to restart the inverter; 3. Contact the installer |
Troubleshooting
Troubleshooting
This section contains information and procedures for solving possible problems with X3 series inverters, and provides you with troubleshooting tips to identify and solve most problems that could occur with the X3 series inverters.
This section will help you narrow down the source of any problems you may encounter. Please read the following troubleshooting steps.
Check warnings or fault messages on System Control Panel or Fault codes on the inverter information panel. If a message is displayed, record it before doing anything further.
Attempt the solution indicated in troubleshooting lists.
If your inverter’s information panel is not displaying a Fault light, check the following list to make sure that the present state of the installation allows proper operation of the unit.
- Is the inverter located in a clean, dry, adequately ventilated place?
- Have the DC input breakers been opened?
- Are the cables adequately sized and short enough?
- Are the input and output connections and wiring in good condition?
- Are the configurations settings correct for your particular installation?
- Are the display panel and the communications cable properly connected and undamaged?
Contact SolaX Customer Service for further assistance. Please be prepared to describe details of your system installation and provide model and serial number of the unit.
Global Service Center: +86 (571) 56260033 ext 749
General Enquiry: +86 (571) 56260011
Sales Enquiry: +86 (571) 56260008
E-Mail: [email protected]
Fax: +86 (571) 56075753
| error | Diagnostics and Solutions |
| ISO_Fail | PV insulation impedance below safety value 1. Check PV electrical connection; 2. Check the grounding of inverter; 3. Contact the installer; |
| Meter_Oppsite | Incorrect meter direction 1. Confirm whether the current direction of the meter is correct; 2. Contact the installer |
| Remote_Off | The inverter receives the shutdown command and is in the shutdown state 1. Send the startup command through app or web to re run the inverter; 2. Contact the installer |
| Freq_Cfg_Err | Grid rated frequency setting error 1. Check whether the state / power grid directive is set correctly; 2. Contact the installer |
| Gnd_Conn_Err | Inverter grounding fault 1. Check whether the neutral line of the power grid is correctly connected; 2. Check whether the inverter ground wire is correctly connected; 3. Try to re run the inverter; 4. Contact the installer; |
| PVXX_Reverse | Reverse connection of MPPT components (mppt1-mppt12 respectively represent 1-12 channels of MPPT) 1. Check whether the electrical connection of PV module is correct; 2. Contact the installer |
| PV_VolHigh | PV input voltage is higher than the allowable value (pv1-pv12 respectively represents 1-12 PV overvoltage) 1. Check the PV voltage and confirm that it is within the allowable range; 2. Reduce the number of PV modules in series and reduce PV voltage; 3. Contact the installer |
| BST_SW_OCP | MPPT software overcurrent 1. Check whether the PV input is short circuited; 2. Try to restart the inverter; 3. Contact the installer |
| BST_HW_OCP | MPPT hardware overcurrent 1. Check whether the PV input is short circuited; 2. Try to restart the inverter; 3. Contact the installer |
| Grid_Loss | Power failure of power grid / disconnection of AC line or AC switch. 1. Check whether the grid voltage is normal; 2. Check the power grid electrical connection AC switch; 3. Try to re run the inverter |
| GridVol_OVP1 | The grid voltage exceeds the allowable value 1. Check whether the grid voltage is within the allowable range; 2. Try to re run the inverter; |
| GridVol_UVP1 | The grid voltage is lower than the allowable value 1. Check whether the grid voltage is within the allowable range; 2. Try to re run the inverter; |
| GridVol_OVP_10M | The grid voltage exceeds the allowable value 1. Check whether the grid voltage is within the allowable range; 2. Try to re run the inverter; |
| error | Diagnostics and Solutions |
| Inv_IGBT_NTC_OTP | The temperature of inverter module is higher than the allowable value 1. Confirm that the inverter is well ventilated; 2. Try to restart the inverter; 3. Contact the installer |
| AC_TB_NTC_OTP | The AC terminal temperature is higher than the allowable value 1. Confirm that the AC terminal of the inverter is well wired; 2. Try to restart the inverter; 3. Contact the installer |
| Envir_Tmp_Low | The internal temperature is lower than the allowable value 1. Confirm that the inverter is well ventilated; 2. Try to restart the inverter; 3. Contact the installer |
| SW_VerMisMatch | Software version error 1. Try to restart the inverter; 2. Contact the installer |
| Envir_Tmp_OTP | The internal temperature is higher than the allowable value 1. Confirm that the inverter is well ventilated; 2. Try to restart the inverter; 3. Contact the installer |
| TmpSensor_Loss | Temperature sensor connection failure 1. Try to restart the inverter; 2. Contact the installer |
| Comm_SPI_Err | Internal communication failure 1. Try to restart the inverter; 2. Contact the installer |
| Comm_CAN_Err | Internal communication failure 1. Try to restart the inverter; 2. Contact the installer |
| EPRM_RW_Err | EEPROM fault 1. Try to restart the inverter; 2. Contact the installer |
| FAN1_Err | Fan 1 fault 1. Try to restart the inverter; 2. Contact the installer |
| FAN2_Err | Fan 2 fault 1. Try to restart the inverter; 2. Contact the installer |
| MOV_AC_Err | AC lightning protection module failure 1. Try to restart the inverter; 2. Contact the installer |
| MOV_DC_Err | DC lightning protection module failure 1. Try to restart the inverter; 2. Contact the installer |
| Type_Model_Err | Model setting error 1. Try to restart the inverter; 2. Contact the installer |
Routine Maintenance
Inverters do not need any maintenance or correction in most condition, To ensure that the X3-Mega G2 can operate properly for a long term, you are advised
to perform routine maintenance on it. Before cleaning the system, connecting cables, and maintaining the grounding reliability, power off the system.
- Fan Maintenance
The external fan of inverter is in operation for a long time. In order to keep the fan in normal working state, it is necessary to clean the fan regularly (it is recommended to clean it once a year).
If the service life is too long, the fan may fail, and the fan needs to be repaired or replaced. The maintenance or replacement requires professional operation.- Step 1. Before maintenance of fan, the AC connection must be disconnected, then the DC switch must be disconnected and wait 5 minutes.
- Step 2. Screw out the fan cover fixing screw to remove the cover.
- Step 3. Remove the fan support fixing screw as shown in the figure below.
- Step 3. Pull out the fan bracket, stop at the position about 150 mm, then pull off the fan waterproof connector, then pull the fan bracket again to pull out the whole bracket.
- Step 4. Clean, repair, or replace the fan if needed.

- Safety checks
Safety checks should be performed at least every 12 months by manufacturer’s qualified person who has adequate training, kownledge, and practical experience to perform these tests.The data should be recorded in an equipment log.If the device is not functioning properly or fails any of test, the device has to be repaired.For safety check details, refer to this manual, section 2 Safety instruction and EC Directives. - Maintain periodically
Only qualified person may perform the following works.
During the process of using the inverter, the manage person shall examine and maintain the machine regularly.The concrete operations are follow.- Check that if the cooling fins on the rear of house are covered by dirts, and the machine should be cleaned and absorbed dust when necessary.
This work shall be check time to time. - Check that if the indicators of the inverter are in normal state, check if the keys of the inverter are in normal state, check if the display of the inverter is normal. This check should be performed at least every 6 months.
- Check that if the input and output wires are damaged or aged. This check should be performed at least every 6 months.
- Check whether the ground terminal and ground cable are securely connected and all terminals and ports are properly sealed every 12 months
- You should get the inverter panels cleaned and their security checked at least every 6 months.
- Check that if the cooling fins on the rear of house are covered by dirts, and the machine should be cleaned and absorbed dust when necessary.
Decommissioning
Dismantling the Inverter
- Disconnect the inverter from DC Input and AC output.
- Wait for 5 minutes for de-energizing.
- Disconnect communication and optional connection wirings.
- Remove the inverter from the bracket.
- Remove the bracket if necessary.
WARNING!
Before dismantling the inverter, please be sure to disconnect the DC switch, and then unplug the PV and AC cables, otherwise it will lead to an electric shock hazard.
Packaging
If possible, please pack the inverter with the original packaging.
If it is no longer available, you can also use an equivalent carton that meets the following requirements.
- Suitable for loads more than 80 kg.
- With handle.
- Can be fully closed.
Storage and Transportation
Store the inverter in dry place where ambient temperatures are always between
-25°C – +60°C. Take care of the inverter during the storage and transportation, keep less than 4 cartons in one stack.
When the inverter or other related components need to be disposed. Have it carried out according to local waste handling regulations. Please be sure to deliver wasted inverters and packing materials to certain site, which can assist relevant department to dispose and recycle.
Disposing of the X3-Mega G2
If the X3-Mega G2 service life expires, dispose of it according to the local disposal rules for electrical equipment waste.
Disclaimer
X3 series inverters are transported, used and operated under limited condition, such as environmental, electrical etc. SolaX shall not be liable to provide the service, technical support or compensation under conditions listed below, including but not limited to:
- Inverter is damaged or broken by force majeure (such as earthquake, flooding, thunderstorm, lighting, fire hazard, volcanic eruption etc).
- Inverter’s warranty is expired and doesn’t buy extended warranty.
- Can’t provide the inverter’s SN, warranty card or invoice.
- Inverter is damaged by man-made cause. Inverter is used or operated against any items in local policy.
- Inverter’s installation, configuration, commissioning doesn’t follow the requirements mentioned in this manual.
- Inverter is installed, refitted or operated in improper ways mentioned in this manual without authority from SolaX.
- Inverter is installed, operated under improper environment or electrical condition mentioned in this manual without authority from SolaX.
- Inverter is changed, updated or disassembled on hardware or software without authority from SolaX.
- Obtain the communication protocol from other illegal channels.
- Build monitoring, control system without authority from SolaX.
- Connect to other brands batteries without authority from SolaX.
- SolaX will keep right to explain all the contents in this user manual.
Warranty Registration Form
For Customer (Compulsory)
- Name
- Phone Number
- Address
- State
- Product Serial Number
- Date of Commissioning
- Installation Company Name
- Installer Name
- Country
- Zip Code
- Electrician License No.
For Installer
- Module ( If Any )
- Module Brand
- Module Size(W)
- Number of String
- Battery ( If Any )
- Battery Type
- Brand
- Number of Battery Attached
- Date of Delivery
- Number of Panel Per String
- Signature
Please visit our warranty website: https://www.solaxcloud.com/#/warranty to complete the online warranty registration or use your mobile phone to scan the QR code to register.
For more detailed warranty terms, please visit SolaX official website: www.solaxpower.com to check it.
























































