General Sensorless Vector
Control Micro Drives
VFD-M Series Inverter 3 Phases
User Manual
Preface
Thank you for choosing DELTA’s high-performance VFD-M Series. The VFD-M Series is manufactured with high-quality components and materials and incorporate the latest microprocessor technology available.
This manual is to be used for the installation, parameter setting, troubleshooting, and daily maintenance of the AC motor drive. To guarantee safe operation of the equipment, read the following safety guidelines before connecting power to the AC motor drive. Keep this operating manual at hand and distribute to all users for reference. To ensure the safety of operators and equipment, only qualified personnel familiar with AC motor drive are to do installation, start-up and maintenance. Always read this manual thoroughly before using VFD-M series AC Motor Drive, especially the WARNING, DANGER and CAUTION notes. Failure to comply may result in personal injury and equipment damage. If you have any questions, please contact your dealer.
PLEASE READ PRIOR TO INSTALLATION FOR SAFETY.
DANGER!
- AC input power must be disconnected before any wiring to the AC motor drive is made.
- A charge may still remain in the DC-link capacitors with hazardous voltages, even if the power has been turned off. To prevent personal injury, please ensure that power has turned off before opening the AC motor drive and wait ten minutes for the capacitors to discharge to safe voltage levels.
- Never reassemble internal components or wiring.
- The AC motor drive may be destroyed beyond repair if incorrect cables are connected to the input/output terminals. Never connect the AC motor drive output terminals U/T1, V/T2, and W/T3 directly to the AC mains circuit power supply.
- Ground the VFD-M using the ground terminal. The grounding method must comply with the laws of the country where the AC motor drive is to be installed. Refer to the Basic Wiring Diagram.
- VFD-M series is used only to control variable speed of 3-phase induction motors, NOT for 1phase motors or other purpose.
- VFD-M series shall NOT be used for life support equipment or any life safety situation.
WARNING!
- DO NOT use Hi-pot test for internal components. The semi-conductor used in AC motor drive easily damage by high-voltage.
- There are highly sensitive MOS components on the printed circuit boards. These components are especially sensitive to static electricity. To prevent damage to these components, do not touch these components or the circuit boards with metal objects or your bare hands.
- Only qualified persons are allowed to install, wire and maintain AC motor drives.
CAUTION!
- Some parameters settings can cause the motor to run immediately after applying power.
- DO NOT install the AC motor drive in a place subjected to high temperature, direct sunlight, high humidity, excessive vibration, corrosive gases or liquids, or airborne dust or metallic particles.
- Only use AC motor drives within specification. Failure to comply may result in fire, explosion or electric shock.
- To prevent personal injury, please keep children and unqualified people away from the equipment.
- When the motor cable between AC motor drive and motor is too long, the layer insulation of the motor may be damaged. Please use a frequency inverter duty motor or add an AC output reactor to prevent damage to the motor. Refer to appendix B Reactor for details.
- The rated voltage for AC motor drive must be ≤ 240V for 230V models (≤ 120V for 115V models; ≤ 480V for 460V models; ≤ 600V for 575V models) and the mains supply current capacity must be ≤ 5000A RMS.
Publication History
Please include the Issue Edition and the Firmware Version, both shown below, when contacting
technical support regarding this publication.
Issue Edition: 15
Firmware Version: v3.04
Issue date: October 2014
Publication History
Page 2-9, Modify 2.4 Control terminal wiring (Factory Settings)
Page B-12, Modify the description of
.
Issue Edition: 16
Firmware Version: v3.13
Issue date: August 2015
Publication history
1) Modify the following parameters in Chapter 4
- P44 Modify the minimum value to 1.
- P47 This parameter can be set during operation now.
- P56 This parameter is removed.
- P79 Modify the maximum value to 9999
- P88 This parameter can be set during operation now
- P89 This parameter can be set during operation now
- P90 This parameter can be set during operation now
- P91 This parameter can be set during operation now
- P92 This parameter can be set during operation now
- P95 This parameter can be set during operation now
- P107 This parameter can be set during operation now
- P108 This parameter can be set during operation now
- P117 This parameter can be set during operation now
- P118 This parameter can be set during operation now
- P119 This parameter can be set during operation now
- P125 This parameter can be set during operation now
- P150 The maximum value is modified to 6480.0
- P151 This parameter can be set during operation now
2) A new error code is added in Chapter 6.
| Hardware Overheating | Make sure that the temperature of NTC (Negative Temperature Coefficient) is lower than 109°c after the power is turned on. |
Chapter 1 Introduction
The AC motor drive should be kept in the shipping carton or crate before installation. In order to retain the warranty coverage, the AC motor drive should be stored properly when it is not to be used for an extended period of time. Storage conditions are:
CAUTION!
- Store in a clean and dry location free from direct sunlight or corrosive fumes.
- Store within an ambient temperature range of -20°C to +60°C.
- Store within a relative humidity range of 0% to 90% and non-condensing environment.
- Store within an air pressure range of 86 kPA to 106kPA.
- DO NOT place on the ground directly. It should be stored properly. Moreover, if the surrounding environment is humid, you should put exicator in the package.
- DO NOT store in an area with rapid changes in temperature. It may cause condensation and frost.
- If the AC motor drive is stored for more than 3 months, the temperature should not be higher than 30 °C. Storage longer than one year is not recommended, it could result in the degradation of the electrolytic capacitors.
- When the AC motor drive is not used for longer time after installation on building sites or places with humidity and dust, it’s best to move the AC motor drive to an environment as stated above.
1.1 Receiving and Inspection
This VFD-M AC motor drive has gone through rigorous quality control tests at the factory before shipment. After receiving the AC motor drive, please check for the following:
- Check to make sure that the package includes an AC motor drive, the User Manual/Quick Start and CD, and rubber bushings.
- Inspect the unit to assure it was not damaged during shipment.
- Make sure that the part number indicated on the nameplate corresponds with the part number of your order.
1.1.1 Nameplate Information
Example of 1HP 230V AC motor drive
1.1.2 Model Explanation
1.1.3 Serial Number Explanation
If the nameplate information does not correspond to your purchase order or if there are any problems, please contact your distributor.
1.1.4 External Parts and Labels
- Mounting Screw Holes
- Nameplate Label
- Bottom Cover
- Digital Keypad
- Upper Cover
- Ventilation Hole
- Input Terminals
- Control Input/output Terminals
- External Brake Resistor
- Output Terminals
- Grounding
1.1.5 Remove Instructions
Remove Keypad
Remove Front Cover
| RST Side | UVW Side |
![]() | ![]() |
1.2 Preparation for Installation and Wiring
1.2.1 Ambient Conditions
Install the AC motor drive in an environment with the following conditions:
| Operation | Air Temperature: | -10 ~ +50°C (14 ~ 122°F) for UL & cUL -10 ~ +40°C (14 ~ 104°F) for 5.5kw models and above |
| Relative Humidity: | <90%, no condensation allowed | |
| Atmosphere pressure: | 86 ~ 106 kPa | |
| Installation Site Altitude: | <1000m | |
| Vibration: | <20Hz: 9.80 m/s² (1G) max 20 ~ 50Hz: 5.88 m/s² (0.6G) max | |
| Storage Transportation | Temperature: | -20°C ~ +60°C (-4°F ~ 140°F) |
| Relative Humidity: | <90%, no condensation allowed | |
| Atmosphere pressure: | 86 ~ 106 kPa | |
| Vibration: | <20Hz: 9.80 m/s² (1G) max 20 ~ 50Hz: 5.88 m/s² (0.6G) max | |
| Pollution Degree | 2: good for a factory type environment. | |
1.2.2 Minimum Mounting Clearances

CAUTION!
- Operating, storing or transporting the AC motor drive outside these conditions may cause damage to the AC motor drive.
- Failure to observe these precautions may void the warranty!
- Mount the AC motor drive vertically on a flat vertical surface object by screws. Other directions are not allowed.
- The AC motor drive will generate heat during operation. Allow sufficient space around the unit for heat dissipation.
- The heat sink temperature may rise to 90°C when running. The material on which the AC motor drive is mounted must be noncombustible and be able to withstand this high temperature.
- When AC motor drive is installed in a confined space (e.g. cabinet), the surrounding temperature must be within 10 ~ 40°C with good ventilation. DO NOT install the AC motor drive in a space with bad ventilation.
- Prevent fiber particles, scraps of paper, saw dust, metal particles, etc. from adhering to the heatsink.
- When installing multiple AC more drives in the same cabinet, they should be adjacent in a row with enough space in-between. When installing one AC motor drive below another one, use a metal separation between the AC motor drives to prevent mutual heating.
| Installation with Metal Separation | Installation without Metal Separation |
![]() | ![]() |
1.3 Dimensions
Unit: mm [inch]
| Model Name | W | W1 | H | H1 | H2 | D | D1 |
| VFD004M21A/23A, VFD007M21A/23A, VFD015M21A/23A | 85.0 [3.35] | 74.0 [2.91] | 141.5 [5.57] | 130.5 [5.14] | 10.0 [0.39] | 113.0 [4.45] | 10.0 [0.39] |
| VFD002M11A, VFD004M11A/21B, VFD007M11A/21B/43B/53A, VFD015M21B/43B/53A, VFD022M23B/43B/53A | 100.0 [3.94] | 89.0 [3.50] | 151.0 [5.94] | 140.0 [5.51] | 10.0 [0.39] | 116.5 [4.59] | 10.5 [0.41] |

| Model Name | W | W1 | H | H1 | H2 | D | D1 |
| VFD022M21A, VFD037M23A/43A/53A, VFD055M23A/43A/53A, VFD075M43A/53A | 125.0 [4.92] | 110.0 [4.33] | 220.0 [8.66] | 205.0 [8.07] | 15.0 [0.59] | 166.3 [6.55] | 8.2 [0.32] |
Revision Aug. 2015, ME16, SW V3.13
Chapter 2 Installation and Wiring
After removing the front cover, check if the power and control terminals are clear. Be sure to observe the following precautions when wiring.
General Wiring Information
Applicable Codes
All VFD-M series are Underwriters Laboratories, Inc. (UL) and Canadian Underwriters Laboratories (cUL) listed, and therefore comply with the requirements of the National Electrical Code (NEC) and the Canadian Electrical Code (CEC).
Installation intended to meet the UL and cUL requirements must follow the instructions provided in “Wiring Notes” as a minimum standard. Follow all local codes that exceed UL and cUL requirements. Refer to the technical data label affixed to the AC motor drive and the motor nameplate for electrical data.
The “Line Fuse Specification” in Appendix B, lists the recommended fuse part number for each VFD-M Series part number. These fuses (or equivalent) must be used on all installations where compliance with U.L. standards is a required.
CAUTION!
- Make sure that power is only applied to the R/L1, S/L2, T/L3 terminals. Failure to comply may result in damage to the equipment. The voltage and current should lie within the range as indicated on the nameplate.
- All the units must be grounded directly to a common ground terminal to prevent lightning strike or electric shock.
- Please make sure to fasten the screw of the main circuit terminals to prevent sparks which is made by the loose screws due to vibration.
- Check following items after finishing the wiring:
A. Are all connections correct?
B. No loose wires?
C. No short-circuits between terminals or to ground?
DANGER!
- A charge may still remain in the DC bus capacitors with hazardous voltages even if the power has been turned off. To prevent personal injury, please ensure that the power is turned off and wait ten minutes for the capacitors to discharge to safe voltage levels before opening the AC motor drive.
- Only qualified personnel familiar with AC motor drives is allowed to perform installation, wiring and commissioning.
- Make sure that the power is off before doing any wiring to prevent electric shock.
2.1 Basic Wiring Diagram
Users must connect wires according to the following circuit diagram shown below. 
NOTE: Do not plug a Modem or telephone line to the RS-485 communication port, permanent damage may result. Terminal 1& 2 are the power sources for the optional copy keypad and should not be used while using RS-485 communication.
- If it is single phase model, please select any of the two input power terminals in main circuit power.
- Single phase model can be input 3-phase power.
CAUTION!
- The wiring of main circuit and control circuit should be separated to prevent erroneous actions.
- Please use shield wire for the control wiring and not to expose the peeled-off net in front of the terminal.
- Please use the shield wire or tube for the power wiring and ground the two ends of the shield wire or tube.
- Damaged insulation of wiring may cause personal injury or damage to circuits/equipment if it comes in contact with high voltage.
- The AC motor drive, motor and wiring may cause interference. To prevent the equipment damage, please take care of the erroneous actions of the surrounding sensors and the equipment.
- When the AC drive output terminals U/T1, V/T2, and W/T3 are connected to the motor terminals U/T1, V/T2, and W/T3, respectively. To permanently reverse the direction of motor rotation, switch over any of the two motor leads.
- With long motor cables, high capacitive switching current peaks can cause over-current, high leakage current or lower current readout accuracy. To prevent this, the motor cable should be less than 20m for 3.7kW models and below. And the cable should be less than 50m for 5.5kW models and above. For longer motor cables use an AC output reactor.
- The AC motor drive, electric welding machine and the greater horsepower motor should be grounded separately.
- Use ground leads that comply with local regulations and keep them as short as possible.
- No brake resistor is built in the VFD-M series, it can install brake resistor for those occasions that use higher load inertia or frequent start/stop. Refer to Appendix B for details.
- Multiple VFD-M units can be installed in one location. All the units should be grounded directly to a common ground terminal, as shown in the figure below. Ensure there are no ground loops.
![]() | ![]() |
2.2 External Wiring

| Items | Explanations |
| Power supply | Please follow the specific power supply requirement shown in APPENDIX A. |
| Fuse/NFB (Optional) | There may be inrush current during power up. Please check the chart of APPENDIX B and select the correct fuse with rated current. NFB is optional. |
| Magnetic contactor (Optional) | Please do not use a Magnetic contactor as the I/O switch of the AC drive, this will reduce the operating life cycle of the AC drive. |
| Input AC Line Reactor (Optional) | Used to improve the input power factor, to reduce harmonics and provide protection from AC line disturbances. (Surge, switching spike, power flick, etc.) AC line reactor should be installed when the power supply capacity is ≥ 500kVA or phase lead reactor will be switched. And the wiring distance should not exceed 10m. Please refer to Appendix B for detail. |
| Zero-phase Reactor (Ferrite Core Common Choke) (Optional) | Zero phase reactors are used to reduce radio noise especially when audio equipment installed near the inverter. Effective for noise reduction on both the input and output sides. Attenuation quality is good for a wide range from AM band to 10Mhz. Appendix B specifies zero phase reactors. (RF220X00A) |
| EMI filter (Optional) | To reduce electromagnetic interference. Please refer to Appendix B for detail. |
| Brake Resistor (Optional) | Used to reduce stopping time of the motor. Please refer to the chart on Appendix B for specific brake resistors. |
| Output AC Line Reactor (Optional) | Motor surge voltage amplitudes depending on motor cable length. For long motor cable applications (>20m), it is necessary to install on the inverter output side. |
2.3 Main Circuit
2.3.1 Main Circuit Connection 
| Terminal Symbol | Explanation of Terminal Function |
| R/L1, S/L2, T/L3 | AC line input terminals (three phase) |
| U/T1, V/T2, W/T3 | Motor connections |
| B1 – B2 | Connections for brake resistor (optional) |
| Earth Ground |
CAUTION!
Mains power terminals (R/L1, S/L2, T/L3)
- Connect these terminals (R/L1, S/L2, T/L3) via a non-fuse breaker or earth leakage breaker to 3-phase AC power (some models to 1-phase AC power) for circuit protection. It is unnecessary to consider phase-sequence.
- It is recommended to add a magnetic contactor (MC) in the power input wiring to cut off power quickly and reduce malfunction when activating the protection function of AC motor drives. Both ends of the MC should have an R-C surge absorber.
- Please make sure to fasten the screw of the main circuit terminals to prevent sparks which is made by the loose screws due to vibration.
- Please use voltage and current within the regulation shown in Appendix A.
- When using a GFCI (Ground Fault Circuit Interrupter), select a current sensor with sensitivity of 200mA, and not less than 0.1-second detection time to avoid nuisance tripping.
- Do NOT run/stop AC motor drives by turning the power ON/OFF. Run/stop AC motor drives by RUN/STOP command via control terminals or keypad. If you still need to run/stop AC drives by turning power ON/OFF, it is recommended to do so only ONCE per hour.
- Do NOT connect 3-phase models to a 1-phase power source.
Output terminals for main circuit (U, V, W)
- When it needs to install the filter at the output side of terminals U/T1, V/T2, W/T3 on the AC motor drive. Please use inductance filter. Do not use phase- compensation capacitors or L-C (Inductance-Capacitance) or R-C (Resistance-Capacitance), unless approved by Delta.
- DO NOT connect phase-compensation capacitors or surge absorbers at the output terminals of AC motor drives.
- Use well-insulated motor, suitable for inverter operation.
Terminals [B1, B2] for connecting external brake unit
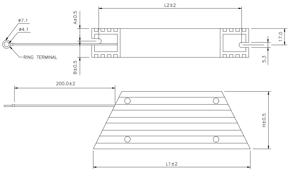
Brake Resistor(optional)
Refer to Appendix B for the use of special brake resistor
- Connect a brake resistor or brake unit in applications with frequent deceleration ramps, short deceleration time, too low braking torque or requiring increased braking torque.
- The AC motor drive has a built-in brake chopper, you can connect the external brake resistor to the terminals [B1, B2] when needed.
- When not used, please leave the terminals [B1, B2] open.
2.3.2 Main Circuit Terminals 
Wire Type: 75º C Copper Only
| Model Name | Max. Current (input /output) | Wire Gauge AWG (mm2) | Torque kgf-cm (in-lbf) |
| VFD002M11A | 6A/1.6A | 12-14 (3.3-2.1) | 14 (12) |
| VFD004M11A | 9A/2.5A | ||
| VFD007M11A | 16A/4.2A | 12 (3.3) | |
| VFD004M21A/21B | 6.3A/2.5A | 12-14 (3.3-2.1) | |
| VFD004M23A | 3.2A/2.5A | ||
| VFD007M21A/21B | 11.5A/5.0A | ||
| VFD007M23A | 6.3A/5.0A | ||
| VFD015M21A/21B | 15.7A/7.0A | 12 (3.3) | |
| VFD015M23A | 9.0A/7.0A | 12-14 (3.3-2.1) | |
| VFD022M21A | 27A/10A | 8 (8.4) | 15 (13) |
| VFD022M23B | 15A/10A | 8-12 (8.4-3.3) | |
| VFD037M23A | 19.6A/17A | (13) 8-10 (8.4-5.3) | |
| VFD055M23A | 28A/25A | 8 (8.4) | |
| VFD007M43B | 4.2A/3.0A | 12-14 (3.3-2.1) | 14 (12) |
| VFD007M53A | 2.4A/1.7A | 12-14 (3.3-2.1) | |
| VFD015M43B | 5.7A/4.0A | 12-14 (3.3-2.1) | |
| VFD015M53A | 4.2A/3.0A | (12) 12-14 (3.3-2.1) | |
| VFD022M43B | 6.0A/5.0A | 12-14 (3.3-2.1) | |
| VFD022M53A | 5.9A/4.2A | 12-14 (3.3-2.1) | |
| VFD037M43A | 8.5A/8.2A | 8-14 (8.4-2.1) | 15 (13) |
| VFD037M53A | 7.0A/6.6A | 8-14 (8.4-2.1) | |
| VFD055M43A | 14A/13A | 8-12 (8.4-3.3) | |
| VFD055M53A | 10.5A/9′ 9A | 8-12 (8.4-3.3) | |
| VFD075M43A | 23A/18A | 8-10 (8.4-5.3) | |
| VFD075M53A | 12.9A/12.2A | 8-12 (8.4-3.3) |
Note: It needs to use the Recognized Ring Terminal to conduct a proper wiring.
2.4 Control Terminal Wiring (Factory Settings)


Do NOT apply directly the mains voltage to the terminals above.
Terminal symbols and functions
| Terminal Symbol | Terminal Function | Factory Settings (NPN mode) |
| RA | Multi-Function Relay Output (N.O.) a | RA-RC Resistive Load 5A(N.O.)/3A(N.C.) 277Vac; 5A(N.O.)/3A(N.C.) 30Vdc Refer to P45 for programming. |
| RB | Multi-Function Relay Output (N.C.) b | RB-RC Resistive Load 5A(N.O.)/3A(N.C.) 277Vac; 5A(N.O.)/3A(N.C.) 30Vdc |
| RC | Multi-function Relay Common | 5A(N.O.)/3A(N.C.) 277Vac; 5A(N.O.)/3A(N.C.) 30Vdc |
| M0 | Multi-function auxiliary input | M0~M5-GND Refer to P38~P42 for programming the multifunction inputs. ON: the activation current is 10 mA. OFF: leakage current tolerance is 10μA. |
| M1 | Multi-function input 1 | |
| M2 | Multi-function input 2 | |
| M3 | Multi-function input 3 | |
| M4 | Multi-function input 4 | |
| M5 | Multi-function input 5 | |
| GND | Common Signal | |
| +10V | +10 Vdc Output | GND It can supply +10 VDC power. I443 |
| AVI | Analog Voltage Input![]() | Impedance: 20kW Resolution: 10 bits Range: 0~10Vdc = 0~Max.Output Frequency |
| ACI | Analog Current Input![]() | Impedance: 250W Resolution: 10 bits Range: 4~20mA = 0~Max.Output Frequency |
| AFM | Analog Output Meter![]() | 0 to 10V, 2mA Impedance: 100kW Output Current: 2mA max Resolution: 8 bits Range: 0 ~ 10Vdc |
| MO1 | Multi-function Output Terminal (Photocoupler) | Maximum: 48Vdc, 50mA Refer to P45 for programming. ![]() |
| MCM | Multi-function Output Common(Photocoupler) | Common for Multi-function Outputs |
Note: Use twisted-shielded, twisted-pair or shielded-lead wires for the control signal wiring. It is recommended to run all signal wiring in a separate steel conduit. The shield wire should only be connected at the drive. Do not connect shield wire on both ends.
Analog inputs (AVI, ACI)
- Analog input signals are easily affected by external noise. Use shielded wiring and keep it as short as possible (<20m) with proper grounding. If the noise is inductive, connecting the shield to terminal GND can bring improvement.
- If the analog input signals are affected by noise from the AC motor drive, please connect a capacitor (0.1 μF and above) and ferrite core as indicated in the following diagrams:
wind each wires 3 times or more around the core
Digital inputs (M0~M5)
- When using contacts or switches to control the digital inputs, please use high quality components to avoid contact bounce.
Digital outputs (MO1)
- Make sure to connect the digital outputs to the right polarity, see wiring diagrams.
- When connecting a relay to the digital outputs, connect a surge absorber or fly-back diode across the coil and check the polarity.
General
- Keep control wiring as far away as possible from the power wiring and in separate conduits to avoid interference. If necessary let them cross only at 90º angle.
- The AC motor drive control wiring should be properly installed and not touch any live power wiring or terminals.
![]()
- If a filter is required for reducing EMI (Electro Magnetic Interference), install it as close as possible to AC drive. EMI can also be reduced by lowering the Carrier Frequency.
DANGER!
Damaged insulation of wiring may cause personal injury or damage to circuits/equipment if it comes in contact with high voltage.
Chapter 3 Keypad and Start Up
3.1 Keypad
3.1.1 Description of the Digital Keypad
The digital keypad includes two parts: Display panel and keypad. The display panel provides the parameter display and shows the operation status of the AC drive and the keypad provides programming and control interface.
| Displayed Message | Descriptions |
| The AC drives Master Frequency. | |
| The Actual Operation Frequency present at terminals U, V, and W. | |
| The custom unit (v), where v = H x Pr.65. | |
| The counter value (c). | |
| The output current present at terminals U, V, and W | |
| The internal PLC process step currently being performed. | |
| The specified parameter. | |
| The actual value stored within the specified parameter. | |
| The AC drive forward run status. | |
| The AC drive reverse run status. | |
| “End” displays for approximately 1 second if input has been accepted. After a parameter value has been set, the new value is automatically stored in memory. To modify an entry, use the | |
| “Err” displays, if the input is invalid. |
3.1.2 How to Operate the Digital Keypad LC-M02E 
NOTE: In the selection mode, press
to set the parameters.
To set parameters

NOTE: In the parameter setting mode, you can press MODE to return to the selection mode.
To modify data
To set direction
(When operation source is digital keypad)
3.1.3 LC-M02E 
Unit: mm [inch]
Reference Table for the 7-segment LED Display of the Digital Keypad
Digital Keypad – Mounting Panel A
Unit: mm [inch] 
Digital Keypad – Mounting Panel B
Unit: mm [inch] 
3.2 Operation Method
The operation method can be set via control terminals and LC-M02E keypad. Please choose a suitable method depending on application and operation rule.
| Operation Method | Frequency Source | Operation Command Source |
| Operate from external signal | ![]() | |
| External terminals input (multi-step speed function) M2~M5 (Pr.39~Pr.42) | M0-GND: FWD/Stop M1~GND: REV/Stop (Pr.01=01/02) | |
| LC-M02E keypad | ||
3.3 Trial Run
The factory setting of the operation source is from the digital keypad (Pr.01=00). You can perform a trial run by using the digital keypad with the following steps:
- After applying power, verify that the display shows F60.0Hz. When AC motor drive is in
standby situation, STOP LED and FWD LED will light up. - Press
key to set frequency to 5Hz. - Press
key, RUN LED and FWD LED will light up, which indicates operation command is forward running. And if you want to change to reverse running, you should press
. And if you want to decelerate to stop, please press
key. - Check following items:
– Check if the motor direction of rotation is correct.
– Check if the motor runs steadily without abnormal noise and vibration.
– Check if acceleration and deceleration are smooth.
If the results of trial run are normal, please start the formal run.![]()
- Stop running immediately if any fault occurs and refer to the troubleshooting guide for solving the problem.
- Do NOT touch output terminals U, V, W when power is still applied to L1/R, L2/S, L3/T even when the AC motor drive has stopped. The DC-link capacitors may still be charged to hazardous voltage levels, even if the power has been turned off.
- To avoid damage to components, do not touch them or the circuit boards with metal objects or your bare hands.
Chapter 4 Parameters
This VFD-M AC motor drive has 157 parameters for easy setting. In most applications, the user can finish all parameter settings before start-up without the need for re-adjustment during operation.
4.1 Summary of Parameter Settings
: The parameter can be set during operation.
| Parameter | Explanation | Settings | Setting Factory | Customer |
| Source of Frequency Command | 00: Master frequency determined by digital keypad (LC-MO2E) 1:Master frequency determined by 0 to +10 V input on AVI terminal with jumpers 2:Master frequency determined by 4 to 20mA input on ACI terminal with jumpers 3:Master frequency determined by RS-485 Communication port 4:Master frequency determined by potentiometer on digital keypad | 0 | ||
| Source of Operation command | 00: Operation determined by digital keypad 1:Operation determined by external control terminals, keypad STOP is effective 2:Operation determined by external control terminals, keypad STOP is ineffective 3:Operation determined by RS-485 communication port, keypad STOP is effective 4:Operation determined by RS-485 communication port, keypad STOP is ineffective | 0 | ||
| Pr.02 | Stop Method | 00: Ramp stop 01: Coast Stop | 0 | |
| Pr.03 | Maximum Output Frequency | 50.00 to 400.0 Hz | 60.00 | |
| Pr.04 | Maximum Voltage Frequency (Base Frequency) | 10.00 to 400.0Hz | 60.00 | |
| Pr.05 | Maximum Output Voltage (Vmax) | 115V/230V: 0.1 to 255.0V | 220.0 | |
| 460V: 0.1 to 510.0V | 440.0 | |||
| 575V: 0.1 to 637.0V | 575.0 | |||
| Pr.06 | Mid-point Frequency | 0.10 to 400.0Hz | 1.50 | |
| Pr.07 | Mid-point Voltage | 115V/230V: 0.1 to 255.0V | 10.0 | |
| 460V: 0.1 to 510.0V | 20.0 | |||
| 575V: 0.1 to 637.0V | 26. | |||
| Pr.08 | Minimum Output Freq | 0.10 to 20.00Hz | 1.50 | |
| Pr.09 | Minimum Output Voltage | 115V/230V• 0.1 to 255.0V | 10.0 | |
| 460V: 0.1 to 510.0V | 20.0 | |||
| 575V: 0.1 to 637.0V | 26. | |||
| Acceleration Time 1 | 0.1 to 600.0 sec or 0.01 to 600.0 sec | 10.0 | ||
| Deceleration Time 1 | 0.1 to 600.0 sec or 0.01 to 600.0 sec | 10.0 | ||
| Acceleration Time 2 | 0.1 to 600.0 sec or 0.01 to 600.0 sec | 10.0 | ||
| Deceleration Time 2 | 0.1 to 600.0 sec or 0.01 to 600.0 sec | 10.0 | ||
| Pr.14 | Accel S-curve | 00 to 07 | 0 | |
| Jog Accel/Decel Time | 0.1 to 600.0 sec or 0.01 to 600.0 sec | 1.0 | ||
| Jog Frequency | 0.00 to 400.0 Hz | 6.00 | ||
| 1st Step Speed Freq. | 0.00 to 400.0 Hz | 0.00 | ||
| 2nd Step Speed Freq. | 0.00 to 400.0 Hz | 0.00 | ||
| 3rd Step Speed Freq. | 0.00 to 400.0 Hz | 0.00 | ||
| 4th Step Speed Freq. | 0.00 to 400.0 Hz | 0.00 | ||
| 5th Step Speed Freq. | 0.00 to 400.0 Hz | 0.00 | ||
| 6th Step Speed Freq. | 0.00 to 400.0 Hz | 0.00 | ||
| 7th Step Speed Freq. | 0.00 to 400.0 Hz | 0.00 | ||
| Pr.24 | Reverse Operation Inhibition | 00: Enable REV operation 01: Disable REV operation | 0 | |
| Pr.25 | Over-Voltage Stall Prevention | 00: Disable | ||
| 115V/230V: 330 to 450 Vdc | 390 | |||
| 460V: 660 to 900 Vdc | 780 | |||
| 575V: 825 to 1025 Vdc | 975 | |||
| Pr.26 | Over-current Stall Prevention during Acceleration | 00: Disable 20% to 200% | 150 | |
| Pr.27 | Over-current Stall Prevention during Operation | 00: Disable 20% to 200% | 150 | |
| Pr.28 | DC Braking Current Level | 00 to 100/0 | 0 | |
| Pr.29 | DC Braking during Start-up | 0.0 to 5.0 sec | 0.0 | |
| Pr.30 | DC Braking during Stopping | 0.0 to 25.0 sec | 0.0 | |
| Pr.31 | Start-point for DC Braking | 0.00 to 60.00 Hz | 0.00 | |
| Pr.32 | Momentary Power Loss Operation | 00: Stop operation after momentary power loss 1:Continues after momentary power loss, speed search starts with Master Frequency requency 2:Continues after momentary power loss, speed search starts with Minimum output Frequency | 0 | |
| Pr.33 | Maximum Allowable Power Loss Time | 0.3 to 5.0 sec | 2.0 | |
| Pr.34 | Base-Block Time for Speed Search | 0.3 to 5.0 sec | 0.5 | |
| Pr.35 | Maximum Current Level for Speed Search | 30 to 200 % | 150 | |
| Pr.36 | Upper Bound of Output Frequency | 0.10 Hz to 400.0 Hz | 400.0 | |
| Pr.37 | Lower Bound of Output Frequency | 0.00 Hz to 400.0 Hz | 0.00 | |
| Pr.38 | Multi-function Input Terminal (MO,M1) | 00: MO: FWD/STOP, Ml: REV/STOP 1:MO: RUN/STOP, Ml: REV/FWD 2:MO, Ml, M2: 3-wire operation control mode | 0 | |
| Pr.39 | Multi-function Input Terminal (M2) | 00: No Function 1:Output OFF (N.0.) (enabled when running) 2:Output OFF (N.C.) (enabled when running) 3:External Fault (normally open) N.O. 4:External Fault (normally close) N.0 5:RESET 6:Multi-Step Speed Command 1 7:Multi-Step Speed Command 2 8:Multi-Step Speed Command 3 9:Jog Operation 10:Accel/Decel Speed Inhibit 11:First or Second Accel/Decel Time 12:Base-block (B.B.) (N.0) | 5 | |
| Pr.40 | Multi function Input Terminal (M3) | 6 | ||
| Pr.41 | Multi function Input Terminal (M4) | 7 | ||
| Pr.42 | Multi-function Input Terminal (M5) | 8 | ||
| 13:Base-block (B.B.) (N.C) 14:Increase Master Frequency 15:Decrease Master Frequency 16:Run PLC Program 17:Pause PLC 18:Counter Trigger Signal 19:Counter Reset 20:No function 21:RESET command (NC) 22:Control source: External Terminal 23:Control source: Keypad 24:Control source: Communication 25:Parameter Lock (Write disable, Read is always 0) 26:PID Disable (N.O.) 27:PID Disable (N.C.) 28:Second Source for Frequency Command 29:Forward (contact is open) / Reverse (contact is close) 30:One-Shot PLC Run 31:Index input signal 32:Counter Incremented by Drive Output Frequency | ||||
| Analog Output Signal | 00: Analog Frequency Meter (0 to Maximum Output Frequency) 1:Analog Current Meter (0 to 250% of the rated AC drive current) 2:Feedback signal (0 – 100%) 3:Output power (0 – 100%) | 0 | ||
| Analog Output Gain | 1 to 200 % | 100 | ||
| Pr.45 | Multi-Function Output Terminal 1 (Photocoupler output) | 00: AC Drive Operational 1:Maximum Output Frequency Attained 2:Zero Speed 3:Over-Torque Detection 4:Base-Block (B.B) Indication 5:Low Voltage Indication 6:AC Drive Operation Mode 7:Fault Indication 8:Desired Frequency Attained | 0 | |
| Pr.46 | Multi-function Output Terminal 2 (Relay Output) | 7 | ||
| 9:PLC Program Running 10:PLC Program Step Completed 11:PLC Program Completed 12:PLC Operation Paused 13:Top Count Value Attained 14:Preliminary Counter Value Attained 15:Warning (PID feedback loss, communication error) 16:Below the Desired Frequency 17:PID supervision 18:Over Voltage supervision 19:Over Heat supervision 20:Over Current stall supervision 21:Over Voltage stall supervision 22:Forward command 23:Reverse command 24:Zero Speed (Includes Drive Stop) | ||||
| Desired Frequency Attained | 0.00 to 400.0 Hz | 0.00 | ||
| Adjust Bias of External Input Frequency | 0.00 to 200.0% | 0.00 | ||
| Potentiometer Bias Polarity | 00: Positive Bias 01: Negative Bias | 0 | ||
| Potentiometer Frequency Gain | 0.10 to 200.0% | 100.0 | ||
| Pr.51 | Potentiometer Reverse Motion Enable | 00: Reverse Motion Disabled in negative bias 01: Reverse Motion Enabled in negative bias | 0 | |
| Motor Rated Current | 30.0% FLA to 120.0% FLA | FLA | ||
| Motor No-Load Current | 00%FLA to 99%FLA | 0.4*FLA | ||
| Torque Compensation | 00 to 10 | 0 | ||
| Slip Compensation | 0.00 to 10.00 | 0.00 | ||
| Pr.57 | AC Drive Rated Current Display (unit: 0.1A): Read Only | ##.# | ||
| Pr.58 | Electronic Thermal Overload Relay | 00: Standard Motor (self cool motor) 1:Inverter Motor (auxiliary cool fan on motor) 2:Inactive | 2 | |
| Electronic Thermal Motor Overload | 30 to 300 sec | 60 | ||
| Pr.60 | Over Torque Detection Mode | 00: Over-Torque Detection Disable 1:Enabled during constant speed operation until the allowable time for detection (Pr.62) elapses. 2:Enabled during constant speed operation and halted after detection. 3:Enabled during acceleration until the allowable time for detection (Pr.62) elapses. 4:Enabled during acceleration and halted after detection. | 0 | |
| Pr.61 | Over-Torque Detection Level | 30 to 200 °A | 150 | |
| Pr.62 | Over-Torque Detection Time | 0.0 to 10.0 seconds | 0.1 | |
| Pr.63 | Loss of ACI (4-20mA) | 00: Decelerate to 0 Hz 1:Stop immediately and display “EF” 2:Continue operation by last frequency command | 0 | |
| User Defined Function for Display | 00: Display AC drive output Frequency (Hz) 1:Display User-defined output Frequency (H*Pr.65) 2:Output Voltage (E) 3:DC Bus Voltage (u) 4:PV (i) 5:Display the value of internal counter (c) 6:Display the setting frequency (F or o=%) 7:Display the parameter setting (Pr.00) 8:Reserved 9:Output Current (A) 10:Display program operation (0.xxx), Fwd, or Rev | 6 | ||
| Coefficient K | 0.01 to 160.0 | 1.00 | ||
| Communication Frequency | 0.00 to 400.0 Hz | 0.00 | ||
| Pr.67 | Skip Frequency 1 | 0.00 to 400.0 Hz | 0.00 | |
| Pr.68 | Skip Frequency 2 | 0.00 to 400.0 Hz | 0.00 | |
| Pr.69 | Skip Frequency 3 | 0.00 to 400.0 Hz | 0.00 | |
| Pr.70 | Skip Frequency Band | 0.00 to 20.00 Hz | 0.00 | |
| Pr.71 | PWM Carrier Frequency | 115V/230V/460V series: 01 to 15 (The factory setting of VFD075M43A is 10) | 15 | |
| 575V series: 01 to 10 | 6 | |||
| Pr.72 | Auto Restart Attempts after Fault | 00 to 10 | 0 | |
| Pr.73 | Present Fault Record | 00: No fault occurred 1: Over-current (oc) 2: voltage (ov) Over 3: Overheat (oH) 4: Overload (oL) 5: Overload 1 (oL1) 6: External Fault (EF) 7: CPU failure 1 (CF1) 8: CPU failure 3 (CF3) 9: Hardware Protection Failure (HPF) 10: Over-current during acceleration (oca) 11: Over-current during deceleration (ocd) 12: Over-current during steady state operation (ocn) 13: Ground fault or fuse failure(GFF) 14: Low Voltage (not record) 15: 3 Phase Input Power Loss 16: EPROM failure (CF2) 17: External interrupt allowance(bb) 18: Overload (oL2) 19: Auto Adjustable accel/decel failure (CFA) 20: CPU self detection failure (codE) | 0 | |
| Pr.74 | Second Most Recent Fault Record | 0 | ||
| Pr.75 | Third Most Recent Fault Record | 0 | ||
| Pr.76 | Parameter Lock and Configuration | 00: All parameters can be set/read 01: All parameters are read-only 02-08: Reserved 9: Resets all parameters to 50Hz factory defaults 10: Resets all parameters to 60Hz factory defaults | 0 | |
| Pr.77 | Time for Auto Reset the Restart Times in Abnormality | 0.1 to 6000.0 sec | 60.0 | |
| Pr.78 | PLC Operation Mode | 00: Disable PLC operation 1:Execute one program cycle 2:Continuously execute program cycles 3:Execute one program cycle step by step 4:Continuously execute one program cycle step by step | 0 | |
| Pr.79 | PLC FWD/REV Motion | 00 to 9999 | 0 | |
| Pr.80 | Identity Code of the AC Motor Drive | Read only | ## | |
| Pr.81 | Time Duration of 1st Step Speed | 00 to 9999 sec | 0 | |
| Pr.82 | Time Duration of 2nd Step Speed | 00 to 9999 sec | 0 | |
| Pr.83 | Time Duration of 3rd Step Speed | 00 to 9999 sec | 0 | |
| Pr.84 | Time Duration of 4th Step Speed | 00 to 9999 sec | 0 | |
| Pr.85 | Time Duration of 5th Step Speed | 00 to 9999 sec | 0 | |
| Pr.86 | Time Duration of 6th Step Speed | 00 to 9999 sec | 0 | |
| Pr.87 | Time Duration of 7th Step Speed | 00 to 9999 sec | 0 | |
| Communication Address | 01 to 254 | 1 | ||
| Transmission Speed | 00: 4800 bps 01: 9600 bps 02:19200 bps 03: 38400 bps | 1 | ||
| Transmission Fault Treatment | 00: Warn and Continue Operating 1: Warn and RAMP to Stop 2: Warn and COAST to Stop 3: Keep Operation without Warning | 3 | ||
| Time Out Detection | 0.0: Disable 0.1 to 120.0 sec | 0.0 | ||
| Communication Protocol | 00: MODBUS ASCII mode, <7,N,2> 1: MODBUS ASCII mode, <7,E,1> 2: MODBUS ASCII mode, <7,0,1> 3: MODBUS RTU mode, <8,N,2> 4: MODBUS RTU mode, <8,E,1> 5: MODBUS RTU mode, <8,0,1> | 0 | ||
| Pr.93 | Accel 1 to Accel 2 Frequency Transition | 0.01 to 400.0 0.00: Disable | 0.00 | |
| Pr.94 | Decel 1 to Decel 2 Frequency Transition | 0.01 to 400.0 0.00: Disable | 0.00 | |
| Auto Energy Saving | 00: Disable auto energy saving 01: Enable auto energy saving | 0 | ||
| Pr.96 | Counter Countdown Complete | 00 to 9999 | 0 | |
| Pr.97 | Preset counter countdown | 00 to 9999 | 0 | |
| Pr.98 | Total Time Count from Power On (Days) | 00 to 65535 days | Read Only | |
| Pr.99 | Total Time Count from Power On (Minutes) | 00 to 1440 minutes | Read Only | |
| Pr.100 | Software Version | ## | ||
| Pr.101 | Auto Adjustable Accel/Decel | 00: Linear Accel/Decel 1:Auto Accel, Linear Decel 2:Linear Accel, Auto Decel 3:Auto Accel/Decel 4:Linear Accel/Decel Stall Prevention during Deceleration | 0 | |
| Pr.102 | Auto Voltage Regulation (AVR) | 00: AVR function enabled 1:AVR function disabled 2:AVR function disabled when stops 3:AVR function disabled when decel | 0 | |
| Pr.103 | Auto tune Motor Parameters | 00: Disable 1:Auto tune for R1 2:Auto tune for R1 + No Load testing | 0 | |
| Pr.104 | R1 value | 00 to 65535 rni2 | 0 | |
| Pr.105 | Control Mode | 00: V/F Control 01: Sensor-less Control | 0 | |
| Pr.106 | Rated Slip | 0.00 to 10.00 Hz | 3.00 | |
| Vector Voltage Filter | 5 to 9999 (per 2ms) | 10 | ||
| Vector Slip Compensation Filter | 25 to 9999 (per 2ms) | 50 | ||
| Pr.109 | Selection for Zero Speed Control | 00: No output 01: Control by DC voltage | 0 | |
| Pr.110 | Voltage of Zero Speed Control | 0.0 to 20.0 % of Max. output voltage (Pr.05) | 5.0 | |
| Pr.111 | Decel S-curve | 00 to 07 | 0 | |
| Pr.112 | External Terminal Scanning Time | 01 to 20 | 1 | |
| Pr.113 | Restart Method after Fault (oc, ov, BB) | 00: None speed search 1: Continue operation after fault speed search from speed reference 2: Continue operation after fault speed search from Minimum speed | 1 | |
| Pr.114 | Cooling Fan Control | 00: Fan Off when the drive stop after 1 Min. 1: AC Drive Runs and Fan On, AC Drive Stops and Fan Off 2: Always Run 3: Reserved | 2 | |
| Pr.115 | PID Set Point Selection | 00: Disable 1:Keypad (based on Pr.00 setting) 2:AVI (external 0-10V) 3:ACI (external 4-20mA) 4:PID set point (Pr.125) | 0 | |
| Pr.116 | PID Feedback Terminal Selection | 00: Input positive PID feedback, PV from AVI (0 to 10V) 1:Input negative PID feedback, PV from AVI (0 to 10V) 2:Input positive PID feedback, PV from ACI (4 to 20mA) 3:Input negative PID feedback, PV from ACI (4 to 20mA) | 0 | |
| Proportional Gain (P) | 0.0 to 10.0 | 1.0 | ||
| Integral Time (I) | 0.00: Disable 0.01 to 100.0 sec | 1.00 | ||
| Differential Time (D) | 0.00 to 1.00 sec | 0.00 | ||
| Pr.120 | Integration’s Upper Bound Frequency | 00 to 100 % | 100 % | |
| Pr.121 | One-Time Delay | 0.0 to 2.5 sec | 0.0 | |
| Pr.122 | PID Frequency Output Command Limit | 00 to 110 % | 100 | |
| Pr.123 | Feedback Signal Detection Time | 0.0: Disable 0.1 to 3600 sec | 60.0 | |
| Pr.124 | Feedback Signal Fault Treatment | 00: Warning and RAMP to stop 01: Warning and keep operating | 00 | |
| Source of PID Set Point | 0.00 to 400.0 Hz | 0.00 | ||
| Pr.126 | PID Offset Level | 1.0 to 50.0 % | 10.0 | |
| Pr.127 | Detection Time of PID Offset | 0.1 to 300.0 sec | 5.0 | |
| Pr.128 | Minimum Reference Value | 0.0 to 10.0 V | 0.0 | |
| Pr.129 | Maximum Reference Value | 0.0 to 10.0 V | 10.0 | |
| Pr.130 | Invert Reference Signal AVI (0-10V) | 00: Not inverted 0 01: Inverted | 0 | |
| Pr.131 | Minimum Reference Value (4-20mA) | 0.0 to 20.0mA | 4.0 | |
| Pr.132 | Maximum Reference Value (4-20mA) | 0.0 to 20.0mA | 20.0 | |
| Pr.133 | Invert Reference Signal (4-20mA) | 00: Not inverted 01: Inverted | 0 | |
| Pr.134 | Analog Input Delay Filter for Set Point | 00 to 9999 (per 2ms) | 50 | |
| Pr.135 | Analog Input Delay Filter for Feedback Signal | 00 to 9999 (per 2ms) | 5 | |
| Pr.136 | Sleep Period | 0.0 to 6550.0 sec | 0.0 | |
| Pr.137 | Sleep Frequency | 0.00 to 400.0 Hz | 0.00 | |
| Pr.138 | Wake Up Frequency | 0.00 to 400.0 Hz | 0.00 | |
| Pr.139 | Treatment for Counter Attained | 00: Continue operation 01: Stop Immediately and display E.F. | 0 | |
| Pr.140 | External Up/Down Selection | 00: Fixed Mode (keypad) 1:By Accel or Decel Time 2:Reserved | 0 | |
| Pr.141 | Save Frequency Set Point | 00: Not Save 01: Save | 1 | |
| Pr.142 | Second Source of Frequency Command | 00: Keypad Up/Down 1:AVI (0-10V) 2:ACI (4-20mA) 3:Communication 4:Keypad potentiometer | 0 | |
| Pr.143 | Software Braking Level | 115V/230V: 370-450 Vdc | 380.0 | |
| 460V: 740-900 Vdc | 760.0 | |||
| 575V: 925-1075 Vdc | 950.0 | |||
| Pr.144 | Total operation time (Day) | Read Only | ||
| Pr.145 | Total operation time (Minutes) | Read Only | ||
| Pr.146 | Line start Lockout | 00: Disable 01: Enable | 0 | |
| Pr.147 | Decimal Number of Accel / Decel Time | 00: One decimal 01: Two decimals | 0 | |
| Pr.148 | Number of Motor Poles | 02 to 20 | 4 | |
| Pr.149 | Gear Ratio for Simple Index Function | 4 to 1000 | 200 | |
| Pr.150 | Index Angle for Simple Index Function | 00.0 to 6480.0 | 180.0 | |
| Deceleration Time for Simple Index Function | 0.00 to 100.00 sec | 0.00 | ||
| Pr.152 | Skip Frequency Width | 0.00 to 400.0Hz | 0.00 | |
| Pr.153 | Bias Frequency Width | 0.00 to 400.0Hz | 0.00 | |
| Pr.154 | Reserved | |||
| Compensation Coefficient for Motor Instability | 0.0: Disable 0.1 to 5.0 (recommended setting d2.0) | 0.0 | ||
| Communication Response Delay Time | 0 to 200 (x500us) | 0 | ||
| Communication Mode Selection | 0: Delta ASCII 1: Modbus | 1 | ||
4.2 Parameter Settings for Applications
Speed Search
| Applications | Purpose | Functions | Related Parameters |
| Windmill, winding machine, fan and all inertia loads | Restart forerunning motor | Before the free-running motor is completely stopped, it can be restarted without detection of motor speed. The AC motor drive will auto search motor speed and will accelerate when its speed is the same as the motor speed. | Pr.32~Pr.35 |
DC Braking before Running
| Applications | Purpose | Functions | Related Parameters |
| When e.g. windmills, fans and pumps rotate freely by wind or flow without applying power | Keep the forerunning motor at standstill. | If the running direction of the forerunning motor is not steady, please execute DC braking before start-up. | Pr.28 Pr.29 |
Energy Saving
| Applications | Purpose | Functions | Related Parameters |
| Punching machines fans, pumps and precision machinery | Energy saving and less vibrations | Energy saving when the AC motor drive runs at constant speed, yet full power acceleration and deceleration For precision machinery it also helps to lower vibrations. | Pr.95 |
Multi-step Operation
| Applications | Purpose | Functions | Related Parameters |
| Conveying machinery | Cyclic operation by multi-step speeds. | To control 7-step speeds and duration by simple contact signals. | Pr.17~Pr.23 Pr.78~Pr.79 Pr.81~Pr.87 |
Switching acceleration and deceleration time
| Applications | Purpose | Functions | Related Parameters |
| Auto turntable for conveying machinery | Switching acceleration and deceleration time by external signal | When an AC motor drive drives two or more motors, it can reach high-speed but still start and stop smoothly. | Pr.10~Pr.13 Pr.39~Pr.42 |
Overheat Warning
| Applications | Purpose | Functions | Related Parameters |
| Air conditioner | Safety measure | When AC motor drive overheats, it uses a thermal sensor to have overheat warning. | Pr.45~Pr.46 Pr.39~Pr.42 |
Two-wire/three-wire
| Applications | Purpose | Functions | Related Parameters |
| General application | To run, stop, forward and reverse by external terminals | ![]() | Pr.01 Pr.38 |
Operation Command
| Applications | Purpose | Functions | Related Parameters |
| General application | Selecting the source of control signal | Selection of AC motor drive control by external terminals or digital keypad. | Pr.01 Pr.39~Pr.42 |
Frequency Hold
| Applications | Purpose | Functions | Related Parameters |
| General application | Acceleration/ deceleration pause | Hold output frequency during Acceleration/deceleration | Pr.39~Pr.42 |
Auto Restart after Fault
| Applications | Purpose | Functions | Related Parameters |
| Air conditioners, remote pumps | For continuous and reliable operation without operator intervention | The AC motor drive can be restarted/reset automatically up to 10 times after a fault occurs. | Pr.72 Pr.113 |
Emergency Stop by DC Braking
| Applications | Purpose | Functions | Related Parameters |
| High-speed rotors | Emergency stop without brake resistor | AC motor drive can use DC braking for emergency stop when quick stop is needed without brake resistor. When used often, take motor cooling into consideration. | Pr.28 Pr.30 Pr.31 |
Over-torque Setting
| Applications | Purpose | Functions | Related Parameters |
| Pumps, fans and extruders | To protect machines and to have continuous/ reliable operation | The over-torque detection level can be set. Once OC stall, OV stall and over-torque occurs, the output frequency will be adjusted automatically. It is suitable for machines like fans and pumps that require continuous operation. | Pr.60~Pr.62 |
Upper/Lower Limit Frequency
| Applications | Purpose | Functions | Related Parameters |
| Pump and fan | Control the motor speed within upper/lower limit | When user cannot provide upper/lower limit, gain or bias from external signal, it can be set individually in AC motor drive. | Pr.36 Pr.37 |
Skip Frequency Setting
| Applications | Purpose | Functions | Related Parameters |
| Pumps and fans | To prevent machine vibrations | The AC motor drive cannot run at constant speed in the skip frequency range. Three skip frequency ranges can be set. | Pr.67~Pr.70 |
Carrier Frequency Setting
| Applications | Purpose | Functions | Related Parameters |
| General application | Low noise | The carrier frequency can be increased when required to reduce motor noise. | Pr.71 |
Keep Running when Frequency Command is Lost
| Applications | Purpose | Functions | Related Parameters |
| Air conditioners | For continuous operation | When the frequency command is lost by system malfunction, the AC motor drive can still run. Suitable for intelligent air conditioners. | Pr.63 |
Output Signal in Zero Speed
| Applications | Purpose | Functions | Related Parameters |
| General application | Provide a signal for running status | When the output frequency is lower than the min. output frequency, a signal is given for external system or control wiring. | Pr.45 Pr.46 |
Output Signal at Master Frequency
| Applications | Purpose | Functions | Related Parameters |
| General application | Provide a signal for running status | When the output frequency is at the master frequency (by frequency command), a signal is given for external system or control wiring (frequency attained). | Pr.45 Pr.46 |
Output signal for Over-torque
| Applications | Purpose | Functions | Related Parameters |
| Pumps, fans and extruders | To protect machines and to have continuous/ reliable operation | When over-torque is detected, a signal is given to prevent machines from damage. | Pr.45 Pr.46 Pr.61 Pr.62 |
Output Signal for Low Voltage
| Applications | Purpose | Functions | Related Parameters |
| General application | Provide a signal for running status | When low voltage is detected, a signal is given for external system or control wiring. | Pr.46 Pr.45 |
Output Signal at Desired Frequency
| Applications | Purpose | Functions | Related Parameters |
| General application | Provide a signal for running status | When the output frequency is at the desired frequency (by frequency command), a signal is given for external system or control wiring (frequency attained). | Pr.45∼Pr.46 Pr.47 |
Output Signal for Base Block
| Applications | Purpose | Functions | Related Parameters |
| General application | Provide a signal for running status | When executing Base Block, a signal is given for external system or control wiring. | Pr.45 Pr.46 |
Overheat Warning for Heat Sink
| Applications | Purpose | Functions | Related Parameters |
| General application | For safety | When heat sink is overheated, it will send a signal for external system or control wiring. | Pr.45 Pr.46 |
Multi-function Analog Output
| Applications | Purpose | Functions | Related Parameters |
| General application | Display running status | The value of frequency, output current/voltage can be read by connecting a frequency meter or voltage/current meter. | Pr.43 Pr.44 |
4.3 Description of Parameter Settings
This parameter can be set during operation.
Pr.00
Source of Frequency Command
Factory Setting: 00
Settings
- Master Frequency determined by digital keypad. (LC-M02E)
- Master frequency determined by 0 to +10 V input
- Master frequency determined by 4 to 20mA input
- Master frequency determined by RS-485 Communication port
- Master frequency determined by potentiometer on digital keypad.
(LC-M02E)
Pr.01
Source of Operation Command
Factory Setting: 00
Settings
- Operation instructions determined by the Digital Keypad.
- Operation instructions determined by the External Control Terminals.
Keypad STOP key is effective. - Operation instructions determined by the External Control Terminals.
Keypad STOP key is not effective. - Operation instructions determined by the RS-485 communication port.
Keypad STOP key is effective. - Operation instructions determined by the RS-485 communication port.
Keypad STOP key is not effective.
Refer to Pr.38 to Pr.42 for more details.
Pr.02 Stop Method
Factory Setting: 00
Settings
- Ramp to stop
- Coast to stop
This parameter determines how the motor is stopped when the AC drive receives a valid stop command.
- Ramp: The AC drive decelerates the motor to Minimum Output Frequency (Pr.08) and then stops according to the deceleration time set in Pr.11 or Pr.13.
- Coast: The AC drive will stop the output instantly, and the motor will coast to stop.

Note: The motor stop method is usually determined by the application or system requirements.
Pr.03
| Maximum Output Frequency | Unit: 0.1Hz |
| Settings 50.00 to 400.0 Hz | Factory Setting: 60.00 |
This parameter determines the AC drive’s Maximum Output Frequency. All the AC drive analog inputs (0 to +10V, 4 to 20mA) are scaled to correspond to the output frequency range.
Pr.04
| Maximum Voltage Frequency (Base Frequency) | Unit: 0.1Hz |
| Settings 10.00 to 400.0Hz | Factory Setting: 60.00 |
This parameter should be set according to the rated frequency as indicated in the motor nameplate. Pr.04 and Pr.03 determine the volts per hertz ratio.
For example: if the drive is rated for 460 VAC output and the Maximum Voltage Frequency is set to 60Hz, the drive will maintain a constant ratio of 7.66 v/Hz. Setting of Pr.04 must be equal to or greater than setting of Mid-Point Frequency (Pr.06).
Pr.05
Maximum Output Voltage (Vmax)
Settings
| 115V/230V series | 0.1 to 255.0V | Factory Setting: 220.0 |
| 460V series | 0.1 to 510.0V | Factory Setting: 440.0 |
| 575V series | 0.1 to 637.0V | Factory Setting: 575.0 |
This parameter determines the Maximum Output Voltage of the AC drive. The Maximum Output Voltage setting must be smaller than or equal to the rated voltage of the motor as indicated on the motor nameplate. Setting of Pr.05 must be equal to or greater than setting of Mid-Point Voltage (Pr.07).
Pr.06
| Mid-Point Frequency | Unit: 0.1Hz |
| Settings 0.10 to 400.0Hz | Factory Setting: 1.50 |
The parameter sets the Mid-Point Frequency of V/F curve. With this setting, the V/F ratio between Minimum Frequency and Mid-Point frequency can be determined. Setting of this parameter must be equal to or greater than Minimum Output Frequency (Pr.08) and equal to or less than Maximum Voltage Frequency (Pr.04).
Pr.07
Mid-Point Voltage
Settings
| 115V/230V series | 0.1 to 255.0V | Factory Setting: 10.0 |
| 460V series | 0.1 to 510.0V | Factory Setting: 20.0 |
| 575V series | 0.1 to 637.0V | Factory Setting: 26.1 |
The parameter sets the Mid-Point Voltage of any V/F curve. With this setting, the V/F ratio between Minimum Frequency and Mid-Point Frequency can be determined. Setting of this parameter must be equal to or greater than Minimum Output Voltage (Pr.09) and equal to or less than Maximum Output Voltage (Pr.05).
Pr.08
| Minimum Output Frequency | Unit: 0.1Hz |
| Settings 0.10 to 20.00Hz | Factory Setting: 1.50 |
The parameter sets the Minimum Output Frequency of the AC drive. Setting of this parameter must be equal to or less than Mid-Point Frequency (Pr.06).
Pr.09
Minimum Output Voltage
Settings
| 115V/230V series | 0.1 to 255.0V | Factory Setting: 10.0 |
| 460V series | 0.1 to 510.0V | Factory Setting: 20.0 |
| 575V series | 0.1 to 637.0V | Factory Setting: 26.1 |
This parameter sets the Minimum Output Voltage of the AC drive. Setting of this parameter must be equal to or less than Mid-Point Voltage (Pr.07). 
Commonly used V/F Setting
(1) General Purpose
Motor Spec. 60Hz
Factory Settings
| No. | Set value |
| Pr.03 | 60.0 |
| Pr.04 | 60.0 |
| Pr.05 | 220.0 |
| Pr.06 | 1.5 |
| Pr.07 | 10.0 |
| Pr.08 | 1.5 |
| Pr.09 | 10.0 |
Motor Spec. 50Hz
| No. | Set value |
| Pr.03 | 50.0 |
| Pr.04 | 50.0 |
| Pr.05 | 220.0 |
| Pr.06 | 1.3 |
| Pr.07 | 12.0 |
| Pr.08 | 1.3 |
| Pr.09 | 12.0 |
(2) Fans and Pumps
Motor Spec. 60Hz
Factory Settings
| No. | Set value |
| Pr.03 | 60.0 |
| Pr.04 | 60.0 |
| Pr.05 | 220.0 |
| Pr.06 | 30 |
| Pr.07 | 50.0 |
| Pr.08 | 1.5 |
| Pr.09 | 10.0 |
Motor Spec. 50Hz

| No. | Set value |
| Pr.03 | 50.0 |
| Pr.04 | 50.0 |
| Pr.05 | 220.0 |
| Pr.06 | 25 |
| Pr.07 | 50.0 |
| Pr.08 | 1.3 |
| Pr.09 | 10.0 |
(3) High Starting Torque
Motor Spec. 60Hz
Factory Settings
| No. | Set value |
| Pr.03 | 60.0 |
| Pr.04 | 60.0 |
| Pr.05 | 220.0 |
| Pr.06 | 3 |
| Pr.07 | 23.0 |
| Pr.08 | 1.5 |
| Pr.09 | 18.0 |
Motor Spec. 50Hz

| No. | Set value |
| Pr.03 | 50.0 |
| Pr.04 | 50.0 |
| Pr.05 | 220.0 |
| Pr.06 | 2.2 |
| Pr.07 | 23.0 |
| Pr.08 | 1.3 |
| Pr.09 | 14.0 |
| Pr.10 | Unit: 0.1 or 0.01 sec | |
| Pr.11 | Unit: 0.1 or 0.01 sec | |
| Pr.12 | Unit: 0.1 or 0.01 sec | |
| Pr.13 | Unit: 0.1 or 0.01 sec |
Settings 0.1 to 600.0 sec or 0.01 to 600.0 sec
Factory Setting: 10.0
Pr.10. This parameter is used to determine the time required for the AC drive to ramp from 0 Hz to its Maximum Output Frequency (Pr.03). The rate is linear unless the S-Curve (Pr.14) is “Enabled”.
Pr.11. This parameter is used to determine the time required for the AC drive to decelerate from the Maximum Output Frequency (Pr.03) down to 0 Hz. The rate is linear unless the SCurve (Pr.14) is “Enabled”.
Pr.12 and Pr.13: Provide an additional Accel/Decel time although Time 1 is the default. A Multi-Function input terminal must be programmed to select Accel/ or Decel/ Time 2 and the terminal must be closed to select Accel/Decel Time 2 (See Pr.38 to Pr.42).
In the below diagram, suppose the Maximum Output Frequency is 60 Hz (Master Freq), Minimum Output Frequency (start-up) is 1.0 Hz, and accel/decel time 1 is 10 seconds. The actual time for the AC drive to accelerate from start-up to 60 Hz is 9.83 seconds (deceleration time is also 9.83 seconds), can be determined by the formula.
Actual Acceleration/Deceleration Time= Acceleration/Deceleration Time x(Master Freq.-Min.Output Freq.)/ Max. Output Freq.
Pr.14 Acceleration S-Curve
Settings 00 to 07
Factory Setting: 00
This parameter is used whenever the motor load needs to be accelerated or decelerated smoothly. The desired accel/decel effect is selectable from 0 to 7, in which the larger the number, the greater the effect achieved. If the default value of Pr.111 Deceleration S Curve is unchanged (“0”), then Pr.14 sets both acceleration and deceleration S-Curves. If Pr.111 is set to any value other than “0”, then Pr.14 will set the acceleration S-Curve and Pr.111 will set the deceleration S-Curve. 
Pr.15
| Unit: 0.1 or 0.01 sec | |
| Settings 0.1 to 600.0 sec or 0.01 to 600.0 sec | Factory Setting: 1.0 sec |
This parameter sets the acceleration or deceleration time for Jog operation.
Pr.16
| Unit: 0.1 Hz | |
| Settings 0.00 to 400.0 Hz | Factory Setting: 6.00 Hz |
When the JOG function is activated, the AC drive will accelerate from Minimum Output Frequency (Pr.08) to Jog Frequency (Pr.16). Drive must be in “stop” status for the operator to activate the JOG function. Likewise, during Jog operation, other commands cannot be accepted through the keypad but FORWARD, REVERSE and STOP. The JOG function can be remotely activated when the Jog terminal is closed, and if the Jog terminal opens, the AC drive will decelerate from Jog Frequency to zero. The accel / decel time is entered as Jog Accel / Decel Time (Pr.15). Multi-function Input terminals (M1-M5) can also be used to initiate the JOG operation if so programmed. 
| Pr.17 | Unit: 0.1 Hz | |
| Pr.18 | Unit: 0.1 Hz | |
| Pr.19 | Unit: 0.1 Hz | |
| Pr.20 | Unit: 0.1 Hz | |
| Pr.21 | Unit: 0.1 Hz | |
| Pr.22 | Unit: 0.1 Hz | |
| Pr.23 | Unit: 0.1 Hz | |
| Settings 0.00 to 400.0Hz | Factory Setting: 0.00 Hz |
Multi-Function Input Terminals (refer to Pr.38 to Pr.42) are used to select Multi-Step speeds.
The desired speed frequencies are entered in Pr.17 to Pr.23. When the associated multifunction input terminal is closed, drive will run at one of these specific frequencies.
Multi-step speeds (Pr.17 to Pr.23), Pr.78, Pr.79, and Pr.81 to Pr.87; are used for multi-step motion control, which is executed in an orderly manner, similar to a PLC program.
Pr.24 Reverse Operation Inhibition
Factory Setting: 00
Settings
00 Enable REV operation
01 Disable REV operation
This parameter is used to disable motor rotation in reverse.
Pr.25 Over–Voltage Stall Prevention
Settings
| 115V/230V series | 330-450Vdc | Factory Setting: 390 |
| 460V series | 660-900Vdc | Factory Setting: 780 |
| 575V series | 825-1025Vdc | Factory Setting: 975 |
| 00 disable |
During deceleration, the DC bus voltage may exceed its maximum allowable value due to motor regeneration. When this function is enabled, the AC drive will stop decelerating, and maintain a constant output frequency to prevent from over-voltage tripping. Drive will resume deceleration when the voltage drops below the setting for Pr.25.
Note: In applications where inertia is low, over-voltage during deceleration would not occur. When inertia is high, the AC drive will automatically extend the deceleration period. If a faster stop is needed, then a dynamic brake resistor should be used.
Pr.26
| Over-Current Stall Prevention during Acceleration | Unit: 1% |
| Factory Setting: 150% |
Settings
20 to 200%
00 disable
A setting of 100% is equal to the Rated Output Current of the drive.
Under certain conditions, the AC drive output current may increase abruptly, and exceed the value specified by Pr.26. This is commonly caused by rapid acceleration or excessive load on the motor. When this function is enabled, the AC drive will stop accelerating and maintain a constant output frequency. Drive will resume accelerating only after the current drops below the setting for Pr.26.
Pr.27
| Over-Current Stall Prevention during Operation | Unit: 1% |
| Factory Setting: 150% |
Settings
20 to 200%
00: disable
During a steady-state operation with the motor load rapidly increasing, the AC drive output current may exceed the limit specified in Pr.27. When this occurs, the output frequency will decrease to maintain a constant motor speed. The drive will accelerate to the steady-state output frequency only when the output current drops below the setting for Pr.27.

Pr.28
| DC Braking Current Level | Unit: 1% |
| Settings 00 to 100% | Factory Setting: 00 |
This parameter determines the amount of DC Braking Current applied to the motor during starting and stopping. When setting the DC Braking Current, please note that 100% corresponds to the rated current of the AC drive. It is recommended to start with a low DC Braking Current level and then increase it until proper holding torque has been attained.
Pr.29
| DC Braking Time during Start-up | Unit: 0.1sec |
| Settings 0.0 to 5.0 sec | Factory Setting: 0.0 |
This parameter determines the duration for the DC Braking Current applied during starting. DC Braking is applied until the Minimum Frequency is reached.
Pr.30
| DC Braking Time during Stopping | Unit: 0.1sec |
| Settings 0.0 to 25.0 sec | Factory Setting: 0.0 |
This parameter determines the duration for the DC Braking voltage to be applied during stopping. If stopping with DC Braking is desired, then Pr.02 must be set to Ramp to Stop (0.0).
Pr.31
| Start-Point for DC Braking | Unit: 0.1sec |
| Settings 0.00 to 60.00Hz | Factory Setting: 0.00 |
This parameter sets the frequency at which the DC Braking will begin during deceleration.
Notes:
- DC Braking during starting is used for loads that may move before the AC drive starts, such as hoists and cranes. These loads may also be moving in the wrong direction. Under such circumstances, the DC Braking can be used to hold the load in position before applying a forward motion.
- DC Braking during stopping is used to stop faster than the ramp-to-stop or to hold a stopped load in position. A dynamic brake resistor may be needed in order to stop loads of high inertia.
Pr.32
Momentary Power Loss Operation Selection
Factory Setting: 00
Settings 00
Operation stops after momentary power loss
- Operation continues after momentary power loss Speed search starts with the Master Frequency reference value
- Operation continues after momentary power loss Speed search starts with the min frequency
Pr.33
| Maximum Allowable Power Loss Time | Unit: 0.1sec |
| Settings 0.3 to 5.0 sec | Factory Setting: 2.0 sec |
After a power loss, the AC drive will resume operation only if the power loss duration is shorter than the time defined by Pr.33. If the Maximum Allowable Power Loss Time is exceeded, the AC drive output is then turned off.
Pr.34
| Base-Block Time for Speed Search | Unit: 0.1sec |
| Settings 0.3 to 5.0 sec | Factory Setting: 0.5 sec |
When a momentary power loss is detected, the AC drive will stop its output and will wait during a specified time interval called Base Block (entered in Pr.34) before resuming operation.
Setting of this parameter should make the residual output voltage due to regeneration almost zero, before the drive resumes operation.
This parameter also determines the search time when performing external Base-Block and Fault Reset (Pr.72).
Pr.35
| Maximum Current Level for Speed Search | Unit: 1% |
| Settings 30 to 200% | Factory Setting: 150 |
Following a power failure, the AC drive will start its speed search operation only if the output current is greater than the value determined by Pr.35. When the output current is less than that of Pr.35, the AC drive output frequency is at a “speed synchronization point” and will accelerate or decelerate back to the operating frequency at which it was running prior to the power failure.
Pr.36
| Upper Bound of Output Frequency | Unit: 0.1Hz |
| Settings 0.10 Hz to 400.0 Hz | Factory Setting: 400 |
The Upper/Lower Bounds help prevent operation error and machine damage.
If the Upper Bound of Output Frequency is 50Hz and the Maximum Output Frequency is 60Hz, the Maximum Output Frequency will be limited to 50Hz.
Setting of this parameter must be equal to or greater than the Lower Bound of Output Frequency (Pr.37).
Pr.37
| Lower Bound of Output Frequency | Unit: 0.1Hz |
| Settings 0.00 Hz to 400.0 Hz | Factory Setting: 0 Hz |
Setting of this parameter must be equal to or less than the Upper Bound of Output Frequency
If the Lower Bound of Output Frequency is 10Hz, and the Minimum Output Frequency (Pr.08) is set at 1.0Hz, then any command frequency between 1-10Hz will generate a 10Hz output from the drive.
Pr.38
Multi-function Input Terminal (M0, M1)
Factory Setting: 00
Settings
00 M0: FWD/STOP, M1: REV/STOP
01 M0: RUN/STOP, M1: REV/FWD
02 M0, M1, M2: 3-wire operation control mode
Explanations:
00: Two wire operation: Only Pr.38 can be set to “0”.
01: Two wire operation: Only Pr.38 can be set to “1”.
Note: Multi-function Input Terminal M0 does not have its own parameter designation. M0 must be used in conjunction with M1 to operate two and three wire control.
02 Three Wire Control: Only Pr.38 can be set to “2”.
Note: When the “2” setting is selected for Pr.38, the value in Pr.39 will be ignored.
| Pr.39 | Multi-function Input Terminal (M2) | Factory Setting: 05 |
| Pr.40 | Multi-function Input Terminal (M3) | Factory Setting: 06 |
| Pr.41 | Multi-function Input Terminal (M4) | Factory Setting: 07 |
| Pr.42 | Multi-function Input Terminal (M5) | Factory Setting: 08 |
Settings 00 to 32
| Settings | Function | Description |
| 0 | No Function | |
| 01 | Output OFF (N.O.) (enabled when running) | When it is set to 01 or 02, AC drive output will stop immediately. If there is start signal after stopping, the output will start from the minimum frequency. |
| 02 | Output OFF (N.C.) (enabled when running) | |
| 03 | External Fault (N.O.) | Parameter values 3 and 4 program Multi-Function Input Terminals: M1 (Pr.38), M2 (Pr.39), M3 (Pr.40), M4 (Pr.41) or M5 (Pr.42) to be External Fault (E.F.) inputs. Note: When an External Fault input signal is received, the AC drive output will turn off, drive will display “E.F.” onDigital Keypad, and the motor will coast. Normal operation can resume after the External Fault is cleared and the AC drive is reset. |
| 04 | External Fault (N.C.) | |
| 05 | External Reset | Parameter value 5 programs Multi-Function Input Terminals: M1 (Pr.38), M2 (Pr.39), M3 (Pr.40), M4 (Pr.41) or M5 (Pr.42) to be an External Reset. Note: The External Reset has the same function as the Reset key on the Digital keypad. It will reset the drive after a fault. |
| 06 | Multi-Step Speed Command 1 | Parameter values 06, 07,and 08 program any three of the following Multi-Function Input Terminals: M1 (Pr.38), M2 (Pr.39), M3 (Pr.40), M4 (Pr.41) or M5 (Pr.42) for Multi-step Speed Command function. Note: These three inputs select up to seven multi-step speeds defined by Pr.17 to Pr.23 as shown in the following diagram. Pr.78 to Pr.87 can also control output speed by programming the AC drive’s internal PLC function.![]() |
| 07 | Multi-Step Speed Command 2 | |
| 08 | Multi-Step Speed Command 3 | |
| 09 | Jog Operation | Parameter value 09 programs Multi-Function Input Terminal: M1 (Pr.38), M2 (Pr.39), M3 (Pr.40), M4 (Pr.41) or M5 (Pr.42) for Jog control. Note: Jog operation programmed by 9 can only be initiated while the motor is stop. (Refer to Pr.15, Pr.16.) |
| 10 | Accel/Decel Speed Inhibit | Parameter value 10 programs Multi-Function Input Terminal: M1 (Pr.38), M2 (Pr.39), M3 (Pr.40), M4 (Pr.41) or M5 (Pr.42) for Accel/Decel Inhibit. After receiving this command, the AC Drive stops accelerating or decelerating and maintains a constant speed.![]() |
| 11 | First or Second Accel/Decel Time Selection | Parameter value 11 programs a Multi-Function Input Terminal: M1 (Pr.38), M2 (Pr.39), M3 (Pr.40), M4 (Pr.41) or M5 (Pr.42) for selecting the First or Second Accel/Decel time. (Refer to Pr.10 to Pr.13.)![]() |
| 12 | External Base Block (N.O.) (Normally Open Contact Input) | Parameter values 12, 13 program Multi-Function Input Terminals: M1 (Pr.38), M2 (Pr.39), M3 (Pr.40), M4 (Pr.41) or M5 (Pr.42) for external Base Block control. Value 12 is for normally open (N.O.) input, and value 13 is for a N.C. input. Note: When a Base-Block signal is received, the AC drive will stop all output and the motor will coast. When base block control is deactivated, the AC drive will start its speed search function and synchronize with the motor speed, and then accelerate to the Master Frequency.![]() |
| 13 | External Base Block (N.C.) (Normally Close Contact Input) | |
| 14 | Increase Master Frequency | Parameter values 14, 15 program the Multi-Function Input Terminals: M1 (Pr.38), M2 (Pr.39), M3 (Pr.40), M4 (Pr.41) or M5 (Pr.42) to incrementally increase/ decrease the Master Frequency each time an input is received.![]() |
| 15 | Decrease Master Frequency | |
| 16 | Run PLC Program | Parameter value 16 programs Multi-Function Input Terminal: M1 (Pr.38), M2 (Pr.39), M3 (Pr.40), M4 (Pr.41) or M5 (Pr.42) to enable the AC drive internal PLC program. Parameter value 17 programs an input terminal to pause the PLC program. Note: Pr.17 to Pr.23, Pr.78, Pr. 79, Pr.81 to Pr.87 define the PLC program. Another related function is “30 One-Shot PLC Run”. It can be set to use a not-latched contact as the run signal. |
| 17 | Pause PLC Program | |
| 18 | Counter Trigger Signal | Parameter value 18 programs Multi-Function Input Terminal: M1 (Pr.38), M2 (Pr.39), M3 (Pr.40), M4 (Pr.41) or M5 (Pr.42) to increase the AC drive’s internal counter. When an input is received, the counter is increased by 1. Note: The Counter Trigger input can be connected to an external Pulse Signal Generator when counting a process step or unit of material. See the diagram below.![]() |
| 19 | Counter Reset | Parameter value 19 programs Multi-Function Input Terminal: M1 (Pr.38), M2 (Pr.39), M3 (Pr.40), M4 (Pr.41) or M5 (Pr.42) to reset the counter.![]() |
| 20 | No Function | Enter value (20) to disable any Multi-Function Input Terminal: M1 (Pr.38), M2 (Pr.39), M3 (Pr.40), M4 (Pr.41) or M5 (Pr.42) Note: Purpose of this function is to isolate unused Multi-Function Input Terminals. Any unused terminals should be programmed to 20 to insure they have no effect on drive operation. |
| 21 | RESET Command (N.C) | |
| 22 | Control source: External Terminal | Enter values 22, 23, or 24 to set the control source to be the external terminals, keypad or communication respectively. This setting is used to create functions for manual/auto, and remote/near-end control. When these three functions are used at the same time, the priority is 22-I/O > 23-Keypad > 24-Communication. |
| 23 | Control source: Keypad | |
| 24 | Control source: Communication | |
| 25 | Parameter Lock (Write disable, Read is always 0) | This function will disable the write function and all the content of read are 0. The application is for customer having a key to control the operator to modify parameters or modify the parameter by improper use. |
| 26 | PID Disable (N.O.) | This function pause the PID control. It is commonly used for manual operation or function testing, and to recover the PID function when the system is normal. |
| 27 | PID Disable (N.C.) | |
| 28 | Second Source for Frequency Command | This function is used with Pr. 142 to select a different frequency source for control. |
| 29 | Forward (contact is open) / Reverse (contact is close) | This function has top priority to set the direction for running (If “Pr. 24 inhibit REV function” is not set). No mater what the present direction of run is, the contact N.O. is forward and the contact N.C. is reverse, once this function is set. The requirement for setting direction is Pr. 24 > setting 29 of Pr. 39-Pr. 42 > Pr. 38. |
| 30 | One-Shot PLC Run | |
| 31 | Index Input Signal | This function is used with parameters 149 to 151. The position where AC drive stops will be regarded as the zero position and it will move to the angle that Pr. 150 sets. |
| 32 | Virtual Timer Input | This function is for counting at the speed of the output frequency. |
Note: The settings 00~32 in Pr. 39 to Pr.42 can be used to set multi-function terminals (M2-M5) but the settings cannot be used repeatedly at the same time (besides settings 20).
Pr.43
Analog Output Signal
Factory Setting: 00
Settings
00 Analog Frequency Meter (0 to Maximum Output Frequency)
01 Analog Current Meter (0 to 250% of the rated AC drive current)
02 Feedback Signal (0 – 100%)
03 Output Power (0 – 100%)
This parameter selects if the Output Frequency, Current, PID feedback or Output Power will be the output signal on the AFM terminal (0 to 10V).
Pr.44
| Unit: 1% | |
| Settings 1 to 200% | Factory Setting: 100 |
This parameter sets the voltage range of the analog output signal on output terminal AFM.
The analog output voltage is directly proportional to the output frequency of the AC drive. A setting of 100% on Pr.44 makes the Maximum Output Frequency (Pr.03) of the AC drive to correspond to the +10VDC analog voltage output. (The actual voltage is about +10VDC, and can be adjusted by Pr.44)
The analog output voltage is also directly proportional to the output current of the AC drive. A setting of 100% on Pr.44 makes the 2.5 times rated current of the AC drive to correspond to the +10 VDC analog voltage output. (The actual voltage is about +10 VDC, and can be adjusted by Pr.44)
Note: Any type of voltmeter can be used. If the meter reads full scale at a voltage less than 10 volts, then Pr.44 should be set by the following formula:
Pr.44 = ((meter full scale voltage)/10)×100%
For Example: When using a meter with a full scale of 5 volts, adjust Pr.44 to 50%
| Pr.45 | Multi-function Output Terminal 1 (Photocoupler output) | Factory Setting: 00 |
| Pr.46 | Multi-function Output Terminal 2 (Relay output) | Factory Setting: 07 |
Settings 00 to 24
| Settings | Function | Description |
| 00 | AC Drive Operational | Terminal output is activated when there is power output from drive. |
| 01 | Maximum Output Frequency Attained | Terminal output is activated when the AC drive attains Maximum Output Frequency. |
| 02 | Zero speed | Terminal output is activated when Command Frequency is lower than the Minimum Output Frequency. |
| 03 | Over-Torque detection | Terminal output is activated when over-torque is detected. Parameter Pr.61 determines the Over-Torque detection level. |
| 04 | Base-Block (B.B.) Indication | Terminal output is activated when the AC drive output is shut-off by the external Base-Block. |
| 05 | Low-Voltage Indication | Terminal output is activated when low voltage is detected. |
| 06 | AC Drive Operation Mode | Terminal output is activated when the operation of AC Drive is controlled by External Control Terminals. |
| 07 | Fault Indication | Terminal output is activated when certain faults occur (oc, ov, oH, oL, oL1, EF, cF3, HPF, oc, ocd, ocn, GF). |
| 08 | Desired Frequency attained | Terminal output is activated when the desired frequency (Pr.47) is attained. |
| 09 | PLC Program Running | Terminal output is activated when the PLC program is running. |
| 10 | PLC Program Step Completed | Terminal output is activated for 0.5 sec. when each multi-step speed is attained. |
| 11 | PLC Program Completed | Terminal output is activated for 0.5 sec. when the PLC program cycle has completed. |
| 12 | PLC Operation Paused | Terminal output is activated when PLC operation is paused. |
| 13 | Top Count Value Attained | Terminal output is activated when counter reaches the Top Count Value. See diagram for Pr.38 to Pr.42=18. |
| 14 | Preliminary Counter Value Attained | Terminal output is activated when counter reaches the Preliminary Count Value. See diagram for Pr.38 to Pr.42=18. |
| 15 | Warning (PID feedback loss, communication error) | The contact will be “close” when PID feedback loss or communication is error. |
| 16 | Below the Desired Frequency | The contact will be “close” when output frequency is less than desired frequency. |
| 17 | PID supervision | The contact will be “close” when PID offset exceeds the setting of P126 and P127. |
| 18 | Over Voltage supervision | The contact will be “close” before over voltage. It will be activated at 370Vdc in 230V series and at 740Vdc in 460 series. |
| 19 | Over Heat supervision | The contact will be “close” before 90°C. |
| 20 | Over Current stall supervision | The contact will be “close” before exceeding the setting of P26/P27. |
| 21 | Over Voltage stall supervision | The contact will be “close” before exceeding the setting of P25. |
| 22 | Forward command | The contact will be “close” with forward command. |
| 23 | Reverse command | The contact will be “close” with reverse command. |
| 24 | Zero Speed (Includes Drive Stop) | The contact will be “close” when the setting frequency is less than min. frequency or drive stop. |

This parameter allows monitoring a certain frequency and then activates one of the Multifunction output terminals (Pr.45 or Pr.46 set to 8) when that frequency is achieved. 
Pr.48
| Unit: 0.1Hz | |
| Settings 0.00 to 200.0% | Factory Setting: 0.00 Hz |
This parameter provides a frequency offset when the source of frequency command is the analog input.
Pr.49
Potentiometer Bias Polarity
Factory Setting: 00
Settings
00 Positive Bias
01 Negative
This parameter sets the potentiometer Bias Frequency to be positive or negative.
Pr.50
Potentiometer Frequency Gain
Unit: 1%
Settings 0.10 to 200.0%
Factory Setting: 100.0
This parameter sets the ratio of analog input vs frequency output.
Pr.51 Potentiometer Reverse Motion Enable
Factory Setting: 00
Settings
00 Reverse Motion Disabled in negative bias
01 Reverse Motion Enabled in negative bias
Pr.48 to Pr.51 are used when the source of frequency command is the analog signal (0 to +10V DC or 4 to 20mA DC). Refer to the following examples.
Example 1:
Set Pr.00=1 to command frequency with the potentiometer on keypad or Pr.00=2 (4 to 20mA current signal) potentiometer/current signal of external terminal.
Example 2:
A Bias Adjustment (16.7% of 60Hz) determines the Output Frequency to be 10 Hz with the potentiometer set at 0V as shown. Notice that the entire V/F is transposed accordingly. An analog input voltage 0-8.33V (or current 4-13.33mA) would set frequency as 0-60Hz.Once the Maximum Output Frequency is reached any further increase on the potentiometer will not increase output frequency (If you want to use the range of 60Hz, please refer to the example 3).
Example 3:
The whole scale of the potentiometer may be used as desired. In addition to the signals 0 to 10V and 4 to 20mA, other popular voltage signals include 0 to 5V, 20 to 4mA or that under 10V.
Example 4:
This example shows how to use Gain to set a potentiometer range of 0 to 5 Volts for 0-60 Hz. As an option, you also could set Pr. 03 =120Hz. 
Example 5:
In this example, a 6 Hz (10% of 60 Hz) negative bias is used. This setting is used to provide a noise margin (1V in this example) in noisy environments.
Note that the top frequency is reduced to 54 Hz.
Example 6:
This example also uses negative bias and includes a potentiometer frequency gain to allow the AC drive to reach the Maximum Output Frequency.
Example 7:
In this example, the potentiometer is programmed to run a motor in forward or reverse direction. The motor will idle when the potentiometer is set at the scale mid-point. Please note that this adjustment will disable the external FWD and REV controls. 
Example 8:
This example shows how to set up the “anti-slope”, which is an inversely proportional variation of frequency to the input analog signal, required for some applications in process control. A sensor will generate a large signal (such as 20mA or 10V) and the AC Drive will slow or stop.
Pr.52
| Unit: 0.1A | |
| Settings 30.0% FLA to 120.0% FLA | Factory Setting: FLA |
Factory setting is the AC drive rated current. When setting this parameter, just input the motor rated current value without any calculation.
Use the following criteria to determine the setting of this parameter: no-load current < rated current of motor < rated current of AC drive. You can use this parameter to limit the output current to the motor as to prevent overheat.
Pr.53
| Unit: 0.1A | |
| Settings 00%FLA to 99%FLA | Factory Setting: 0.4*FLA |
The rated current of the AC drive means 100%. Setting of this parameter affects the slip compensation. The setting value must be smaller than the motor rated current setting in Pr.52. (this parameter displays the value of actual current.)
Pr.54
| Settings 0.00 to 10.00 | Factory Setting: 0.00 |
This parameter can be used to compensate motor slip. Although no linear, it typically adds 6Hz for a setting of 10 if Pr.03=60 Hz. When the output current of the AC drive is greater than the motor no-load current (Pr.53), the AC drive will adjust its output frequency according to this parameter.
Pr.57
| Rated Current Display of the AC motor drive | |
| Settings Read Only | Factory Setting: ##.# |
Pr.57 displays the rated current of the AC motor drive. By reading this parameter the user can check if the AC motor drive is correct. See Pr.80 for details.
Pr.58 Electronic Thermal Overload Relay Selection
Factory Setting: 02
Settings
00 Standard Motor (self cool motor)
01 Inverter Motor (auxiliary cool fan on motor)
02 Inactive
This function is used to limit the output power of the AC drive when powering a “self-cooled motor” at low speed.
Pr.59
| Electronic Thermal Motor Overload | Unit: 1 second |
| Settings 30 to 300sec | Factory Setting: 60 |
The parameter determines the time required to activate the I²t electronic thermal motor overload protection. The graph below shows I²t curves at 150% output power for 1 minute.
Pr.60
Over-Torque Detection Mode
Factory Setting: 00
Settings
00 Over-Torque detection disabled.
01 Enabled during constant speed operation until the allowable time for detection (Pr.62) elapses.
02 Enabled during constant speed operation and halted after detection.
03 Enabled during acceleration until the allowable time for detection (Pr.62) elapses.
04 Enabled during acceleration and halted after detection.
Pr.61
| Over-Torque Detection Level | Unit: 1% |
| Settings 30 to 200% | Factory Setting: 150 |
A setting of 100% is proportional to the Rated Output Current of the drive.
This parameter sets the Over-Torque Detection level in 1% increments. (The AC drive rated current is equal to 100%.)
Pr.62
| Over-Torque Detection Time | Unit: 0.1 sec |
| Settings 0.0 to 10.0sec | Factory Setting: 0.1sec |
This is the duration for over-torque detection. When the output current is larger than the over-torque detection level (Pr.61), an over-torque condition exists and the detection time (Pr.62) is timed-out. Any of the multi-function output terminals set to indicate over-torque, will then close. (Please refer to Pr. 45 and Pr.46)
Pr.63 Loss of ACI (4-20mA)
Factory Setting: 00
Settings
00 Decelerate to 0 Hz
01 Stop immediately and display “EF”
02 Continue operation by last frequency command
Pr.64 User Defined Function for Display
Factory Setting: 06
Settings
00 Displays AC drive output frequency (Hz)
01 Display User-defined output Frequency (H*Pr.65)
02 Output Voltage (E)
03 DC Bus Voltage (u)
04 PV
05 Displays the value of the internal counter (c)
06 Displays the setting Frequency (F)
07 Displays the parameter setting (P)
08 Reserved
09 Output Current (A)
10 Display program operation (0. xxx), Fwd, or Rev
Pr.65
| ~Coefficient K | Unit: 0.01 |
| Settings 0.01 to 160.0 | Factory Setting: 1.00 |
The coefficient K determines the multiplying factor for the user-defined unit.
The display value is calculated as follows: Display value = output frequency x K
The display window is only capable of showing four digits, yet you could use Pr.65 to create larger numbers. The display windows uses decimal points to signify numbers up to three digits as illustrated in next page:
| Display | Number Represented |
| 9999 | The absence of a decimal point indicates a four-digit integer. |
| 999.9 | A signal decimal point between the middle and the right-most numbers is a true decimal point. For example, the number 123.4 would be displayed as “123.4”. |
| 9999. | A single decimal point after the right-most number is not a true decimal point; instead it indicates that a zero follows the right-most number. For example, the number 12340 would be displayed as “1234.” |
| 999.9. | Two decimal points (one between the middle and the right-most numbers, and one after the right-most number) are not true decimal points; instead they indicate that two zeros follow the right-most number. For example, the number 345600 would be displayed as “345.6.”. |
Pr.66
| Communication Frequency | Unit: 0.1 Hz |
| Settings 0.00 to 400.0 Hz | Factory Setting: 0.00 |
This parameter defines the Master Frequency when the AC drive is controlled by the communication interface.
| Pr.67 | Skip Frequency 1 | Unit: 0.1 Hz |
| Pr.68 | Skip Frequency 2 | Unit: 0.1 Hz |
| Pr.69 | Skip Frequency 3 | Unit: 0.1 Hz |
| Settings 0.00 to 400.0 Hz | Factory Setting: 0.00 |
These three parameters determine the three Skip Frequencies that in conjunction with Pr.70, Skip Frequency Band, will cause the AC drive to skip operating in each frequency band.
Note: Pr.67 > Pr.68 > Pr.69.
Pr.70
| Skip Frequency Band | Unit: 0.1 Hz |
| Settings 0.00 to 20.00 Hz | Factory Setting: 0.00 |
This parameter determines the frequency band for a given Skip Frequency. Half of the Skip Frequency Band is above the Skip Frequency and the other half is below. Programming this parameter to 0.1 disables all skip frequencies.
Pr.71 PWM Carrier Frequency
Settings 115V
| 230V series 01 to 15 (1KHz to 15KHz) | Factory Setting: 15 |
| 460V series | VFD075M43A is 10 |
575V series 01 to 10 (1KHz to 10KHz)
Factory Setting: 6
Note: 1-9kHz in Sensorless vector control mode
The parameter defines the carrier frequency of the PWM (Pulse-Width Modulated) output.
| Carrier Frequency | Acoustic Noise | Electromagnetic Noise, Leakage Current | Heat Dissipation |
| 1KHz | Significant | Minimal | Minimal |
From the above table, we see that the carrier frequency of PWM output has a significant influence on the electromagnetic noise, heat dissipation of the AC drive, and the acoustic noise to the motor.
Pr.72 Auto Restart Attempts After Fault
| Settings 00 to 10 | Factory Setting: 00 |
When this parameter is enabled (set different to zero), the AC Drive will restart/reset automatically up to 10 times after the occurrence of certain type of faults (over-current OC, over-voltage OV). If enabled, the AC drive will restart on “speed search”, which begins at Master Frequency. Setting this parameter to 0 will disable this operation. To set the fault recovery time after a fault, please see base-block time for speed search (Pr.34).
Pr.73 Present Fault Record
Pr.74 Second Most Recent Fault Record
Pr.75 Third Most Recent Fault Record
Settings
| 00 (no fault occurred ) 01 Over-current (oc) 02 Over-voltage (ov) 03 Overheat (oH) 04 Overload (oL) 05 Overload 1 (oL1) 06 External Fault (EF) 07 CPU failure 1 (CF1) 08 CPU failure 3 (CF3) 09 Hardware Protection Failure (HPF) 10 Over-current during acceleration (OCA) | 11 Over-current during deceleration (OCd) 12 Over-current during steady state operation (OCn)” 13 Ground fault or fuse failure (GFF) 14 Low voltage (not record) 15 3 Phase Input Power Loss 16 CPU Failure (CF2) 17 External Base-Block (bb) 18 Overload 2 (oL2) 19 Auto Adjustable accel/decel failure (cFA) 20 Software protection code (codE) |
Pr.76 Parameter Lock and Configuration
Factory Setting: 00
Settings
00 All parameters can be set/read
01 All parameters are read-only
02-08 Reserved
09 Resets all parameters to 50Hz factory defaults
10 Resets all parameters to 60Hz factory defaults
This parameter allows the user to reset the drive to factory settings.
Pr.77
| Time for Auto Reset the Restart Times after Fault | Unit: 0.1 second |
| Settings 0.1 to 6000.0 sec | Factory Setting: 60.0 |
If there is no fault in the period of this setting, it will reset the rest restart times that used after fault to the setting of restart times.
Pr.78 PLC Operation Mode
Factory Setting: 00
Settings
00 Disable PLC operation
01 Execute one program cycle
02 Continuously execute program cycles
03 Execute one program cycle step by step (separated by “STOP”)
04 Continuously execute program cycles step by step (separated by “STOP”)
This M drive can be programmed to execute a sequence of operations named “PLC mode”.
The PLC program can be used in lieu of any external controls, relays or switches. The AC drive will change speeds and directions according to the user’s desired programming. This parameter selects the PLC operation mode for the drive. Please review the following examples:
Example 1 (Pr.78 =01): Execute one cycle of the PLC program. Its relative parameter settings are:
- Pr.17 to Pr.23: 1st to 7th step speed (sets the frequency for each step speed)
- Pr.38 to Pr.42: Multi-Function Input Terminals (program one multi-function terminal for PLC auto-operation (16)).
- Pr.45 to Pr.46: Multi-Function Output Terminals : program a Multi-Function Output Terminal for PLC operation indication (09), one cycle in PLC auto mode (10) or PLC operation fulfillment attainment (11).
- Pr.78: PLC mode.
- Pr.79: Direction of operation for Master Frequency and 1st to 7th step speeds.
- Pr.81 to Pr.87: operation time setting of Master Frequency and 1st to 7th step speeds.
Example 1 (Pr.78 = 01) Execute one cycle through the PLC program:
Note: The above diagram shows one complete PLC cycle. To restart the cycle, turn the PLC Program input off and then back on.
Example 2 (Pr.78 = 02) Continuously executes program cycles:
The diagram below shows the PLC program stepping through each speed and then automatically starting again. To stop the PLC program, either pause or stop the program. (Refer to Pr.38 to Pr.42 value 17 and 18)
Example 3 (Pr.78 = 03) Execute one cycle step by step:
This example shows how the PLC function can perform one cycle at a time, within a complete cycle.
Each step will use the accel/decel times in Pr.10 to Pr.13. It should be noted that the time interval for each step may be shorter than expected due to the time required for acceleration and deceleration.
Example 4 (Pr.78 = 04) Continuously executes program cycles step by step:
In this explanation, the PLC program runs continuously step by step. Also shown are examples of steps in the reserve direction.
Example 5 (Pr.78 = 01) Execute one cycle through the PLC program:
In this example, the PLC program runs continuously. It should be noted that the time interval for each step may be shorter than expected due to the time required for acceleration and deceleration.
Application Note:
PLC program execution will be interrupted when values for JOG parameters 15 and 16 are changed.
Pr.79 PLC Forward/Reverse Motion
| Settings 00 to 9999 | Factory Setting: 00 |
This parameter determines the direction of motion for the multi-speed Pr.17 to Pr.23 and Master Frequency. The original direction of Master Frequency will become invalid.
Note: A 7-bit binary number is used to program the forward/reverse motion for each of the 8 speed steps (including Master Frequency). The binary notation for the 7-bit number must be translated into decimal notation and then entered in Pr.79.
Example:
The setting value=bit7 × 2⁶+bit6 × 2⁵+bit5 × 2⁴+bit4 × 2³+bit3 × 2²+bit2 × 2¹+bit1 × 2⁰
= 0 × 2⁶+1 × 2⁵+0 x 2⁴+0 × 2³+0 x 2²+1 × 2¹+0 × 2⁰
= 0+32+0+0+0+2+0+0
= 34
This parameter displays the identity code of the AC motor drive. The capacity, rated current, rated voltage and the max. carrier frequency relate to the identity code. Users can use the following table to check how the rated current, rated voltage and max. carrier frequency of the AC motor drive correspond to the identity code.
| 115V series | 230V series | ||||||||
| kW | 0.2 | 0.4 | 0.75 | 0.4 | 0.75 | 1.5 | 2.2 | 3.7 | 5.5 |
| HP | 0.25 | 0.5 | 1.0 | 0.5 | 1 | 2 | 3 | 5 | 7.5 |
| Model Number (Pr.80) | 20 | 22 | 24 | 0 | 2 | 4 | 6 | 8 | 10 |
| Rated Output Current (A) | 1.6 | 2.5 | 4.2 | 2.5 | 5.0 | 7.0 | 10 | 17 | 25 |
| Max. Carrier Frequency (kHz) | 15kHz | ||||||||
| 460V series | 575V series | |||||||||||
| kW | 0.75 | 1.5 | 2.2 | 3.7 | 5.5 | 7.5 | 0.75 | 1.5 | 2.2 | 3.7 | 5.5 | 7.5 |
| HP | 1 | 2 | 3 | 5 | 8. | 10 | 1 | 2 | 3 | 5 | 8. | 10 |
| Model Number (Pr.80) | 3 | 5 | 7 | 9 | 11 | 13 | 50 | 51 | 52 | 53 | 54 | 55 |
| Rated Output Current (A) | 3.0 | 4.0 | 5.0 | 8. | 13 | 18 | 1.7 | 3.0 | 4.2 | 6.6 | 9.9 | 12.2 |
| Max. Carrier Frequency (kHz) | 15kHz | 10kHz | ||||||||||
| Pr.81 | Time Duration of 1st Step Speed (correspond to Pr.17) | Unit: 1 sec |
| Pr.82 | Time Duration of 2nd Step Speed (correspond to Pr.18) | Unit: 1 sec |
| Pr.83 | Time Duration of 3rd Step Speed (correspond to Pr.19) | Unit: 1 sec |
| Pr.84 | Time Duration of 4th Step Speed (correspond to Pr.20) | Unit: 1 sec |
| Pr.85 | Time Duration of 5th Step Speed (correspond to Pr.21) | Unit: 1 sec |
| Pr.86 | Time Duration of 6th Step Speed (correspond to Pr.22) | Unit: 1 sec |
| Pr.87 | Time Duration of 7th Step Speed (correspond to Pr.23) | Unit: 1 sec |
| Settings 00 to 9999 second | Factory Setting: 00 |
Pr.81 to Pr.87 input the duration of each Multi-step speed operation defined by Pr.17 to Pr.23.
Note: If any duration is set to “0” (sec), the corresponding step operation will be skipped. This is commonly used to reduce the number of program steps.
Pr.88
Communication Address
This parameter sets the Ac drive address identification when using the RS-485 serial port for communication.
Pr.89
Transmission Speed (Baud rate)
Factory Setting: 01
Settings
00 4800bps
01 9600bps
02 19200bps
03 38400bps
This parameter sets the transmission speed for communication on the RS-485 serial port
Pr.90
Transmission Fault Treatment
Factory Setting: 03
Settings
00 Warn and Continue Operating
01 Warn and RAMP to Stop
02 Warn and COAST to Stop
03 Keep Operation without Warning
Pr.91
Time Out Detection
Factory Setting: 0.0
Settings
0.1 to 120.0 sec
0.0 disable
This parameter is used for ASCII mode. When the over-time detection is enabled, the separation between characters cannot exceed 500 ms.
Pr.92
Communication Protocol
Factory Setting: 00
Settings
00 Modbus ASCII mode, <7,N,2>
01 Modbus ASCII mode, <7,E,1>
02 Modbus ASCII mode, <7,O,1>
03 Modbus RTU mode, <8,N,2>
04 Modbus RTU mode, <8,E,1>
05 Modbus RTU mode, <8,O,1>
1. Computer Control
- Each drive has a built-in RS-485 serial interface, marked (RJ-11 Jack) on the control terminal block, whose pins are defined as shown:

- Either ASCII or RTU Modbus protocols are used for communication. Users can select the desired mode along through parameters Pr.92 and Pr.113.
- Each VFD-M AC drive has a pre-assigned communication address specified by Pr.88. The master controller communicates with each AC drive according to its particular address.
- Code Meaning:
ASCII mode:
Each 8-bit data is the combination of two ASCII characters. For example, a 1-byte data: 64 Hex, shown as ‘64’ in ASCII, consists of ‘6’ (36Hex) and ‘4’ (34Hex).
| Character | ‘0’ | ‘1’ | ‘2’ | ‘3’ | ‘4’ | ‘5’ | ‘6’ | ‘7’ |
| ASCII code | 30H | 31H | 32H | 33H | 34H | 35H | 36H | 37H |
| Character | ‘8’ | ‘9’ | ‘A’ | ‘B’ | ‘C’ | ‘D’ | ‘E’ | ‘F’ |
| ASCII code | 38H | 39H | 41H | 42H | 43H | 44H | 45H | 46H |
RTU mode:
Each 8-bit data is the combination of two 4-bit hexadecimal characters. For example, 64 Hex.
2. Data Format
2.1 10-bit character frame (For 7-bit character):

2.2 11-bit character frame (For 8-bit character): 
3. Communication Protocol
3.1 Communication Data Frame:
| STX | ADR1 | ADR0 | CMD1 | CMD0 | 0 | 1 | …… | N-1 | N | ETX | CHK1 | CHK1 |
| 02H | Address | CMD | Data characters | 03H | Check | |||||||
3.2 ASCII mode:
| STX | Start character: (3AH) |
| ADR 1 | Communication address: 8-bit address consists of 2 ASCII codes |
| ADR 0 | |
| CMD 1 | |
| CMD 0 | |
| DATA (n-1) | Contents of data: n x 8-bit data consist of 2n ASCII codes. n≤25 maximum of 50 ASCII codes |
| …….. | |
| DATA 0 | |
| LRC CHK 1 | LRC check sum: 8-bit check sum consists of 2 ASCII codes |
| LRC CHK 0 | |
| END 1 | END characters: END 1 = CR (0DH), END 0 = LF (OAH) |
| END 0 |
RTU mode:
| START | A silent interval of more than 10 ms |
| ADR | Communication address: 8-bit address |
| CMD | Command code: 8-bit command |
| DATA (n-1) | Contents of data: nx8-bit data, n<=25 |
| …….. | |
| DATA 0 | |
| CRC CHK Low | CRC check sum: 16-bit check sum consists of 2 8-bit characters |
| CRC CHK High | |
| END | A silent interval of more than 10 ms |
3.3 ADR (Communication Address)
Valid communication addresses are in the range of 0 to 254. An address equals to 0 means a broadcast to all AC drives (AMD) in the network. In this case, the AMD will not reply to the master device.
For example, communication to AMD with address 16 decimal:
ASCII mode: (ADR 1, ADR 0)=’1’,’0’ => ‘1’=31H, ‘0’=30H
RTU mode: (ADR)=10H
3.4 Function (Function code) and DATA (data characters)
The format of data characters depends on the function code. The available function codes are described as follows:
03H: read data from register
06H: write single data to register
10H: write multiple data to registers
Command code: 03H, read N words. The maximum value of N is 12. For example, reading continuous 2 words from starting address 2102H of AMD with address 01H.
ASCII mode:
Command message:
| STX | ‘:’ |
| ADR 1 ADR 0 | ‘0’ |
| ‘1’ | |
| CMD 1 CMD 0 | ‘0’ |
| ‘3’ | |
|
Starting data address | ‘2’ |
| ‘1’ | |
| ‘0’ | |
| ‘2’ | |
| Number of data (count by word) | ‘0’ |
| ‘0’ | |
| ‘0’ | |
| ‘2’ | |
| LRC CHK 1 LRC CHK 0 | ‘D’ |
| ‘7’ | |
| END 1 END 0 | CR |
| LF |
Response message:
| STX | ‘:’ |
| ADR 1 ADR 0 | ‘0’ |
| ‘1’ | |
| CMD 1 CMD 0 | ‘0’ |
| ‘3’ | |
| Number of data (count by byte) | ‘0’ |
| ‘4’ | |
| Content of starting data address 2102H | ‘1’ |
| ‘7’ | |
| ‘7’ | |
| ‘0’ | |
| Content of data address 2103H | ‘0’ |
| ‘0’ | |
| ‘0’ | |
| ‘0’ | |
| LRC CHK 1 LRC CHK 0 | ‘7’ |
| ‘1’ | |
| END 1 END 0 | CR |
| LF |
RTU mode:
Command message:
| ADR | 01H |
| CMD | 03H |
| Starting data address | 21H |
| 02H | |
| Number of data (count by word) | 00H |
| 02H | |
| CRC CHK Low CRC CHK High | 6FH |
| F7H |
Response message:
For example, writing 6000(1770H) to address 0100H of AMD with address 01H.
ASCII mode:
Command message:
| STX | ‘:’ |
| ADR 1 ADR 0 | ‘0’ |
| ‘1’ | |
| CMD 1 CMD 0 | ‘0’ |
| ‘6’ | |
| Data address | ‘0’ |
| ‘1’ | |
| ‘0’ | |
| ‘0’ | |
| Data content | ‘1’ |
| ‘7’ | |
| ‘7’ | |
| ‘0’ | |
| LRC CHK 1 LRC CHK 0 | ‘7’ |
| ‘1’ | |
| END 1 END 0 | CR |
| LF |
Response message:
| STX | ‘:’ |
| ADR 1 ADR 0 | ‘0’ |
| ‘1’ | |
| CMD 1 CMD 0 | ‘0’ |
| ‘6’ | |
| Data address | ‘0’ |
| ‘1’ | |
| ‘0’ | |
| ‘0’ | |
| Data content | ‘1’ |
| ‘7’ | |
| ‘7’ | |
| ‘0’ | |
| LRC CHK 1 LRC CHK 0 | ‘7’ |
| ‘1’ | |
| END 1 END 0 | CR |
| LF |
RTU mode:
Command message:
| ADR | 01H |
| CMD | 06H |
| Data address | 01H |
| 00H | |
| Data content | 17H |
| 70H | |
| CRC CHK Low CRC CHK High | 86H |
| 22H |
Response message:
| ADR | 01H |
| CMD | 06H |
| Data address | 01H |
| 00H | |
| Data content | 17H |
| 70H | |
| CRC CHK Low CRC CHK High | 86H |
| 22H |
Command code: 10H, write multiple data to registers
For example, set the multi-step speed, Pr.17=50.00 (1388H), Pr.18=40.00 (0FA0H). AC drive address is 01H.
ASCII Mode:
Command message:
| STX | ‘:’ |
| ADR 1 ADR 0 | ‘0’ |
| ‘1’ | |
| CMD 1 CMD 0 | ‘1’ |
| ‘0’ | |
| Starting data address | ‘0’ |
| ‘0’ | |
| ‘1’ | |
| ‘1’ | |
| Number of data (count by word) | ‘0’ |
| ‘0’ | |
| ‘0’ | |
| ‘2’ | |
| Number of data (count by byte) | ‘0’ |
| ‘4’ | |
| The first data content | ‘1’ |
| ‘3’ | |
| ‘8’ | |
| ‘8’ | |
| The second data content | ‘0’ |
| ‘F’ | |
| ‘A’ | |
| ‘0’ | |
| LRC Check | ‘8’ |
| ‘E’ | |
| END | CR |
| LF |
Response message:
| STX | ‘:’ |
| ADR 1 ADR 0 | ‘0’ |
| ‘1’ | |
| CMD 1 CMD 0 | ‘1’ |
| ‘0’ | |
| Starting data address | ‘0’ |
| ‘0’ | |
| ‘1’ | |
| ‘1’ | |
| Number of data (count by word) | ‘0’ |
| ‘0’ | |
| ‘0’ | |
| ‘2’ | |
| LRC Check | ‘D’ |
| ‘C’ | |
| END | CR |
| LF |
RTU Mode:
Command message:
| ADR | 01H |
| CMD | 10H |
| Starting data address | 00H |
| 11H | |
| Number of data (count by word) | 00H |
| 02H | |
| Number of data (count by byte) | 04H |
| The first data content | 13H |
| 88H | |
| The second data content | 0FH |
| A0H | |
| CRC Check Low CRC Check High | B2H |
| 49H |
Response message:
| ADR | 01H |
| CMD | 10H |
| Starting data address | 00H |
| 11H | |
| Number of data (count by word) | 00H |
| 02H | |
| CRC Check Low CRC Check High | 11H |
| CDH |
3.5 CHK (check sum)
ASCII mode:
LRC (Longitudinal Redundancy Check) is calculated by summing up, module 256, the values of the bytes from ADR1 to last data character then calculating the hexadecimal representation of the 2’s-complement negation of the sum.
For example, reading 1 word from address 0401H of the AC drive with address 01H.
| STX | ‘:’ |
| ADR 1 ADR 0 | ‘0’ |
| ‘1’ | |
| CMD 1 CMD 0 | ‘0’ |
| ‘3’ | |
| Starting data address | ‘0’ |
| ‘4’ | |
| ‘0’ | |
| ‘1’ | |
| Number of data | ‘0’ |
| ‘0’ | |
| ‘0’ | |
| ‘1’ | |
| LRC CHK 1 LRC CHK 0 | ‘F’ |
| ‘6’ | |
| END 1 END 0 | CR |
| LF |
01H+03H+04H+01H+00H+01H=0AH, the 2’s-complement negation of 0AH is F6H.
RTU mode:
| ADR | 01H |
| CMD | 03H |
| Starting address | 21H |
| 02H | |
| Number of data (count by word) | 00H |
| 02H | |
| CRC CHK Low | 6FH |
| CRC CHK High | F7H |
CRC (Cyclical Redundancy Check) is calculated by the following steps:
Step 1: Load a 16-bit register (called CRC register) with FFFFH.
Step 2: Exclusive OR the first 8-bit byte of the command message with the low order byte of the 16bit CRC register, putting the result in the CRC register.
Step 3: Shift the CRC register one bit to the right with MSB zero filling. Extract and examine the LSB.
Step 4: If the LSB of CRC register is 0, repeat step 3, else Exclusive or the CRC register with the polynomial value A001H.
Step 5: Repeat step 3 and 4 until eight shifts have been performed. When this is done, a complete 8-bit byte will have been processed.
Step 6: Repeat steps 2 to 5 for the next 8-bit byte of the command message.
Continue doing this until all bytes have been processed. The final contents of the CRC register is the CRC value. When transmitting the CRC value in the message, the upper and lower bytes of the CRC value must be swapped, i.e. the lower order byte will be transmitted first.
The following is an example of CRC generation using C language. The function takes two arguments:
Unsigned char* data ← a pointer to the message buffer
Unsigned char length ← the quantity of bytes in the message buffer
The function returns the CRC value as a type of unsigned integer.
Unsigned int crc_chk(unsigned char* data, unsigned char length){int j; unsigned int reg_crc=0xFFFF;
while(length–){
reg_crc ^= *data++;
for(j=0;j<8;j++){
if(reg_crc & 0x01){ /* LSB(b0)=1 */
reg_crc=(reg_crc>>1) ^ 0xA001;
}else{
reg_crc=reg_crc >>1;
}
}
}
return reg_crc;
}
3.6 Address list:
The contents of available addresses are shown as below:
| Content | Address | Functions | |
| AC drive Parameters | 00nnH | 00 means parameter group, nn means parameter number, for example, the address of Pr.100 is 0064H. Referencing to chapter 5 for the function of each parameter. When reading parameter by command code 03H, only one parameter can be read at one time. | |
| Command Read/Write | 2000H | Bit 0-1 | 00: No function 01: Stop 10:Run 11:Jog + Run |
| Bit 2-3 | Reserved | ||
| Bit 4-5 | 00: No function 01: FWD 10:REV 11:Change direction | ||
| Bit 6-15 | Reserved | ||
| 2001H | Freq. command | ||
| 2002H | Bit 0 | 1: EF (external fault) on | |
| Bit 1 | 1: Reset | ||
| Bit 2-15 | Reserved | ||
| Status monitor Read only | 2100H | Error code: 00: No errors occurred 01: Over-current (oc) 3:Overheat (oH) 4:Drive overload (oL) 5:Motor overload1 (oL1) 6:External fault (EF) 7:CPU failure (cF1) 8:CPU or analog circuit failure (cF3) 9:Hardware protection failure (HPF) 10:Current exceeds 2 times rated current during accel (ocA) 11:Current exceeds 2 times rated current during decel (ocd) 12:Current exceeds 2 times rated current during steady state operation (ocn) 13:Ground Fault (GF) 14:Low voltage (Lv) 15:Reserved 16:CPU failure 1 (cF2) 17:Base block 18:Overload (oL2) 19:Auto accel/decel failure (cFA) 20:Software protection enable (codE) | |
| 2101H | Status of AC Drive | ||
| Bit 0-1 | 00: RUN LED light off, STOP LED light up | ||
| 01: RUN LED blink, STOP LED light up | |||
| 10:RUN LED light up, STOP LED blink | |||
| 11:RUN LED light up, STOP LED light off | |||
| Bit 2 | 01: Jog active | ||
| Bit 3-4 | 00: REV LED light off, FWD LED light up | ||
| 01: REV LED blink, FWD LED light up | |||
| 10:REV LED light up, FWD LED blink | |||
| 11:REV LED light up, FWD LED light off | |||
| Bit 5-7 | Reserved | ||
| Bit 8 | 1: Main freq. Controlled by communication | ||
| Bit 9 | 1: Main freq. Controlled by external terminal | ||
| Bit 10 | 1: Operation command controlled by communication | ||
| Bit 11 | 1: Parameters have been locked | ||
| Bit 12 | 0: Stop 1: Run | ||
| Bit 13 | 1: Jog command | ||
| Bit 14-15 | Reserved | ||
| 2102H | Frequency command F (XXX.XX) | ||
| 2103H | Output Frequency H (XXX.XX) | ||
| 2104H | Output Current A (XXX.X) | ||
| 2105H | DC-BUS Voltage U (XXX.X) | ||
| 2106H | Output Voltage E (XXX.X) | ||
| 2107H | Step number of Multi-Step Speed Operation (step) | ||
| 2108H | Time of PLC Operation (sec) | ||
| 2109H | Value of External Trigger (count) | ||
| 210AH | The Correspondent Value of Power Factor (XXX.X) | ||
| 210BH | Pr.65 X Low word of H (XXX.XX) | ||
| 210CH | Pr.65 X High word of H (XXX.XX) | ||
| 210DH | AC Drive Temperature (XXX.X) | ||
| 210EH | PID Feedback Signal (XXX.XX) | ||
| 210FH | PID Target Value (XXX.XX) | ||
| 2110H | AC Drive Mode Type Information | ||
3.7 Communication program of PC:
The following is a simple example of how to write a communication program for Modbus ASCII mode on a PC by C language.
#include<stdio.h>
#include<dos.h>
#include<conio.h>
#include<process.h>
#define PORT 0x03F8 /* the address of COM1 */
/* the address offset value relative to COM1 */
#define THR 0x0000
#define RDR 0x0000
#define BRDL 0x0000
#define IER 0x0001
#define BRDH 0x0001
#define LCR 0x0003
#define MCR 0x0004
#define LSR 0x0005
#define MSR 0x0006
unsigned char rdat[60];
/* read 2 data from address 2102H of AC drive with address 1 */ unsigned char tdat[60]={‘:’,’0′,’1′,’0′,’3′,’2′,’1′,’0′,’2′, ‘0’,’0′,’0′,’2′,’D’,’7′,’\r’,’\n’};
void main(){
int i;
outportb(PORT+MCR,0x08); /* interrupt enable */
outportb(PORT+IER,0x01); /* interrupt as data in */
outportb(PORT+LCR,(inportb(PORT+LCR) | 0x80));
/* the BRDL/BRDH can be access as LCR.b7==1 */
outportb(PORT+BRDL,12); /* set baudrate=9600, 12=115200/9600*/
outportb(PORT+BRDH,0x00);
outportb(PORT+LCR,0x06); /* set protocol, <7,N,2>=06H
<7,E,1>=1AH, <7,O,1>=0AH
<8,N,2>=07H, <8,E,1>=1BH
<8,O,1>=0BH */
for(i=0;i<=16;i++){
while(!(inportb(PORT+LSR) & 0x20)); /* wait until THR empty */
outportb(PORT+THR,tdat[i]); /* send data to THR */
}
i=0;
while(!kbhit()){
if(inportb(PORT+LSR) & 0x01){ /* b0==1, read data ready */
rdat[i++]=inportb(PORT+RDR); /* read data form RDR */
} } }
| Pr.93 | Accel 1 to Accel 2 Frequency Transition | Unit: 0.10 Hz |
| Pr.94 | Decel 1 to Decel 2 Frequency Transition | Unit: 0.10 Hz |
Factory Setting: 0.00
Settings 0.01 to 400.0 Hz
0.00 disable
These functions are used to change acceleration or deceleration depending on attained frequency and not by closing contacts on the external terminals. The priority of this parameter is higher than the time of Accel/Decel 1 and Accel/Decel 2.
Pr.95
Auto energy-saving
Factory Setting: 00
Settings 00 Disable auto energy-saving operation
01 Enable auto energy-saving operation
When this function is enabled, the AC drive operates at full voltage during speed changes. At the constant speed periods, drive calculates the optimal output voltage value for the load and may get it reduced up to 30% below the Maximum Output Voltage.

Pr.96 Count Down Completion
Settings 00 to 9999
Factory Setting: 00
This parameter defines the top count value for the VFD-M internal counter. Please also see Pr.45 and Pr.46 (setting 13). Counting is incremented when the Multi-Function Input Terminal M1 or M2, makes a low-to-high transition. Upon completion of the count, either Multi-Function Output Terminal (MO1) or the Multi-Function Relay Contact (RA, RB) will close.
Pr.97 Preset Count Down Completion
Settings 00 to 9999
Factory Setting: 00
This parameter sets a preliminary count value for the internal counter. Counter is incremented by a low-to-high transition on one of the programmed Multi-Function Input Terminals: M1 or M2 (see Pr.44 or Pr.45, setting 14). Count starts at 01. Upon completion the selected Multi Function Output Terminal will close. Preliminary Count could be used to initiate an external event before the “terminal count” is reached. (See Pr.38, 39, 40, 41, 42, 45, and 46 for further details.)
Pr.98 Total Time Count from Power On (Days)
| Settings 00 to 65535 days | Read Only |
Pr.99 Total Time Count from Power On (Minutes)
| Settings 00 to 1440 minutes | Read Only |
Pr.100
Software Version
Read Only
This parameter shows the software version for the AC motor drive.
Pr.101 Auto Acceleration/Deceleration
Factory Setting: 00
Settings 00 Linear acceleration/deceleration
01 Auto acceleration, linear deceleration
02 Linear acceleration, auto deceleration
03 Auto acceleration/deceleration
04 Linear Accel/Decel Stall Prevention during Deceleration
(Please refer to Accel/Decel time setting at parameter Pr.10-Pr.13)
When this parameter is set to 03, the AC drive will accel/decel in the fastest and smoothest possible way by automatically adjusting the accel /decel time.
This parameter provides five modes to choose:
00 Linear acceleration and deceleration (operation by Pr.10, Pr.11, or Pr.12, Pr.13 acceleration/deceleration time)
01 Automatic acceleration, linear deceleration (Operation by automatic acceleration,
Pr.11 or Pr.13 deceleration time).
02 Linear acceleration and automatic deceleration (Operation by automatic deceleration time, Pr.10 or Pr.12 acceleration time).
03 Automatic acceleration, deceleration (Operation by AC drive auto adjustable control)
04 If this parameter is set to 04, Accel/Decel time will be equal to or more than parameter Pr.10 ~Pr.13.
This parameter should not be used when a brake unit is installed.
Pr.102 Auto Voltage Regulation (AVR)
Factory Setting: 00
Settings
00 AVR function enabled
01 AVR function disabled
02 AVR function disabled when stop
03 AVR function disabled for deceleration
AVR function automatically regulates the AC drive output voltage to the Maximum Output Voltage (Pr.03). For instance, if Pr.03 is set at 200 VAC and the input voltage varies from 200V to 264VAC, then the Maximum Output Voltage will automatically be regulated to 200VAC.
When the AVR function is disabled, the Maximum Output Voltage follows the variations of the input voltage (180V to 264VAC).
Selecting program value 2 enables the AVR function and also disables the AVR function during deceleration. This offers a quicker deceleration.
Pr.103 Auto Tune Motor parameters
Factory Setting: 00
Settings
00 Disable
01 Auto tune for R1
02 Auto tune for R1 + No Load testing
For Auto Tune, set Pr.103 to 01 or 02 and press the RUN key. When it is set to 02, motor should have no load.
Pr.104 R1 Value
Settings
00 to 65535mΩ
Factory Setting: 00
As an option to Auto Tune, this parameter inputs the motor resistance.
Pr.105 Control Mode
Factory Setting: 00
Settings
00 V/F Control
01 Sensor-less Control
Pr.106 Rated Slip
Unit: 0.01Hz
Settings
0.00 to 10.00 Hz
Factory Setting: 3.0
Example of Slip calculation: The rated speed of 4 poles/3Ø/ 60Hz/ 220V on the nameplate is 1710RPM. The rated slip is then: 60-(1710/(120/P))=3Hz. (being P the number of poles)
Pr.107
Vector Voltage Filter
Unit: 2ms
Settings 5 to 9999
Factory Setting: 10
Pr.108
Vector Slip Compensation Filter
Unit: 2ms
Settings 25 to 9999
Factory Setting: 50
This parameter sets the low-pass filter in vector control.
Example: Pr. 107 = 10 X 2ms =20ms, Pr. 108 = 50 X 2 ms =100ms.
Pr.109
Selection for Zero Speed Control
Factory Setting: 00
Settings
00 No output
01 Control by DC voltage
This parameter is used to select the control method at zero speed. If set to 01, the voltage in
Pr.110 is used for holding torque.
Pr.110
Voltage of Zero Speed Control
Unit: 0.1%
Settings 0.0 to 20.0 % of Max. output voltage (Pr.05)
Factory Setting: 5.0
This parameter should be used in conjunction with Pr.109.
Example: if Pr.05 = 100 and this parameter is set to 20.0, the level of output voltage is 100X20.0% = 20.
Pr.111 Deceleration S Curve
Settings
00 to 07
Factory Setting: 00
When this parameter is set differently to zero, it selects a deceleration S-curve and overrides
Pr.14. Otherwise, Pr.14 sets the deceleration S-curve.
Note: From the diagram shown below, the original setting accel/decel time will be for reference when the function of the S-curve is enabled. The actual accel/decel time will be determined based on the S-curve selected (1 to 7).
Pr.112
| External Terminal Scanning Time | Unit: 2msec |
| Settings 01 to 20 | Factory Setting: 01 |
This function screens the signal on I/O terminals for CPU malfunctions due to external transients. A setting of 02, makes the scanning time to be 2 x 2 = 4 msec.
Set Pr.77 to 02 before changing settings in Pr.112.
Pr.113 Restart Method after Fault (oc, ov, BB)
Factory Setting: 01
Settings
00 None speed search
01 Continue operation after fault speed search from speed reference
02 Continue operation after fault speed search from Minimum speed
This parameter is used to select the restart method after certain faults.
Pr. 114 Cooling Fan Control
Factory Setting: 02
Settings
00 Fan Off when the drive stop after 1 Min
01 AC Drive Runs and Fan On, AC Drive Stops and Fan Off
02 Always Run
03 Reserved
Pr. 115
PID Set Point Selection
Factory Setting: 00
Settings
00 Disable
01 Keypad (based on Pr.00 setting)
02 AVI (external 0-10V)
03 ACI (external 4-20mA)
04 PID set point (Pr.125)

Pr. 116
PID Feedback Terminal Selection
Factory Setting: 00
Settings
00 Input positive PID feedback, PV from AVI (0 to 10V)
01 Input negative PID feedback, PV from AVI (0 to 10V)
02 Input positive PID feedback, PV from ACI (4 to 20mA)
03 Input negative PID feedback, PV from ACI (4 to 20mA)
Select an input terminal to be the PID feedback. Please verify the PID feedback position is different from the Frequency Set Point position.
Negative feedback = positive targeted value – detective value. Positive feedback = negative targeted value + detective value.
Pr. 117
Proportional Gain (P)
| Settings 0.0 to 10.0 | Factory Setting: 1.0 |
This parameter determines the feedback loop Gain. If the gain is large, the response will be strong and immediate (If the gain is too large, vibration may occur). If the gain is small, the response will be weak and slow.
When I=0.0 and D=0.0, it is only used for proportional control.
Pr. 118
| Unit: 0.01sec |
Factory Setting: 1.00
Settings
0.01 to 100.00 sec
0.00 disable
This parameter determines the speed of response for the PID feedback loop. If the integral time is long, the response will be slow. If the integral time is short, the response will be quick. Be careful not to set (I) too small, since a rapid response may cause oscillation in the PID loop.
Pr. 119
| Unit: 0.01sec | |
| Settings 0.00 to 1.00 sec | Factory Setting: 0.00 |
This parameter determines the damping effect for the PID feedback loop. If the differential time is long, any oscillation will quickly subside. If the differential time is short, the oscillation will subside slowly.
Pr. 120 Integration’s Upper Bound Frequency
| Settings 00 to 100 % | Factory Setting: 100 % |
This parameter determines the integration’s upper frequency limit while operating in the PID feedback loop. (Limit = Pr.03×Pr.120). During a fast Integration response, it is possible for the frequency to surpass a reasonable point. This parameter will help limit this frequency spike.
Pr. 121
| One-Time Delay | Unit: 0.1sec |
Factory Setting: 0.0
Settings 0.0 to 2.5 sec
0.0 disable
PI Control: When controlled by P action only, deviations cannot be eliminated entirely. To eliminate residual deviations, the P + I control is generally utilized. If PI is used, it could eliminate the deviation caused by set-point changes and external interferences. However, if the I-action is excessively powerful, it will delay the response to the variation. The P-action could solely be used on a loading system that possesses integral components.
PD Control: when a deviation occurs, the system immediately generates some operational load that is greater than the single load generated by the D-action in order to restrain the increment of the deviation. If the deviation is small, the effectiveness of the P-action decreases as well. In some cases, control systems include integral component loads, which are controlled by the P action only, and sometimes, if the integral component is functioning, the whole system will be vibrating. In such cases, a PD control could be used to lower the Paction’s vibration and to stabilize the system. In other words, this control is good for use if the loads have no braking functions over the process.
PID Control: Uses the I-action to eliminate the deviation and the D-action to restrain the vibration, and combine with the P action to construct the PID control. The PID control method normally determines a control process with no deviations, high accuracy and very stable.
Pr. 122 PID Frequency Output Command limit
| Settings 00 to 110 % | Factory Setting: 100 |
This parameter sets a limit of the PID Command frequency. If this parameter is set to 20%, then the maximum output frequency for the PID operation will be (20% x Pr.03).
Pr. 123
| Feedback Signal Detection Time | Unit: 0.1sec |
Factory Setting: 60.0
Settings 0.1 to 3600 sec
0.0 disable
This parameter defines the detection time for the loss of a feedback analog signal. The drive will follow the operating procedure programmed in Pr.124 if the feedback signal is lost for more than the time set in Pr.123.
Pr. 124 Feedback Signal Fault Treatment
Factory Setting: 00
Settings
00 Warning and RAMP to stop
01 Warning and keep operating
This parameter selects the operation of the drive upon a loss of the PID feedback signal.
Pr. 125
Source of PID Set point
| Settings 0.00 to 400.0Hz | Factory Setting: 0.00 |
This parameter is used in conjunction with Pr.115 (04) to input a set point in Hz.
Pr. 126 PID Offset Level
| Settings 1.0 to 50.0 % | Factory Setting: 10.0 |
This parameter is used to set the offset between set point and feedback.
Pr. 127 Detection Time of PID Offset
| Settings 0.1 to 300.0 sec | Factory Setting: 5.0 |
This parameter is used to set the detection time of PID offset.
Pr. 128
| Maximum Reference Value | |
| Settings 0.0 to 10.0 V | Factory Setting: 10.0 |
This parameter is used to set the AVI input voltage that corresponds to maximum frequency.
Pr. 130 Invert Reference Signal AVI (0-10V)
Factory Setting: 00
Settings
00 Not Inverted
01 Inverted
If this parameter is set to 01, the reference signal is inverted: 0V corresponds to 60Hz in Pr.128 and 10V corresponds to 0Hz in Pr.129.
Pr. 131
| Minimum Reference Value (0-20mA) | Unit: 0.1mA |
| Settings 0.0 to 20.0mA | Factory Setting: 4.0 |
This parameter is used to set the ACI input frequency that corresponds to minimum frequency.
Pr. 132
| Maximum Reference Value (0-20mA) | Unit: 0.1mA |
| Settings 0.0 to 20.0mA | Factory Setting: 20.0 |
This parameter is used to set the ACI input frequency that corresponds to maximum frequency.
Pr. 133
Inverts Reference Signal (0-20mA)
Factory Setting: 00
Settings
00 Not Inverted
01 Inverted
If this parameter is set to 01, 4mA corresponds to 0Hz in Pr.132, and 0mA corresponds to 60Hz in Pr.131.
The main purpose for Pr.128-Pr.133 is to allow changes in the output frequency when setting the analog frequency or PID feedback control per the feedback sensor. For example, if the feedback sensor inputs 4mA-20mA but the output frequency from drive that user needs is 5mA-18mA, then user could set Pr.131 to 5mA and Pr.132 to 18mA.
Pr. 134
| Analog Input Delay Filter for Set Point | Unit: 2ms |
| Settings 00 to 9999 | Factory Setting: 50 |
Pr. 135
| Analog Input Delay Filter for Feedback Signal | Unit: 2ms |
| Settings 00 to 9999 | Factory Setting: 5 |
These two parameters are used to set the analog input delay filter in set point or feedback signal.
| Pr. 136 | Sleep Period | Unit: 0.1sec |
| Settings 0.0 to 6550.0 sec | Factory Setting: 0.0 | |
| Pr. 137 | Sleep Frequency | Unit: 0.10Hz |
| Settings 0.00 to 400.0 Hz | Factory Setting: 0.0 | |
| Pr. 138 | Wake Up Frequency | Unit: 0.10Hz |
| Settings 0.00 to 400.0 Hz | Factory Setting: 0.0 |
These parameters determine the sleep functions of the AC drive. If the command frequency falls below the sleep frequency, for the specified time in Pr.136, then drive output is turned off until the command frequency rises above Pr.138. Please see the below diagram.

Pr. 139 Treatment for Counter Attained
Factory Setting: 00
Settings 00 Continue Operation
01 Stop Immediately and display E.F.
This parameter sets the procedure for the AC drive to follow once the internal counter attains the setting value in Pr.96.
Pr. 140 External Up/Down Selection
Factory Setting: 00
Settings
00 Fixed Mode (keypad)
01 By Accel or Decel Time
02 Reserved
This parameter is used to change the Master Frequency externally with the Multifunction Input Terminals. If any two parameters in the group Pr.39-Pr.42 are set to 14 and 15, and Pr.140 is set to 01, the up/down frequency operation is initiated as the contact closes and according to the time of acceleration/deceleration.
Pr. 141 Save Frequency Set Point
Factory Setting: 01
Settings
00 Not Save
01 Save
This parameter is used to save the frequency setting before powering off.
Pr. 142 Second Source of Frequency Command
Factory Setting: 00
Settings 00 Keypad Up/Down
01 AVI (0-10V)
02 ACI (4-20mA)
03 RS485
04 Keypad Potentiometer
This parameter changes the source for frequency command by using any Multifunction Input (Pr.39-Pr.42, setting= 28).
Pr. 143 Software Braking Level
Unit: 0.1V
Settings
| 115V/230V series | 370 to 450 Vdc | Factory setting: 380.0 |
| 460V series | 740 to 900 Vdc | Factory setting: 760.0 |
| 575V series | 925 to 1075 Vdc | Factory setting: 950.0 |
This parameter sets the level for the dynamic braking to operate. The setting value must be higher than the steady-state DC BUS Voltage to prevent the braking transistor from having a 100%-duty. At 100% duty the transistor and resistor will most likely fail.
Pr. 144 Accumulative Motor Operation Day
| Settings 00-65535 Days | Read Only |
Pr. 145 Accumulative Motor Operation Time (Min.)
| Settings 00-1440 Minutes | Read Only |
These parameters display accumulative time of motor operation. They will not reset to zero due to parameter reset to factory and will not re-calculate if the 65535 days limit is exceeded.
Pr. 146 Line Start Lockout
Factory Setting: 00
Settings 00 Disable
01 Enable
When Line Start Lockout is disabled (also known as Auto-Start), the drive will start when powered-up with run commands applied. To start in Line Start Lockout mode, the AC drive must see the run command go from stop to run after power up. When enabled, the AC drive will not start when powered up if run commands were applied.
Pr. 147 Decimal Number of Accel / Decel Time
Factory Setting: 00
Settings 00 One Decimal
01 Two Decimals
It sets the number of decimals in the accel/decel time. It can be used for Acceleration / Deceleration Time 1, Acceleration / Deceleration Time 2 and JOG Acceleration / Deceleration Time.
| Pr. 148 | Number of Motor Poles | |
| Settings 02 to 20 | Factory Setting: 04 | |
| Pr. 149 | Gear Ratio for Simple Index Function | |
| Settings 4 to 1000 | Factory Setting: 200 | |
| Pr. 150 | Index Angle for Simple Index Function | |
| Settings 00.0 to 6480.0 | Factory Setting: 180.0 | |
| Pr. 151 | ||
| Factory Setting: 0.00 |
Settings 0.00 to 100.00 sec
0.00 Disable
This parameter should be used with Pr. 39-Pr.42 (setting 31).
Example: 
Pr. 152 Skip Frequency Width
| Settings 0.00 to 400.00Hz | Factory Setting: 0.00 |
Pr. 153 Bias Frequency Width
| Settings 0.00 to 400.00Hz | Factory Setting: 0.00 |
Frequency of △ top point Fup = master frequency F + Pr.152 + Pr.153.
Frequency of △ down point Frown = master frequency F – Pr.152 – Pr.153.

Pr. 154 Reserved
Pr.155
Compensation Coefficient for Motor Instability
Factory Setting: 0.0
Settings 0.1 to 5.0 (recommended setting 2.0)
0.0 Disable
This parameter is used to improve a condition of unstable current in any specific area. For higher frequencies, you can adjust this parameter to 0.0, and increase the setting value in Pr.155 for 30HP and above (a setting of 2.0 is recommended).
Pr.156
Communication Response Delay Time
Settings 0 to 200 (x500µs)
Factory Setting: 0
This parameter is used to set communication response delay time. If you set Pr. 156 to 1 the communication response delay time will be 1 X 500µs=500µs, set Pr. 156 to 2 the communication response delay time will be 2 X 500µs=1000µs.
Pr.157
Communication Mode Selection
Factory Setting: 1
Settings 0 Delta ASCII
1 MODBUS
This parameter is to select the communication mode, 0 is the existed Delta ASCII communication mode, whereas 1 is to select MODBUS mode.
Chapter 5 Troubleshooting
5.1 Over Current (OC)

5.2 Ground Fault 
5.3 Over Voltage (OV)

5.4 Low Voltage (Lv)

5.5 Over Heat (OH1)

5.6 Overload

5.7 Keypad Display is Abnormal
5.8 Phase Loss (PHL)
5.9 Motor cannot Run

5.10 Motor Speed cannot be Changed 
5.11 Motor Stalls during Acceleration
5.12 The Motor does not Run as Expected 
5.13 Electromagnetic/Induction Noise
Many sources of noise surround AC motor drives and penetrate it by radiation or conduction. It may cause malfunctioning of the control circuits and even damage the AC motor drive. Of course, there are solutions to increase the noise tolerance of an AC motor drive. But this has its limits. Therefore, solving it from the outside as follows will be the best.
- Add surge suppressor on the relays and contacts to suppress switching surges.
- Shorten the wiring length of the control circuit or serial communication and keep them separated from the power circuit wiring.
- Comply with the wiring regulations by using shielded wires and isolation amplifiers for long length.
- The grounding terminal should comply with the local regulations and be grounded independently, i.e. not to have common ground with electric welding machines and other power equipment.
- Connect a noise filter at the mains input terminal of the AC motor drive to filter noise from the power circuit. VFD-M can have a filter as option.
In short, solutions for electromagnetic noise exist of “no product”(disconnect disturbing equipment), “no spread”(limit emission for disturbing equipment) and “no receive”(enhance immunity).
5.14 Environmental Condition
Since the AC motor drive is an electronic device, you should comply with the environmental conditions. Here are some remedial measures if necessary.
- To prevent vibration, the use of anti-vibration dampers is the last choice. Vibrations must be within the specification. Vibration causes mechanical stress and it should not occur frequently, continuously or repeatedly to prevent damage to the AC motor drive.
- Store the AC motor drive in a clean and dry location, free from corrosive fumes/dust to prevent corrosion and poor contacts. Poor insulation in a humid location can cause short-circuits. If necessary, install the AC motor drive in a dust-proof and painted enclosure and in particular situations, use a completely sealed enclosure.
- The ambient temperature should be within the specification. Too high or too low temperature will affect the lifetime and reliability. For semiconductor components, damage will occur once any specification is out of range. Therefore, it is necessary to periodically check air quality and the cooling fan and provide extra cooling of necessary. In addition, the microcomputer may not work in extremely low temperatures, making cabinet heating necessary.
- Store within a relative humidity range of 0% to 90% and non-condensing environment.
Use an air conditioner and/or exicator.
5.15 Affecting Other Machines
An AC motor drive may affect the operation of other machines due to many reasons. Some solutions are:
▮ High Harmonics at Power Side
High harmonics at power side during running can be improved by:
- Separate the power system: use a transformer for AC motor drive.
- Use a reactor at the power input terminal of the AC motor drive.
- If phase lead capacitors are used (never on the AC motor drive output!!), use serial reactors to prevent damage to the capacitors damage from high harmonics.

▮ Motor Temperature Rises
When the motor is a standard induction motor with fan, the cooling will be bad at low speeds, causing the motor to overheat. Besides, high harmonics at the output increases copper and core losses. The following measures should be used depending on load and operation range.
- Use a motor with independent ventilation (forced external cooling) or increase the motor rated power.
- Use a special inverter duty motor.
- Do NOT run at low speeds for long time.
Chapter 6 Fault Code Information and Maintenance
6.1 Fault Code Information
The AC motor drive has a comprehensive fault diagnostic system that includes several different alarms and fault messages. Once a fault is detected, the corresponding protective functions will be activated. The following faults are displayed as shown on the AC motor drive digital keypad display. The three most recent faults can be read from the digital keypad by viewing Pr.73 to Pr.75.![]()
Wait 5 seconds after a fault has been cleared before performing reset via keypad or input terminal.
6.1.1 Common Problems and Solutions
| Fault Name | Fault Descriptions | Corrective Actions |
| The AC drive detects an abnormal increase in current. | 1. Check whether the motors horsepower corresponds to the AC drive output power. 2. Check the wiring connections between the AC drive and motor for possible short circuits. 3. Increase the Acceleration time (Pr.10, Pr.12). 4. Check for possible excessive loading conditions at the motor. 5. If there are any abnormal conditions when operating the AC drive after short-circuit being removed, it should be sent back to manufacturer. |
| The AC drive detects that the DC bus voltage has exceeded its maximum allowable value. | 1. Check whether the input voltage falls within the rated AC drive input voltage. 2. Check for possible voltage transients. 3. Bus over-voltage may also be caused by motor regeneration. Either increase the decel time or add an optional brake resistor. 4. Check whether the required braking power is within the specified limits. | |
| The AC drive temperature sensor detects excessive heat. | 1. Ensure that the ambient temperature falls within the specified temperature range. 2. Make sure that the ventilation holes are not obstructed. 3. Remove any foreign objects on the heat sinks and check for possible dirty heat sink fins. 4. Provide enough spacing for adequate ventilation. | |
![]() | The AC drive detects that the DC bus voltage has fallen below its minimum value. | Check whether the input voltage falls within the rated AC drive’s input voltage. |
![]() | The AC drive detects excessive drive output current. Note: The AC drive can withstand up to 150% of the rated current for a maximum of 60 seconds. | 1. Check whether the motor is overloaded. 2. Reduce torque compensation setting as set in Pr.54. 3. Increase the AC drive’s output capacity. |
| Internal electronic overload trip | 1. Check for possible motor overload. 2. Check electronic thermal overload setting. 3. Increase motor capacity. 4. Reduce the current level so that the drive output current does not exceed the value set by the Motor Rated Current Pr.52. | |
![]() | Motor overload. Check the parameter settings (Pr.60 to Pr.62) | 1. Reduce the motor load. 2. Adjust the over-torque detection setting to an appropriate setting. |
![]() | Over-current during acceleration: 1. Short-circuit at motor output. 2. Torque boost too high. 3. Acceleration time too short. 4. AC drive output capacity is too small. | 1. Check for possible poor insulation at the output line. 2. Decrease the torque boost setting in Pr.54. 3. Increase the acceleration time. 4. Replace with the AC drive with one that has a higher output capacity (next HP size). |
![]() | Over-current during deceleration: 1. Short-circuit at motor output. 2. Deceleration time too short. 3. AC drive output capacity is too small. | 1. Check for possible poor insulation at the output line. 2. Increase the deceleration time. 3. Replace with the AC drive with one that has a higher output capacity (next HP size). |
| Over-current during steady state operation: 1. Short-circuit at motor output. 2. Sudden increase in motor loading. 3. AC drive output capacity is too small. | 1. Check for possible poor insulation at the output line. 2. Check for possible motor stall. 3. Replace with the AC drive with one that has a higher output capacity (next HP size). | |
![]() | Internal memory IC can not be programmed. | 1. Switch off power supply. 2. Check whether the input voltage falls within the rated AC drive input voltage. 3. Switch the AC drive back on. |
![]() | Internal memory IC can not be read. | 1. Check the connections between the main control board and the power board. 2. Reset drive to factory defaults. |
![]() | The external terminal EF-GND goes from OFF to ON. | When external terminal EF-GND is closed, the output will be turned off (under N.O. E.F.). |
| Auto accel/decel failure | Don’t use the function of auto acceleration/ deceleration. |
![]() | Ground fault : The AC drive output is abnormal. When the output terminal is grounded (short circuit current is 50% more than the AC drive rated current), the AC drive power module may be damaged. The short circuit protection is provided for AC drive protection, not user protection. | Ground fault : 1. Check whether the IGBT power module is damaged. 2. Check for possible poor insulation at the output line. |
![]() | Communication Error Please refer to Pr.92. | 1. Check the connection between the AC drive and computer for loose wires. 2. Check if the communication protocol is properly set. |
![]() | External Base Block. AC drive output is turned off. | 1. When the external input terminal (base- block) is active, the AC drive output will be turned off. 2. Disable this connection and the AC drive will begin to work again. |
| Fault Name | Fault Descriptions | Corrective Actions |
![]() | OC hardware error | Return to the factory. |
![]() | CC (current clamp) | |
![]() | OV hardware error | |
![]() | GFF hardware error | |
![]() | OV or LV | |
![]() | Current sensor error | |
![]() | U-phase error | Return to the factory. |
![]() | W-phase error | |
![]() | Phase Loss | Check input phase wiring for loose contacts. |
| Software protection failure | Return to the factory. | |
![]() | PID feedback signal error | 1.Check parameter settings (Pr.116) and AVI/ACI wiring. 2.Check for possible fault between system response time and the PID feedback signal detection time (Pr.123) |
![]() | Hardware Overheating | Make sure that the temperature of NTC (Negative Temperature Coefficient) is lower than 109°c after the power is turned on. |
6.1.2 Reset
There are three methods to reset the AC motor drive after solving the fault:
- Press
STOP RESET key on keypad. - Set external terminal to “RESET” (set one of Pr.39~Pr.42 to 05) and then set to be ON.
- Send “RESET” command by communication.
![]()
Make sure that RUN command or signal is OFF before executing RESET to prevent damage or personal injury due to immediate operation.
6.2 Maintenance and Inspections
Modern AC motor drives are based on solid-state electronics technology. Preventive maintenance is required to keep the AC motor drive in its optimal condition, and to ensure a long life. It is recommended to have a qualified technician perform a check-up of the AC motor drive regularly.
Daily Inspection:
Basic check-up items to detect if there were any abnormalities during operation are:
- Whether the motors are operating as expected.
- Whether the installation environment is abnormal.
- Whether the cooling system is operating as expected.
- Whether any irregular vibration or sound occurred during operation.
- Whether the motors are overheating during operation.
- Always check the input voltage of the AC drive with a Voltmeter.
Periodic Inspection:
Before the check-up, always turn off the AC input power and remove the cover. Wait at least 10 minutes after all display lamps have gone out, and then confirm that the capacitors have fully discharged. It should be less than 25VDC.
DANGER!
- Disconnect AC power before processing!
- Only qualified personnel can install, wire and maintain AC motor drives. Please take off any metal objects, such as watches and rings, before operation. And only insulated tools are allowed.
- Never reassemble internal components or wiring.
- Prevent static electricity.
Periodical Maintenance
Ambient environment
| Check Items | Methods and Criterion | Maintenance Period | ||
| Daily | Half Year | One Year | ||
| Check the ambient temperature, humidity, vibration and see if there are any dust, gas, oil or water drops | Visual inspection and measurement with equipment with standard specification | Ο | ||
| Check if there are any dangerous objects in the environment | Visual inspection | Ο | ||
Voltage
| Check Items | Methods and Criterion | Maintenance Period | ||
| Daily | Half Year | One Year | ||
| Check if the voltage of main circuit and control circuit is correct | Measure with multimeter with standard specification | Ο | ||
Keypad
| Check Items | Methods and Criterion | Maintenance Period | ||
| Daily | Half Year | One Year | ||
| Is the display clear for reading? | Visual inspection | Ο | ||
| Any missing characters? | Visual inspection | Ο | ||
Mechanical parts
| Check Items | Methods and Criterion | Maintenance Period | ||
| Daily | Half Year | One Year | ||
| If there is any abnormal sound or vibration | Visual and aural inspection | Ο | ||
| If there are any loose screws | Tighten the screws | Ο | ||
| If any part is deformed or damaged | Visual inspection | Ο | ||
| If there is any color change by overheating | Visual inspection | Ο | ||
| If there is any dust or dirt | Visual inspection | Ο | ||
Main circuit
| Check Items | Methods and Criterion | Maintenance Period | ||
| Daily | Half Year | One Year | ||
| If there are any loose or missing screws | Tighten or replace the screw | Ο | ||
| If machine or insulator is deformed, cracked, damaged or with changed color change due to overheating or ageing | Visual inspection NOTE: Please ignore the color change of copper plate | Ο | ||
| If there is any dust or dirt | Visual inspection | Ο | ||
Terminals and wiring of main circuit
| Check Items | Methods and Criterion | Maintenance Period | ||
| Daily | Half Year | One Year | ||
| If the wiring shows change of color change or deformation due to overheat | Visual inspection | Ο | ||
| If the insulation of wiring is damaged or the color has changed | Visual inspection | Ο | ||
| If there is any damage | Visual inspection | Ο | ||
DC capacity of main circuit
| Check Items | Methods and Criterion | Maintenance Period | ||
| Daily | Half Year | One Year | ||
| If there is any leakage of liquid, change of color, cracks or deformation | Visual inspection | Ο | ||
| Measure static capacity when required | Static capacity ³ initial value X 0.85 | Ο | ||
Resistor of main circuit
| Check Items | Methods and Criterion | Maintenance Period | ||
| Daily | Half Year | One Year | ||
| If there is any peculiar smell or insulator cracks due to overheating | Visual inspection, smell | Ο | ||
| If there is any disconnection | Visual inspection or measure with multimeter after removing wiring between B1 ~ B2 Resistor value should be within ± 10% | Ο | ||
Transformer and reactor of main circuit
| Check Items | Methods and Criterion | Maintenance Period | ||
| Daily | Half Year | One Year | ||
| If there is any abnormal vibration or peculiar smell | Visual, aural inspection and smell | Ο | ||
Magnetic contactor and relay of main circuit
| Check Items | Methods and Criterion | Maintenance Period | ||
| Daily | Half Year | One Year | ||
| If there are any loose screws | Visual and aural inspection. Tighten screw if necessary. | Ο | ||
| If the contact works correctly | Visual inspection | Ο | ||
Printed circuit board and connector of main circuit
| Check Items | Methods and Criterion | Maintenance Period | ||
| Daily | Half Year | One Year | ||
| If there are any loose screws and connectors | Tighten the screws and press the connectors firmly in place. | Ο | ||
| If there is any peculiar smell and color change | Visual inspection and smell | Ο | ||
| If there is any crack, damage, deformation or corrosion | Visual inspection | Ο | ||
| If there is any leaked liquid or deformation in capacitors | Visual inspection | Ο | ||
Send Quote Requests to [email protected]
Cooling fan of cooling system
| Check Items | Methods and Criterion | Maintenance Period | ||
| Daily | Half Year | One Year | ||
| If there is any abnormal sound or vibration | Visual, aural inspection and turn the fan with hand (turn off the power before operation) to see if it rotates smoothly | Ο | ||
| If there is any loose screw | Tighten the screw | Ο | ||
| If there is any change of color due to overheating | Change fan | Ο | ||
Ventilation channel of cooling system
| Check Items | Methods and Criterion | Maintenance Period | ||
| Daily | Half Year | One Year | ||
| If there is any obstruction in the heat sink, air intake or air outlet | Visual inspection | Ο | ||
Appendix A Specifications
There are 115V, 230V, 460V and 575V models in the VFD-M series. For 115V models, it is 1-phase models. For 0.5 to 3HP of the 230V models, there are 1-phase/3-phase models. Refer to following specifications for details.
| Voltage Class | 115V Class | |||
| Model Number VFD-XXXM | 002 | 004 | 007 | |
| Max. Applicable Motor Output (kW) | 0.2 | 0.4 | 0.75 | |
| Max. Applicable Motor Output (hp) | 0.25 | 0.5 | 1.0 | |
| Output Rating | Rated Output Capacity (kVA) | 0.6 | 1.0 | 1.6 |
| Rated Output Current (A) | 1.6 | 2.5 | 4.2 | |
| Maximum Output Voltage (V) | 3-Phase proportion to twice the input voltage | |||
| Output Frequency (Hz) | 0.1~400 Hz | |||
| Carrier Frequency (kHz) | 1-15 | |||
| Input Rating | Rated Input Current (A) | Single phase | ||
| 6 | 9 | 16 | ||
| Rated Voltage, Frequency | Single phase, 100-120 VAC, 50/60Hz | |||
| Voltage Tolerance | ± 10% (90-132VAC) | |||
| Frequency Tolerance | ± 5% (47~63Hz) | |||
| Cooling Method | Fan Cooled | |||
| Weight (kg) | 1.5 | 1.5 | 1.5 | |
| Voltage Class | 230V Class | ||||||
| Model Number VFD-XXXM | 004 | 007 | 015 | 022 | 037 | 055 | |
| Max. Applicable Motor Output (kW) | 0.4 | 0.75 | 1.5 | 2.2 | 3.7 | 5.5 | |
| Max. Applicable Motor Output (hp) | 0.5 | 1.0 | 2.0 | 3.0 | 5.0 | 7.5 | |
| Output Rating | Rated Output Capacity (kVA) | 1.0 | 1.9 | 2.7 | 3.8 | 6.5 | 9.5 |
| Rated Output Current (A) | 2.5 | 5.0 | 7.0 | 10 | 17 | 25 | |
| Maximum Output Voltage (V) | 3-Phase proportional to input voltage | ||||||
| Output Frequency (Hz) | 0.1~400 Hz | ||||||
| Carrier Frequency (kHz) | 1-15 | ||||||
| Input Rating | Rated Input Current (A) | Single/3-phase | 3-phase | ||||
| 6.3/2.9 | 11.5/7.6 | 15.7/8.8 | 27/12.5 | 19.6 | 28 | ||
| Input Current for 1-phase Models when Using 3-phase Power | 3.2 | 6.3 | 9.0 | 12.5 | — | — | |
| Rated Voltage, Frequency | Single/3-phase 200-240 VAC, 50/60Hz | 3-phase 200-240VAC, 50/60Hz | |||||
| Voltage Tolerance | ± 10% (180~264 VAC) | ||||||
| Frequency Tolerance | ± 5% (47~63 Hz) | ||||||
| Cooling Method | Fan Cooled | ||||||
| Weight (kg) | 2.2/1.5 | 2.2/1.5 | 2.2/1.5 | 3.2/2.2 | 3.2 | 3.2 | |
| Voltage Class | 460V Class | ||||||
| Model Number VFD-XXXM | 007 | 015 | 022 | 037 | 055 | 075 | |
| Max. Applicable Motor Output (kW) | 0.75 | 1.5 | 2.2 | 3.7 | 5.5 | 7.5 | |
| Max. Applicable Motor Output (hp) | 1.0 | 2.0 | 3.0 | 5.0 | 7.5 | 10 | |
| Output Rating | Rated Output Capacity (kVA) | 2.3 | 3.1 | 3.8 | 6.2 | 9.9 | 13.7 |
| Rated Output Current (A) | 3.0 | 4.0 | 5.0 | 8.2 | 13 | 18 | |
| Maximum Output Voltage (V) | 3-phase Proportional to Input Voltage | ||||||
| Output Frequency (Hz) | 0.1~400 Hz | ||||||
| Carrier Frequency (kHz) | 1-15 | ||||||
| Input Rating | Rated Input Current (A) | 3-phase | |||||
| 4.2 | 5.7 | 6.0 | 8.5 | 14 | 23 | ||
| Rated Voltage, Frequency | 3-phase 380-480 VAC, 50/60Hz | ||||||
| Voltage Tolerance | ± 10% (342~528 VAC) | ||||||
| Frequency Tolerance | ± 5% (47~63 Hz) | ||||||
| Cooling Method | Fan Cooled | ||||||
| Weight (kg) | 1.5 | 1.5 | 2.0 | 3.2 | 3.2 | 3.3 | |
| Voltage Class | 575V Class | ||||||
| Model Number VFD-XXXM | 007 | 015 | 022 | 037 | 055 | 075 | |
| Max. Applicable Motor Output (kW) | 0.75 | 1.5 | 2.2 | 3.7 | 5.5 | 7.5 | |
| Max. Applicable Motor Output (hp) | 1.0 | 2.0 | 3.0 | 5.0 | 7.5 | 10 | |
| Output Rating | Rated Output Capacity (kVA) | 1.7 | 3.0 | 4.2 | 6.6 | 9.9 | 12.2 |
| Rated Output Current (A) | 1.7 | 3.0 | 4.2 | 6.6 | 9.9 | 12.2 | |
| Maximum Output Voltage (V) | 3-phase Proportional to Input Voltage | ||||||
| Output Frequency (Hz) | 0.1~400 Hz | ||||||
| Carrier Frequency (kHz) | 1-10 | ||||||
| Input Rating | Rated Input Current (A) | 3-phase | |||||
| 2.4 | 4.2 | 5.9 | 7.0 | 10.5 | 12.9 | ||
| Rated Voltage, Frequency | 3-phase 500-600 VAC, 50/60Hz | ||||||
| Voltage Tolerance | -15% ~ +10% (425~660 V) | ||||||
| Frequency Tolerance | ± 5% (47~63 Hz) | ||||||
| Cooling Method | Fan Cooled | ||||||
| Weight (kg) | 1.5 | 1.5 | 2.0 | 3.2 | 3.2 | 3.3 | |
General Specifications
| Control Characteristics | Control System | SPWM (Sinusoidal Pulse Width Modulation) control (V/F or Sensorless vector control) |
| Freq. Setting Resolution | 0.1Hz | |
| Output Frequency Resolution | 0.1Hz | |
| Torque Characteristics | Including the auto-torque, auto-slip compensation; starting torque can be 150% at 5.0Hz | |
| Overload Endurance | 150% of rated current for 1 minute | |
| Skip Frequency | Three zones, settings range 0.1-400Hz | |
| Accel/Decel Time | 0.1 to 600 seconds (4 Independent settings for Accel/Decel Time) | |
| Stall Prevention Level Frequency Setting | 20 to 200%, Setting of Rated Current | |
| DC Injection Braking | Operation frequency 0-60Hz, output 0-100% rated current Start time 0-5 seconds, stop time 0-25 seconds | |
| Braking Torque | Approx. 20% (up to 125% possible with option brake resistor or brake unit externally mounted, 1-15HP braking transistor built-in) | |
| V/F Pattern | Adjustable V/F pattern |
General Specifications
| Operating Characteristics | Frequency Setting | Keypad | Setting by ▲▼ |
| External Signal | Potentiometer-5KW/0.5W, 0 to +10VDC, 4 to 20mA RS-485 interface; Multi-Function Inputs 0 to 5 (7 steps, Jog, up/down) | ||
| Operation Setting Signal | Keypad | Set by RUN, STOP | |
| External Signal | M0 to M5 can be combined to offer various modes of operation, RS-485 serial interface (MODBUS). | ||
| Multi-Function Input Signal | Multi-step selection 0 to 7, Jog, accel/decel inhibit, first to forth accel/decel switches, counter, PLC operation, external Base Block (NC, NO), auxiliary motor control is invalid, selections, driver reset, UP/DOWN key settings, sink/source selection | ||
| Multi-Function Output Indication | AC drive operating, frequency attained, non-zero, base block, fault indication, local/remote indication, PLC operation indication, auxiliary motor output, driver is ready, overheat alarm, emergency stop | ||
| Analog Output Signal | Analog frequency/current signal output. | ||
| Alarm Output Contact | 1 Form C contact or open collector output | ||
| Operation Functions | AVR, S-Curve, over-voltage, over-current stall prevention, fault records, adjustable carrier frequency, DC braking, momentary power loss restart, auto tuning, frequency limits, parameter Lock/Reset, vector control, counter, PID Control, PLC, MODBUS communication, reverse Inhibition, abnormal reset, abnormal re- start, digital frequency output, sleep/revival function, 1st/2nd frequency source selections | ||
| Protection Functions | Self-testing, over voltage, over current, under voltage, overload, overheating, external fault, electronic thermal, ground fault. | ||
| Display Keypads | 6-key, 4-digit, 7-segment LED, 4 status LEDs, master frequency, output frequency, output current, custom units, parameter values for setup, review and faults, RUN, STOP, RESET, FWD/REV | ||
| Built-in Brake Chopper | Built-in for all models | ||
| Environmental Conditions | Protection Level | IP20 | |
| Pollution Degree | 2 | ||
| Installation Location | Altitude 1,000 m or lower, keep from corrosive gasses, liquid and dust | ||
| Ambient Temperature | -10oC to 40oC (-10oC to 50oC without blind plate) Non-Condensing and not frozen | ||
| Storage/ Transportation Temperature | -20oC to 60oC | ||
| Ambient Humidity | Below 90% RH (non-condensing) | ||
| Vibration | 9.80665m/s2 (1G) less than 20Hz, 5.88m/s2 (0.6G) at 20 to 50Hz | ||
| Approvals | ![]() | ||
Note: Do not attempt to connect a single-phase power source to a three-phase models drive.
However it is acceptable to connect two wires of a three-phase power source to a single-phase drive.
Appendix B Accessories
B.1 All Brake Resistors & Brake Units Used in AC Motor Drives
Note: Please only use DELTA resistors and recommended values. Other resistors and values will void Delta’s warranty. Please contact your nearest Delta representative for use of special resistors. The brake unit should be at least 10 cm away from AC motor drive to avoid possible interference.
| Voltage | Applicable Motor | Full Load Torque kgf-m | Specification Resistors | Brake Resistors Model No of Units Used | Brake Torque 10%ED% | Minimum Resistance Rates | ||
| HP | kW | |||||||
| 115V Series | 1/4 | 0.2 | 0.110 | 80W 200Ω | BR080W200 | 1 | 400 | 80Ω |
| 1/2 | 0.4 | 0.216 | 80W 200Ω | BR080W200 | 1 | 220 | 80Ω | |
| 1 | 0.75 | 0.427 | 80W 200Ω | BR080W200 | 1 | 125 | 80Ω | |
| 230V Series | 1/2 | 0.4 | 0.216 | 80W 200Ω | BR080W200 | 1 | 220 | 200Ω |
| 1 | 0.75 | 0.427 | 80W 200Ω | BR080W200 | 1 | 125 | 80Ω | |
| 2 | 1.5 | 0.849 | 300W 100Ω | BR300W100 | 1 | 125 | 55Ω | |
| 3 | 2.2 | 1.262 | 300W 70Ω | BR300W070 | 1 | 125 | 35Ω | |
| 5 | 3.7 | 2.080 | 400W 40Ω | BR400W040 | 1 | 125 | 25Ω | |
| 7.5 | 5.5 | 3.111 | 500W 30Ω | BR500W030 | 1 | 125 | 16Ω | |
| 460V Series | 1 | 0.75 | 0.427 | 80W 750Ω | BR080W750 | 1 | 125 | 260Ω |
| 2 | 1.5 | 0.849 | 300W 400Ω | BR300W400 | 1 | 125 | 190Ω | |
| 3 | 2.2 | 1.262 | 300W 250Ω | BR300W250 | 1 | 125 | 145Ω | |
| 5 | 3.7 | 2.080 | 400W 150Ω | BR400W150 | 1 | 125 | 95Ω | |
| 7.5 | 5.5 | 3.111 | 500W 100Ω | BR500W100 | 1 | 125 | 60Ω | |
| 10 | 7.5 | 4.148 | 1000W 75Ω | BR1K0W075 | 1 | 125 | 45Ω | |
| 575V Series | 1 | 0.75 | 0.427 | 300W 400Ω | BR300W400 | 1 | 125 | 200Ω |
| 2 | 1.5 | 0.849 | 300W 400Ω | BR300W400 | 1 | 125 | 200Ω | |
| 3 | 2.2 | 1.262 | 600W 200Ω | BR300W400 | 2 | 125 | 150Ω | |
| 5 | 3.7 | 2.080 | 600W 200Ω | BR300W400 | 2 | 125 | 150Ω | |
| 7.5 | 5.5 | 3.111 | 600W 200Ω | BR300W400 | 2 | 125 | 150Ω | |
| 10 | 7.5 | 4.148 | 2000W 100Ω | BR1000W50 | 2 | 125 | 82Ω | |
Note: Brake Torque 10%ED% : brake torque at 10% duty cycle in (%).![]()
- Please select the brake unit and/or brake resistor according to the table. “-“ means no Delta product. Please use the brake unit according to the Equivalent Resistor Value.
- If damage to the drive or other equipment is due to the fact that the brake resistors and the brake modules in use are not provided by Delta, the warranty will be void.
- Take into consideration the safety of the environment when installing the brake resistors.
- If the minimum resistance value is to be utilized, consult local dealers for the calculation of the power in Watt.
- Please select thermal relay trip contact to prevent resistor over load. Use the contact to switch power off to the AC motor drive!
- When using more than 2 brake units, equivalent resistor value of parallel brake unit can’t be less than the value in the column “Minimum Equivalent Resistor Value for Each AC Drive” (the right-most column in the table).
- Please read the wiring information in the user manual of the brake unit thoroughly prior to installation and operation.
- In applications with brake resistor or brake unit, Pr.25 (Over-voltage stall prevention) must be disabled. And Pr.102 (AVR function) shall not be used.
- Definition for Braking Usage ED% Explanation: The definition of the barking usage ED(%) is for assurance of enough time for the brake unit and brake resistor to dissipate away heat generated by braking. When the brake resistor heats up, the resistance would increase with temperature, and braking torque would decrease accordingly. Suggest cycle time is one minute

- For safety reasons, install a thermal overload relay between brake unit and brake resistor. Together with the magnetic contactor (MC) in the mains supply circuit to the drive it offers protection in case of any malfunctioning. The purpose of installing the thermal overload relay is to protect the brake resistor against damage due to frequent braking or in case the brake unit is continuously on due to unusual high input voltage. Under these circumstances the thermal overload relay switches off the power to the drive. Never let the thermal overload relay switch off only the brake resistor as this will cause serious damage to the AC Motor Drive.

B.1.1 Dimensions and Weights for Brake Resistors& Brake Units
(Dimensions are in millimeter)

| TYPE | Ll | L2 | H | A | B | MAX. WEIGHT (g) |
| MVR050W120 | 165 | 150 | 40 | 8.0 | 12.0 | 240 |
| MVR080W120 | 165 | 150 | 40 | 8.0 | 12.0 | 240 |
| MVR200W120 | 165 | 150 | 40 | 8.0 | 12.0 | 240 |
| MVR050W200 | 165 | 150 | 40 | 15.0 | 15.0 | 460 |
| MVR080W200 | 165 | 150 | 40 | 15.0 | 15.0 | 460 |
| MVR200W200 | 165 | 150 | 40 | 15.0 | 15.0 | 460 |
| BR200W040 | 165 | 150 | 40 | 13.0 | 17.0 | 460 |
| BR200W070 | 165 | 150 | 40 | 13.0 | 17.0 | 460 |
| BR200W150 | 165 | 150 | 40 | 13.0 | 17.0 | 460 |
| BR200W250 | 165 | 150 | 40 | 13.0 | 17.0 | 460 |
B.2 Non-fuse Circuit Breaker Chart
The fuse should comply with UL248 and the breaker should comply with UL489.
(Note: Please select enough current capacity of NFB.)
1-phase | |
| Model Name | Recommended non-fuse breaker (A) |
VFD002M11A | 15 |
| VFD004M11A | 20 |
VFD007M11A | 30 |
| VFD004M21A | 15 |
VFD007M21A | 20 |
| VFD015M21A | 30 |
VFD004M21B | 15 |
| VFD007M21B | 20 |
VFD015M21B | 30 |
| VFD022M21A | 50 |
B.1 Fuse Specification Chart
Smaller fuses than those shown in the table are permitted.
3-phase | |
Model Name | Recommended non-fuse breaker (A) |
| VFD004M23A | 5 |
VFD007M23A | 10 |
| VFD015M23A | 20 |
VFD007M43B | 5 |
| VFD007M53A | 5 |
VFD015M43B | 10 |
| VFD015M53A | 5 |
VFD022M23B | 30 |
VFD022M43B | 15 |
VFD022M53A | 10 |
VFD037M23A | 40 |
| VFD037M43A | 20 |
VFD037M53A | 20 |
| VFD055M23A | 50 |
VFD055M43A | 30 |
| VFD055M53A | 20 |
VFD075M43A | 40 |
| VFD075M53A | 30 |
3-phase | |
Model Name | Recommended non-fuse breaker (A) |
VFD004M23A | 5 |
| VFD007M23A | 10 |
VFD015M23A | 20 |
| VFD007M43B | 5 |
VFD007M53A | 5 |
| VFD015M43B | 10 |
VFD015M53A | 5 |
| VFD022M23B | 30 |
VFD022M43B | 15 |
| VFD022M53A | 10 |
VFD037M23A | 40 |
| VFD037M43A | 20 |
VFD037M53A | 20 |
| VFD055M23A | 50 |
VFD055M43A | 30 |
| VFD055M53A | 20 |
VFD075M43A | 40 |
| VFD075M53A | 30 |
B.3 Fuse Specification Chart
Smaller fuses than those shown in the table are permitted.
| Model | Input Current (A) | Output Current (A) | Line Fuse | |
| I (A) | Bussmann P/N | |||
| VFD002M11A | 6 | 1.6 | 15 | JJN-15 |
| VFD004M11A | 9 | 2.5 | 20 | JJN-20 |
| VFD007M11A | 16 | 4.2 | 30 | JJN-30 |
| VFD004M21A | 6.3 | 2.5 | 15 | JJN-15 |
| VFD004M21B | 6.3 | 2.5 | 15 | JJN-15 |
| VFD007M21A | 11.5 | 5.0 | 20 | JJN-20 |
| VFD007M21B | 11.5 | 5.0 | 20 | JJN-20 |
| VFD015M21A | 15.7 | 7.0 | 30 | JJN-30 |
| VFD015M21B | 15.7 | 7.0 | 30 | JJN-30 |
| VFD022M21A | 27 | 10 | 50 | JJN-50 |
| VFD004M23A | 2.9 | 2.5 | 5 | JJN-6 |
| VFD007M23A | 7.6 | 5.0 | 15 | JJN-15 |
| VFD015M23A | 8.8 | 7.0 | 20 | JJN-20 |
| VFD022M23B | 12.5 | 10.0 | 30 | JJN-30 |
| VFD037M23A | 19.6 | 17 | 40 | JJN-40 |
| VFD055M23A | 28 | 25 | 50 | JJN-50 |
| VFD007M43B | 4.2 | 3.0 | 5 | JJS-6 |
| VFD015M43B | 5.7 | 4.0 | 10 | JJS-10 |
| VFD022M43B | 6.0 | 5.0 | 15 | JJS-15 |
| VFD037M43A | 8.5 | 8.2 | 20 | JJS-20 |
| VFD055M43A | 14 | 13 | 30 | JJS-30 |
| VFD075M43A | 23 | 18 | 50 | JJS-50 |
| VFD007M53A | 2.4 | 1.7 | 5 | JJS-6 |
| VFD015M53A | 4.2 | 3.0 | 10 | JJS-10 |
| VFD022M53A | 5.9 | 4.2 | 15 | JJS-15 |
| VFD037M53A | 7.0 | 6.6 | 15 | JJS-15 |
| VFD055M53A | 10.5 | 9.9 | 20 | JJS-20 |
| VFD075M53A | 12.9 | 12.2 | 30 | JJS-50 |
B.4 AC Reactor
B.4.1 AC Input Reactor Recommended Value
230V, 50/60Hz, single-phase
| kW | HP | Fundamental Amps | Max. continuous Amps | Inductance (mh) |
| 3~5% Impedance | ||||
| 0.2 | 0.25 | 4 | 6 | 6.5 |
| 0.4 | 0.5 | 5 | 7.5 | 3 |
| 0.75 | 1 | 8 | 12 | 1.5 |
| 1.5 | 2 | 12 | 18 | 1.25 |
| 2.2 | 3 | 18 | 27 | 0.8 |
460V, 50/60Hz, 3-phase
| kW | HP | Fundamental Amps | Max. continuous Amps | Inductance (mh) | |
| 3% Impedance | 5% Impedance | ||||
| 0.75 | 1 | 4 | 6 | 9 | 12 |
| 1.5 | 2 | 4 | 6 | 6.5 | 9 |
| 2.2 | 3 | 8 | 12 | 5 | 7.5 |
| 3.7 | 5 | 8 | 12 | 3 | 5 |
| 5.5 | 7.5 | 12 | 18 | 2.5 | 4.2 |
| 7.5 | 10 | 18 | 27 | 1.5 | 2.5 |
| 11 | 15 | 25 | 37.5 | 1.2 | 2 |
B.4.2 AC Output Reactor Recommended Value
115V/230V, 50/60Hz, 3-phase
| kW | HP | Fundamental Amps | Max. continuous Amps | Inductance (mh) | |
| 3% Impedance | 5% Impedance | ||||
| 0.2 | 0.25 | 4 | 6 | 9 | 12 |
| 0.4 | 0.5 | 4 | 6 | 6.5 | 9 |
| 0.75 | 1 | 8 | 12 | 3 | 5 |
| 1.5 | 2 | 8 | 12 | 1.5 | 3 |
| 2.2 | 3 | 12 | 18 | 1.25 | 2.5 |
| 3.7 | 5 | 18 | 27 | 0.8 | 1.5 |
| 5.5 | 7.5 | 25 | 37.5 | 0.5 | 1.2 |
460V, 50/60Hz, 3-phase
| kW | HP | Fundamental Amps | Max. continuous Amps | Inductance (mh) | |
| 3% Impedance | 5% Impedance | ||||
| 0.75 | 1 | 4 | 6 | 9 | 12 |
| 1.5 | 2 | 4 | 6 | 6.5 | 9 |
| 2.2 | 3 | 8 | 12 | 5 | 7.5 |
| 3.7 | 5 | 12 | 18 | 2.5 | 4.2 |
| 5.5 | 7.5 | 18 | 27 | 1.5 | 2.5 |
| 7.5 | 10 | 18 | 27 | 1.5 | 2.5 |
B.4.3 Applications
Connected in input circuit
| Application 1 | Question |
| When more than one AC motor drive is connected to the same mains power, and one of them is ON during operation. | When applying power to one of the AC motor drive, the charge current of the capacitors may cause voltage dip. The AC motor drive may be damaged when over current occurs during operation. |
Correct wiring

| Application 2 | Question |
| Silicon rectifier and AC motor drive are connected to the same power. | Switching spikes will be generated when the silicon rectifier switches on/off. These spikes may damage the mains circuit. |
Correct wiring

| Application 3 | Question |
| Used to improve the input power factor, to reduce harmonics and provide protection from AC line disturbances (surges, switching spikes, short interruptions, etc.). The AC linereactor should be installed when the power supply capacity is 500kVA or more and exceeds 6 times the inverter capacity, or the mains wiring distance ≤ 10m. | Switching spikes will be generated when the silicon rectifier switches on/off. These spikes may damage the mains circuit. |
Correct wiring

B.5 Zero Phase Reactor (RF220X00A)
Dimensions are in millimeter.

| Cable type (Note) | Recommended Wire Size | Qty. | Wiring Method | ||
| AWG | mm2 | Nominal (mm2) | |||
| Single- core | ≦10 | ≦5.3 | ≦5.5 | 1 | Diagram A |
| ≦2 | ≦33.6 | ≦38 | 4 | Diagram B | |
| Three- core | ≦12 | ≦3.3 | ≦3.5 | 1 | Diagram A |
| ≦1 | ≦42.4 | ≦50 | 4 | Diagram B | |
Note 1: The table above gives approximate wire size for the zero phase reactors but the selection is ultimately governed by the type and diameter of cable fitted i.e. the cable must fit through the center hole of zero phase reactors.
Note 2: Only the phase conductors should pass through, not the earth core or screen.
Note 3: When long motor output cables are used, an output zero phase reactor may be required to reduce radiated emissions from the cable.
B.6 Remote Controller RC-01
Dimensions are in millimeter.
VFD-M Programming
Pr.00 set to 01
Pr.01 set to 01 (external controls)
Pr.38 set to 01 (M0, M1 set as run/stop and fwd/rev)
Pr.39 set to 05 (M2 set for reset)
Pr.40 set to 09 (M3 set for jog select)
B.7 PU06
B.7.1 Description of the Digital Keypad VFD-PU06

B.7.2 Explanation of Display Message
| Display Message | Descriptions |
| The AC motor drive Master Frequency Command. |
![]() | The Actual Operation Frequency present at terminals U, V, and W. |
| The custom unit (u) |
| The output current present at terminals U, V, and W. |
| Press to change the mode to READ. Press PROG/DATA for about 2 sec or until it’s flashing, read the parameters of AC drive to the digital keypad PU06. It can read 2 groups of parameters to PU06. (read 0 – read 1) |
| Press to change the mode to SAVE. Press PROG/DATA for about 2 sec or until it’s flashing, then write the parameters from the digital keypad PU06 to AC drive. If it has saved, it will show the type of AC motor drive. |
| The specified parameter setting. |
| The actual value stored in the specified parameter. |
![]() | External Fault |
![]() | “End” displays for approximately 1 second if the entered input data have been accepted. After a parameter value has been set, the new value is automatically stored in memory. To modify an entry, use the ▲ or ▼ keys. |
| “Err” displays if the input is invalid. |
![]() | Communication Error. Please check the AC motor drive user manual for more details. |
B.7.3 Operation Flow Chart

B.8 AMD – EMI Filter Cross Reference
| Model of AC Drive | EMI Filter |
| VFD002M11A, VFD004M11A, VFD007M11A, VFD004M21B, VFD007M21B, VFD015M21B | RF015M21AA |
| VFD007M43B, VFD015M43B, VFD022M43B | RF022M43AA |
| VFD022M21A | RF022M21BA |
| VFD037M43A, VFD055M43A, VFD075M43A | RF075M43BA |
| VFD037M23A, VFD055M23A | 40TDS4W4B |
| VFD022M23B, VFD004M23A, VFD007M23A, VFD015M23A | 16TDT1W4S |
If users are to operate the AC motor drive in coordination with the EMI filters manufactured by DELTA, consult the above chart for the appropriate I/O terminals’ of the applicable filters.
The filter will cause high leakage current. We recommend the grounding is required.
Installation
All electrical equipment, including AC motor drives, will generate high-frequency/low-frequency noise and will interfere with peripheral equipment by radiation or conduction when in operation. By using an EMI filter with correct installation, much interference can be eliminated. It is recommended to use DELTA EMI filter to have the best interference elimination performance.
We assure that it can comply with following rules when AC motor drive and EMI filter are installed and wired according to user manual:
EN61000-6-4
EN61800-3: 1996 + A11: 2000
EN55011 (1991) Class A Group 1 (1st Environment, restricted distribution)
General precaution
- EMI filter and AC motor drive should be installed on the same metal plate.
- Please install AC motor drive on footprint EMI filter or install EMI filter as close as possible to the AC motor drive.
- Please wire as short as possible.
- Metal plate should be grounded.
- The cover of EMI filter and AC motor drive or grounding should be fixed on the metal plate and the contact area should be as large as possible.
Choose suitable motor cable and precautions
Improper installation and choice of motor cable will affect the performance of EMI filter. Be sure to observe the following precautions when selecting motor cable.
- Use the cable with shielding (double shielding is the best).
- The shielding on both ends of the motor cable should be grounded with the minimum length and maximum contact area.
- Remove any paint on metal saddle for good ground contact with the plate and shielding.
Remove any paint on metal saddle for good ground contact with the plate and shielding.

The length of motor cable
When motor is driven by an AC motor drive of PWM type, the motor terminals will experience surge voltages easily due to components conversion of AC motor drive and cable capacitance. When the motor cable is very long (especially for the 460V series), surge voltages may reduce insulation quality. To prevent this situation, please follow the rules below:
- Use a motor with enhanced insulation.
- Connect an output reactor (optional) to the output terminals of the AC motor drive
- The length of the cable between AC motor drive and motor should be as short as possible (10 to 20 m or less)
- For models 7.5hp/5.5kW and above:
Insulation level of motor 1000V 1300V 1600V 460VAC input voltage 66 ft (20m) 328 ft (100m) 1312 ft (400m) 230VAC input voltage 1312 ft (400m) 1312 ft (400m) 1312 ft (400m) - For models 5hp/3.7kW and less:
Insulation level of motor 1000V 1300V 1600V 460VAC input voltage 66 ft (20m) 165 ft (50m) 165 ft (50m) 230VAC input voltage 328 ft (100m) 328 ft (100m) 328 ft (100m)
![]()
- When a thermal O/L relay protected by motor is used between AC motor drive and motor, it may malfunction (especially for 460V series), even if the length of motor cable is only 165 ft (50m) or less. To prevent it, please use AC reactor and/or lower the carrier frequency (Pr. 71 PWM carrier frequency).
- Never connect phase lead capacitors or surge absorbers to the output terminals of the AC motor drive.
- If the length is too long, the stray capacitance between cables will increase and may cause leakage current. It will activate the protection of over current, increase leakage current or not insure the correction of current display. The worst case is that AC motor drive may damage.
- If more than one motor is connected to the AC motor drive, the total wiring length is the sum of the wiring length from AC motor drive to each motor.
B.8.1 Dimensions
EMI Filter (RF015M21AA / RF022M43AA)

EMI Filter (RF022M21BA / RF075M43BA)

EMI Filter (16TDT1W4S) Used on 0.5-3 HP/230V Three Phase Models. 
EMI Filter (40TDS4W4B) Used on 5-7.5 HP/230V Three Phase Models.

B.9 Din Rail
B.9.1 Din Rail-DR01 Adapter
Units: mm (inch)
Models
VFD004M21A/23A, VFD007M21A/23A, VFD015M21A/23A
To mount the drive on a Din Rail adapter, place the drive and mounting plate on the rail and push the lever toward the rail.

B.9.2 Din Rail-DR02 Adapter
Units: mm (inch)
Models
VFD002M11A, VFD004M11A/21B, VFD007M11A/21B/43B/53A, VFD015M21B/43B/53A, VFD022M23B/43B/53A
To mount the drive on a Din Rail adapter, place the drive and mounting plate on the rail and push the lever toward the rail.

Appendix C How to Select the Right AC Motor Drive
The choice of the right AC motor drive for the application is very important and has great influence on its lifetime. If the capacity of AC motor drive is too large, it cannot offer complete protection to the motor and motor maybe damaged. If the capacity of AC motor drive is too small, it cannot offer the required performance and the AC motor drive maybe damaged due to overloading.
But by simply selecting the AC motor drive of the same capacity as the motor, user application requirements cannot be met completely. Therefore, a designer should consider all the conditions, including load type, load speed, load characteristic, operation method, rated output, rated speed, power and the change of load capacity. The following table lists the factors you need to consider, depending on your requirements.
| Item | Related Specification | ||||
| Speed and torque characteristics | Time ratings | Overload capacity | Starting torque | ||
| Load type | Friction load and weight load Liquid (viscous) load Inertia load Load with power transmission | ● | ● | ||
| Load speed and torque characteristics | Constant torque Constant output Decreasing torque Decreasing output | ● | ● | ||
| Load characteristics | Constant load Shock load Repetitive load High starting torque Low starting torque | ● | ● | ● | ● |
| Continuous operation, Short-time operation Long-time operation at medium/low speeds | ● | ● | |||
| Maximum output current (instantaneous) Constant output current (continuous) | ● | ● | |||
| Maximum frequency, Base frequency | ● | ||||
| Power supply transformer capacity or percentage impedance Voltage fluctuations and unbalance Number of phases, single phase protection Frequency | ● | ● | |||
| Mechanical friction, losses in wiring | ● | ● | |||
| Duty cycle modification | ● | ||||
C.1 Capacity Formulas
1. When one AC motor drive operates one motor
The starting capacity should be less than 1.5x rated capacity of AC motor drive
The starting capacity=

2. When one AC motor drive operates more than one motor
2.1 The starting capacity should be less than the rated capacity of AC motor drive
Acceleration time ≦60 seconds
The starting capacity=

Acceleration time ≧60 seconds
The starting capacity=

2.2 The current should be less than the rated current of AC motor drive(A)
Acceleration time ≦60 seconds
![]()
Acceleration time ≧60 seconds

2.3 When it is running continuously
The requirement of load capacity should be less than the capacity of AC motor drive(kVA)
The requirement of load capacity=

The motor capacity should be less than the capacity of AC motor drive
![]()
The current should be less than the rated current of AC motor drive(A)
![]()
Symbol explanation
| PM | Motor shaft output for load (kW) |
| η | Motor efficiency (normally, approx. 0.85) |
| cosφ | Motor power factor (normally, approx. 0.75) |
| VM | Motor rated voltage(V) |
| IM | Motor rated current(A), for commercial power |
| k | Correction factor calculated from current distortion factor (1.05-1.1, depending on PWM method) |
| P C1 | Continuous motor capacity (kVA) |
| ks | Starting current/rated current of motor |
| nT | Number of motors in parallel |
| nS | Number of simultaneously started motors |
| GD² | Total inertia (GD²) calculated back to motor shaft (kg m²) |
| TL | Load torque |
| tA | Motor acceleration time |
| N | Motor speed |
C.2 General Precaution
Selection Note
- When the AC Motor Drive is connected directly to a large-capacity power transformer (600kVA or above) or when a phase lead capacitor is switched, excess peak currents may occur in the power input circuit and the converter section may be damaged. To avoid this, use an AC input reactor (optional) before AC Motor Drive mains input to reduce the current and improve the input power efficiency.
- When a special motor is used or more than one motor is driven in parallel with a single AC Motor Drive, select the AC Motor Drive current ≥1.25x(Sum of the motor rated currents).
- The starting and accel./decel. characteristics of a motor are limited by the rated current and the overload protection of the AC Motor Drive. Compared to running the motor D.O.L. (Direct On-Line), a lower starting torque output with AC Motor Drive can be expected. If higher starting torque is required (such as for elevators, mixers, tooling machines, etc.) use an AC Motor Drive of higher capacity or increase the capacities for both the motor and the AC Motor Drive.
- When an error occurs on the drive, a protective circuit will be activated and the AC Motor Drive output is turned off. Then the motor will coast to stop. For an emergency stop, an external mechanical brake is needed to quickly stop the motor.
Parameter Settings Note
- The AC Motor Drive can be driven at an output frequency up to 400Hz (less for some models) with the digital keypad. Setting errors may create a dangerous situation. or safety, the use of the upper limit frequency function is strongly recommended.
- High DC braking operating voltages and long operation time (at low frequencies) may cause overheating of the motor. In that case, forced external motor cooling is recommended.
- Motor accel./decel. time is determined by motor rated torque, load torque, and load inertia.
- If the stall prevention function is activated, the accel./decel. time is automatically extended to a length that the AC Motor Drive can handle. If the motor needs to decelerate within a certain time with high load inertia that can’t be handled by the AC Motor Drive in the required time, either use an external brake resistor and/or brake unit, depending on the model, (to shorten deceleration time only) or increase the capacity for both the motor and the AC Motor Drive.
C.3 How to Choose a Suitable Motor
Standard motor
When using the AC Motor Drive to operate a standard 3-phase induction motor, take the following precautions:
- The energy loss is greater than for an inverter duty motor.
- Avoid running motor at low speed for a long time. Under this condition, the motor temperature may rise above the motor rating due to limited airflow produced by the motor’s fan. Consider external forced motor cooling.
- When the standard motor operates at low speed for long time, the output load must be decreased.
- The load tolerance of a standard motor is as follows:

- If 100% continuous torque is required at low speed, it may be necessary to use a special inverter duty motor.
- Motor dynamic balance and rotor endurance should be considered once the operating speed exceeds the rated speed (60Hz) of a standard motor.
- Motor torque characteristics vary when an AC Motor Drive instead of commercial power supply drives the motor. Check the load torque characteristics of the machine to be connected.
- Because of the high carrier frequency PWM control of the VFD series, pay attention to the following motor vibration problems:
Resonant mechanical vibration: anti-vibration (damping) rubbers should be used to mount equipment that runs at varying speed.
Motor imbalance: special care is required for operation at 50 or 60 Hz and higher frequency.
To avoid resonances, use the Skip frequencies. - The motor fan will be very noisy when the motor speed exceeds 50 or 60Hz.
Special motors:
- Pole-changing (Dahlander) motor:
The rated current is differs from that of a standard motor. Please check before operation and select the capacity of the AC motor drive carefully. When changing the pole number the motor needs to be stopped first. If over current occurs during operation or regenerative voltage is too high, please let the motor free run to stop (coast). - Submersible motor:
The rated current is higher than that of a standard motor. Please check before operation and choose the capacity of the AC motor drive carefully. With long motor cable between AC motor drive and motor, available motor torque is reduced. - Explosion-proof (Ex) motor:
Needs to be installed in a safe place and the wiring should comply with the (Ex) requirements. Delta AC Motor Drives are not suitable for (Ex) areas with special precautions. - Gear reduction motor:
The lubricating method of reduction gearbox and speed range for continuous operation will be different and depending on brand. The lubricating function for operating long time at low speed and for high-speed operation needs to be considered carefully. - Synchronous motor:
The rated current and starting current are higher than for standard motors. Please check before operation and choose the capacity of the AC motor drive carefully. When the AC motor drive operates more than one motor, please pay attention to starting and changing the motor.
Power Transmission Mechanism
Pay attention to reduced lubrication when operating gear reduction motors, gearboxes, belts and chains, etc. over longer periods at low speeds. At high speeds of 50/60Hz and above, lifetime reducing noises and vibrations may occur.
Motor torque
The torque characteristics of a motor operated by an AC motor drive and commercial mains power are different.
Below you’ll find the torque-speed characteristics of a standard motor (4-pole, 15kW):


| Industrial Automation Headquarters Delta Electronics, Inc. Taoyuan Technology Center No.18, Xinglong Rd., Taoyuan City, Taoyuan County 33068, Taiwan TEL: 886-3-362-6301 / FAX: 886-3-371-6301 | Asia Delta Electronics (Jiangsu) Ltd. Wujiang Plant 3 1688 Jiangxing East Road, Wujiang Economic Development Zone Wujiang City, Jiang Su Province, People’s Republic of China (Post code: 215200) TEL: 86-512-6340-3008 / FAX: 86-769-6340-7290 |
| Delta Greentech (China) Co., Ltd. 238 Min-Xia Road, Pudong District, ShangHai, P.R.C. Post code : 201209 TEL: 86-21-58635678 / FAX: 86-21-58630003 | Delta Electronics (Japan), Inc. Tokyo Office 2-1-14 Minato-ku Shibadaimon, Tokyo 105-0012, Japan TEL: 81-3-5733-1111 / FAX: 81-3-5733-1211 |
| Delta Electronics (Korea), Inc. 1511, Byucksan Digital Valley 6-cha, Gasan-dong, Geumcheon-gu, Seoul, Korea, 153-704 TEL: 82-2-515-5303 / FAX: 82-2-515-5302 | Delta Electronics Int’l (S) Pte Ltd 4 Kaki Bukit Ave 1, #05-05, Singapore 417939 TEL: 65-6747-5155 / FAX: 65-6744-9228 |
| Delta Electronics (India) Pvt. Ltd. Plot No 43 Sector 35, HSIIDC Gurgaon, PIN 122001, Haryana, India TEL : 91-124-4874900 / FAX : 91-124-4874945 | Americas Delta Products Corporation (USA) Raleigh Office P.O. Box 12173,5101 Davis Drive, Research Triangle Park, NC 27709, U.S.A. TEL: 1-919-767-3800 / FAX: 1-919-767-8080 |
| Delta Greentech (Brasil) S.A Sao Paulo Office Rua Itapeva, 26 – 3° andar Edificio Itapeva One-Bela Vista 01332-000-São Paulo-SP-Brazil TEL: +55 11 3568-3855 / FAX: +55 11 3568-3865 | Europe Deltronics (The Netherlands) B.V. Eindhoven Office De Witbogt 15, 5652 AG Eindhoven, The Netherlands TEL: 31-40-2592850 / FAX: 31-40-2592851 |
*We reserve the right to change the information in this catalogue without prior notice.
www.deltaww.com
Send Quote Requests to [email protected]
Call +1(800)985-6929 To Order or Order Online At Deltaacdrives.com












Note: When an External Fault input signal is received, the AC drive output will turn off, drive will display “E.F.” on
Note: The External Reset has the same function as the Reset key on the Digital keypad. It will reset the drive after a fault.
Note: These three inputs select up to seven multi-step speeds defined by Pr.17 to Pr.23 as shown in the following diagram. Pr.78 to Pr.87 can also control output speed by programming the AC drive’s internal PLC function.
Note: Jog operation programmed by 9 can only be initiated while the motor is stop. (Refer to Pr.15, Pr.16.)

Note: When a Base-Block signal is received, the AC drive will stop all output and the motor will coast. When base block control is deactivated, the AC drive will start its speed search function and synchronize with the motor speed, and then accelerate to the Master Frequency.

Note: Pr.17 to Pr.23, Pr.78, Pr. 79, Pr.81 to Pr.87 define the PLC program. Another related function is “30 One-Shot PLC Run”. It can be set to use a not-latched contact as the run signal.
Note: The Counter Trigger input can be connected to an external Pulse Signal Generator when counting a process step or unit of material. See the diagram below.


























































