SUNGROW SH Series 3 Phase Hybrid Inverter

- Contents may be periodically updated or revised due to product development. The information in this guide is subject to change without notice. In no case shall this guide substitute for the user manual or related notes on the device.
- Make sure to read over, fully understand and strictly follow the detailed instructions of the user manual and other related regulations before installing the equipment. The user manual can be downloaded by visiting the website at http://support.sungrowpower.com/, or it can be obtained by scanning the QR code on the side of the equipment or the back cover of this guide.
- All operations can be performed only by qualified personnel, that must be trained for the installation and commissioning of electrical systems, as well as dealing with hazards, and have knowledge of the manual and of the local regulations and directives.
- Before installation, check that the package contents are intact and complete compared to the packing list. Contact SUNGROW or the distributor in case of any damaged or missing components.
- The cable used must be intact and well-insulated. Operation personnel must wear proper personal protective equipment (PPE) all the time.
- Any violation could result in personal death or injury or device damage and will void the warranty.
Safety
The inverter has been designed and tested strictly according to international safety regulations. Read all safety instructions carefully prior to any work and observe them at all times when working on or with the inverter. Incorrect operation or work may cause.
- injury or death to the operator or a third party;
- damage to the inverter or other properties.
- Please follow the safety instructions related to the PV strings and the utility grid.
DANGER
Lethal voltage!
- PV strings will produce electrical power when exposed to sunlight and can cause a lethal voltage and an electric shock.
- Only qualified personnel can perform the wiring of the PV panels.
NOTICE
Danger to life from electric shock due to lethal voltage!
- All electrical connections must be in accordance with local and national standards.
- Only with the permission of the local utility grid company, the inverter can be connected to the utility grid.
Inverter
The warning label on the inverter body is as follows.


DANGER
Danger to life from electric shocks due to living voltage
- Do not open the enclosure at any time. Unauthorized opening will void warranty and warranty claims and in most cases terminate the operating license.
- When the enclosure lid is removed, live components can be touched which can result in death or serious injury due to electric shock.
- Lethal danger from electric shock due to the possibly damaged inverter
- Only operate the inverter when it is technically faultless and in a safe state.
- Operating a damaged inverter can lead to hazardous situations that can result in death or serious injuries due to electric shock.
WARNING
Risk of inverter damage or personal injury
- Do not pull out the PV connectors and AC connectors when the inverter is running. Disconnect the AC circuit breaker and set the DC load-break switch of the inverter to OFF. Wait 10 minutes for the internal capacitors to discharge. Verify that there is no voltage or current before pulling any connector.
WARNING
All the warning labels and nameplates on the inverter body:
- must be clearly visible; and
- must not be removed, covered, or pasted.
CAUTION
Risk of bums due to hot components!
- Do not touch any hot parts (such as the heat sink) during operation. Only the DC switch can safely be touched at any time.
NOTICE
Only qualified personnel can perform the country setting. The unauthorized alteration may cause:
- A breach of the type-certificate marking.
- Risk of inverter damage due to electrostatic discharge (ESD)!
- By touching the electronic components, you may damage the inverter. For inverter handling, be sure to:
- avoid any unnecessary touching; and
- wear a grounding wristband before touching any connectors.
Battery
DANGER
Batteries deliver electrical power, resulting in burns or a fire hazard when they are short-circuited, or wrongly installed. Lethal voltages are present in the battery terminals and cables in the inverter. Severe injuries or death may occur if the cables and terminals in the inverter are touched.
NOTICE
Improper settings or maintenance can permanently damage the battery. Incorrect inverter parameters will lead to premature aging of the battery.
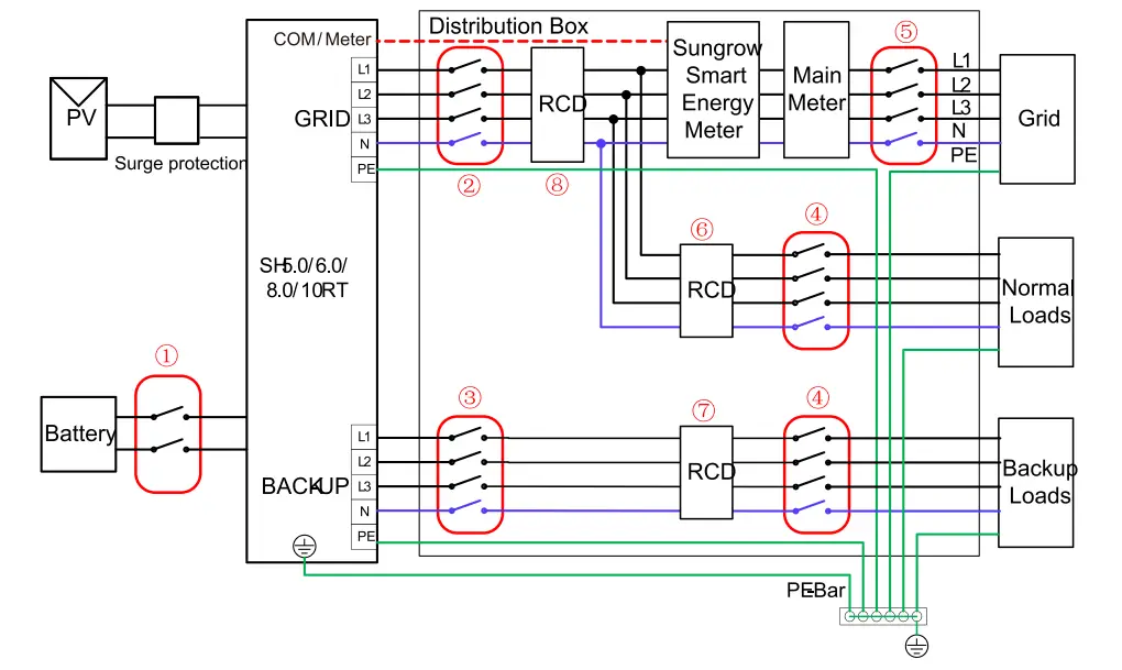
Backup Wiring Diagram (For AU / NZ)


Note: If the battery is integrated with a readily accessible internal DC breaker, no additional DC breaker is required.
Note: The values in the table are recommended values and can be set to other values according to actual conditions.
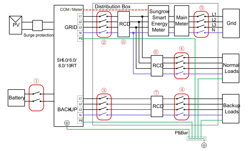
Backup Wiring Diagram (For Other Countries)


Note: If the battery is integrated with a readily accessible internal DC breaker, no additional DC breaker is required.
Note: The values in the table are recommended values and can be set to other values according to actual conditions.
Backup Wiring Diagram (For TT system)


Note: If the battery is integrated with a readily accessible internal DC breaker, no additional DC breaker is required.
Note: The values in the table are recommended values and can be set to other values according to actual conditions.
- Scope of Delivery

- Mounting location


Installation tools

Mounting


PE

- The cable specification must comply with local regulations (if available).
- Otherwise, keep it consistent with the PE wire in the AC cable.
- The color of the cable cores in the figure is for reference only, and the cables or cable cores selected must meet local standards.

- The cable specification must comply with local regulations (if available).
- For inverters without a DC switch, it is necessary to prepare an external DC switch according to AS 60947.3.
AC

DC


WiNet-S

- Installation with WLAN communication
- Installation with Ethernet communication


Ethernet optional


COM (Meter, RS485, BMS/CAN, DO)

- When the inverter is connected to a third-party monitoring device, please confirm which communication interface is used, and whether it will cause loss of certain functions of the inverter.
- When RS485 (A 1, B 1) is used for parallel connection in the master inverter, the LG Chem battery (that uses RS485 for communication) cannot be used with the master inverter. It can still be used with the slave inverter.
Take the Smart Energy Meter connection as an example


Inverter parallel
A maximum of five hybrid inverters of the same type can be connected in parallel.

COM ( D1/DRM)

Battery (Power)
Refer to the instructions supplied by the battery manufacturer for the connections on the battery side and configuration

Battery (Communication) Method 1

Method 2

Backup

Power on

- For inverters without a DC switch, it is necessary to prepare an external DC switch according to AS 6094 7 .3.
LED indicator

Specifications are subject to changes without advance notice.





















