![]()
WTMOIN0005
02.2022
Transfero Connect
TV 4 – 14
INSTALL











TU Art.Nr. 7463011

TG Art.Nr. 7463013

TU-E Art.Nr. 7463012

TG-E Art.Nr. 7463014




Transfero TU Transfero TUE





Transfero TG Transfero TG-E






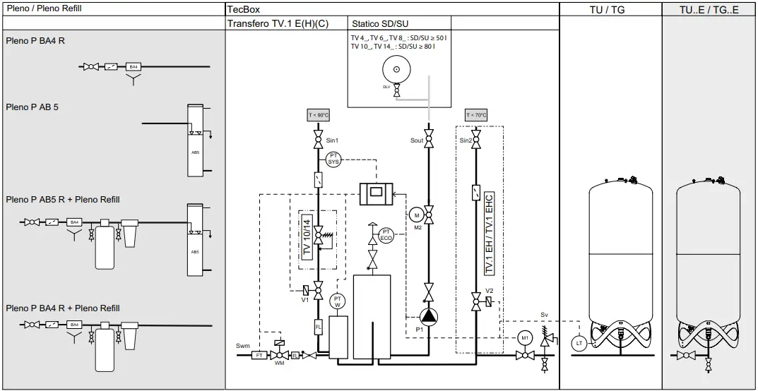
TV.1 E (C) (H)
Optional 

TV.1_E, TV.1_EC | Sin1 | Sin2 | Sout | Swm | |
| Ts min | °C | 0 | 0 | 0 | |
Ts max | °C | 70 | 70 | 65 | |
TV_4 | TV_6 | TV_8 | TV_10 | TV_14 | ||
| dpu min | bar | 1 | 1,5 | 2 | 3,5 | 5,5 |
| dpu max | bar | 2,5 | 3,5 | 4,5 | 6,5 | 10 |
| TV.1_EH, TV.1_EHC | Sin1 | Sin2 | Sout | Swm | |
| Ts min | °C | 0 | 5 | 0 | 0 |
| Ts max | °C | 90 | 70 | 90 | 65 |
TV.2 E (C) (H)
Optional


TV_4 | TV_6 | TV_8 | TV_10 | TV_14 | ||
| dpu min | bar | 1 | 1,5 | 2 | 3,5 | 5,5 |
| dpu max | bar | 2,5 | 3,5 | 4,5 | 6,5 | 10 |
| TV.2_EH, TV.2_EHC | Sin1 | Sin2 | Sout | Swm | |
| Ts min | °C | 0 | 5 | 0 | 0 |
| Ts max | °C | 90 | 70 | 90 | 65 |
tr ≤ 70°C
TV.1 E + Pleno BA4 R

tr ≤ 70°C
TV.1 E + Pleno AB5 R + Pleno Refill

70°C < tr ≤ 90°C
TV.1 EH / TV.2EH + Pleno P BA4 R + Pleno Refill

tr ≤ 70°C
TV.1 EH / TV.2EH + Pleno AB5 R + Pleno Refill

5°C ≤ tr ≤ 70°C
TV.1 EC + Pleno AB4 R + Pleno Refill

0°C ≤ tr ≤ 5°C
TV.2 EHC + Pleno BA4 R

5°C ≤ tr ≤ 70°C
TV.2 EHC + Pleno AB5 R + Pleno Refill

DNe




max. qwm > 1300 l/h
(Refill 16000/36000/48000,
Refill Demin 13500/18000)

max. qwm < 1300 l/h
(Refill 6000/12000,
Refill Demin 2000/4000)
1 x 230V
T.1: 10A / 3 x 1,0 mm²
T.2: 16A / 3 x 1,5 mm²
#1-5 






We reserve the right to introduce technical alterations without prior notice.

tr ≤ 70°C














