Wilo Isar BOOST5 Fully Integrated Domestic Water Station Instruction Manual
General
About this document
The installation and operating instructions are an integral part of the product. Read these instructions before carrying out any work and keep them at hand at all times.
Strict adherence to these instructions is a precondition for the correct installation and application of the product. Comply with all indications and signs that appear on the product.
The language of the original installation and operating instructions is English. All other languages of these instructions are translations of the original installation and operating instructions.
Copyright
The manufacturer has intellectual property rights for these installation and operating instructions. The reproduction of their contents in any form is forbidden. They may not be disseminated or used for competitive purposes or passed on to a third party.
Subject to modifications
The manufacturer reserves the right to make technical modifications to the product or its individual components. The figures used may differ from the original product and are intended for illustrative purposes only.
Safety
This chapter contains essential instructions that must be followed during the different phases of the pump’s service life. Non-observance of these instructions may constitute a danger to persons, the environment and the product, and may invalidate the warranty.
Non-observance may lead to the following hazards:
- Injuries due to electrical, mechanical and bacteriological factors and electromagnetic fields.
- Damage to the environment due to leakage of hazardous materials.
- Damage to the installation.
- Failure of important product functions.
Also comply with the indications and safety instructions in other chapters!
Symbols
WARNING
General safety symbol
WARNING
Electrical risks
NOTICE
Notes
Warnings:
DANGER
Imminent danger.
May result in death or severe injuries if the hazard is not prevented.
WARNING
Non-observance may result in (very) severe injury.
CAUTION
The product risks becoming damaged. “Caution” is used when there is a risk to the product if the user does not observe procedures.
NOTICE
Note containing useful information for the user about the product. It assists the user in the case of an issue.
Personnel qualifications
The installation, application and maintenance personnel must have the appropriate qualifications to complete this work. The operator must ensure the personnel’s areas of responsibility, terms of reference and their supervision. If the personnel are not in possession of the necessary knowledge, they are to be trained and instructed. If necessary, this training can be carried out by the product’s manufacturer on the operator’s behalf.
Danger in the event of non-observance of the safety instructions
Non-observance of the safety instructions may constitute a danger to persons, the environment and the product/unit. Non-observance of the safety instructions also results in the loss of any claims to damages. More specifically, non-observance can result in the following risks:
- danger to persons from electrical, mechanical and bacteriological influences,
- damage to the environment due to leakage of hazardous materials,
- damage to property,
- failure of important product/unit functions,
- failure of required maintenance and repair processes.
Safety consciousness on the job
The existing directives for accident prevention must be adhered to. Danger from electrical current must be eliminated. Local directives or general directives [e.g. IEC, VDE etc.] and instructions from local energy supply companies must be respected.
Safety instructions for the operator
This device is not intended for use by persons (including children) with reduced physical, sensory or mental capabilities, or a lack of experience or knowledge, unless they are monitored or have been given detailed instructions concerning use of the device by a person responsible for their safety.
Children must be supervised to ensure that they do not play with the device.
- If hot or cold components of the product or installation pose a danger, it is the customer’s responsibility to guard them against being touched.
- Guards protecting against touching moving components (such as the coupling) must not be removed whilst the product is in operation.
- Hazardous fluids (i.e. which are explosive, toxic or hot) which have leaked (e.g. from the shaft seals) must be disposed of so that they pose no danger to persons or to the environment. National statutory provisions must be respected.
- Danger from electrical current must be eliminated. Local directives or general directives [e.g. IEC, VDE etc.] and instructions from local energy supply companies must be respected.
Safety instructions for installation and maintenance work
The operator must ensure that all maintenance and installation work is carried out by authorised and qualified personnel, who are sufficiently informed from their own detailed study of the installation and operating instructions. Work on the product/unit must only be carried out when at a standstill. The procedures described in the installation and operating instructions for deactivating the product/installation must always be complied with.
Immediately on conclusion of the work, all safety and protective devices must be put back in position and recommissioned.
Unauthorised modification of components and use of unauthorised spare parts
Unauthorised modification of components and use of unauthorised spare parts will impair the safety of the product/personnel, and will render the manufacturer’s declarations regarding safety void. Modifications to the product are only permissible following consultation with the manufacturer. Original spare parts and accessories authorised by the manufacturer ensure safety. The use of other parts absolves the manufacturing company of any and all liability.
Improper use
The operational reliability of the supplied product is only guaranteed for conventional use in accordance with Chapter 4 of the Installation and operating instructions. The limit values must on no account fall below or exceed the values specified in the catalogue/data sheet.
Use
Application
Wilo-Isar BOOST5 is an automatic pressure-boosting system with a variable speed function including:
- a high-efficiency self-priming electric pump,
- an expansion tank,
- pressure and volume flow sensors,
- a non-return valve.
Pump system designed for clean water pressure-boosting in the housing and agriculture sectors.
Supply from a well, water source, reservoir, city network,
For irrigation, sprinkling, pressure-boosting etc.
Description of the product
Description
- Compact, silent and high-performance pump system.
- Electric system offering smart and intuitive product control:
maintains constant system pressure by adjusting pump speed based on water demand, controls hydraulic and electric operating parameters and protects the pump from anomalies.
Fig. 1
- Main on/off switch
- Gland
- Control panel
- Filler screw
- Expansion tank screw
- Vent screw
- Drainage screw
- Discharge connection bent
- Suction connection bent
- Power supply cable
- Damping feet
- Connection fixation valves
Technical data
| Maximum utilisation pressure | |
| Maximum operating pressure | 5.5 bar |
| Maximum suction pressure | Ł.5 bar |
| Maximum volume flow | See plate |
| Delivery head Max. | See plate |
| suction geodesic head | 8 m |
| Start-up pressure | 1 bar |
| Temperature range | |
| Fluid temperature | 0 °C to +Ł0 °C |
| Ambient temperature | 0 °C to +Ł0 °C |
| Electrical data | |
| Voltage | 1 ~ 230 V AC |
| Frequency | 50 Hz |
| Power consumed | See plate |
| Rated current | See plate |
| Alarm relay contact | Max 0.3 A at 230 V AC/Max 1 A at 30 V DC |
| Protection class | IPXŁ |
| otor protection | Protection fuse max 12.5 A |
| Power supply cable | 1.5 m |
| Other characteristics | |
| Permissible fluid | Clean water |
| Sound level | 58 dB(A) in sound pressure at 1 m in normal operation |
| Dimensions (LxWxH) | 390×27Łx3ŁŁ mm |
| Connection on the discharge side | G1″ |
| Connection on the suction side | G1″ |
| Net mass (+/- 10 %) | 15 kg |
Type key
| Example: | Wilo-Isar BOOST5-E-3 |
| Wilo | Brand |
| Isar | Pressure-boosting system |
| BOOST | Domestic use |
| 5 | Built-in pump control |
| E | Controlled electronically |
| 3 or 5 | Rated volume flow in m3/h |
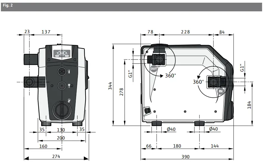
Dimensions
Fig. 2
Scope of delivery

Wilo-Isar BOOST5:
- System,
- 2 hydraulic connections G1″,
- 2 forks,
- 2 O-rings,
- Rapid installation/dismantling tool,
- Installation and operating instructions.
Description of control panel
Display

- Operation status indicator LED
Indication of adjustment value in bar
Pump running
Error or alarm - Adjustment buttons “-” or “+”
- On/Off button
- System status LED
System on stand-by

- The system is powered and not in operation.
- Operating LEDs off.
- System status LED solid green.
System running

- System powered and pump running.
- Operating LEDs indicate adjustment value.
- System status LED solid green.
System deactivated

- System powered and pump running.
- LED operating in circular mode.
- System status LED flashing green.
System error/alarm

- The system is powered and not in operation.
- Operating LEDs off.
- System status LED solid red.
Transport and interim storage
When receiving the product, check that it has not been damaged during transport. If any damage is found, take all necessary measures with the carrier in the time provided.
CAUTION
Risk of material damage
If the delivered material is to be installed at a later date, store it in a dry place and protect it from impacts and any external influences (humidity, frost etc.). Temperature range for transport and storage: -30 °C to +60 °C.
Handle the product with care so as not to damage it prior to installation.
Installation and electrical connection
All installation and electrical connection work must be carried out solely by authorised and qualified personnel, in accordance with applicable regulations.
WARNING
Physical injuries
The applicable regulations for the prevention of accidents must be complied with.
WARNING
Risk of electric shock
Hazards from electric current must be prevented.
Expansion card connection
WARNING
Risk of electric shock.
Hazards from electric current must be prevented.
CAUTION
Risk of material damage
Any device attached to the expansion card must be at separated extra-low voltage (SELV).
Do not pull the electric cables attached to the main on/off switch when removing the cover.
- Unscrew and remove the fastening screws on the cover.
- Partly remove the cover to access the expansion card terminal block.

| Terminal block key | ||
| 1-2 | Input | LEVEL SIGNAL – bridge in absence of signal |
| 3-Ł | Output | ALARM SIGNAL – max 0.3 A @ 230 V AC / 1 A @ 30 V DC |
| 5-6 | Not connected – Do not use | |
| 7-8 | 0 V | Not connected |
| 9-10 | Not connected – Do not use | |
Installation
CAUTION
Risk of material damage
Position the product horizontally and level.
Install the product in a dry, well-ventilated location protected from frost. The product is not designed for use outdoors.
Choose a location to suit the device dimensions (Fig. 3) where the connections will be accessible.
Receipt of the product
Unpack the pump and recycle or dispose of the packaging in an environmentally responsible manner.
Hydraulic connection
DANGER
Risk of physical injuries
The applicable regulations for the prevention of accidents must be complied with.
Hydraulic connections
DANGER
Risk of physical injuries
The applicable regulations for the prevention of accidents must be complied with.
See Fig. 3
- Adjust the feet to ensure the Wilo-Isar BOOST5 is properly level.
- Remove the fork covers.
- Remove the fork with force.
- Insert the hydraulic connections.
The suction pipe has a minimum diameter of 1″ and must be completely watertight. - Insert the forks correctly.
- Insert the fork covers.
Installation and hydraulic connection
WARNING
Risk of electric shock
All installation and electrical connection work must be carried out solely by approved personnel, in accordance with applicable regulations.
WARNING
During the initial phase of installation and maintenance, ensure there is no power being supplied.
During initial installation and maintenance, ensure the system is not pressurised.
Ensure the power supply network is equipped with protection devices, particularly a high-sensitivity differential switch (30 mA in class A) adjusted for protection against alternating direct, pulsed unipolar and high-frequency fault currents. Also check that the connection to the earth complies with the standards.
Check that the details on the plate are those required and adapted to the unit.
Install Wilo-Isar BOOST5 in a room:
- protected from external conditions (rain, cold, frost etc.),
- ventilated and free from excessive dust or humidity,
- in such a way that it is not exposed to harmful vibrations or mechanical stress from the attached pipes.
Working pressure adjustment
The working pressure of the Wilo-Isar BOOST5 is displayed by green LEDs that light up on the control panel.
It ranges from 1 to 5.5 bar
To adjust:
- Press the button “+” to display the working pressure.
- Press the buttons “+” or “-” to increase or reduce the working pressure.
Each time the “+” or “-” buttons are pressed, the value increases or decreases in increments of 0.5 bar.
Examples:
Press the button to display the working pressure. When the green LEDs are lit up as shown in the image, the working pressure is 2 bar.
- For instance, press the button “+” twice to adjust the working pressure to 3 bar. The value is increased by 1 bar (0.5 + 0.5 bar).
- The LEDs light up as shown in the image. The working pressure is 3 bar.

Inflating the expansion tank
CAUTION
Risk of material damage
The expansion tank built into the Wilo-Isar BOOST5 is pre-inflated to 1.5 bar at the factory. Optimum tank inflation ensures the smooth operation of the system and prevents premature bursting of the diaphragm.
WARNING
Risk of physical injuries
The tank must be inflated when the system pressure is zero. Maximum inflation pressure of 4 bar
CAUTION
Risk of material damage
Inflate the expansion tank to 1.5 bar less than the working pressure (see table).
| Working pressure (bar) | Inflation pressure (bar) |
| 3 | 1.5 |
| 3.5 | 2 |
| Ł | 2.5 |
| Ł.5 | 3 |
| 5 | 3.5 |
| 5.5 | Ł |
Inflation (Fig. 7) 
- Remove the screw,
- get a compressor,
- connect the compressor pipe to the filling valve,
- inflate the expansion tank to the desired pressure.
Self-priming operation
CAUTION
Risk of material damage
The pump is set to self-priming operation in the factory. If proper load operation is guaranteed or the supply is already pressurised, you can turn off the automatic priming function by turning the lever (Fig. 5) to the vertical position.
- Unscrew and remove the drainage screw. Risk of water leakage.
- Move the red lever into the vertical position to turn off the automatic self priming operation.
- Screw the drainage screw back on. Refill with water
Commissioning
Filling and starting
Filling and starting
WARNING
Qualified personnel only.
CAUTION
Risk of damaging the pump
Never run the Wilo-Isar BOOST5 dry in order to prevent damage to the mechanical seal.

Load operation (Fig. 4a)
- Open all the valves to fill the pump with water.
- Connect the plug to the mains
- Set the change-over switch to “I”
- Press the button to start the Wilo-Isar BOOST5
Suction operation (Fig. 4b)
- Unscrew and remove the filler screw and drainage screw.
- Pour around 1.5 litres of water until it comes out of the aeration hole (Fig. 6).

- Screw the filler screw and snifter screw back on.
- Open the water valve.
- Connect the plug to the mains
- Set the change-over switch to “I”
- Press and hold the buttons at the same time for 5 seconds.
Wilo-Isar BOOST5 enters priming mode.
- Press the On/Off switch on the control panel to start priming.
NOTICE
The priming process lasts no longer than 5 minutes. At the end of each minute, Wilo-Isar BOOST5 stops the electric pump automatically for 5 seconds, then restarts it. And so on until Wilo-Isar BOOST5 is primed. During this process, the LEDs will continue to flash. The priming stage may be brought to a close by timeout (5 minutes) or the end of the priming stage. The LEDs will stop flashing. If the pump does not prime itself, repeat the operation.
Alarm codes

| Flashing green LED + flashing red LED | |
| Alarm 1 | Low water. Starts after 7 seconds of no water at the suction side. Check for water at the suction side and fill the pump. DG PED attempts automatic restart after 1 min, 15 min, 30 min, 1 h, etc. |
| Alarm 2 | The pump does not reach the set pres- sure. Contact customer service. |
| Alarm 3 | The tank’s preload pressure is too low; in- flate the tank to 50 % of working pres- sure (for instance, if working pressure is 3 bar, inflate the tank to 1.5 bar). |
| Alarm Ł | Discharge pressure below 0.2 bar (broken pipe). Reset possible in manual mode only. Check why the pressure was reset to zero. |
| Alarm 5 | Supply voltage too low. Ensure 230 V ±10 % of power supply. |
| Alarm 6 | OFF signal from exterior. |
| Example | Pump in alarm state due to low water LED 1 flashing + red LED flashing = low water |

| Continuous green LED + flashing red LED | |
| Alarm 1 | Short-circuit. Turn off the device and contact customer service. Reset possible in manual mode only. |
| Alarm 2 | Excess current. The current absorbed ex- ceeds the authorised tolerance. Reset possible in manual mode only. Contact customer service if the problem persists. |
| Alarm 3 | Excessive module temperature. Check the temperature of the liquid being pumped. If the liquid’s temperature is above Ł0 °C, contact customer service. Automatic re- set if the temperature falls below the alarm level. |
| Alarm Ł | Excessive motor temperature. Check the temperature of the liquid being pumped. If the liquid’s temperature is not above Ł0 °C, contact a support centre. Auto- matic reset if the temperature falls below the alarm level. |
| Alarm 5 | Invalid pressure sensor signal. Contact customer service. |
| Alarm 6 | Invalid volume flow sensor signal. Contact customer service. |
| Example | Pump in alarm state due to short-circuit LED 1 continuous + flashing red LED = short-circuit |
Maintenance
Inspection and cleaning of non-return valve (Fig. 8)
- After lowering the system pressure, unscrew and remove the filler screw.
- Remove the non-return valve unit by unscrewing the fastening screw.
- Inspect and clean it.
- Reinstall the non-return valve unit. Make sure it is oriented correctly.
- Screw the filler screw back on properly.
Faults, causes and remedies
WARNING
Risk of electric shock
Danger from electrical current must be eliminated. Ensure that the pump’s power supply is switched off and secured against unauthorised reactivation before performing any electrical work.
| Fault | LED signal | Remedy |
| The control panel does not light up | LEDs turned off | Check that the side switch is set to “I”. Check the presence of mains power supply and conformity of the residual-current device. |
| Pump does not start | Red LED continuously lit | Switch on the pump by pressing the “I/O” button. |
| Flashing red LED | See the list of alarm codes in Section 8 | |
| Green LED continuously lit | System pressure does not fall below the set working pressure. | |
| Low water alarm | Flashing red LED, flashing green LEDs in position 1 | Check for water at the suction side. Ensure the suction is not obstructed. Fill and prime the pump. |
| Short-circuit alarm | Flashing red LED, continuous green LEDs in position 1. | Check the pump is not blocked by opening the plug at the back of the motor and turning the shaft |
| Check that the cable, plug and socket are intact and there are no leakages | ||
| Low voltage alarm | Flashing red LED, flashing green LEDs in position 5. | Voltage is more than 15 % lower than value indicated on signal plate. Stabilise voltage to keep it within the limits ±15%. |
Spare parts
All spare parts should be ordered directly from the Wilo customer service. To prevent errors, always quote the data on the pump’s rating plate when making an order. The spare parts catalogue is available at www.wilo.com
Disposal
Information on the collection of used electrical and electronic products.
Proper disposal and appropriate recycling of this product prevents damage to the environment and dangers to your personal health.
NOTICE
Disposal as domestic waste is forbidden!
In the European Union, this symbol can appear on the product, the packaging or the accompanying documentation. It means that the electrical and electronic products in question must not be disposed of along with domestic waste.
To ensure proper handling, recycling and disposal of the used products in question, please note the following points:
- Only hand over these products at designated, certified collecting points.
- Observe the locally applicable regulations! Please consult your local municipality, the nearest waste disposal site, or the dealer who sold the product to you for information on proper disposal. For further information on recycling, go to www.wilorecycling.com.
Subject to change without prior notice.
Local contact at
www.wilo.com/contact
WILO SE
Wilopark 1
44263 Dortmund
Germany
T +49 (0)231 4102-0
T +49 (0)231 4102-7363
[email protected]
www.wilo.com





















