CARTER-HOFFMANN HL5 Series HL5-18-12 Heated Holding Cabinets Owner’s Manual
SAFETY PRECAUTIONS
WARNING: ELECTRIC SHOCK HAZARD
All service requiring access to non-insulated components must be performed by qualified service personnel. Failure to heed this warning may result in severe electric shock.
CAUTION: ELECTRIC SHOCK HAZARD
Disconnect this appliance from electrical power before performing any maintenance or service.
CAUTION: BURN HAZARD
Exposed metal surfaces can be hot to the touch and may cause burns.
IMPORTANT SAFETY INSTRUCTIONS
When using electrical appliances basic safety precautions should be adhered to, including the following:
- Be familiar with the appliance use, limitations and associated restrictions.
Operating instructions must be read and understood by all persons using or installing this appliance. - This appliance must be grounded. Connect only to properly grounded outlet.
- Use this appliance only for its intended purpose as described in the manual.
- This equipment is specifically designed to hold pre-cooked food at temperature.
- This equipment is intended for use in commercial establishments only.
- This equipment is not designed for industrial or laboratory use.
- Cleanliness of this appliance and its accessories is essential to good sanitation.
- DO NOT submerge this appliance in water. This appliance is not jet stream approved.
DO NOT direct water jet or steam jet at this appliance, or at any control panel or wiring.
DO NOT splash or pour water on, in or over any controls, control panel or wiring.
DO NOT use corrosive chemicals or vapors in this appliance. - DO NOT store this appliance outdoors.
DO NOT use this product near water – for example, near a kitchen sink, in a wet basement, or near a swimming pool, and the like. - DO NOT operate this appliance if it has a damaged cord or plug, if it is not working properly, or if it has been damaged or dropped.
Do not immerse cord or plug in water, keep cord away from heated surfaces, and do not let cord hang over edge of table or counter. - DO NOT cover or block any openings on the appliance.
- Only qualified service personnel should service this appliance.
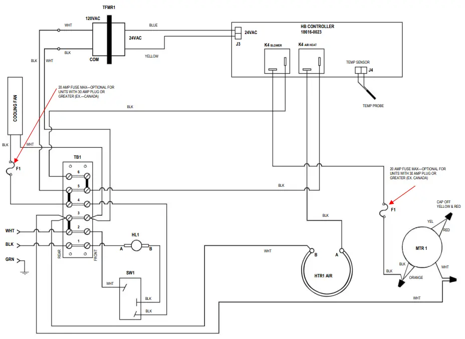
NOTE: The technical content of this manual, including any wiring diagrams, schematics, parts breakdown illustrations and/or adjustment procedures, is intended for use by qualified technical personnel and is subject to change without notice.
FEATURES & SPECIFICATIONS
- Precision-engineered heat ducts with blower for even heat throughout cabinet.
- Analog temperature dial and temperature read-out
- Under-counter, 1/2-size, 3/4 size and full size
- Heavy-duty casters, two swivel with brake, two rigid
- Field reversible doors are standard. Clear glass doors are optional.
- Insulated lightweight aluminum construction with top mounted heating system and controls
- Adjustable universal stainless steel tray slides; fixed angle slides for 18”x26” sheet pans are optional.
- HL5-18-12 holding/transport cabinet includes additional features such as Dutch doors, full door handles, transport latches & wrap-around bumpers as standard features.

Cabinets with Adjustable Universal Slides for 12”x20” Pans, 18” x 26” Trays and Gastronorm Pans
| Cabinets with Adjustable Universal Slides for 12”x20” Pans, 18” x 26” Trays and Gastronomy Pans | |||||||||
| Model Number | Pan/Tray Capacity* 12”x20” 18”x26” | Slide Pairs Provided | Inside Working Height in (mm) | Overall Dimensions Height Depth Width in (mm) | Caster Diameter in (mm) | Class 100 Shipping Weight lbs (kg) | |||
| HL5-5 (under-counter) | 10 | 5 | 5 | 16-15/16 (430) | 33-1/2 (851) | 33-1/16 (840) | 28 3/16 (716) | 3 (76) | 203 (92) |
| HL5-8 (1/2 size) | 16 | 8 | 8 | 29-9/16 (675) | 45-1/2 (1156) | 33-1/16 (840) | 28 3/16 (716) | 5 (127) | 241 (109) |
| HL5-14 (3/4 size) | 28 | 14 | 14 | 45-1/2 (1156) | 64-3/8 (1635) | 33-1/16 (840) | 28 3/16 (716) | 5 (127) | 317 (143) |
| HL5-18 (full size) | 36 | 18 | 18 | 57-1/2 (1461) | 76-3/8 (1940) | 33-1/16 (840) | 28 3/16 (716) | 5 (127) | 371 (168) |
| HL5-18-12 (full size) | 24 | 12 | 12 | ||||||
Spacing on 3” centers, adjustable on 1.5” increments, except for HL5-18-12 which has spacing on 4.5” centers.
International voltage:
220 volts, 1100 watts, 5 Amps, 50 Hz, 1 Ph, plug cap per specific country requirements / standards
International voltage:
220 volts, 2100 watts, 9.5 Amps, 50 Hz, 1 Ph, plug cap per specific country requirements / standards.
UNPACKING AND INSPECTION
- Remove the cabinet from shipping carton, ensuring that all packing materials and protective plastic has been removed from the unit.
- Inspect all components for completeness and condition.
- If any freight damage is present, a freight claim must be filed immediately with the shipping company.
- Freight damage is not covered under warranty.
- Check to insure all components are included: cabinet, instruction packet and additional accessories.
- Read operation instructions completely.
- Appliance should be thoroughly cleaned before use.
See CLEANING INSTRUCTIONS in this manual.
This appliance should be thoroughly cleaned prior to use.
See the CLEANING INSTRUCTIONS in this manual.
NOTE: DO NOT discard the carton or other packing materials until you have inspected the appliance for hidden damage and checked it for proper operation.
Refer to SHIPPING DAMAGE CLAIM PROCEDURE on bottom of this page.
FREIGHT DAMAGE PROCEDURE
NOTE: For your protection, please note that equipment in this shipment was carefully inspected and packaged by skilled personnel before leaving the factory. Upon acceptance of this shipment, the transportation company assumes full responsibility for its safe delivery.
IF SHIPMENT ARRIVES DAMAGED:
- VISIBLE LOSS OR DAMAGE: Be certain that any visible loss or damage is noted on the freight bill or express receipt, and that the note of loss or damage is signed by the delivery person.
- FILE CLAIM FOR DAMAGE IMMEDIATELY: Regardless of the extent of damage. Contact your dealer immediately.
- CONCEALED DAMAGE: If damage is unnoticed until the merchandise is unpacked, notify the transportation company or carrier immediately, and then file a “CONCEALED DAMAGE” claim with them.
This should be done within fifteen (15) days from the date the delivery was made to you. Be sure to retain the container for inspection.
Carter-Hoffmann cannot assume liability for damage or loss incurred in transit, freight damage is not covered under warranty. We will, however, at your request, supply you with the necessary documents to support your claim.
INSTALLATION AND STARTUP
WARNING:
Risk of personal injury
Installation procedures must be performed by a qualified technician with full knowledge of all applicable electrical codes.
Failure could result in personal injury and property damage.
IMPORTANT:
Power cord is 10′ long
If necessary, contact a licensed electrician to install an appropriate electrical circuit with correct NEMA receptacle.
DO NOT use an extension cord.
CAUTION:
Electrical Shock Hazard
The ground prong of the power cord is part of a system designed to protect you from electric shock in the event of internal damage.
DO NOT cut off the large round ground prong or twist a blade to fit an existing receptacle.
IMPORTANT:
Not under warranty
Damage to unit due to being connected to the wrong voltage or phase is NOT covered by warranty.
WARNING:
Risk of personal injury
Unit is not waterproof, to avoid electrical shock, keep unit and counter from being submerged in water. Do not operate if unit has been in contact with water.
LOCATION
For proper operation and maximum performance, locate the unit in an ambient air temperature of 70ºF (21ºC). Avoid placement in areas near exhaust fans or where there are active air movements.
For safe operation and maximum performance, locate the unit at least 2” from any wall or combustible material. Unit must be on a solid level surface.
GROUNDING INSTRUCTIONS
This appliance is equipped with a cord having a grounding wire with a grounding plug which must be plugged into an outlet that is properly installed and grounded. In the event of an electrical short circuit, grounding reduces the risk of electric shock by providing an escape wire for the electric current.
WARNING: Improper use of the grounding can result in a risk of electric shock. Consult a qualified electrician or service agent if the grounding instructions are not completely understood, or if doubt exists as to whether the appliance is properly grounded.
START-UP
- Prior to use, thoroughly clean the interior of the unit, per the instructions in this manual.
- Plug the power cord of the cabinet into a grounded outlet with a electrical service according to the electrical information provided at right.
- Set POWER switch to the “ON” position.
- Do not load product into the cabinet.
Allow the heat to remove any residual oils which may adhere to inside metal surfaces. A slight emission of smoke is common during the first few hours of operation.
International voltage:
220 volts, 1100 watts, 5 Amps, 50 Hz, 1 Ph
plug cap per specific country requirements / standards
International voltage:
220 volts, 2100 watts, 9.5 Amps, 50 Hz, 1 Ph
Consult serial tag on cabinet for low wattage electrical specifications.
Control panel layout

NORMAL OPERATION
CAUTION:
HOT SURFACE
Inner surfaces of the unit will be very hot during and after operation.
Avoid touching the cabinet when loading or removing product.
Operating ranges:
– air temp: 90ºF-200ºF
- Turn the cabinet on using the power switch located on the far left side of the control panel. Once the switch is turned on, power indicating light will illuminate.
- To adjust the temperature setting, rotate the HEAT dial to the desired set point*.
It will take approximately 30 minutes for the cabinet to preheat to your setting.
Once cabinet reaches temperature setting, power indicating light will go on and off as element cycles to maintain cabinet temperature setting. - Load cabinet with pans or trays.
- When removing items, start at the bottom and work up to the top. This keeps food hotter and eliminates spillage onto lower
items.
*For food safety reasons, it is recommended that the holding temperature be set at 140°F or higher.
FOOD HOLDING GUIDE
CAUTION: SAFE FOOD HOLDING PRACTICES RECOMMENDED
Cooking food to a safe temperature, holding at a temperature of at least 140°F is critical in the prevention of
foodborne illness. Hold only cooked, hot food at 140°F or higher. This cabinet is not intended to cook or reheat food. Food must be at appropriate temperature before being placed into cabinet.
| PRODUCT (Covered Food, except where noted) | SET TEMPERA- TURE (°F /°C) | MAXIMUM TIME (MINUTES) |
| Bacon, Canadian | 180°F / 82°C | 30 |
| Bacon, Crisp (uncovered) | 180°F / 82°C | 30 |
| Baked Potato | 180°F / 82°C | 60 |
| Biscuits | 170°F / 77°C | 60 |
| Casseroles | 175°F / 79°C | 90 |
| Chops, Sliced Meats | 160°F / 71°C | 60 |
| Chicken, Fried (uncovered) | 170°F / 77°C | 30 |
| Chicken, Boneless Breasts | 175°F / 79°C | 60 |
| Chicken Nuggets, Deep Fried (uncovered) | 190°F / 88°C | 25 |
| Chicken, Pre-Cooked Grilled Boneless Patties | 175°F / 79°C | 90 |
| Coffee Cakes (uncovered) | 170°F / 77°C | 60 |
| Cookies (uncovered) | 175°F / 79°C | 90 |
| Crab Legs | 160°F / 71°C | 45 |
| Croissants | 170°F / 77°C | 45 |
| Eggs | 160°F / 71°C | 45 |
| Fish, Deep-Fried (uncovered) | 170°F / 77°C | 30 |
| Fish, Baked | 155°F / 68°C | 45 |
| Fish, Broiled | 155°F / 68°C | 45 |
| French Toast | 165°F / 74°C | 60 |
| Gravies / Sauces | 170°F / 77°C | 45 |
| Hamburgers / Ground Meat Patties | 180°F / 82°C | 45 |
| Hot Dogs | 180°F / 82°C | 90 |
| Muffins | 170°F / 77°C | 60 |
| Omelets | 160°F / 71°C | 30 |
| Pancakes | 180°F / 82°C | 30 |
| Pasta | 175°F / 79°C | 60 |
| Pastries | 165°F / 74°C | 30 |
| Pizza (uncovered) | 180°F / 82°C | 15 |
| Pizza (boxed) | 180°F / 82°C | 60 |
| Poppers, Deep Fried (uncovered) | 190°F / 88°C | 25 |
| Poultry, Whole, bone-in | 175°F / 79°C | 60 |
| Poultry, Cut-up, bone-in | 175°F / 79°C | 60 |
| Ribs | 175°F / 79°C | 90 |
| Rice | 175°F / 79°C | 30 |
| Roasts / Bone-in Meats | 165°F / 74°C | 90 |
| Sausage | 180°F / 82°C | 90 |
| Shrimp / Shellfish | 150°F / 66°C | 60 |
| Soups (broth) | 185°F / 85°C | 90 |
| Tortillas (soft) | 180°F / 82°C | 60 |
| Vegetables | 175°F / 79°C | 45 |
NOTE: Times and temperatures observed in a test kitchen environment.
Times and temperatures may vary, depending on initial food quality, initial cooked temperature and user expectations of acceptable food quality.
DAILY CLEANING PROCEDURES
CAUTION:
ELECTRIC SHOCK HAZARD
Disconnect appliance from electric power before cleaning.
CAUTION:
HOT SURFACE
Exposed surfaces can be hot to the touch and may cause burns. Allow appliance to cool before cleaning.
IMPORTANT:
DO NOT spill or pour water into controls, control panel or wiring. Water damage is not covered by warranty.
CAUTION:
Beware of sharp edges with sheet metal during cleaning process.
- After all food products have been removed from the cabinet, turn the power switch to “OFF” and allow the cabinet to cool.
- Unplug the unit prior to any cleaning.
- Remove the side heat duct and rack assemblies. Clean the inside of the unit as well as the removed parts. Reinstall when all parts are dry and clean.
- A solution of two tablespoons of baking soda per quart of warm water is sufficient for most cleaning jobs. Mild soap or
detergent may be used on heavily soiled interiors—follow manufacturer’s directions. - Inspect and clean the areas where there are vents or filters, making sure no water gets into the internal controls or
electrical areas of the cabinet. - Plastic control panel should be washed with a clean damp cloth and chlorine-free detergent. Rinse thoroughly with clean
damp cloth and allow to dry. Do not use abrasive cleaners, waxes, car polish, or substances containing strong aromatic
solvents or alcohol. - If cabinet has a clear glass door, clean with window cleaner, taking care not to get any of the solution on the aluminum cabinet walls. Stubborn deposits may be cleaned with a mild soap and water and then rinsed with clean water. Use a soft,
non-abrasive cloth to avoid scratching the door.
CAUTION:
Do not use strong detergents, alkalis, ammonia solutions or abrasive cleaners.
Use only cleaning agents approved for aluminum and only in the recommended manufacturer’s concentration.
Do not use steel wool pads—ferrous deposits will cause rusting.
Use of cleaning agents that are not recommended for aluminum may
cause permanent damage to the cabinet. THIS DAMAGE IS PERMANENT, COSTLY TO REPAIR AND IS NOT COVERED BY THE WARRANTY.
CABINET MAINTENANCE
WARNING:
DO NOT perform these procedures while the cabinet is turned on or heated.
Turn off the power and wait for the cabinet to cool to room temperature.
CAUTION:
Do not move cabinet unless door is securely closed. Serious damage to hinges and door may result if bumped into tables, walls, or
other equipment when the doors are open.
CASTERS
Caster bearings are equipped with Zerk grease fittings so that they may be easily lubricated with a grease gun. Lubricate bearings at least once every six months.
REPLACING THE DOOR GASKET
- Remove the screws located under the gasket on the cabinet.
- Remove the gasket and discard.
- Install the new gasket and replace the screws.
REVERSING THE DOOR
Reversing the door takes about 30 minutes & requires two people.
- Using a small screwdriver, pry off the hinge covers and set aside. Removing the covers will allow access to the inside
hinge screws. Remove the three screws that hold each hinge to the cabinet. DO NOT REMOVE THE SCREWS THAT
HOLD THE HINGES TO THE DOOR. Remove the door, taking care not to let it fall. - Remove the door strike plate and screws adjacent to the door opening on the cabinet. Reinstall door strike plate and screws
on opposite side of the cabinet. - Screw hinges onto opposite side of the door.
- With the help of another person, hold door up to the cabinet and attach with the screws removed in step one. Before tightening the screws, be sure the door is flush, level and square.
Replace the hinge covers
HL5 SERIES WITH ANALOG CONTROL
120 VOLT, 2000 WATT, 17 AMP, 1 PH, 60 HZ or 120 VOLT, 1000 WATT, 9.2 AMP, 1 PH, 60HZ
TROUBLESHOOTING GUIDE
| SYMPTOM | POSSIBLE CAUSE | SUGGESTED REMEDY |
| No power on display | Not plugged in or circuit breaker tripped | Check or reset circuit breaker Connect to proper receptacle |
| Power cord damaged | Check – replace if required | |
| Power switch damaged or defective | Check – replace if required | |
| Food dries out too quickly | Operation where product temp is too high | Check product temps going into holding cabinet |
| Control incorrectly set or defective | Check proper operation or calibration of control | |
| Unit is on, motors are running but no heat | Internal wiring error | Call service technician |
| Element hi-limit trip / defective | Call service technician | |
| Takes too long to get to temperature | Improper voltage | Call service technician to verify incoming voltage matches cabinet specifications. |
| Unit is hot but low or no airflow | Internal wiring error | Call service technician |
| Circulation motor has quit | Call service technician | |
| Improper voltage | Call service technician to verify incoming voltage matches cabinet specifications. | |
NOTE:
The technical content of this manual, including any wiring diagrams, schematics, parts breakdown illustrations and / or adjustment procedures, is intended for use ONLY by qualified technical personnel.
NOTE:
For warranty service, call Carter-Hoffmann direct at 800-323-9793 for authorization, we will dispatch the nearest authorized
service agency.
3-YEAR WARRANTY on HOTLOGIX HOLDING CABINETS
Carter-Hoffmann Warranty:
Carter-Hoffmann (“CARTER-HOFFMANN”) warrants to the initial purchaser of its standard Carter Line Products that CARTER-HOFFMANN will, at its option, repair or replace, during the warranty period set forth below, any part of such products made necessary due to a defect in material or workmanship which is present when the product leaves its factory and which manifests itself during the warranty period under normal use and service.
This warranty applies only to original equipment owned and possessed by the initial purchaser and the warranty period begins on the date of original shipment from the CARTER-HOFFMANN factory and extends as follows: to component parts and labor for 12 months (36 months on hotLOGIX holding cabinets and cook & hold cabinets); to refrigeration compressor unit for one year (limited to replacement only – not to include labor for removal, repair or replacement).
Repair or replacements under this warranty will be performed, unless otherwise authorized in writing by CARTER-HOFFMANN, at its factory. All parts or components to be repaired or replaced under this warranty are to be shipped prepaid to CARTER-HOFFMANN, with reimbursement credit for such part or component to be given if found by CARTER-HOFFMANN to be defective.
CARTER-HOFFMANN neither makes nor assumes and does not authorize any other person to make or
assume any obligation or liability in connection with its products other than that covered in this warranty. This warranty applies only within the continental United States and Canada. In Alaska and Hawaii, this warranty applies only to and is limited to the supply of replacement parts.
Warranty Exclusions and Limitations:
Any implied warranty of merchantability or fitness for a particular purpose is hereby specifically disclaimed by CARTER-HOFFMANN. There are no warranties, expressed or implied, which extend beyond the description on the face hereof. This warranty does not cover and CARTER-HOFFMANN shall not under any circumstances be liable for any incidental, consequential or other damages (such as injury to persons or property, loss of time, inconvenience, loss of business or profits, or other matters not specifically covered) arising in connection with the use of, inability to use, or failure of these products.
Customer Support
Carter-Hoffmann
1551 McCormick Ave.
Mundelein, Illinois, 60060 USA
Phone: 847-362-5500
Toll free: 800-323-9793
Fax: 847-367-8981
Sales and Marketing E-mail: [email protected]
Service E-mail: [email protected]
Company Website: www.carter-hoffmann.com






















