CARTER-HOFFMANN HL9 Series Humidified Holding Cabinets

HL9 Series HUMIDIFIED HOLDING CABINETS
MODELS: HL9-5, HL9-8, HL9-14 & HL9-18
(Formerly: HWU18S1XM, HWU14S1XM, HWU8S1XM & HWU5S1XM HWC36S1XM, HWC28S1XM, HWC16S1XM & HWC10S1XM)
OWNERS / OPERATOR’S MANUAL
MANUFACTURED BY:
CARTER-HOFFMANN
1551 McCormick Avenue Mundelein, IL 60060 U.S.A.
- Phone: 847-362-5500
- Fax: 847-367-8981
- Toll Free: 800-323-9793
- Email: [email protected]
SAFETY PRECAUTIONS
WARNING: ELECTRIC SHOCK HAZARD
All services requiring access to non-insulated components must be performed by qualified service personnel. Failure to heed this warning may result in severe electric shock.
CAUTION: ELECTRIC SHOCK HAZARD
Disconnect this appliance from electrical power before performing any maintenance or service.
CAUTION: BURN HAZARD
Exposed metal surfaces can be hot to the touch and may cause burns.
CAUTION: STEAM HAZARD
This cabinet produces steam and may cause burns. Use caution when opening the doors for escaping steam.
IMPORTANT SAFETY INSTRUCTIONS
When using electrical appliances basic safety precautions should be adhered to, including the following:
- Be familiar with the appliance use, limitations and associated restrictions. Operating instructions must be read and understood by all persons using or installing this appliance.
- This appliance must be grounded. Connect only to a properly grounded outlet.
- Use this appliance only for its intended purpose as described in the manual.
- This equipment is specifically designed to hold pre-cooked food at temperature.
- This equipment is intended for use in commercial establishments only.
- This equipment is not designed for industrial or laboratory use.
- The cleanliness of this appliance and its accessories is essential to good sanitation.
- DO NOT submerge this appliance in water. This appliance is not jet-stream-approved. DO NOT direct water jet or steam jet at this appliance, or at any control panel or wiring. DO NOT splash or pour water on, in or over any controls, control panel or wiring. DO NOT use corrosive chemicals or vapors in this appliance.
- DO NOT store this appliance outdoors. DO NOT use this product near water – for example,
near a kitchen sink, in a wet basement, or near a swimming pool, and the like. - DO NOT operate this appliance if it has a damaged cord or plug, if it is not working properly, or if it has been damaged or dropped. Do not immerse cord or plug in water, keep cord away from heated surfaces, and do not let cord hang over edge of the table or counter.
- DO NOT cover or block any openings on the appliance.
- Only qualified service personnel should service this appliance.
NOTE: The technical content of this manual, including any wiring diagrams, schematics, parts breakdown illustrations and/or adjustment procedures, is intended for use by qualified technical personnel and is subject to change without notice.
FEATURES & SPECIFICATIONS

- Precision-engineered heat ducts with blower for even heat and humidity.
- 90% humidity attainable at high temperatures. Temperature range of 85°F – 200°F.
- Simple dial controls for heat and humidity. Easy color match to set proper temperature and humidity. Dial temperature readout.
- Can be operated with or without humidity.
- Low water indicator light.
- Under-counter, 1/2-size, 3/4 size and full size cabinets.
- All swivel heavy-duty casters, front casters fitted with brakes.
- Stainless steel door(s) is the standard, optional clear door(s) — field reversible.
- The top-mounted enclosed water reservoir cannot be contaminated by food debris.
- Off-the-shelf standard pan is easy to clean and inexpensive to replace.
- Adjustable universal stainless steel pan slides are standard; Fixed angle slides for 18”x26” are optional.
Cabinets with Adjustable Universal Slides for 12”x20” Pans, 18” x 26” Trays and Gastronorm Pans Model Number Pan/Tray Capacity Adjustable spacing from 1.5” to 3” centers
12”x20” 18”x26”
Slide Pairs Provided Inside Working Height in (mm) Overall Dimensions Height Depth Width in (mm) Caster Diameter in (mm) Class 100 Shipping Weight lbs (kg) HL9-5 (under-counter)
10 5 5 15-5/16 (389) 33-1/2 (851) 33-1/16 (840) 28 3/16 (716)
3 (76)
271 (123)
HL9-8 (1/2 size)
16 8 8 24-15/16 (633) 45-1/2 (1156) 33-1/16 (840) 28 3/16 (716)
5 (127)
322 (146)
HL9-14 (3/4 size)
28 14 14 42-1/2 (1080) 64-3/8 (1635) 33-1/16 (840) 28 3/16 (716)
5 (127)
423 (192)
HL9-18 (full size)
36 18 18 54-1/2 (1384) 76-3/8 (1940) 33-1/16 (840) 28 3/16 (716)
5 (127)
495 (225)
Top-mounted enclosed water reservoir cannot be contaminated by food debris.
Off-the-shelf standard size pan is easy to clean and inexpensive to replace.
2100 Watts 120 volts 17.5 Amps 60 Hz Single Phase
Cabinets with CE Electrical Configuration: 2200 watts, 230 volts, 9.7 amps, 50 Hz Plug cap per specific country requirements / standards
UNPACKING AND INSPECTION
This appliance should be thoroughly cleaned prior to use. See the CLEANING INSTRUCTIONS in this manual.
NOTE: DO NOT discard the carton or other packing materials until you have inspected the appliance for hidden damage and checked it for proper operation. Refer to FREIGHT DAMAGE CLAIM PROCEDURE on bottom of this page.
- Remove the cabinet from shipping carton, ensuring that all pack-ing materials and protective plastic have been removed from the unit.
- Inspect all components for completeness and condition.
- tray racks: Qty 2—one on each side of the cabinet. HWC cabinets will have angle slides welded to the tray racks. HWU cabinets will include a separate box of universal tray slides, located on the bottom of the cabinet
- condensation drip trough
- amber plastic water reservoir
- If any freight damage is present, a freight claim must be filed im-mediately with the shipping company.
- Freight damage is not covered under warranty.
- Check to insure all components are included: cabinet, instruction packet and additional accessories: amber water reservoir, stain-less steel water trough.
- Read operation instructions completely.
- Appliance should be thoroughly cleaned before use. See CLEANING INSTRUCTIONS in this manual.
FREIGHT DAMAGE PROCEDURE
NOTE: For your protection, please note that equipment in this shipment was carefully inspected and packaged by skilled personnel before leaving the factory. Upon acceptance of this shipment, the transportation company assumes full responsibility for its safe delivery.
IF SHIPMENT ARRIVES DAMAGED:
- VISIBLE LOSS OR DAMAGE: Be certain that any visible loss or damage is noted on the freight bill or express receipt, and that the note of loss or damage is signed by the delivery person.
- FILE CLAIM FOR DAMAGE IMMEDIATELY: Regardless of the extent of the damage. Contact your dealer immediately.
- CONCEALED DAMAGE: If damage is unnoticed until the merchandise is unpacked, notify the transportation company or carrier immediately, and then file a “CONCEALED DAMAGE” claim with them. This should be done within fifteen (15) days from the date the delivery was made to you. Be sure to retain the container for inspection.
Carter-Hoffmann cannot assume liability for damage or loss incurred in transit, freight damage is not covered under warranty. We will, however, at your request, supply you with the necessary documents to support your claim.
GROUNDING INSTRUCTIONS
This appliance is equipped with a cord having a grounding wire with a grounding plug which must be plugged into an outlet that is properly installed and grounded. In the event of an electrical short circuit, grounding reduces the risk of electric shock by providing an escape wire for the electric current.
WARNING Improper use of the grounding can result in a risk of electric shock. Consult a qualified electrician or service agent if the grounding instructions are not completely understood, or if doubt exists as to whether the appliance is properly grounded.
INSTALLATION and STARTUP
WARNING: Risk of personal injury Installation procedures must be performed by a qualified technician with full knowledge of all applicable electrical codes. Failure could result in personal injury and property damage.
IMPORTANT: Not under warranty Damage to unit due to being connected to the wrong voltage or phase is NOT covered by warranty. If necessary, contact a licensed electrician to install an appropriate 20-amp electrical circuit with the correct NEMA receptacle. Power cord is 10′ long. DO NOT use an extension cord. Cabinets with CE Electrical Configuration: 2200 watts, 230 volts, 9.7 amps, 50 Hz Plug cap per specific country requirements/standards
CAUTION: Electrical Shock Hazard The ground prong of the power cord is part of a system designed to protect you from electric shock in the event of internal damage. DO NOT cut off the large round ground prong or twist a blade to fit an existing receptacle.
WARNING: Risk of personal injury Unit is not waterproof, to avoid electrical shock, keep unit and counter from being submerged in water. Do not operate if unit has been in contact with water.
LOCATION
For proper operation and maximum performance, locate the unit in an ambient air temperature of 70ºF (21ºC). Avoid placement in areas near exhaust fans or where there are active air movements. For safe operation and maximum performance, locate the unit at least 2” from any wall or combustible material. Unit must be on a solid level surface.
STARTUP
- Prior to use, thoroughly clean the interior of the unit and the water reservoir, per the instructions in this manual.
- Install water trough at base of door. Keyhole cutouts will fit over bolts at the base of the door. Slide through until the ends are flush with the edges of the door.

- If the cabinet is an HWU, install the universal pan slides in each tray rack located at each side of the cabinet. Standard spacing is every other slot (3” apart). Begin with the lowest slot at the bottom of the cabinet and work your way up. Hold the slide at an angle and line up the tabs at either end with the slots in the tray rack. Slide the tabs into the slots, then tilt the slide down so that it is level.
- Install water reservoir by pull- ing out the metal frame at the upper left front of the cabinet interior in front of the ele- ment. Slide pan up and then forward so that it hangs from inside the metal frame; make sure the element is inside the pan. Push entire assembly back into the cabinet.

- Plug the power cord of the cabinet into a grounded outlet with a minimum 20 Amp 120VAC, 60HZ, single phase electrical service.
- Set POWER switch to the “ON” position.
- Set temperature dial to 190°F. Do not fill humidity pan. Set humidity dial to off (line up white dot on dial with white hash mark, located at top of dial on control panel)
- Do not load product into the cabinet. Allow the heat to re-move any residual oils which may adhere to inside metal sur-faces. A slight emission of smoke is common during the first few hours of operation.
Control panel layout

NORMAL OPERATION
CAUTION: HOT SURFACE Inner surfaces of the unit will be very hot during and after operation. Avoid touching the cabinet when loading or removing product.
Operating ranges
- air temp: 85ºF-200ºF
- humidity: OFF-90%
CAUTION: STEAM HAZARD This unit produces steam, use caution when cleaning or opening the doors.
CAUTION: WATER HAZARD A water trough is located at the base of the door to col-lect condensation. Make sure to periodically check and empty it regularly to avoid overflow. The trough can be removed and emp-tied by simply sliding it off the bolts at the base of the door. 
The Logix9 Series Humidified Holding Cabinet is equipped with two dials to control the temperature and humidity settings. Before using, familiarize yourself with the cabinet controls. See detail on page six of this manual. This holding cabinet is equipped with an active air flow and humidity system. Warm air flows over the water that is heated by an element in the reservoir and is distributed via ducts on the sides of the cabi-net. As the cabinet maintains the desired humidity level, water will be used from the reservoir. When the water level drops below the low level probe, the low water light will illuminate. To maintain de-sired humidity, replenish water supply in reservoir at this time.
HOLDING
- 1. Fill water reservoir with WARM WATER if humidity is desired (cabinet may also be operated without humidity). Watch water level in amber water pan. Do not overfill. Approximate capacity: HL9-5 & HL9-8: one gallon HL9-14 & HL9-18: two gallons
- Turn cabinet on and set temperature and humidity dials to desired settings (see chart on page 8). Allow cabinet to preheat for 45 minutes.
- Load cabinet with pans or trays. Load from top to bottom for best results.
- When removing items, start at the bottom and work to the top. This keeps food hotter and eliminates spillage onto lower items.
Due to food safety concerns, we recommend that the holding temperature should not be set below 140°F.
PROOFING
- Fill water reservoir with WARM WATER. Watch water level in amber water pan. Do not overfill. Approximate capacity:
- HL9-5 & HL9-8: one gallon
- HL9-14 & HL9-18: two gallons
- Turn cabinet on. Set temperature dial to lowest setting and humidity to 90% (H, Yellow Zone). Allow cabinet to preheat for 45 minutes.
- Load cabinet with pans or trays. Load from top to bottom for best results.
- Proof according to your recipe instructions.
- When removing items, start at the bottom and work to the top. This keeps food hotter and eliminates spillage onto lower items.
Water reservoir is located at top left of the cabinet interior. To fill, pull out the metal frame with the pan. IF THE CABINET IS HOT, USE OVEN MITTS AND PROCEED WITH CAUTION—FRAME AND WATER WILL BE HOT. To remove, pull out the metal frame. DO NOT REMOVE IF THE CABINET OR WATER IS HOT. ALLOW THE CABINET TO COOL COMPLETELY. While holding the metal frame, slide pan to rear and then lower to clear the frame. To install, reverse procedure.
CAUTION: HOT SURFACE Inner surfaces of the unit will be very hot during and after the operation. Avoid touching the cabinet when loading or removing product.
Operating ranges:
- air temp: 85ºF-200ºF
- humidity: OFF-90%
CAUTION: STEAM HAZARD This unit produces steam, use caution when cleaning or opening the doors.
CAUTION: WATER HAZARD A water trough is located at the base of the door to collect condensation. Make sure to periodically check and empty it regularly to avoid overflow. The trough can be removed and emptied by simply sliding it off the bolts at the base of the door.
RELATIVE HUMIDITY LEVELS FOR DIAL SETTINGS
The chart below indicates the settings for temperature and humidity. The key is to match the Low (L), Medium (M) and High (H) relative humidity levels in each color band on the humidity dial with the corresponding color band at your desired temperature setting.
Example: For 150°F and 30% RH, set dials as indicated by the green arrows.
| Humidity Setting | |||
| Temperature Setting | Low | Medium | High |
| 100°F to 130°F | Yellow Zone L = 30% | Yellow Zone M = 60% | Yellow Zone H = 90% |
| 130°F to 160°F | Orange Zone L = 30% | Orange Zone M = 60% | Orange Zone H = 90% |
| 160°F to 200°F | Red Zone L = 30% | Red Zone M = 60% | Red Zone H = 90% |
| Proofing Set at Lowest Temp in White Zone | N/A | N/A | Yellow Zone H = 90% |
FOOD HOLDING GUIDE
| PRODUCT (Uncovered Food, except where noted) | SET TEMPERA- TURE (°F /°C) | RELATIVE HUMIDITY % | MAXIMUM TIME (MINUTES) |
| Bacon, Canadian | 180°F / 82°C | 50% | 30 |
| Bacon, Crisp | 180°F / 82°C | NONE REQUIRED | 30 |
| Baked Potato | 180°F / 82°C | 60% | 60 |
| Biscuits | 170°F / 77°C | 20% | 60 |
| Casseroles (Covered) | 175°F / 79°C | NONE REQUIRED | 90 |
| Chops, Sliced Meats | 160°F / 71°C | 45% | 60 |
| Chicken, Fried | 170°F / 77°C | NONE REQUIRED | 30 |
| Chicken, Boneless Breasts | 175°F / 79°C | 75% | 60 |
| Chicken Nuggets, Deep Fried | 190°F / 88°C | NONE REQUIRED | 25 |
| Chicken, Pre-Cooked Grilled Boneless Patties | 150°F / 66°C | 55% | 90 |
| Coffee Cakes | 170°F / 77°C | MINIMAL | 60 |
| Cookies | 175°F / 79°C | NONE REQUIRED | 90 |
| Crab Legs | 160°F / 71°C | 80% | 45 |
| Croissants | 170°F / 77°C | 30% | 45 |
| Eggs | 160°F / 71°C | 90% | 45 |
| Fish, Deep-Fried | 170°F / 77°C | NONE REQUIRED | 30 |
| Fish, Baked | 155°F / 68°C | 80% | 45 |
| Fish, Broiled | 155°F / 68°C | 70% | 45 |
| French Toast | 165°F / 74°C | 30% | 60 |
| Gravies / Sauces | 170°F / 77°C | 85% | 45 |
| Hamburgers / Ground Meat Patties | 180°F / 82°C | 55% | 45 |
| Hot Dogs | 180°F / 82°C | 70% | 90 |
| Muffins | 170°F / 77°C | 20% | 60 |
| Omelets | 160°F / 71°C | 90% | 30 |
| Pancakes | 180°F / 82°C | 60% | 30 |
| Pasta | 175°F / 79°C | 75% | 60 |
| Pastries | 165°F / 74°C | 20% | 30 |
| Pizza (uncovered) | 180°F / 82°C | 10% | 30 |
| Pizza (boxed) | 180°F / 82°C | NONE REQUIRED | 60 |
| Poppers, Deep Fried | 190°F / 88°C | NONE REQUIRED | 25 |
| Poultry, Whole, bone-in | 175°F / 79°C | 55% | 60 |
| Poultry, Cut-up, bone-in | 175°F / 79°C | 75% | 60 |
| Ribs | 175°F / 79°C | 60% | 90 |
| Rice | 175°F / 79°C | 70% | 30 |
| Roasts / Bone-in Meats | 165°F / 74°C | 60% | 90 |
| Sausage | 180°F / 82°C | 50% | 90 |
| Shrimp / Shellfish | 150°F / 66°C | 80% | 60 |
| Soups (broth) | 185°F / 85°C | NONE REQUIRED | 90 |
| Tortillas (soft) | 180°F / 82°C | 70% | 60 |
| Vegetables | 175°F / 79°C | 70% | 45 |
CAUTION: SAFE FOOD HOLDING PRACTICES RECOMMENDED Cooking food to a safe temperature, holding at a temperature of at least 140°F is critical in the prevention of foodborne illness. Hold only cooked, hot food at 140°F or higher. This cabinet is not intended to cook or reheat food. Food must be at an appropriate temperature before being placed into the cabinet. 
NOTE: Times and temperatures observed in a test kitchen environment. Times and temperatures may vary, depending on initial food quality, initial cooked temperature and user expectations of accepta-ble food quality.
DAILY CLEANING PROCEDURES
- CAUTION: ELECTRIC SHOCK HAZARD Disconnect appliance from electric power before cleaning.
- CAUTION: HOT SURFACE Exposed surfaces can be hot to the touch and may cause burns. Allow the appliance to cool before cleaning.
- IMPORTANT: DO NOT spill or pour water into controls, control panels or wiring. Water damage is not covered by warranty.
- CAUTION: STEAM HAZARD Cabinet generates steam, use caution when opening doors to clean the unit.
- CAUTION: Beware of sharp edges with sheet metal during the cleaning process.
- After all food products have been removed from the cabinet, turn the power switch to “OFF” and allow the cabinet to cool.
- Unplug the unit prior to any cleaning.
- Remove and clean the water pan from the inside top of the cabinet. Caution, water may still be hot from prior use. A vine gar & water solution may be used to remove stubborn mineral deposits. Remove and clean the water drip pan mounted to the bottom of the door.
- Remove the side heat duct and rack assemblies. Clean the inside of the unit as well as the removed parts. Reinstall when all parts are dry and clean.
- Inspect and clean the areas where there are vents or filters, making sure no water gets into the internal controls or electrical areas of the cabinet.
- The plastic control panel should be washed with a clean damp cloth and chlorine-free detergent. Rinse thoroughly with a clean damp cloth and allow to dry. Do not use abrasive cleaners, waxes, car polish, or substances containing strong aromatic solvents or alcohol.
CAUTION: Cleansers, detergents, degreasers, sanitizers, or bleaching agents that contain chlorides or phosphates will cause permanent damage to stainless steel products. The damage appears as pits, eruptions, voids, small holes, severe discoloration or dulling of the metal finish. Water with high chloride content can also damage stainless steel. If unsure of your water quality, we recommend you have it tested. THIS DAMAGE IS PERMANENT, COSTLY TO REPAIR, AND IS NOT COVERED BY THE WARRANTY.
| RECOMMENDED TIPS FOR CLEANING STAINLESS STEEL | |||
| Purpose | Frequency | Cleaning Agent | Method of Application |
| Routine | Daily | Soap, ammonia | Sponge with cloth, rinse with clear water |
| cleaning | detergent and water | and wipe dry. | |
| Smears/ | As | Stainless steel cleaner | Rub with soft cloth as directed on package. |
| Fingerprints | needed | or similar products | Rub in direction of grain of stainless steel. |
| Do not use on vinyl trim. | |||
| Stubborn | Daily | Any chloride-free | Apply with damp sponge or cloth. Rub in |
| spots and | as | or | direction of grain of stainless steel. Rinse |
| stains | needed | phosphate-free | thoroughly, especially if cleaner contains |
| cleaner | chlorine bleach, do not use on vinyl trim. | ||
| Hard water | Daily | Vinegar | Swab with cloth. |
| spots | as needed | Rinse with water and wipe dry. | |
CABINET MAINTENANCE
WARNING: DO NOT perform these procedures while the cabinet is turned on or heated. Turn off the power and wait for the cabinet to cool to room temperature.
CAUTION: Do not move the cabinet unless the door is securely closed. Serious damage to hinges and doors may result if bumped into tables, walls, or other equipment when the doors are open.
CASTERS
Caster bearings are equipped with Zerk grease fittings so that they may be easily lubricated with a grease gun. Lubricate bearings at least once every six months.
REPLACING THE DOOR GASKET
- Remove the screws located under the gasket on the cabinet.
- Remove the gasket and discard.
- Install the new gasket and replace the screws.
REVERSING THE DOOR
Reversing the door takes about 30 minutes & requires two people.
- Using a small screwdriver, pry off the hinge covers and set them aside. Removing the covers will allow access to the inside hinge screws. Remove the three screws that hold each hinge to the cabinet. DO NOT REMOVE THE SCREWS THAT
HOLD THE HINGES TO THE DOOR. Remove the door, taking care not to let it fall. - Remove the door strike plate and screws adjacent to the door opening on the cabinet. Reinstall the door strike plate and screws on the opposite sides of the cabinet.
- Screw hinges onto the opposite side of the door.
- With the help of another person, hold the door up to the cabinet and attach the screws removed in step one. Before tightening the screws, be sure the door is flush, level and square. Replace the hinge covers.
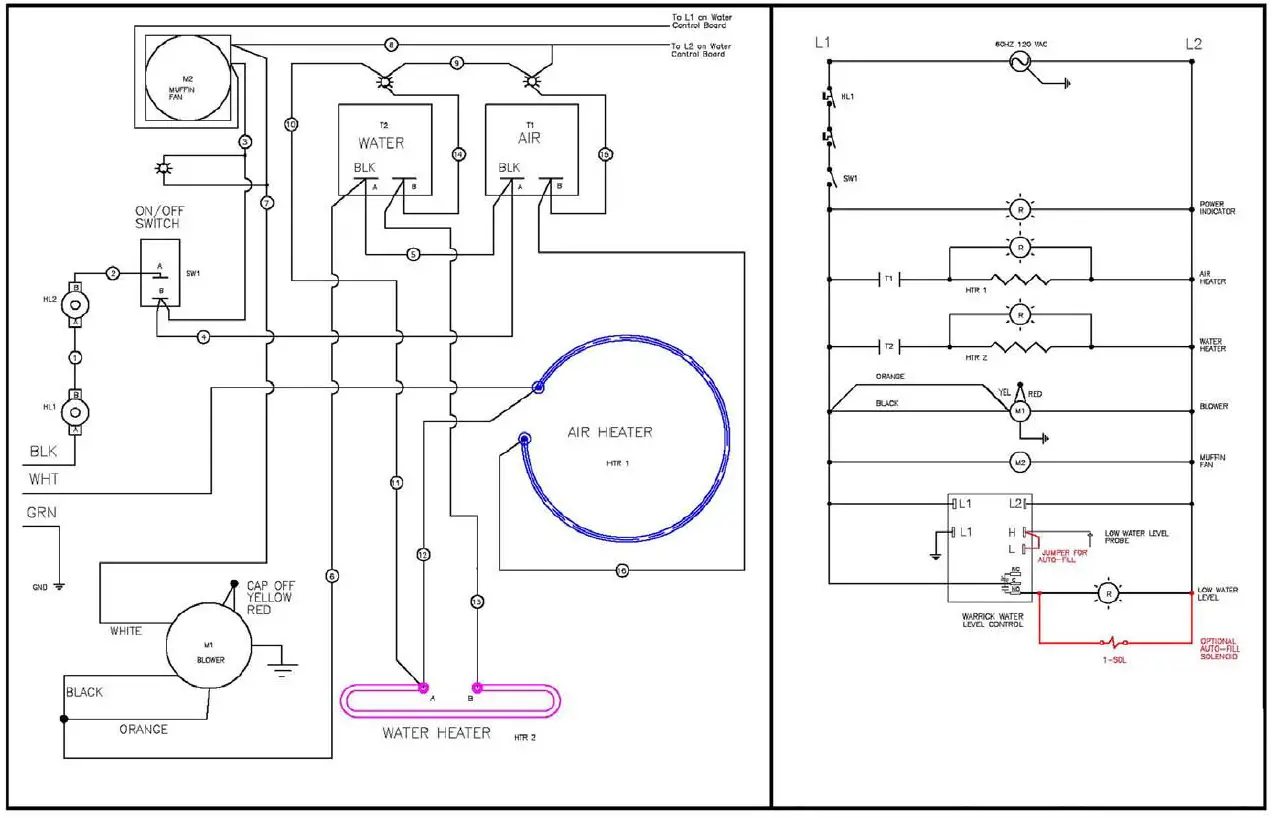
HL9 SERIES WITH ANALOG CONTROL 120 VOLT, 2100 WATT, 17.5 AMP, 1 PH, 60 HZ 
REPLACEMENT PARTS
Use only (OEM) original equipment manufacturer replacement parts. Using unauthorized parts may cause serious injury. Replacement parts should be installed by a qualified service technician. Contact the factory with your model and serial number for replacement parts.
Part Number Description
- 18600-0046 Hi limit—open at 300°F, close at 250°F
- 18602-0083 On/Off switch 20 Amp
- 18602-0031 Switch boot
- 18605-5025 Power cord
- 18606-0221 5-20P plug
- 18617-0011 Cord grip
- Verify w/ factory Heat element 1000 watt (water reservoir)
- 18612-0315 Heat element 1000 watt (air)
- 18614-0291 Fan motor
- 18614-0314 Muffin fan
- 18603-5018 Fan blade (for motor 18614-0291)
- 29034-0282 Silicone sponge seal
- 29044-0017 Silicone grease
- Verify w/ factory Door gasket
- 16001-1688 Drip pan assembly
- 18600-0017 Thermostat
- 18616-0014 Dial thermometer
- 18601-1170 Red low water light
- 18601-1171 Red power indicator light
- 18314-0108 Amber water reservoir: 4” deep
- 18314-0104 Amber water reservoir: 2” deep
TROUBLESHOOTING GUIDE
| SYMPTOM | POSSIBLE CAUSE | SUGGESTED REMEDY |
| No power on display | Not plugged in or circuit breaker tripped | Check or reset circuit breaker Connect to proper receptacle |
| Power cord damaged | Check – replace if required | |
| Power switch damaged or defective | Check – replace if required | |
| Food dries out too quickly | Operation where product temp is too high | Check product temps going into holding cabinet |
| Control incorrectly set or defective | Check proper operation or calibration of control | |
| Unit is on, motors are running but no heat | Internal wiring error | Call service technician |
| Element hi-limit trip / defective | Call service technician | |
| Takes too long to get to temperature | Improper voltage | Call service technician to verify incoming voltage matches cabinet specifications. |
| Unit is hot but low or no airflow | Internal wiring error | Call service technician |
| Circulation motor has quit | Call service technician | |
| Improper voltage | Call service technician to verify incoming voltage matches cabinet specifications. | |
NOTE
The technical content of this manual, including any wiring diagrams, schematics, parts breakdown illustrations, and/or adjustment procedures, is intended for use ONLY by qualified technical personnel.
NOTE:
For warranty service, call Carter-Hoffmann direct at 800-323-9793 for authorization, we will dispatch the nearest authorized service agency.
WARRANTY
Carter-Hoffmann Warranty:
Carter-Hoffmann (“CARTER-HOFFMANN”) warrants to the initial purchaser of its standard Carter Line Products that CARTER-HOFFMANN will, at its option, repair or replace, during the warranty period set forth below, any part of such products made necessary due to a defect in material or workmanship which is present when the product leaves its factory and which manifests itself during the warranty period under normal use and service. This warranty applies only to original equipment owned and possessed by the initial purchaser and the warranty period begins on the date of original shipment from the CARTER-HOFFMANN factory and extends as follows: to component parts and labor for 12 months (36 months on hotLOGIX holding cabinets and cook & hold cabinets) ; to refrigeration compressor unit for one year (limited to re-placement only – not to include labor for removal, repair or replacement). Repair or replacements under this warranty will be performed, unless otherwise authorized in writing by CARTER-HOFFMANN, at its factory. All parts or components to be repaired or replaced under this warranty are to be shipped prepaid to CARTER-HOFFMANN, with reimbursement credit for such part or component to be given if found by CARTER-HOFFMANN to be defective. CARTER-HOFFMANN neither makes nor assumes and does not authorize any other person to make or assume any obligation or liability in connection with its products other than that covered in this warranty. This warranty applies only within the continental United States and Canada. In Alaska and Hawaii, this warranty applies only to and is limited to the supply of replacement parts.
Warranty Exclusions and Limitations:
Any implied warranty of merchantability or fitness for a particular purpose is hereby specifically disclaimed by CARTER-HOFFMANN. There are no warranties, expressed or implied, which extend beyond the description on the face hereof. This warranty does not cover and CARTER-HOFFMANN shall not under any circumstances be liable for any incidental, consequential or other damages (such as in-jury to persons or property, loss of time, inconvenience, loss of business or profits, or other matters not specifically covered) arising in connection with the use of, inability to use, or failure of these products. Specifications subject to change through product improvement and innovation.
Carter-Hoffmann
1551 McCormick Ave. Mundelein, Illinois, 60060 USA
- Phone: 847-362-5500 Toll
- free: 800-323-9793
- Fax: 847-367-8981 Sales and Marketing
- E-mail: [email protected]Service
- E-mail:[email protected] Company
- Website: www.carter-hoffmann.com






















