HL8-12 HB Series Holding Cabinet
Instruction Manual

NOTE:
Ibis equipment has been designed and aw all factured to meet applicable health and safety codes and will give years of dependable service if used properly Al carts should be thoroughly cleaned before using
CAUTION Cleansers, deter gents, degreasers, sanitizers, or leaching agents that contain chlorides or phosphates will cause permanent damage to stainless steel products. The damage appears as pits, eruptions, voids, small boles, cracks, severe discol oration, or dulling of tbe metal finish. Water with high chloride content can also damage stainless steel If unsure of your water we quality, recommend you have it tested. THIS DAMAGE IS PERM NET, COSTLY TO REPAIR, AND IS NOT COVERED BY THE WARRANTY
Cleaning Instructions
WARNING Turn off the power, unplug the cabinet and allow it to cool before cleaning. The built-in beater should not be exposed to direct with contact water or cleaning sprays. Permanent damage to the electrical components will result
- Racks or shelves are easily removed without tools for cleaning.
Simply lift up and pull out. The tray slides may be hand-washed or run through an automatic washer. - Vinyl trim should be washed with a chlorine-free detergent and water. Rinse thoroughly with clear water and allow to dry. Never use abrasive cleaners, waxes, car polish, or substances containing strong aromatic solvents or alcohol. Use of direct steam/hot water cleaning at temperatures above 19gF may result in “bubbling” or loosening of vinyl adhesive.
- To clean stainless steel surfaces use only cleansers, detergents, degreasers, or sanitizers that are certified to be chloride-free” and “phosphate-free,” and cleansers, degreasers, or sanitizers only in the recommended concentrations. DO NOT exceed recommended concentrations or mixing ratios. After cleaning and sanitizing, rinse all exposed surfaces thoroughly with large amounts of clean, clear water. Wipe off any standing liquid or residue from all surfaces, corners, or near edges.
RECOMMENDED “TIPS” FOR CLEANING STAINLESS STEEL
| Purpose | Frequency | Cleaning Agent | Method of Application |
| Routine cleaning | Daily | Soap, ammonia detergent and water | with a Sponge cloth, rinse with clear water, and wipe dry |
| Smears/fingerprints | As Needed | Stainless steel cleaner or similar products | with Rub cloth as directed on the package. Rub in direction of a grain of stainless steel. Do not use vinyl trim. |
| Stubborn spots and stains | Daily As Needed | Any chloride-free or phosphate-free cleaner | Apply with a damp sponge or cloth. Rub in direction of polish lines. Rinse thoroughly after use, especially if the cleaner contains chlorine bleach. Do not use vinyl trim. |
| Hard water spots | Daily As Needed | Vinegar | Swab with a cloth. Rinse with water and wipe dry. |
CAUTION: Dowool does not use steel pads as Ibey will result in rusting from the ferrous metal in be pt11Js.

NORMAL OPERATION
When the cabinet is turned on, the air heaters will energize until the cabinet reaches the air temperature setpoint. The display will read the actual cabinet temperature. The heat light will illuminate when the cabinet air temperature is below the air temperature setpoint. Until the cabinet air temp erature is above the low alarm setpoint, the controller display will flash alternately LO and the cabinet air temperature. The controller air temp erature is factory set at 165F and the low-temperature alarm at 120F
TO CHANGE TEMPERATURE SETPOINTS
Turn the power on. Press and hold the temperature set button. While holding the temperature set button, press the up or down arrow button until the desired air temperature is displayed. The display will advance in 1° increment.
NOTE:
be air temperature is factory set at 165F lf a change is necessary, follow the direction in Step B To Cange Temperature Setpoints
To CHANGE ALARM SETPOINTS
Turn the power on. Press and hold the alarm reset button. While holding the alarm reset button, press the up or down arrow button until the desired alarm temperature is displayed. The display will advance in 1 increment.
NOTE:
The alarm temperature is factory set 20F at If a change is necessary, follow the directions C in Step “To Change Alarm Setpoints
To CHANGE TEMPERATURE RANGE
Tum the cabinet off. Press and hold the up and down arrow buttons. While holding the buttons tum the cabinet power back on. The display will read: Ser F, To change the range, press and release the temperature set button.
This will activate the temperature range mode. Press the Temp Set button.
The display will read RJo. To change the temperature lower, press the down arrow until desired temperature range is displayed. (Minimum setting 150F) Press the Temp Set button again. The display will read RhL. To change the temperature higher, press the up arrow button until the desired temperature range is displayed. (Maximum 190F)
When changes are complete, turn off the cabinet to store and save the changes.
NOTE:
is The temperature range factory set at the minimum set points of ’50F to 190F and in most cases will not need to be changed If a change is necessary, follow the directions To
in Step D Change Temperature Range
To CHANGE ALARM RANGE
Turn the cabinet off. Press and hold the up and down arrow buttons. While holding the buttons turn the cabinet power back on. The display will read Ser F, To change the range, press and release the alarm reset button.
This will activate the alarm range mode. The display will read Alo, To change the alarm range tower, press the down arrow until the desired range is displayed. (Minimum setting 110F) To change the alarm range higher, press the alarm reset button. The display will read ALI. Press the up arrow button until the desired range is displayed. (Maximum 150F) When changes are complete, turn off the cabinet to store and save the changes.
NOTE:
The temperature alarm range is factory set at minimum and maximum set peon AH0F to 150F and in most cases, will not need to be changed If a change is necessary. follow the directions in Step F to Change the Alarm Range
Maintenance Instructions
[A] CASTERS
Some casters are equipped with Zerk grease fitting so that they may be easily lubricated with a grease gun. Recommended lubrication is at least once every six months. Lubrication will be required more frequently if carts are cleaned with hot water or a steam cleaning system. Casters with special bearings are recommended for frequent cart wash or steam cleaning situations.
[B] LATCHES
Check frequently to insure that all door latches are secure. Latches may become “sticky” due to residue buildup from daily use and cleaning. Lubricate latches regularly with
D-40, silicone spray, graphite, or other commercial lubricants for stainless steel products. Do not use oil.
Replacement Parts
Contact the factory with your model and serial number for replacement cabinet components.

HB REPLACEMENT PARTS
| Pant Number | Description |
| 18616-0148 | Controller |
| 18304-0030 | Door Hinge Ki |
| 18304-0031 | Hinge Spring |
| 18302-0050 | Door Latch |
| 18302-0054 | Door Latch Plate |
| 18607-0009 | Terminal Block |
| 18602-0055 | On/Ott Switch |
| 18614-0320 | fan Motor |
| 18603-5015 | Fan Blade |
| 18612-0099 | Box Element 208V 1500W |
| 18606-0586 | Plug NEMA LS-20P |
| 18600-0054 | Hi-Limit 350 |
| 18616-0135 | Transformer |
| 18616-0136 | Relay |
| 18616-0137 | Air Probe |
| 18616-0138 | Ar Probe Fitting |
| 18605-5020 | 12/3 Power Cord |
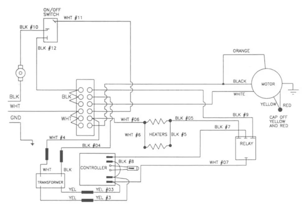
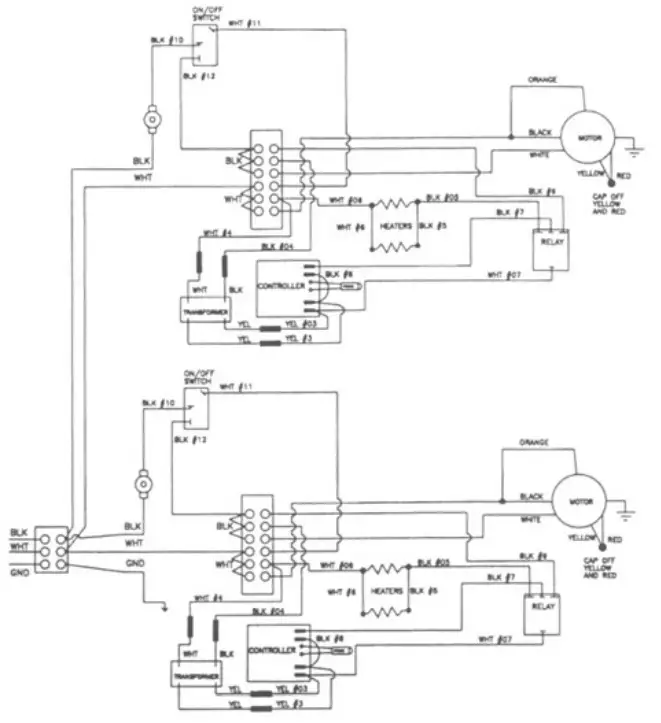
Wiring Diagram
HB SERIES WIRE DIAGRAM FOR SINGLE-CHAMBER UNITS




















