CARTER-HOFFMANN HL8-128 HB Series Holding Cabinet

Cleaning lnstructions
Turn off power, unplug cabinet and allow to cool before cleantng. Tbe built-in beater should not be exposed to direct contact with uater or cleaming sprays. Permanent damage
WARNING to the eclectrical components will result
- Racks or shelves are easily removed without tools for cleaning. Simply lift up and pull out. The tray slides may be hand washed or run through an automatic washer.
- Vinyl trim should be washed with a chlorine-free detergent and water. Rinse thoroughly with clear water and allow to dry. Never use abrasive cleaners, waxes, car polish, or substances containing strong aromatic solvents or alcohol. Use of direct steam/hot water cleaning at temperatures above 190°F may result in “bubbling” or loosening of vinyl adhesive.
- To clean stainless steel surfaces use only cleansers, detergents, degreasers, or sanitizers that are certified to be “chloride-free” and “phosphate-free,” and cleansers, degreasers, or sanitizers only in the recommended concentrations. DO NOT exceed recommended concentrations or mixing ratios. After cleaning and sanitizing, rinse all exposed surfaces thoroughly with large amounts of clean, clear water. Wipe off any standing liquid or residue from all surfaces, corners, or near edges.
NOTE This equipment bas been designed and manu- factured to meet all applicable health amd safety codes and will give years of dependable service if used properly. All carts should be thoroughly cleaned before using.
CAUTION Cleansers, deter gents, degreasers, sanitizers, or bleaching agents that contain chlorides or pbospbates will cause permanent damage to stainless steel products. The damage appears as pits, eruptions, voids, Small boles, cracks, severe discoloration, or dulling of the metal finish. Water with bigh chloride content can also damage stainless steel. If unsure of your uwater quality, we recommend you have it tested. THIS DAMAGE 1S PERMA NENT, COSTLY TO REPAIR, AND IS NOT COVERED BY THE WARRANTY
RECOMMENDED “TIPS” FOR CLEANING STAINLESS STEEL

CAUTION: Do not use steel wool pads as they will result in rusting from the ferrous metal in the pads.
Programming Instructions
NOTE:
- The air lemperature is factory set at 165°Efa change is necessary, follow the directions in Step B “To Change Temperature Setpoints”
- The alarm temperature isfactory set at 120°Efa change is necessary follow the directions in Step C “To Change Alarm Setpoints.”
- The temperature range is factory set at the minimum setpoints of 150°F to 190°F and in most cases will not need to be changed. If change is necessary, Follow the directions in Step D “To Change Temperature Range
- The temperature alarm range is factory set at the minimum and maximum setpoints of 110°F to 150°F and in most cases will not need to be changed. If a change is necessary, follow the directions in Step E “To Change Alarm Range.”

NORMAL OPERATION
When the cabinet is tuned on, the air heaters will energize until the cabinet reaches the air temperature setpoint. The display will read the actual cabinet temperature. The heat light will illuminate when the cabinet air temperature is below air temperature setpoint. Until the cabinet air temperature is above the low alarm setpoint, the controller display will flash alternately LO and the cabinet air temperature. The controller air temperature is tactory set at 165″F and the low temperature alam at 120°F.
TO CHANGE TEMPERATURE SETPOINTS
Turn the power on. Press and hold the temperature set button. While holding the temperature set button, press the up or down arrow button until the desired air temperature is displayed. The display will advance in 1 increments.
TO CHANGE ALARM SETPOINTS
Turn the power on. Press and hold the alarm reset button. While holding the alarm reset button, press the up or down arrow button until the desired alarm temperature is displayed. The display will advance in 1° increments.
TOCHANGE TEMPERATURE RANGE
Turn the cabinet off. Press and hold the up and down arrow buttons. While holding the buttons turn the cabinet power back on. The display will read: Ser F. To change the range, press and release the temperature set button. This will activate the temperature range mode. Press the Temp Set button. The display will read Rlo. To change the temperature lower, press the down arrow until desired temperature range is displayed. (Minimum seting 150°F.)
Press the Temp Set button again. The display will read RhI. To change the temperature higher, press the up arrow button until the desired temperature range is displayed. (Maximum 190°F)
When changes are complete, turn off the cabinet to store and save the changes.
TO CHANGE_ALARM RANGE
Turn the cabinet off. Press and hold the up and down arrow buttons. While holding the buttons turn the cabinet power back on. The display will read Ser F. To change the range, press and release the alarm reset button. This ill activate the alarm range mode. The display will read Alo. To change the alarm range lower, press the down arrow until desired range is displayed. (Minimum setting 110°F) To change the alarm range higher, press the alarm reset button. The display will read ALI. Press the up arrow button until the desired range is displayed. (Maximum 150° F.) When changes are complete, turn off the cabinet to store and save the changes
Maintenance Instructions
CASTERS
Some casters are equipped with Zerk grease fitting so that they may be easily lubricated with a grease gun. Recommended lubrication is at least once every six months. Lubrication will be required more frequently if carts are cleaned with a hot water or steam cleaning system. Casters with special bearings are recommended for frequent cart wash or steam cleaning situations.
BLATCHES
Check frequently to insure that all door latches are secure. Latches may become “sticky” due to residue buildup from daily use and cleaning. Lubricate latches regularly with WD-40, silicone spray, graphite or other commercial lubricants for stainless steel products. Do not use oil.
Replacement Parts
Contact factory with your model and serial number for replacement cabinet components.
HB REPLACEMENT PARTS
Part Number Description
- 18616-0148 Controller
- 18304-0030 Door Hinge
- 18304-0031 Hinge Spring Kit
- 18302-0050 Door Latch
- 18302-0054 Door Latch Plate
- 18607-0009 Terminal Block
- 18602-0055 On/Off Switch
- 18614-0320 Fan Motor
- 18603-5015 Fan Blade
- 18612-0099 Box Element 208V 150OW
- 18606-0586 Plug NEMA L5-20P
- 18600-0054 Hi-Limit 350
- 18616-0135 Transformer
- 18616-0136 Relay
- 18616-0137 Air Probe
- 18616-0138 Air Probe Fitting
- 18605-5020 12/3 Power Cord
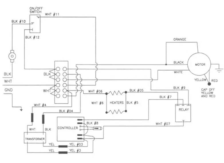
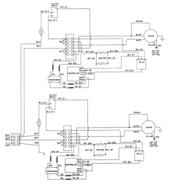
Wiring Diagram
HB SERIES WIRE DIAGRAM FOR SINGLE CHAMBER UNITS

Carter-Hofmann Corporation Warranty:
Carter-Homann Corporation (CARTER-HOFFMANN “) uarrants to the initial purchaser of its standard Carter Line Products that CARTER-1OFFMANN will, at its option, repair or replace, during the warranty period set forth belou, any part of such products made necessary due to a defect in material or workmanship wbich is present wben the product leares its factory and wbich manifests itself during the warranly period under normal use and service This waranty applies only to original equipment owned and possessed by the initial purchaser and the warranty period begins on the date of original sbipment from the CARTER-HOFFMANN Jactory and extends as follous: to electrical and refrigeration components for one year; to electrical and refrigeration labor for 120 days; to refrigeration compressor unit for 1year (limited to replacement of the unit only-not to inctude labor for remota, repair or replacement), and to all other component parts and labor for 12 months.
Repair or replacements under this warranty will be performed, unless otherwise autborized in uriting by CARTER-HOFEMANN, at its factory All parts or components to be repaired or replaced under this waranty are to be shiped prepaid to CARTER-HOFFMANN, with reimbursement credit for sucb part or component to be given if found by CARTER-HOFFMANN to be defectite CARTER-HOFEMANN neither makes nor assumes and does not authorize any other person to make or assume any obligation or liability in connection with its products other than that covered in tbis waranty. Tbis warranly applies only witbin the continental United States and Canada. In Alaska and Hawai, this waranty applies only to and is limited to the supply of replacement parts.
Warranty Exclusions And Limitations:
Any implied uaranty of merchantability orfitness for a paticular purpose is hereby specificaly disclaimed by Carter-Hofmann Corporation. There are no warranties, expressed or implied, uwbich extend beyond the description on the face bereof This warranty does not corer and CARTER-HOFFMANN shall not under any circumstances be liable for any incidental, consequential or other damages (Such as injury to persons or property, loss of time, inconrenience, loss of use, loss of business or profits, or olber matlers not specifically covered arising in connection with the use of, inability to use, or failure of these products Specifications subject to change through product improvement and innovation.
Printed in U.S.A.
1551 McCormick Avenue, Mundelein, Ilinois 60060
Tel. 1-800-421-3744 Fax No. (847) 367-8981


















