RAB 2594 Bled Rectangular Bollard Light

RAB Lighting is committed to creating high-quality, affordable, well-designed and energy-efficient LED lighting and controls that make it easy for electricians to install and end users to save energy. We’d love to hear your comments. Please call the Marketing Department at 888-RAB-1000 or email: [email protected]

IMPORTANT
READ CAREFULLY BEFORE INSTALLING FIXTURE. RETAIN THESE INSTRUCTIONS FOR FUTURE REFERENCE.
RAB fixtures must be wired in accordance with the National Electrical Code and all applicable local codes. Proper grounding is required for safety. THIS PRODUCT MUST BE INSTALLED IN ACCORDANCE WITH THE APPLICABLE INSTALLATION CODE BY A PERSON FAMILIAR WITH THE CONSTRUCTION AND OPERATION OF THE PRODUCT AND THE HAZARDS INVOLVED.
WARNING: Make certain power is OFF before installing or maintaining fixture. No user serviceable parts inside.
LOCATION
- The Bollard should be mounted to a firm level surface.
- Anchor bolts may be used in new concrete installations. Use the provided template.
- For all other applications use anchors suitable for the mounting surface.
ANCHOR BOLTS INSTALLATION
CAUTION: Install according to all applicable local codes.
- Install two Anchor Bolts in concrete foundation (by others) using the template provided. Mounting Plate may be used as template. Anchor Bolts should protrude no more than 3”.

MOUNTING FIXTURES
Depending on your model one or two fixtures can be mounted to each bollard.
- Loosen (3) Door Screws and remove the Door.
- Use the (2) #10-24 x 3/4” Mounting Screws to thread into the Bollard extrusion.
- Use the nuts and lock washers provided to secure the screws from inside the Bollard. Tighten securely.
- Make sure the Housing Gaskets are properly positioned.
- Make electrical connections from the supply wires to the fixtures using approved connectors. Strain relief the wires.
- Replace the Door. Tighten screws.
- Install the Bollard Cap and Gasket and tighten the two set screws.

MOUNTING PLATE
Assemble fixture(s) to Bollard before mounting the Bollard to the Mounting Plate.
- Place the Mounting Plate over Anchor Bolts.
- Use four Leveling Screws (4) or shims to level the Mounting Plate.
- Tighten assembly using the washers, lock washers and nuts provided.
- Make sure supply leads extend far enough to make fixture connections.
- Slide Gasket down around the bottom of the Mounting Plate.
- Use the (4) Mounting screws to mount the Bollard to the Mounting Plate. Tighten securely.

Note: These instructions do not cover all details or variations in equipment nor do they provide for every possible situation during installation, operation or maintenance.
0-10V DIMMABLE WIRING
Universal voltage driver permits operation at 120V thru 277V, 50 or 60 Hz. For 0-10V Dimming follow the wiring directions shown below.
- Connect the black fixture lead to the (+) LINE supply lead.
- Connect the white fixture lead to the (-) COMMON supply lead.
- Connect the GROUND wire from fixture to supply ground. Do NOT connect the GROUND of the dimming fixture to the output.
- Connect the purple fixture lead to the (V+) DIM lead.
- Connect the pink (or gray) fixture lead to the (V-) DIM lead.
- Cap the yellow fixture lead, if present. Do NOT connect.
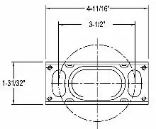
MOUNTING PLATE DIMENSIONS
NOT ACTUAL SIZE. Use dimensions. Use Mounting Plate as a template when possible. 
CLEANING & MAINTENANCE
CAUTION: Be sure fixture temperature is cool enough to touch. Do not clean or maintain while fixture is energized.
- Clean glass lens with non-abrasive glass cleaning solution.
- Do not open the fixture to clean the LED. Do not touch the LED.
TROUBLESHOOTING
- Check that the line voltage at the fixture is correct. Refer to wiring directions.
- Is the fixture grounded properly?
ANCHOR BOLT TEMPLATE FOR BLED BOLLARD
Confirm dimensions before using as a template. If possible, use the actual mounting plate as your template.



















