CARTER-HOFFMANN CH1800 Cook and Hold Cabinets
SAFETY PRECAUTIONS
WARNING:
ELECTRIC SHOCK HAZARD
All service requiring access to non-insulated components must be performed by qualified service personnel. Failure to heed this warning may result in severe electric shock.
CAUTION:
ELECTRIC SHOCK HAZARD
Disconnect this appliance from electrical power before performing any maintenance or service.
- BURN HAZARD
Exposed metal surfaces can be hot to the touch and may cause burns.
- STEAM HAZARD
This cabinet may produce steam and may cause burns. Use caution when open-ing the doors for escaping steam.
IMPORTANT SAFETY INSTRUCTIONS
When using electrical appliances basic safety precautions should be adhered to, including the following:
- Be familiar with the appliance use, limitations and associated restrictions. Operating instructions must be read and understood by all persons using or installing this appliance.
- This appliance must be grounded. Connect only to properly grounded outlet.
- Use this appliance only for its intended purpose as described in the manual.
- a. This equipment is specifically designed to slow cook and hold products such as roasts, ribs, whol turkee ys, etc.
- b. This equipment is intended for use in commercial establishments only.
- c. This equipment is not designed for industrial or laboratory use.
- Cleanliness of this appliance and its accessories are essential to good sanitation.
- DO NOT submerge this appliance in water. This appliance is not jet stream approved. DO NOT direct water jet or steam jet at this appliance, or at any control panel or wiring. DO NOT splash or pour water on, in or over any controls, control panel or wiring. DO NOT use corrosive chemicals or vapors in this appliance.
- DO NOT store this appliance outdoors. DO NOT use this product near water – for example,
near a kitchen sink, in a wet basement, or near a swimming pool, and the like. - DO NOT operate this appliance if it has a damaged cord or plug, if it is not working properly, or if it has been damaged or dropped. Do not immerse cord or plug in water, keep cord away from heated surfaces, and do not let cord hang over edge of table or counter.
- DO NOT cover or block any openings on the appliance.
NOTE:
The technical content of this manual, including any wiring diagrams, schematics, parts breakdown illustrations and/or adjustment procedures, is intended for use by qualified technical personnel and is subject to change without notice.
FEATURES & SPECIFICATIONS
- Cook to time or temperature. Includes meat probe.
- Gentle air circulation caramelizes meat and seals in juices for perfect roasts and more portions
- Browning occurs naturally, without the use of gravies and sauces to colorize meats
- Easy-to-use controls: dial in cook temperature, hold temperature and cook time
- Heating system with precision engineered heat duct system for optimal air flow and even heating
- Hoods not required in most areas—makes installation easy and inexpensive (check local codes)
Model Number Tray Capacity 18” x 26” Tray Spacing in (mm) Approx. Meat Capacity lbs (kg) Inside Working Height in (mm) Overall Dimensions Height Depth Width in (mm) Caster Diameter in (mm) Class 100 Ship- ping Weight lbs (kg) CH600 6 3 80 18-1/8 38-1/2 32-3/4 26-1/8 5 275 (76) (36) (460) (948) (832) (664) (127) (125) CH800 8 2-3/4 120 22 39-3/8 32-3/4 26-1/8 3 312 (70) (54) (559) (1000) (832) (664) (76) (142) CH900 9 3 120 27-1/4 47-1/2 32-3/4 26-1/8 5 344 (76) (54) (692) (1207) (832) (664) (127) (156) CH1600 16 2-3/4 240 22-5/8¹ 76-3/8 32-3/4 26-1/8 5 420 (2 cavity) (8 per cavity) (70) (109) (575) (1940) (832) (664) (127) (191) CH1800 18 3 240 54-1/2 78 32-3/4 26-1/8 5 460 (76) (109) (1384) (1981) (832) (664) (127) (209) - 12”x20”x2.5” pans may be placed on optional wire shelves. Capacities:
- CH600: 3 (end-loaded; 1 per shelf)
- CH800: 4 (end-loaded, 1 per shelf)
- CH900: 5 (end-loaded, 1 per shelf)
- CH1600: 8 (4 per cavity; end loaded, 1 per shelf)
- CH1800: 9 (end loaded; 1 per shelf)
- ¹Inside working height—each cavity
Model Number Pan Capacity* 12”x20” Tray Spacing in (mm) Approx. Meat Capacity lbs (kg) Inside Working Height in (mm) Overall Dimensions Height Depth Width in (mm) Caster Diameter in (mm) Class 100 Shipping Weight lbs (kg) CH500 5 2-3/4 40 15-3/16 30-1/8 27-3/4 20-1/8 3 156 (70) (18) (386) (765) (705) (511) (51) (71) CH750 10 2-3/4 100 13-3/4* 33-1/2 32-3/4 28-3/4 2 265 (70) (45) (349) (851) (832) (664) (51) (122) CH1600U 32 2-3/4 240 22-5/8 (575)* 76-3/8 32-5/8 29-3/8 5 430 (70) (109) per cavity (1940) (829) (746) (127) (195) - *18”x26” sheet pans may be placed on optional wire shelves. Capacity: CH750: 5 (end-loaded; 1 per shelf); CH1600U: 16 (end-loaded; 1 per shelf). CH750 and CH1600U will also accept
GN 1/2 and 2/1 pans.
ELECTRICAL INFORMATION
| Model | US Electrical Power | CE Electrical Power | ||
| Watts | Voltage | Watts | Voltage | |
| CH500 | 2000 | 120 | 2000 | 230 |
| CH600 | 3200 | 240 | 2750 | 230 |
| CH750 | 3200 | 240 | 2750 | 230 |
| CH800 | 3200 | 240 | 2750 | 230 |
| Model | US Electrical Power | CE Electrical Power | ||
| Watts | Voltage | Watts | Voltage | |
| CH900 | 3200 | 240 | 2750 | 230 |
| CH1600 | 6200 | 240 | 5500 | 230 |
| CH1600U | 6200 | 240 | 5500 | 230 |
| CH1800 | 6200 | 240 | 5500 | 230 |
This appliance should be thoroughly cleaned prior to use. See the CLEANING INSTRUCTIONS in this manual.
NOTE:
DO NOT discard the carton or other packing materials until you have inspected the appliance for hidden damage and checked it for proper operation.
Refer to SHIPPING DAMAGE CLAIM PROCEDURE on bottom of this page.
UNPACKING AND INSPECTION
- Remove the cabinet from shipping carton, ensuring that all pack-ing materials and protective plastic has been removed from the unit.
- Inspect all components for completeness and condition.
- If any freight damage is present, a freight claim must be filed im-mediately with the shipping company.
- Freight damage is not covered under warranty.
- Check to insure all components are included: cabinet, instruction packet, temperature probe(s) and additional accessories, if ordered.
- Read operation instructions completely.
- Appliance should be thoroughly cleaned before use. See CLEAN-ING INSTRUCTIONS in this manual.
NOTE:
There is no warranty card to fill out and send to Carter-Hoffmann. Carter-Hoffmann tracks your warranty by the serial number on the serial tag. Your warranty is already in place and should you need warranty service, call Carter-Hoffmann directly. All you need is the serial number off the cabinet.
FREIGHT DAMAGE PROCEDURE
NOTE: For your protection, please note that equipment in this shipment was carefully inspected and packaged by skilled personnel before leaving the factory. Upon acceptance of this shipment, the transportation company assumes full responsibility for its safe delivery.
IF SHIPMENT ARRIVES DAMAGED:
- VISIBLE LOSS OR DAMAGE: Be certain that any visible loss or damage is noted on the freight bill or express receipt, and that the note of loss or damage is signed by the delivery person.
- FILE CLAIM FOR DAMAGE IMMEDIATELY: Regardless of the extent of damage. Contact your dealer immediately.
- CONCEALED DAMAGE: If damage is unnoticed until the merchandise is unpacked, notify the transportation company or carrier immediately, and then file a “CONCEALED DAMAGE” claim with them. This should be done within fifteen (15) days from the date the delivery was made to you. Be sure to retain the container for inspection.
Carter-Hoffmann cannot assume liability for damage or loss incurred in transit, freight damage is not covered under warranty. We will, however, at your request, supply you with the necessary documents to support your claim.
INSTALLATION and STARTUP
WARNING:
Risk of personal injury
Installation procedures must be performed by a qualified technician with full knowledge of all applicable electrical codes. Failure could result in personal injury and proper-ty damage.
IMPORTANT:
Power cord is 10′ long
If necessary, contact a licensed electrician to install an appropriate electrical circuit with correct NEMA receptacle. See serial tag on cabi-net for electrical requirements. DO NOT use an extension cord.
CAUTION:
Electrical Shock Hazard
The ground prong of the power cord is part of a system designed to protect you from electric shock in the event of internal damage.
DO NOT cut off the large round ground prong or twist a blade to fit an existing receptacle.
IMPORTANT:
Not under warranty
Damage to unit due to being connected to the wrong voltage or phase is NOT covered by warranty.
WARNING:
Risk of personal injury
Unit is not waterproof, to avoid electrical shock, keep unit and counter from being submerged in water. Do not operate if unit has been in contact with water.
LOCATION
For proper operation and maximum performance, locate the unit in an ambient air temperature of 70ºF (21ºC). Avoid placement in areas near exhaust fans or where there are active air movements. For safe operation and maximum performance, locate the unit at least 2” from any wall or combustible material. Do not crimp power cord. Unit must be on a solid level surface.
GROUNDING INSTRUCTIONS
This appliance is equipped with a cord having a grounding wire with a grounding plug which must be plugged into an outlet that is properly installed and grounded. In the event of an electrical short circuit, grounding reduces the risk of electric shock by providing an escape wire for the electric current.
WARNING
Improper use of the grounding can result in a risk of electric shock. Consult a qualified electrician or service agent if the grounding instructions are not completely understood, or if doubt exists as to whether the appliance is properly grounded.
To prevent an electrical shock hazard between the appliance and other appliances or metal parts in close vicinity, an equalization-bonding stud is provided. An equalization bonding lead must be connected to this stud and the other appliances/metal parts to provide sufficient protection against potential difference. The terminal is marked with the following symbol:
ELECTRICAL INFORMATION
| Model | US Electrical Power | CE Electrical Power | ||
| Watts | Voltage | Watts | Voltage | |
| CH500 | 2000 | 120 | 2000 | 230 |
| CH600 | 3200 | 240 | 2750 | 230 |
| CH750 | 3200 | 240 | 2750 | 230 |
| CH800 | 3200 | 240 | 2750 | 230 |
| CH900 | 4200 | 240 | 3700 | 230 |
| CH1600 | 6200 | 240 | 5500 | 230 |
| CH1600U | 6200 | 240 | 5500 | 230 |
| CH1800 | 6200 | 240 | 5500 | 230 |
INITIAL START-UP
- Prior to use, thoroughly clean the interior of the unit, per the instructions in this manual.
- Plug the power cord of the cabinet into a grounded outlet ac-cording to the voltage and amperage specified on the serial tag on the heating module. This can be located on the top right rear corner of the heating unit.
- Set POWER switch to the “ON” position.
- Do not load product into the cabinet. Allow the heat to remove any residual oils which may adhere to inside metal surfaces. A slight emission of smoke is common during the first few hours of operation.

NORMAL OPERATION
Factory default setpoints:
- cook: 325ºF
- hold: 200ºF
- timer: 1 hour
Operating ranges:
- cook temp: 100ºF-325ºF
- hold temp: 100ºF-200ºF
- timer:10 min. -18 hours
CAUTION:
HOT SURFACE
Inner surfaces of the unit will be very hot during and after operation.
Avoid touching the cabinet when loading or removing product.
CAUTION:
STEAM HAZARD
This unit produces steam, use caution when cleaning or opening the doors.
CAUTION:
To avoid damage to the electrical components, do not unplug cabinet while cooling fans are operating.
WARNING:
HIGH CONTROL COMPARTMENT TEMPERATURE
FIRST USE
Turn the cabinet on using the power switch located on the far left side of the control panel. Once the switch is turned on, the control display will illuminate.
When the cabinet is first turned on, the time display will show the cur-rent hardware / software revision, for example “F107”. Then the dis-play will display the factory default settings.
PROGRAMMING THE CONTROLLER
- Make sure the unit is turned “ON”.
- To set COOK temperature, push “COOK TEMP” knob in and ro-tate clockwise to increase temperature or counter-clockwise to decrease temperature.
- To set COOK time, push “COOK TIME” knob in and rotate clock-wise to increase time or rotate counter-clockwise to decrease cook time. NOTE: For cook times of 10 minutes to two hours, timer will increase/decrease in 5 minute increments. For cook times over 2 hours, timer will increase/decrease in increments of 15 minutes. Note: setting the cook time is only necessary if not using the meat probe.
- To set HOLD temperature, push “HOLD TEMP” knob in and rotate clockwise to increase temperature or counter-clockwise to decrease temperature.
TO CHANGE TEMPERATURE SCALE
The controller can be changed from °F to °C and vice versa. In order to toggle between the Fahrenheit and Celsius scales:
- Make sure the unit is turned “OFF”
- Push and hold the “START/CANCEL” button
- While pushing the “START/CANCEL” button, turn “ON” the main power switch. An audible beep will be heard and the center dis-play “deg F” or “deg C”
- Repeat procedure to toggle between °F and °C
If the temperature in the control compartment exceeds safe operating limits, an audible alarm will sound and the TIME display will scroll “CALL CUSt SErV”. Should this condition occur, turn off and unplug the cabinet and then call for service. Prolonged operation of the cabinet in this condition WILL result in electrical component failures.
COOKING BY TIME
CABINET OPERATION
- Turn power switch “ON”. Unit will heat to “HOLD” setting and will stay in “HOLD” mode until cook cycle is started. “HOLD” LED light adjacent to the timer display will illuminate.
- Program desired settings according the controller programming instructions on page 7.
- Load product into cabinet.
- Press and release the “START/CANCEL” button to begin COOK cycle. The colon in the TIME display will flash and the LED lights adjacent to the TIME display will switch from “HOLD” to “COOK”. The colon will continue to flash as long as the timer is active.
- Timer will count down by one minute increments for the entire COOK cycle.
- Upon completion of the COOK cycle and audible alert will sound and the cabinet will automatically switch to the HOLD mode. The LED light adjacent to the TIME display will switch from “COOK” to “HOLD”.
- The TIME display will now count up until the cycle is canceled.
- Cycle can be canceled by:
- Push and hold the “START/CANCEL” button until audible alarm sounds (about 5 seconds)
- Turn master switch to “OFF”.
NOTE:
Settings for the cook and hold cycle will be saved in the con-troller for the next cook cycle. Refer to programming instructions to change the settings.
- To protect electrical components, the cooling fans inside the heat-ing unit will operate whenever the interior temperature of the heater rises above 120°F. They will operate, even if the master ON/OFF switch is turned to ‘OFF.” Do not unplug cabinet unless cooling fans have turned off.

Changing the Settings Mid-Cycle
- Settings may be changed mid-cycle. Refer to programming in-structions on page 7.
- Upon completion of the cycle, settings will revert back to initial set-points.
Viewing Actual Temperatures
Press and hold “VIEW ACTUAL TEMP” button.
- If cabinet it in COOK mode, temperature will appear in the “COOK” display
- If cabinet is in the HOLD mode, temperature will appear in the “HOLD” display
To View Product Temperature When Cooking to Time
Note:
Make sure food temperature probe is inserted into the product. Press the “VIEW ACTUAL TEMP” button. It will display the actual product temperature. When the button is released, the display will re-vert back to the cook time counter.
COOKING WITH THE FOOD PROBE
CABINET OPERATION
- Turn power switch “ON”. Unit will heat to “HOLD” setting and will stay in “HOLD” mode until cook cycle is started. “HOLD” LED light adjacent to the timer display will illuminate.
- Program desired temperature settings according the controller pro-gramming instructions on page 7.
- . Load product into cabinet.
- Connect probe to receptacle on front of controller and insert probe into product. Note: if food probe is not plugged in and you try to set a food temperature, the display will read “nO P”
- Press and release the “START/CANCEL” button to begin COOK cycle. The colon in the TIME display will flash and the LED lights adjacent to the TIME display will switch from “HOLD” to “COOK”. The colon will continue to flash as long as the timer is active.
- Cabinet will initiate cook cycle and cook to product temperature. The food temperature will be shown on the yellow center display.
- Upon completion of the COOK cycle and audible alert will sound and the cabinet will automatically switch to the HOLD mode. The LED light adjacent to the TIME display will switch from “COOK” to “HOLD”.
- The center TIME display will now count up until the cycle is can-celed.
- Cycle can be canceled by:
- Push and hold the “START/CANCEL” button until audible alarm sounds (about 5 seconds)
- Turn master switch to “OFF”.
NOTE:
Settings for the cook and hold cycle will be saved in the con-troller for the next cook cycle. Refer to programming instructions to change the settings.
NOTE:
To protect electrical components, the cooling fans inside the heat-ing unit will operate whenever the interior temperature of the heater rises above 120°F. They will operate, even if the master ON/OFF switch is turned to “OFF.” Do not unplug cabinet unless cooling fans have turned off.
Changing the Settings Mid-Cycle
- Settings may be changed mid-cycle. Refer to programming in-structions on page 7.
- Upon completion of the cycle, settings will revert back to initial set – points.
Viewing Actual Temperatures
Press and hold “VIEW ACTUAL TEMP” button.
- If cabinet it in COOK mode, temperature will appear in the “COOK” display
- If cabinet is in the HOLD mode, temperature will appear in the “HOLD” display
To View Elapsed Cook Time When Cooking with the Probe
Press and hold the “VIEW ACTUAL TEMP” button
- The display will read the product temperature
- After 2 more seconds, the display will show the elapsed time of the current cook cycle
The display will toggle between the product temperature and the elapsed time at two second intervals until the button is released.
DAILY CLEANING PROCEDURES
- After all food products have been removed from the cabinet, turn the power switch to “OFF” and allow the cabinet to cool.
- Unplug the unit prior to any cleaning.
- Racks may be removed for cleaning. Lift up and pull out. Hand wash with chloride/phosphate-free soap or detergent. DO NOT exceed recommended concentrations or mixing ra-tions. Never use abrasive cleaners, waxes, car polish, or sub-stances containing strong aromatic solvents or alcohol.
- Clean the inside of the unit as well as the removed parts. Rinse racks and cabinet interior with clear water. Wipe off any standing liquid or residue from all surfaces, corners, or near edges and allow to dry. Reinstall when all parts are dry and clean.
- Inspect and clean the areas where there are vents or filters, making sure no water gets into the internal controls or electrical areas of the cabinet.
CAUTION: ELECTRIC SHOCK HAZARD
Disconnect appliance from electric power before cleaning.
CAUTION:
HOT SURFACE
Exposed surfaces can be hot to the touch and may cause burns. Allow appliance to cool before cleaning.
IMPORTANT:
DO NOT spill or pour water into controls, control panel or wiring. Water damage is not covered by warranty.
CAUTION:
Cabinet may generate steam, use caution when opening doors to clean unit.
CAUTION:
Beware of sharp edges with sheet metal during cleaning process.
CAUTION:
Cleansers, detergents, degreasers, sanitizers, or bleaching agents that contain chlorides or phosphates will cause permanent damage to stainless steel products. The damage appears as pits, eruptions, voids, small holes, severe discoloration or dulling of the metal finish. Water with high chloride content can also damage stainless steel. If unsure of your water quality, we recommend you have it tested. THIS DAMAGE IS PERMANENT, COSTLY TO REPAIR, AND IS NOT COVERED BY THE WARRANTY.
RECOMMENDED TIPS FOR CLEANING STAINLESS STEEL
| Purpose | Frequency | Cleaning Agent | Method of Application |
| Routine cleaning | Daily | Soap, ammonia detergent and water | Sponge with cloth, rinse with clear water and wipe dry. |
| Smears/ | As | Stainless steel cleaner | Rub with soft cloth as directed on package. |
| Fingerprints | needed | or similar products | Rub in direction of grain of stainless steel. Do not use on vinyl trim. |
| Stubborn | Daily | Any chloride-free | Apply with damp sponge or cloth. Rub in |
| spots and | as | or | direction of grain of stainless steel. Rinse |
| stains | needed | phosphate-free cleaner | thoroughly, especially if cleaner contains chlorine bleach, do not use on vinyl trim. |
| Hard water spots | Daily as needed | Vinegar | Swab with cloth. Rinse with water and wipe dry. |
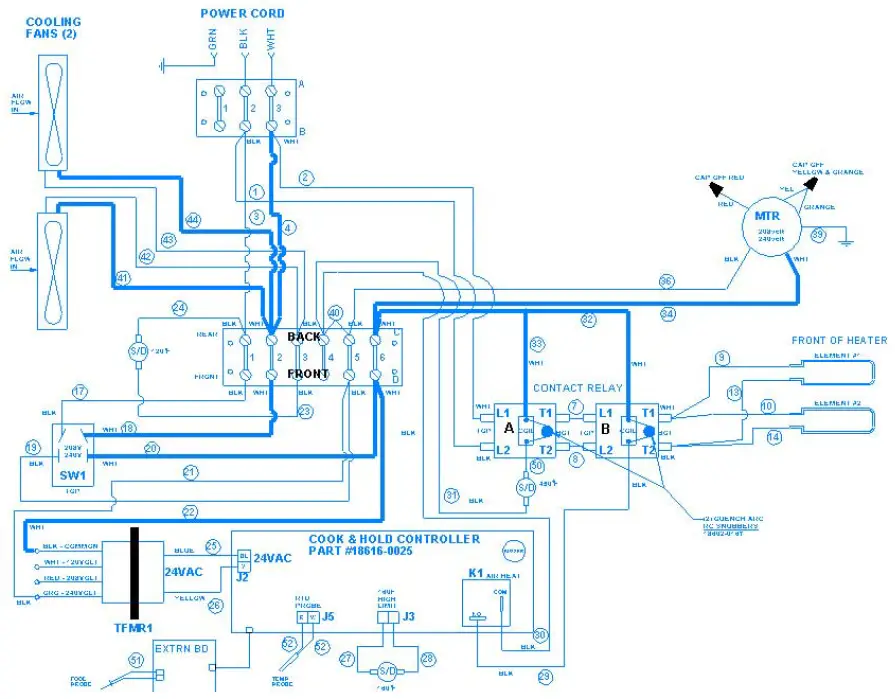
208-240 VOLT Wiring Diagram
120 VOLT Wiring Diagram– CH500
TROUBLESHOOTING GUIDE
| SYMPTOM | POSSIBLE CAUSE | SUGGESTED REMEDY |
| No power on display | Not plugged in or circuit breaker tripped | Check or reset circuit breaker Connect to proper receptacle |
| Power cord damaged | Check – replace if required | |
| Power switch damaged or defective | Check – replace if required | |
| Alarm sound, dis- play reads ‘CALL, CUST, SErV’ | Temperature inside heater module is above 160°F | Call service technician |
| Unit is on, motors are running but no heat | Internal wiring error | Call service technician |
| Element hi-limit trip / defective | Call service technician | |
| Takes too long to get to temperature | Improper voltage | Call service technician to verify incoming voltage matches cabinet specifications. |
| Unit is hot but low or no airflow | Internal wiring error | Call service technician |
| Circulation motor has quit | Call service technician | |
| Improper voltage | Call service technician to verify incoming voltage matches cabinet specifications. | |
| Display shows ‘nOP’ | Control in ‘Cook with Probe Mode’ | Plug in meat probe |
NOTE:
The technical content of this manual, including any wiring diagrams, schematics, parts breakdown illustrations and / or adjustment procedures, is intended for use ONLY by qualified technical personnel.
- For warranty service, call Carter-Hoffmann direct at 800-323-9793 for authorization, we will dispatch the nearest authorized service agency.
3-YEAR WARRANTY on COOK & HOLD CABINETS
Carter-Hoffmann Warranty:
Carter-Hoffmann (“CARTER-HOFFMANN”) warrants to the initial purchaser of its standard Carter Line Products that CARTER-HOFFMANN will, at its option, repair or replace, during the warranty period set forth below, any part of such products made necessary due to a defect in material or workmanship which is present when the product leaves its factory and which manifests itself during the warranty period under normal use and service. This warranty applies only to original equipment owned and possessed by the initial purchaser and the warranty period begins on the date of original shipment from the CARTER-HOFFMANN factory and extends as follows: to component parts and labor for 12 months (36 months on hot LOGIX holding cabinets, levels 3 through 10, and cook & hold cabinets); to refrigeration compressor unit for one year (limited to replacement only – not to include labor for removal, repair or replacement). Repair or replacements under this warranty will be performed, unless otherwise authorized in writing by CARTER-HOFFMANN, at its factory. All parts or components to be repaired or replaced under this warranty are to be shipped prepaid to CARTER-HOFFMANN, with reimbursement credit for such part or component to be given if found by CARTER-HOFFMANN to be defective. CARTER-HOFFMANN neither makes nor assumes and does not authorize any other person to make or assume any obligation or liability in connection with its products other than that covered in this warranty. This warranty applies only within the continental United States and Canada. In Alaska and Hawaii, this warranty applies only to and is limited to the supply of replacement parts.
Warranty Exclusions and Limitations:
Any implied warranty of merchantability or fitness for a particular purpose is hereby specifically dis-claimed by CARTER-HOFFMANN. There are no warranties, expressed or implied, which extend be-yond the description on the face hereof. This warranty does not cover and CARTER-HOFFMANN shall not under any circumstances be liable for any incidental, consequential or other damages (such as in-jury to persons or property, loss of time, inconvenience, loss of business or profits, or other matters not specifically covered) arising in connection with the use of, inability to use, or failure of these products. Specifications subject to change through product improvement and innovation.





















