CARTER-HOFFMANN CH600 Cook and Hold Cabinets

SAFETY PRECAUTIONS
WARNING: ELECTRIC SHOCK HAZARD
All service requiring access to non-insulated components must be performed by qualified service personnel. Failure to heed this warning may result in severe electric shock.
CAUTION
ELECTRIC SHOCK HAZARD
Disconnect this appliance from electrical power before performing any maintenance or service.
BURN HAZARD
Exposed metal surfaces can be hot to the touch and may cause burns.
STEAM HAZARD
This cabinet may produce steam and may cause burns. Use caution when opening the doors for escaping steam.
IMPORTANT SAFETY INSTRUCTIONS
When using electrical appliances basic safety precautions should be adhered to, including the following
- Be familiar with the appliance use, limitations and associated restrictions. Operating instructions must be read and understood by all persons using or installing this appliance.
- This appliance must be grounded. Connect only to properly grounded outlet.
- Use this appliance only for its intended purpose as described in the manual.
- This equipment is specifically designed to slow cook and hold products such as roasts, ribs, whole turkeeys, etc.
- This equipment is intended for use in commercial establishments only.
- This equipment is not designed for industrial or laboratory use.
- Cleanliness of this appliance and its accessories are essential to good sanitation.
- DO NOT submerge this appliance in water.
- This appliance is not jet stream approved.
- DO NOT direct water jet or steam jet at this appliance, or at any control panel or wiring.
- DO NOT splash or pour water on, in or over any controls, control panel or wiring.
- DO NOT use corrosive chemicals or vapors in this appliance.
- DO NOT store this appliance outdoors.
- DO NOT use this product near water for example, near a kitchen sink, in a wet basement, or near a swimming pool, and the like.
- DO NOT operate this appliance if it has a damaged cord or plug, if it is not working properly, or if it has been damaged or dropped.
- Do not immerse cord or plug in water, keep cord away from heated surfaces, and do not let cord hang over edge of table or counter.
- DO NOT cover or block any openings on the appliance.
NOTE
The technical content of this manual, including any wiring diagrams, schematics, parts breakdown illustrations and/or adjustment procedures, is intended for use by qualified technical personnel and is subject to change without notice.
FEATURES & SPECIFICATIONS
- Cook to time or temperature. Includes meat probe.
- Gentle air circulation caramelizes meat and seals in juices for perfect roasts and more portions.
- Browning occurs naturally, without the use of gravies and sauces to colorize meats.
- Easy to use controls dial in cook temperature, hold temperature and cook time.
- Heating system with precision engineered heat duct system for optimal air flow and even heating.
- Hoods not required in most areas—makes installation easy and inexpensive check local codes.
| Model Number | Tray Capacity 18 x 26 | Tray Spacing in mm | Approx Meat Capacity lbs kg | Inside Working Height in mm | Overall Dimensions Height Depth Width in mm | Caster Diameter in mm | Class 100 Shipping Weight lbs kg | ||
| CH600 | 6 | 3 | 80 | 18-1/8 | 38-1/2 | 32-3/4 | 26-1/8 | 5 | 275 |
| 76 | 36 | 460 | 948 | 832 | 664 | 127 | 125 | ||
| CH800 | 8 | 2-3/4 | 120 | 22 | 39-3/8 | 32-3/4 | 26-1/8 | 3 | 312 |
| 70 | 54 | 559 | 1000 | 832 | 664 | 76 | 142 | ||
| CH900 | 9 | 3 | 120 | 27-1/4 | 47-1/2 | 32-3/4 | 26-1/8 | 5 | 344 |
| 76 | 54 | 692 | 1207 | 832 | 664) | 127 | 156 | ||
| CH1600 | 16 | 2-3/4 | 240 | 22-5/8¹ | 76-3/8 | 32-3/4 | 26-1/8 | 5 | 420 |
| 2 cavity | 8 per cavity | 70 | 109 | 575 | 1940 | 832 | 664 | 127 | 191 |
| CH1800 | 18 | 3 | 240 | 54-1/2 | 78 | 32-3/4 | 26-1/8 | 5 | 460 |
| 76 | 109 | 1384 | 1981 | 832 | 664 | 127 | 209 | ||
12×20 x2.5 pans may be placed on optional wire shelves.
Capacities
- CH600: 3 end loaded; 1 per shelf
- CH800: 4 end loaded, 1 per shelf
- CH900: 5 end loaded, 1 per shelf
- CH1600: 8 4 per cavity; end loaded, 1 per shelf
- CH1800: 9 end loaded; 1 per shelf.
- Inside working height each cavity.
| Model Number | Pan Capacity 12 x20 | Tray Spacing in mm | Approx. Meat Capacity lbs kg | Inside Working Height in mm | Overall Dimensions Height Depth Width in mm | Caster Diameter in mm | Class 100 Shipping Weight lbs (kg) | ||
| CH500 | 5 | 2-3/4 | 40 | 15-3/16 | 30-1/8 | 27-3/4 | 20-1/8 | 3 | 156 |
| 70 | 18 | 386 | 765 | 705 | 511 | 51 | 71 | ||
| CH750 | 10 | 2-3/4 | 100 | 13-3/4 | 33-1/2 | 32-3/4 | 28-3/4 | 2 | 265 |
| 70 | 45 | 349 | 851 | 832 | 664 | 51 | 122 | ||
| CH1600U | 32 | 2-3/4 | 240 | 22-5/8 575 | 76-3/8 | 32-5/8 | 29-3/8 | 5 | 430 |
| 70 | 109 | per cavity | 1940 | 829 | 746 | 127 | 195 | ||
18×26 sheet pans may be placed on optional wire shelves.
- Capacity: CH750: 5 end-loaded; 1 per shelf
- CH1600U: 16 end-loaded 1 per shelf.
- CH750 and CH1600U will also accept GN 1/2 and 2/1 pans.
ELECTRICAL INFORMATION
| Model | US Electrical Power | CE Electrical Power | ||
| Watts | Voltage | Watts | Voltage | |
| CH500 | 2000 | 120 | 2000 | 230 |
| CH600 | 3200 | 240 | 2750 | 230 |
| CH750 | 3200 | 240 | 2750 | 230 |
| CH800 | 3200 | 240 | 2750 | 230 |
| Model | US Electrical Power | CE Electrical Power | ||
| Watts | Voltage | Watts | Voltage | |
| CH900 | 3200 | 240 | 2750 | 230 |
| CH1600 | 6200 | 240 | 5500 | 230 |
| CH1600U | 6200 | 240 | 5500 | 230 |
| CH1800 | 6200 | 240 | 5500 | 230 |
UNPACKING AND INSPECTION
- Remove the cabinet from shipping carton, ensuring that all packing materials and protective plastic has been removed from the unit.
- Inspect all components for completeness and condition.
- If any freight damage is present, a freight claim must be filed immediately with the shipping company.
- Freight damage is not covered under warranty.
- Check to insure all components are included: cabinet, instruction packet, temperature probes and additional accessories, if ordered.
- Read operation instructions completely.
- Appliance should be thoroughly cleaned before use.
NOTE
There is no warranty card to fill out and send to Carter-Hoffmann. Carter-Hoffmann tracks your warranty by the serial number on the serial tag. Your warranty is already in place and should you need warranty service, call Carter-Hoffmann directly. All you need is the serial number off the cabinet. This appliance should be thoroughly cleaned prior to use. DO NOT discard the carton or other packing materials until you have inspected the appliance for hidden damage and checked it for proper operation.
FREIGHT DAMAGE PROCEDURE
NOTE
For your protection, please note that equipment in this shipment was carefully inspected and packaged by skilled personnel before leaving the factory. Upon acceptance of this shipment, the transportation company assumes full responsibility for its safe delivery.
IF SHIPMENT ARRIVES DAMAGED
- VISIBLE LOSS OR DAMAGE
- Be certain that any visible loss or damage is noted on the freight bill or express receipt, and that the note of loss or damage is signed by the delivery person.
- FILE CLAIM FOR DAMAGE IMMEDIATELY
- Regardless of the extent of damage.
- Contact your dealer immediately.
- CONCEALED DAMAGE
- If damage is unnoticed until the merchandise is unpacked, notify the transportation company or carrier immediately, and then file a CONCEALED DAMAGE claim with them.
- This should be done within fifteen 15 days from the date the delivery was made to you.
- Be sure to retain the container for inspection.
- Carter Hoffmann cannot assume liability for damage or loss incurred in transit, freight damage is not covered under warranty.
- We will, however, at your request, supply you with the necessary documents to support your claim.
INSTALLATION and STARTUP
LOCATION
For proper operation and maximum performance, locate the unit in an ambient air temperature of 70ºF (21ºC). Avoid placement in areas near exhaust fans or where there are active air movements. For safe operation and maximum performance, locate the unit at least 2” from any wall or combustible material. Do not crimp power cord. Unit must be on a solid level surface.
GROUNDING INSTRUCTIONS
This appliance is equipped with a cord having a grounding wire with a grounding plug which must be plugged into an outlet that is properly installed and grounded. In the event of an electrical short circuit, grounding reduces the risk of electric shock by providing an escape wire for the electric current.
WARNING
Improper use of the grounding can result in a risk of electric shock. Consult a qualified electrician or service agent if the grounding instructions are not completely understood, or if doubt exists as to whether the appliance is properly grounded. To prevent an electrical shock hazard between the appliance and other appliances or metal parts in close vicinity, an equalization-bonding stud is provided. An equalization bonding lead must be connected to this stud and the other appliances/metal parts to provide sufficient protection against potential difference. The terminal is marked with the following symbol
ELECTRICAL INFORMATION
| Model | US Electrical Power | CE Electrical Power | ||
| Watts | Voltage | Watts | Voltage | |
| CH500 | 2000 | 120 | 2000 | 230 |
| CH600 | 3200 | 240 | 2750 | 230 |
| CH750 | 3200 | 240 | 2750 | 230 |
| CH800 | 3200 | 240 | 2750 | 230 |
| CH900 | 4200 | 240 | 3700 | 230 |
| CH1600 | 6200 | 240 | 5500 | 230 |
| CH1600U | 6200 | 240 | 5500 | 230 |
| CH1800 | 6200 | 240 | 5500 | 230 |
INITIAL START UP
- Prior to use, thoroughly clean the interior of the unit, per the instructions in this manual.
- Plug the power cord of the cabinet into a grounded outlet according to the voltage and amperage specified on the serial tag on the heating module.
- This can be located on the top right rear corner of the heating unit.
- Set POWER switch to the ON position.
- Do not load product into the cabinet.
- Allow the heat to remove any residual oils which may adhere to inside metal surfaces.
- A slight emission of smoke is common during the first few hours of operation.
WARNING
Risk of personal injury
Installation procedures must be performed by a qualified technician with full knowledge of all applicable electrical codes. Failure could result in personal injury and proper-ty damage.
IMPORTANT
Power cord is 10 long
If necessary, contact a licensed electrician to install an appropriate electrical circuit with correct NEMA receptacle serial tag on cabinet for electrical requirements. DO NOT use an extension cord.
CAUTION
Electrical Shock Hazard
The ground prong of the power cord is part of a system designed to protect you from electric shock in the event of internal damage. DO NOT cut off the large round ground prong or twist a blade to fit an existing receptacle.
IMPORTANT
Not under warranty. Damage to unit due to being connected to the wrong voltage or phase is NOT covered by warranty.
WARNING
Risk of personal injury
Unit is not waterproof, to avoid electrical shock, keep unit and counter from being submerged in water. Do not operate if unit has been in contact with water.
Control panel layout

COOK Temperature Display
Shows temperature set point. To view actual cook temperature, press and hold View Actual Temp button during the cook cycle. Lights to right will indicate whether set-point or actual is displayed.
TIME/FOOD TEMP Display
If cooking to time, shows actual cook or hold time. Counts down in COOK cycle; automatic switch and counts up in HOLD cycle. If cooking to food temp, shows actual food temp.
HOLD Temperature Display
Shows temperature set-point. To view actual hold temperature, press and hold View Actual Temp button during the hold cycle. Lights to right will indicate whether set-point or actual is displayed.
Press and release to start a cook cycle; press and hold to cancel a cook cycle.
COOK Temperature Knob
Push in and rotate clockwise to increase temperature or counter-clockwise to decrease temperature.
COOK TO TIME
Push in and rotate knob clockwise to increase cook time or counter-clockwise to de-crease cook time.
COOK TO PROBE TEMP
Press and hold key and rotate knob at the same time to set food temp.
HOLD Temperature Knob
Push in and rotate clockwise to increase temperature or counter clockwise to decrease temperature.
Press and hold to view actual COOK or HOLD temperature. Actual temp will appear in COOK or HOLD display, depending on cycle.
FOOD PROBE RECEPTABLE
Plug in probe to cook to product temperature instead of cook time.
Power Switch
Use to power on and off.
NORMAL OPERATION
FIRST USE
Turn the cabinet on using the power switch located on the far left side of the control panel. Once the switch is turned on, the control display will illuminate.
When the cabinet is first turned on, the time display will show the cur-rent hardware / software revision, for example “F107”. Then the dis-play will display the factory default settings.
PROGRAMMING THE CONTROLLER
- Make sure the unit is turned ON.
- To set COOK temperature, push “COOK TEMP” knob in and rotate clockwise to increase temperature or counter clockwise to decrease temperature.
- To set COOK time, push “COOK TIME” knob in and rotate clock-wise to increase time or rotate counter clockwise to decrease cook time.
NOTE
For cook times of 10 minutes to two hours, timer will increase/decrease in 5 minute increments. For cook times over 2 hours, timer will increase/decrease in increments of 15 minutes setting the cook time is only necessary if not using the meat probe. To set HOLD temperature, push HOLD TEMP knob in and rotate clockwise to increase temperature or counter-clockwise to decrease temperature.
TO CHANGE TEMPERATURE SCALE
The controller can be changed from °F to °C and vice versa. In order to toggle between the Fahrenheit and Celsius scales
- Make sure the unit is turned OFF
- Push and hold the START/CANCEL button
- While pushing the START/CANCEL button, turn ON the main power switch.
- An audible beep will be heard and the center display deg F or deg C.
- Repeat procedure to toggle between °F and °C.
If the temperature in the control compartment exceeds safe operating limits, an audible alarm will sound and the TIME display will scroll CALL CUSt SErV. Should this condition occur, turn off and unplug the cabinet and then call for service. Prolonged operation of the cabinet in this condition WILL result in electrical component failures.
Factory default setpoints
- Cook: 325ºF
- Hold: 200ºF
- Timer: 1 hour
Operating ranges
- Cook temp: 100ºF-325ºF
- Hold temp: 100ºF-200ºF
- Timer:10 min. 18 hours
CAUTION
HOT SURFACE
Inner surfaces of the unit will be very hot during and after operation. Avoid touching the cabinet when loading or removing product.
STEAM HAZARD
This unit produces steam, use caution when cleaning or opening the doors. To avoid damage to the electrical components, do not unplug cabinet while cooling fans are operating.
WARNING
HIGH CONTROL COMPARTMENT TEMPERATURE.
If the temperature in the control compartment exceeds safe operating limits, an audible alarm will sound and the TIME display will scroll CALL CUSt SErV. Should this condition occur, turn off and unplug the cabinet and then call for service. Prolonged operation of the cabinet in this condition WILL result in electrical component failures.
COOKING BY TIME
CABINET OPERATION
- Turn power switch
- ON. Unit will heat to HOLD setting and will stay in HOLD mode until cook cycle is started.
- HOLD LED light adjacent to the timer display will illuminate.
- Program desired settings according the controller programming.
- Load product into cabinet.
- Press and release the START/CANCEL button to begin COOK cycle.
- The colon in the TIME display will flash and the LED lights adjacent to the TIME display will switch from HOLD to COOK.
- The colon will continue to flash as long as the timer is active.
- Timer will count down by one minute increments for the entire COOK cycle.
- Upon completion of the COOK cycle and audible alert will sound and the cabinet will automatically switch to the HOLD mode.
- The LED light adjacent to the TIME display will switch from COOK to HOLD.
- The TIME display will now count up until the cycle is canceled.
- Cycle can be canceled by Push and hold the START/CANCEL button until audible alarm sounds about 5 seconds.
- Turn master switch to OFF.
NOTE
Settings for the cook and hold cycle will be saved in the controller for the next cook cycle. To protect electrical components, the cooling fans inside the heat-ing unit will operate whenever the interior temperature of the heater rises above 120°F. They will operate, even if the master ON/OFF switch is turned to ‘OFF.” Do not unplug cabinet unless cooling fans have turned off.

CAUTION
To avoid damage to the electrical components, do not unplug cabinet while cooling fans are operating.
WARNING
HIGH CONTROL COMPARTMENT TEMPERATURE
If the temperature in the control compartment exceeds safe operating limits, an audible alarm will sound and the TIME display will scroll CALL CUSt SErV. Should this condition occur, turn off and unplug the cabinet and then call for service. Prolonged operation of the cabinet in this condition WILL result in electrical component failures.
Changing the Settings Mid Cycle
- Settings may be changed mid cycle.
- Upon completion of the cycle, settings will revert back to initial set-points.
Viewing Actual Temperatures
- Press and hold VIEW ACTUAL TEMP button.
- If cabinet it in COOK mode, temperature will appear in the COOK display.
- If cabinet is in the HOLD mode, temperature will appear in the HOLD display.
To View Product Temperature When Cooking to Time
Note
Make sure food temperature probe is inserted into the product. Press the “VIEW ACTUAL TEMP” button. It will display the actual product temperature. When the button is released, the display will re-vert back to the cook time counter.
Factory default setpoints
- Cook: 325ºF
- Hold: 200ºF
- Timer: 1 hour
Operating ranges
- Cook temp: 100ºF-325ºF
- Hold temp: 100ºF-200ºF
- Timer:10 min. 18 hours
CAUTION
HOT SURFACE
Inner surfaces of the unit will be very hot during and after operation. Avoid touching the cabinet when loading or removing product.
STEAM HAZARD
This unit produces steam, use caution when cleaning or opening the doors. To avoid damage to the electrical components, do not unplug cabinet while cooling fans are operating.
WARNING
HIGH CONTROL COMPARTMENT TEMPERATURE
If the temperature in the control compartment exceeds safe operating limits, an audible alarm will sound and the TIME display will scroll CALL CUSt SErV.Should this condition occur, turn off and unplug the cabinet and then call for service. Prolonged operation of the cabinet in this condition WILL result in electrical component failures.
COOKING WITH THE FOOD PROBE
CABINET OPERATION
- Turn power switch ON.
- Unit will heat to HOLD setting and will stay in HOLD mode until cook cycle is started HOLD LED light adjacent to the timer display will illuminate.
- Program desired temperature settings according the controller programming.
- Load product into cabinet.
- Connect probe to receptacle on front of controller and insert probe into product.
Note
if food probe is not plugged in and you try to set a food temperature.
Press and release the START/CANCEL button to begin COOK cycle. The colon in the TIME display will flash and the LED lights adjacent to the TIME display will switch from HOLD to COOK. The colon will continue to flash as long as the timer is active. Cabinet will initiate cook cycle and cook to product temperature. The food temperature will be shown on the yellow center display. Upon completion of the COOK cycle and audible alert will sound and the cabinet will automatically switch to the HOLD mode. The LED light adjacent to the TIME display will switch from COOK to HOLD. The center TIME display will now count up until the cycle is canceled. Cycle can be canceled by Push and hold the “START/CANCEL” button until audible alarm sounds about 5 seconds Turn master switch to OFF.
NOTE
Settings for the cook and hold cycle will be saved in the con-troller for the next cook cycle. Refer to programming instructions to change the settings.

To protect electrical components, the cooling fans inside the heat-ing unit will operate whenever the interior temperature of the heater rises above 120°F. They will operate, even if the master ON/OFF switch is turned to “OFF.” Do not unplug cabinet unless cooling fans have turned off.
WARNING
HIGH CONTROL COMPARTMENT
TEMPERATURE
If the temperature in the control compartment exceeds safe operating limits, an audible alarm will sound and the TIME display will scroll CALL CUSt SErV. Should this condition occur, turn off and unplug the cabinet and then call for service. Prolonged operation of the cabinet in this condition WILL result in electrical component failures.
Changing the Settings Mid Cycle
- Settings may be changed mid-cycle.
- Upon completion of the cycle, settings will revert back to initial set points.
Viewing Actual Temperatures
Press and hold VIEW ACTUAL TEMP button.
- If cabinet it in COOK mode, temperature will appear in the COOK display.
- If cabinet is in the HOLD mode, temperature will appear in the HOLD display.
To View Elapsed Cook Time When Cooking with the Probe
Press and hold the VIEW ACTUAL TEMP button. The display will read the product temperature. After 2 more seconds, the display will show the elapsed time of the current cook cycle. The display will toggle between the product temperature and the elapsed time at two second intervals until the button is released.
WARNING
HIGH CONTROL COMPARTMENT TEMPERATURE
If the temperature in the control compartment exceeds safe operating limits, an audible alarm will sound and the TIME display will scroll CALL CUSt SErV. Should this condition occur, turn off and unplug the cabinet and then call for service. Prolonged operation of the cabinet in this condition WILL result in electrical component failures.
DAILY CLEANING PROCEDURES
- After all food products have been removed from the cabinet, turn the power switch to OFF and allow the cabinet to cool.
- Unplug the unit prior to any cleaning.
- Racks may be removed for cleaning.
- Lift up and pull out. Hand wash with chloride/phosphate-free soap or detergent.
- DO NOT exceed recommended concentrations or mixing rations.
- Never use abrasive cleaners, waxes, car polish, or sub-stances containing strong aromatic solvents or alcohol.
- Clean the inside of the unit as well as the removed parts.
- Rinse racks and cabinet interior with clear water.
- Wipe off any standing liquid or residue from all surfaces, corners, or near edges and allow to dry.
- Reinstall when all parts are dry and clean.
- Inspect and clean the areas where there are vents or filters, making sure no water gets into the internal controls or electrical areas of the cabinet.
CAUTION
Cleansers, detergents, degreasers, sanitizers, or bleaching agents that contain chlorides or phosphates will cause permanent damage to stainless steel products. The damage appears as pits, eruptions, voids, small holes, severe discoloration or dulling of the metal finish. Water with high chloride content can also damage stainless steel. If unsure of your water quality, we recommend you have it tested. THIS DAMAGE IS PERMANENT, COSTLY TO REPAIR, AND IS NOT COVERED BY THE WARRANTY.
RECOMMENDED TIPS FOR CLEANING STAINLESS STEEL
| Purpose | Frequency | Cleaning Agent | Method of Application |
| Routine cleaning | Daily | Soap, ammonia detergent and water | Sponge with cloth, rinse with clear water and wipe dry. |
| Smears/ | As | Stainless steel cleaner | Rub with soft cloth as directed on package. |
| Fingerprints | needed | or similar products | Rub in direction of grain of stainless steel. Do not use on vinyl trim. |
| Stubborn | Daily | Any chloride-free | Apply with damp sponge or cloth. Rub in |
| spots and | as | or | direction of grain of stainless steel. Rinse |
| stains | needed | phosphate-free cleaner | thoroughly, especially if cleaner contains chlorine bleach, do not use on vinyl trim. |
| Hard water spots | Daily as needed | Vinegar | Swab with cloth. Rinse with water and wipe dry. |
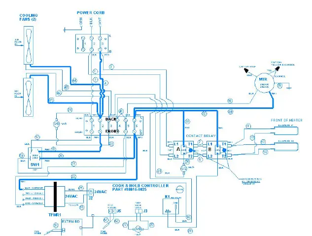
208-240 VOLT Wiring Diagram

120 VOLT Wiring Diagram– CH500

TROUBLESHOOTING GUIDE
| SYMPTOM | POSSIBLE CAUSE | SUGGESTED REMEDY |
| No power on display | Not plugged in or circuit breaker tripped | Check or reset circuit breaker Connect to proper receptacle |
| Power cord damaged | Check – replace if required | |
| Power switch damaged or defective | Check – replace if required | |
| Alarm sound, dis- play reads CALL CUST, SErV | Temperature inside heater module is above 160°F | Call service technician |
| Unit is on, motors are running but no heat | Internal wiring error | Call service technician |
| Element hi-limit trip / defective | Call service technician | |
| Takes too long to get to temperature | Improper voltage | Call service technician to verify incoming voltage matches cabinet specifications. |
| Unit is hot but low or no airflow | Internal wiring error | Call service technician |
| Circulation motor has quit | Call service technician | |
| Improper voltage | Call service technician to verify incoming voltage matches cabinet specifications. | |
| Display shows nOP | Control in Cook with Probe Mode | Plug in meat probe |
NOTE
The technical content of this manual, including any wiring diagrams, schemat-ics, parts breakdown illustrations and / or adjustment procedures, is intended for use ONLY by qualified technical personnel. For warranty service, call Carter-Hoffmann direct at 800-323-9793 for authorization, we will dispatch the nearest authorized service agency.
3-YEAR WARRANTY on COOK & HOLD CABINETS
Carter-Hoffmann Warranty
Carter-Hoffmann CARTER-HOFFMANN warrants to the initial purchaser of its standard Carter Line Products that CARTER-HOFFMANN will, at its option, repair or replace, during the warranty period set forth below, any part of such products made necessary due to a defect in material or work-manship which is present when the product leaves its factory and which manifests itself during the warranty period under normal use and service. This warranty applies only to original equipment owned and possessed by the initial purchaser and the warranty period begins on the date of original shipment from the CARTER-HOFFMANN factory and extends as follows: to component parts and labor for 12 months (36 months on hotLOGIX holding cabinets, levels 3 through 10, and cook & hold cabinets); to refrigeration compressor unit for one year (limited to replacement only – not to include labor for removal, repair or replacement. Repair or replacements under this warranty will be performed, unless otherwise authorized in writing by CARTER-HOFFMANN, at its factory. All parts or components to be repaired or replaced under this warranty are to be shipped prepaid to CARTER-HOFFMANN, with reimbursement credit for such part or component to be given if found by CARTER-HOFFMANN to be defective. CARTER-HOFFMANN neither makes nor assumes and does not authorize any other person to make or assume any obligation or liability in connection with its products other than that covered in this warranty. This warranty applies only within the continental United States and Canada. In Alaska and Ha-waii, this warranty applies only to and is limited to the supply of replacement parts. Warranty Exclusions and Limitations. Any implied warranty of merchantability or fitness for a particular purpose is hereby specifically dis-claimed by CARTER-HOFFMANN. There are no warranties, expressed or implied, which extend be-yond the description on the face hereof. This warranty does not cover and CARTER-HOFFMANN shall not under any circumstances be liable for any incidental, consequential or other damages such as injury to persons or property, loss of time, inconvenience, loss of business or profits, or other matters not specifically covered arising in connection with the use of, inability to use, or failure of these products. Specifications subject to change through product improvement and innovation.
Carter-Hoffmann
1551 McCormick Ave.
Mundelein, Illinois, 60060 USA
Phone: 847-362-5500 Toll free: 800-323-9793
Fax: 847-367-8981 Sales and Marketing
E-mail: [email protected]
Service E-mail: [email protected]
Company Website: www.carter-hoffmann.com




















