
CRISP N’ HOLD
FRIED FOOD HOLDING CABINET
COUNTER-TOP MODELS: CNH14, CNH14XD, CNH18, CNH18XD, CNH28,
CNH28LPC, CNH28XD CNH40
DROP-IN MODELS: CNH12LP, CNH18LP & CNH28LP
OWNERS / OPERATORS MANUAL
MANUFACTURED BY:
CARTER-HOFFMANN
1551 McCORMICK AVENUE
MUNDELEIN, IL 60060 U.S.A.
PHONE: 847-362-5500
FAX: 847-367-8981
EMAIL: [email protected]
CNH18XD Crisp N’ Hold Fried Food Holding Cabinet

SAFETY PRECAUTIONS
WARNING: ELECTRIC SHOCK HAZARD
All service requiring access to non-insulated components must be performed by qualified service personnel. Failure to heed this warning may result in severe electric shock.
CAUTION: ELECTRIC SHOCK HAZARD
Disconnect this appliance from electrical power before performing any maintenance or service.
CAUTION: BURN HAZARD
Exposed metal surfaces can be hot to the touch and may cause burns.
IMPORTANT SAFETY INSTRUCTIONS
When using electrical appliances basic safety precautions should be adhered to, including the following:
- Be familiar with the appliance use, limitations and associated restrictions. Operating instructions must be read and understood by all persons using or installing this appliance.
- This appliance must be grounded. Connect only to properly grounded outlet.
- Use this appliance only for its intended use as described in the manual.
a. This equipment is specifically designed to hold pre-cooked food at temperature.
b. This equipment is intended for use in commercial establishments only.
c. This equipment is not designed for industrial or laboratory use. - Cleanliness of this appliance and accessories is essential to good sanitation.
- DO NOT submerge this appliance in water. This appliance is not jet stream approved. DO NOT direct water jet or steam jet at this appliance, or at any control panel or wiring. DO NOT splash or pour water on, in or over any controls, control panel or wiring. DO NOT use corrosive chemicals or vapors in this appliance.
- DO NOT store this appliance outdoors. DO NOT use this product near water – for example, near a kitchen sink, in a wet basement, or near a swimming pool, and the like.
- DO NOT operate this appliance if it has a damaged cord or plug, if it is not working properly, or if it has been damaged or dropped. Do not immerse cord or plug in water, keep cord away from heated surfaces, and do not let cord hang over edge of table or counter.
- Only qualified service personnel should service this appliance.
- DO NOT cover or block any openings on the appliance.
NOTE:
The technical content of this manual, including any wiring diagrams, schematics, parts breakdown illustrations and/or adjustment procedures, is intended for use by qualified technical personnel and is subject to change without notice.
FEATURES & SPECIFICATIONS
Forced Convection Fried Food Holding Cabinet
The Crisp n’ Hold provides a heated stream of air to maintain fried food temperature and freshness, temporarily slowing the cooling of product after cooking. Forced air is heated through an electric resistance heater and ducted to a food grate. The heated air is discharged through small circular openings in the bottom of the grate and through a slotted opening located front top to provide a warm blanket of air over the food. Additionally, the grate has small round embossments to minimize hot metal contact with the food. Adjustable and removable food dividers.
Dimensions:
Overall Dimensions inches (mm):
| CNH14 | 17.75” (451) H x 29” (737) D x 14.25” (362) W |
| CNH14XD | 17.75” (451) H x 33” (838) D x 14.25” (362) W |
| CNH18 | 17.75” (451) H x 29” (737) D x 17.563” (446) W |
| CNH18XD | 17.75” (451) H x 33” (838) D x 17.563” (446) W |
| CNH28 | 20.75” (527) H x 29” (737) D x 28.125” (714) W |
| CNH28LPC | 13.25” (337) H x 26.5” (724) D x 28” (711) W |
| CNH28XD | 20.75” (527) H x 33” (838) D x 28.125” (714) W |
| CNH40 | 20.75” (527) H x 29” (737) D x 40” (1016) W |
| CNH12LP | 13.56” (344) H x 21.75” (552) D x 25” (635) W |
| CNH18LP | 13.56” (344) H x 21.75” (552) D x 32.56” (827) W |
| CNH28LP | 13.56” (344) H x 28” (711) D x 28” (711) W |
Cabinet Material: 300 series stainless steel….400 series stainless and aluminized where appropriate.
Controls: Electrical / mechanical thermostat mounted inside of electrical cabinet.
Heater System: Electrical resistance 900 watt heaters, located away from oils and vapors.
Performance: Temperature range to 190°F (88°C). Preheat to 190°F (88°C) in 20 minutes.
Agency Approvals:
Electrical Characteristics
Models: CNH14, CNH14XD, CNH18, CNH18XD, CNH12LP, CNH18LP
| Watts: Voltage: Phase: Frequency: Amperage Draw: Plug configuration: | 1820 120 1 60 HZ 15.1 amps NEMA 5-20P |
Models: CNH28, , CNH28LP, CNH28LPC, CNH28XD & CNH40
| Watts: Voltage: Phase: Frequency: Amperage Draw: Plug configuration: | 2890 208 1 60 HZ 14.0 amps NEMA 6-20P |
Also available in 220, 230 & 240 volts, 50/60 Hz, single phase
![]()
UNPACKING AND INSPECTION
This appliance should be thoroughly cleaned prior to use.
See the CLEANING INSTRUCTIONS, on page 7 of this manual.
NOTE: DO NOT discard the carton or other packingmaterials until you have inspected the appliance for hidden damage and tested it for proper operation.
Refer to FREIGHT DAMAGE CLAIM PROCEDURE below.
UNPACKING AND INSPECTION
- Remove the cabinet from shipping carton, ensuring that all packing materials and protective plastic has been removed from the unit. Inspect all components for completeness and condition.
- If any freight damage is present, a freight claim must be filed immediately with the shipping company.
- Freight damage is not covered under warranty.
- Check to insure all components are included: cabinet, instruction packet and additional accessories, such as product dividers.
- Read operation instructions completely.
- Connect power cord to grounded and properly wired electrical source as specified.
- Appliance should be thoroughly cleaned before use. See CLEANING INSTRUCTIONS, page seven.
FREIGHT DAMAGE PROCEDURE
NOTE: For your protection, please note that equipment in this shipment was carefully inspected and packaged by skilled personnel before leaving the factory. Upon acceptance of this shipment, the transportation company assumes full responsibility for its safe delivery.
IF SHIPMENT ARRIVES DAMAGED:
- VISIBLE LOSS OR DAMAGE: Be certain that any visible loss or damage is noted on the freight bill or express receipt, and that the note of loss or damage is signed by the delivery person.
- FILE CLAIM FOR DAMAGE IMMEDIATELY: Regardless of the extent of damage. Contact your dealer immediately.
- CONCEALED DAMAGE: If damage is unnoticed until the merchandise is unpacked, notify the transportation company or carrier immediately, and then file a “CONCEALED DAMAGE” claim with them. This should be done within fifteen (15) days from the date the delivery was made to you. Be sure to retain the container
for inspection. Carter-Hoffmann cannot assume liability for damage or loss incurred in transit, freight damage is not covered under warranty. We will, however, at your request, supply you with the necessary documents to support your claim.
INSTALLATION
Location
For proper operation and maximum performance, locate the Crisp n’ Hold in an ambient air temperature of 70º F (21ºC).
Avoid areas near exhaust fans where there is active air movement. For safe operation, locate the unit a reasonable distance from combustible walls and materials.
To prevent injury and damage, locate the unit at a proper and safe working height. The location should be level, clean of debris, and strong enough to support the weight of a fully loaded unit.
To prevent electrical shock, be sure unit is not plugged into an electrical outlet. If unit has been operated, allow to cool before installing.
WARNING:
Risk of personal injury Installation procedures must be performed by a qualified technician with full knowledge of all applicable electrical codes. Failure can result in ersonal injury and property damage.
CAUTION: To reduce the risk of fire, the appliance is to be mounted on surfaces of noncombustible material only.
IMPORTANT: Power cord is 6′ long. If necessary, contact a licensed electrician to install an appropriate 20 amp electrical circuit with correct NEMA receptacle.
DO NOT use an extension cord.
CAUTION: Electrical Shock Hazard The ground prong of the power cord is part of a system designed to protect you from electric shock in the event of internal damage. DO NOT cut off the large round ground prong or twist a blade to fit an existing receptacle.
IMPORTANT: NOT UNDER WARRANTY Damage to unit due to being connected to the wrong voltage or phase is NOT covered by warranty.
CAUTION: Risk of personal injury Unit is not waterproof, to avoid electrical shock keep unit and counter from being submerged in water. Do not operate if unit has been submerged in water.
Countertop Mounting
NOTE: CNH12LP, CNH18LP and CNH28LP drop-in models are not intended to be dropped into an enclosed compartment. Counter must be made of a non-combustible material, located away and shielded from combustible materials, clean and free of debris. Locate and drill four mounting holes in counter top.
If desired, you may remove the legs from unit and secure to counter top using threaded mounting holes previously occupied by legs. Seal the perimeter of unit where it meets the counter top with a food grade silicone sealant.
Drop-In Mounting
Counter-top must be non-combustible and made of stainless steel, clean and free of debris. Verify cut-out dimensions of the counter-top. CNH12LP: 20.75”D x 24.25” W; CNH18LP: 20.75”D x 30.25” W. CNH28LP: 27.125”D x 27.125”W.

Warmer is equipped with CarterLocks, uniquely designed turn-out tabs which secure the top flange of the warmer to the counter top.
Apply food-grade silicone sealant to the underside of the warmer top flange prior to setting the unit into the cutout. Set the warmer into the counter top cut-out.
After installation, verify that the tabs on the CarterLocks are turned out to lock the warmer into the counter. A flathead screwdriver may be used to turn the tabs.
Apply a thin bead of food-grade silicone sealant around the flange to seal it to the counter.

IMPORTANT: NOT UNDER WARRANTY
Damage caused by leaks due to improper installation is NOT covered by warranty
GROUNDING INSTRUCTIONS
This appliance is equipped with a cord having a grounding wire with a grounding plug which must be plugged into an outlet that is properly installed and grounded. In the event of an electrical short circuit, grounding reduces the risk of electric shock by providing an escape wire for the electric current.
WARNING—Improper use of the grounding can result in a risk of electric shock. Consult a qualified electrician or serviceman if the grounding instructions are not completely understood, or if doubt exists as to whether the appliance is properly grounded. The ground lug of this appliance must be connected to a suitable building ground.
STARTUP AND NORMAL OPERATION
CAUTION: HOT SURFACE
Inner surfaces of the unit will be very hot during and after operation.
Avoid touching the cabinet when loading or removing product.
Startup
- Plug the Crisp n’ Hold into a properly grounded electrical receptacle.
- Ensure all plastic and packaging materials have been removed.
- Set POWER switch to “ON” position.
- Do not load product into the cabinet. Allow the heat to remove any residual oils which may adhere to inside metal surfaces.
A slight emission of smoke is normal for the first few hours of operation. - Cabinet is preset at the factory, no temperature adjustment is necessary.
Daily operating procedures
- Prior to use, unit must have been installed properly and tested by a trained installation or service professional.
- Unit must be clean and grease free prior to use.
- Verify that the grease pan, heat duct and air filters are installed properly.
- Turn power on by flipping the rocker switch upwards , which should be lit to indicate there is power to unit. The motors should begin to turn and create airflow.
- Unit will automatically begin to preheat, allow 10-15 minutes for unit to climb to operating temperature of 160º degrees F.
- Load product into Crisp n’ Hold.
- The cabinet must be cleaned daily. Perform cleaning at the end of each day. It is important to follow the cleaning procedures to keep grease and debris from building up. Failure to perform daily cleaning will clog the filters and damage the electrical compo- nents. See page 7 for cleaning instructions.
CLEANING PROCEDURES
CAUTION:
ELECTRIC SHOCK HAZARD
Disconnect appliance from electric power before cleaning.
CAUTION:
HOT SURFACE
Exposed surfaces can be hot to the touch and may cause burns. Allow appliance to cool before cleaning.
IMPORTANT: DO NOT spill or pour water into controls, control panel or wiring. Water damage is not covered by warranty.
- After all food products have been removed from the cabinet, turn the power switch to “OFF” and allow the cabinet to cool.
- Unplug the unit prior to any cleaning.
- Remove and clean the grease / crumb pan from the bottom of the unit by sliding it out towards the operators side of the unit. Clean the pan as well as pan housing.
- The air filter can be easily removed without tools for cleaning by lifting up and pulling towards the front of the unit. Clean by hand washing or run through an automatic washer. Reinstall when filter is dry and clean.
CAUTION: Beware of sharp edges on sheet metal during cleaning, especially during removal of grease filters. - Remove the product bottom heat duct and divider assemblies. Clean the inside of the unit as well as the removed parts. Reinstall when all parts are dry and clean.
- Inspect and clean the areas where there are vents, making sure no water gets into the internal controls or electrical areas of the cabinet.
CAUTION Cleansers, detergents, degreasers, sanitizers, or bleaching agents that contain chlorides or phosphates will cause permanent damage to stainless steel products. The damage appears as pits, eruptions, voids, small holes, severe discoloration or dulling of the metal finish. Water with high chloride content can also damage stainless steel.
If unsure of your water quality, we recommend you have it tested. THIS DAMAGE IS PERMANENT, COSTLY TO REPAIR, AND IS NOT COVERED BY THE WARRANTY.
RECOMMENDED TIPS FOR CLEANING STAINLESS STEEL
| Purpose | Frequency | Cleaning Agent | Method of Application |
| Routine cleaning | Daily | Soap, ammonia detergent and | Sponge with cloth, rinse with clear water and wipe dry. |
| Smears/ Fingerprints | As needed | Stainless steel cleaner or similar products | Rub with soft cloth as directed on package. Rub in direction of grain of stainless steel. Do not use on vinyl trim. |
| Stubborn spots and stains | Daily as needed | Any chloride-free or phosphate-free cleaner | Apply with damp sponge or cloth. Rub in direction of grain of stainless steel. Rinse thoroughly, especially if cleaner contains chlorine bleach, do not use on vinyl trim. |
| Hard water spots | Daily as needed | Vinegar | Swab with cloth. Rinse with water and wipe dry. |
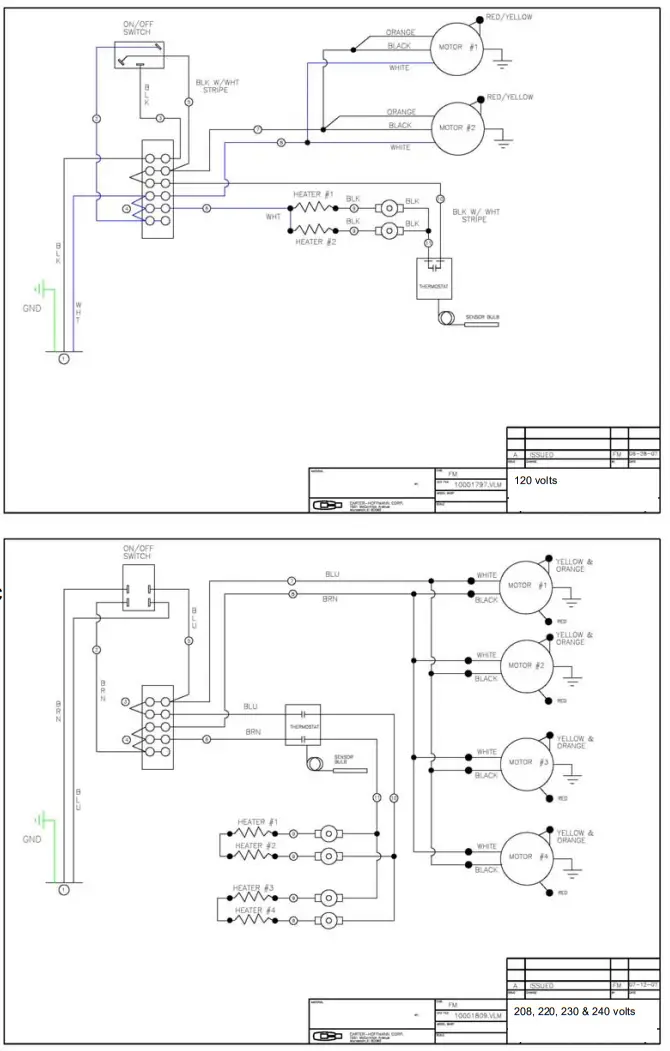
WIRING DIAGRAMS
CNH14 CNH14XD CNH18 CNH18XDCNH12LPCNH18LP

CNH28 CNH28LP CNH28LPCCNH28XD CNH40
TROUBLESHOOTING GUIDE
| SYMPTOM | I POSSIBLE CAUSE | I SUGGESTED REMEDY |
| No power to unit | Not plugged in or circuit breaker tripped | Check or reset circuit breaker Connect to proper receptacle |
| Power cord damaged | Check – replace if required | |
| Power switch damaged or defective | Check – replace if required | |
| Food dries out too quickly | Operation where product temp is too high | Check product temps going into hold-ing cabinet |
| Thermostat incorrectly set or defective | Check proper operation or calibration of thermostat | |
| Unit is on, motors are running but no heat | Internal wiring error | Call service technician |
| Element hi-limit trip /defective | Call service technician | |
| Takes too long to get to temperature | Improper voltage | Call service technician to verify in-coming voltage matches cabinet specifications. |
| Unit is hot but low or no airflow | Internal wiring error | Call service technician |
| Circulation motor has quit | Call service technician | |
| Improper voltage | Call service technician to verify incoming voltage matches cabinet specifications. | |
NOTE:
The technical content of this manual, including any wiring diagrams, schematics, parts breakdown illustrations and / or adjustment procedures, is intended for use ONLY by qualified technical personnel.
NOTE:
For warranty service, call Carter-Hoffmann direct at 800-323-9793 or email [email protected] for authorization, we will dispatch the nearest authorized service agency.
WARRANTY
Carter-Hoffmann Warranty:
Carter-Hoffmann (“CARTER-HOFFMANN”) warrants to the initial purchaser of its standard Carter Line Products that CARTER-HOFFMANN will, at its option, repair or replace, during the warranty period set forth below, any part of such products made necessary due to a defect in material or workmanship which is present when the product leaves its factory and which manifests itself during the warranty period under normal use and service. This warranty applies only to original equipment owned and possessed by the initial purchaser and the warranty period begins on the date of original shipment from the CARTER-HOFFMANN factory and extends as follows: to component parts and labor for 12 months; to refrigeration compressor unit for one year (limited to replacement only – not to include labor for removal, repair or replacement). Repair or replacements under this warranty will be performed, unless otherwise authorized in writing by CARTER-HOFFMANN, at its factory. All parts or components to be repaired or replaced under this warranty are to be shipped prepaid to CARTER-HOFFMANN, with reimbursement credit for such part or component to be given if found by CARTER-HOFFMANN to be defective. CARTER-HOFFMANN neither makes nor assumes and does not authorize any other person to make or assume any obligation or liability in connection with its products other than that covered in this warranty. This warranty applies only within the continental United States and Canada. In Alaska and Hawaii, this warranty applies only to and is limited to the supply of replacement parts.
Warranty Exclusions and Limitations:
Any implied warranty of merchantability or fitness for a particular purpose is hereby specifically disclaimed by CARTER-HOFFMANN. There are no warranties, expressed or implied, which extend beyond the description on the face hereof. This warranty does not cover and CARTER-HOFFMANN shall not under any circumstances be liable for any incidental, consequential or other damages (such as injury to persons or property, loss of time, inconvenience, loss of business or profits, or other matters not specifically covered) arising in connection with the use of, inability to use, or failure of these products.
Specifications subject to change through product improvement and innovation.
Carter-Hoffmann
1551 McCormick Ave.
Mundelein, Illinois, 60060 USA
Phone: 847-362-5500
Toll free ( USA and Canada): 800-323-9793
Fax: 847-367-8981
Sales & Marketing E-mail: [email protected]
Service E-mail: [email protected]
Company Website: www.carter-hoffmann.co




















