
HUMIDIFIED HOLDING CABINETS
MODELS: HL10-5, HL10-8, HL10-14, HL10-18 & HL10-36
(formerly HWU18S1XE, HWU14S1XE, HWU8S1XE & HWU5S1XE, HWC36S1XE, HWC28S1XE, HWC16S1XE,
HWC10S1XE & HWP36S1XE-D)
OWNERS
OPERATORS MANUAL

SAFETY PRECAUTIONS
WARNING: ELECTRIC SHOCK HAZARD
All services requiring access to non-insulated components must be performed by qualified service personnel. Failure to heed this warning may result in severe electric shock.
CAUTION: ELECTRIC SHOCK HAZARD
Disconnect this appliance from electrical power before performing any maintenance or service.
CAUTION: BURN HAZARD
Exposed metal surfaces can be hot to the touch and may cause burns.
CAUTION: STEAM HAZARD
This cabinet produces steam and may cause burns. Use caution when opening the doors for escaping steam.
IMPORTANT SAFETY INSTRUCTIONS
When using electrical appliances basic safety precautions should be adhered to, including the following:
- Be familiar with the appliance use, limitations, and associated restrictions. Operating instructions must be read and understood by all persons using or installing this appliance.
- This appliance must be grounded. Connect only to a properly grounded outlet.
- Use this appliance only for its intended purpose as described in the manual.
a. This equipment is specifically designed to hold pre-cooked food at temperature.
b. This equipment is intended for use in commercial establishments only.
c. This equipment is not designed for industrial or laboratory use. - The cleanliness of this appliance and its accessories are essential to good sanitation.
- DO NOT submerge this appliance in water. This appliance is not jet stream approved. DO NOT direct water jet or steam jet at this appliance, or at any control panel or wiring. DO NOT splash or pour water on, in, or over any controls, control panel, or wiring. DO NOT use corrosive chemicals or vapors in this appliance.
- DO NOT store this appliance outdoors. DO NOT use this product near water – for example, near a kitchen sink, in a wet basement, near a swimming pool, and the like.
- DO NOT operate this appliance if it has a damaged cord or plug, if it is not working properly, or if it has been damaged or dropped. Do not immerse the cord or plug in water, keep the cord away from heated surfaces, and do not let the cord hang over the edge of the table or counter.
- DO NOT cover or block any openings on the appliance.
- Only qualified service personnel should service this appliance.
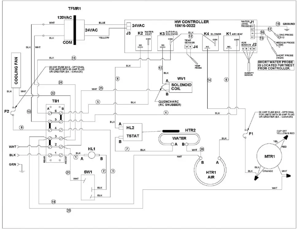
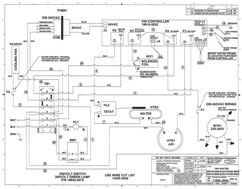
NOTE: The technical content of this manual, including any wiring diagrams, schematics, parts breakdown illustrations, and/or adjustment procedures, is intended for use by qualified technical personnel and is subject to change without notice.
FEATURES & SPECIFICATIONS
The top-mounted enclosed water reservoirs cannot be contaminated by food debris.

The off-the-shelf standard-size pan is easy to clean and inexpensive to replace.
- Precision-engineered heat ducts with blower for even heat and humidity. 90% humidity attainable at high temperatures.
- Digitally controlled and monitored heat and humidity levels with autofill water connection.
- Can be operated with or without humidity.
- Low water indicator light and setting recovery button.
- Under-counter, 1/2-size, 3/4 size, and full-size cabinets.
- All swivel heavy-duty casters, front casters fitted with brakes.
- Stainless steel doors are standard, optional clear doors field reversible.
- The top-mounted enclosed water reservoirs cannot be contaminated by food debris.
- The off-the-shelf standard pan is easy to clean and inexpensive to replace.
- Adjustable universal stainless steel pan slides are standard; Fixed angle slides for 18”x26” pans are optional

| Cabinets with Adjustable Universal Slides for 12”x20” Pans, 18” x 26” Trays, and Gastronorm Pans | |||||||||
| Model Number | Pan/Tray Capacity Adjustable spacing from 1.5” to 3” centers 12”x20”….. 18”x26” | Slide Pairs Provided | Inside Working Height in (mm) | Overall Dimensions Height. Depth. Width in (mm) | Caster Diameter in (mm) | Class 100 Shipping Weight lbs (kg) | |||
| HL10-5 (under-counter) | 10 | 5 | 5 | 15-5/16 (389) | 33-1/2 (851) | 33-1/16 (840) | 28 3/16 (716) | 3 (76) | 271 (123) |
| HL10-8 (1/2 size) | 16 | 8 | 8 | 24-15/16 (633) | 45-1/2 (1156) | 33-1/16 (840) | 28 3/16 (716) | 5 (127) | 322 (146) |
| HL10-14 (3/4 size) | 28 | 14 | 14 | 42-1/2 (1080) | 64-3/8 (1635) | 33-1/16 (840) | 28 3/16 (716) | 5 (127) | 423 (192) |
| HL10-18 (full size) | 36 | 18 | 18 | 54-1/2 (1384) | 76-3/8 (1940) | 33-1/16 (840) | 28 3/16 (716) | 5 (127) | 495 (225) |
| Cabinet with Sliding Shelves for Pizza Boxes up to 16”, 16” Round Pans & 18”x26” Sheet Pans | |||||||||
| Model Number | Pan/Tray Pizza Boxes or 16” Round Pans | Capacity* 18”x 26” Trays | Shelves Provided in (mm) | Inside Working eighteen (mm) | Overall Dimensions Height Depth Width in (mm) | Caster Diameter in (mm) | Class 100 Shipping Weight lbs (kg) | ||
| HL10-36 | 36 | 18 | 18 | 56 | 77-1/4 | 38-1/2 | 25-5/8 | 5 | 529 |
* Channel slides fitted with wire pull-out shelves at 3” spacing.
UNPACKING AND INSPECTION
This appliance should be thoroughly cleaned prior to use.
See the CLEANING INSTRUCTIONS in this manual.
NOTE: DO NOT discard the carton or other packing materials until you have inspected the appliance for hidden damage and checked it for proper operation.
Refer to SHIPPING DAMAGE CLAIM PROCEDURE at bottom of this page.
- Remove the cabinet from the shipping carton, ensuring that all packing materials and protective plastic have been removed from the unit.
- Inspect all components for completeness and condition.
– tray racks: Qty 2—one on each side of the cabinet. HWC cabinets will have angle slides welded to the tray racks. HWU cabinets will include a separate box of universal tray slides, located at the bottom of the cabinet
– condensation drip trough
– amber plastic water reservoir - If any freight damage is present, a freight claim must be filed immediately with the shipping company.
- Freight damage is not covered under warranty.
- Check to ensure all components are included: cabinet, instruction packet, and additional accessories: amber water reservoir, stainless steel water trough.
- Read operation instructions completely.
- The appliance should be thoroughly cleaned before use. See CLEANING INSTRUCTIONS in this manual.
FREIGHT DAMAGE PROCEDURE
NOTE: For your protection, please note that the equipment in this shipment was carefully inspected and packaged by skilled personnel before leaving the factory. Upon acceptance of this shipment, the transportation company assumes full responsibility for its safe delivery.
- VISIBLE LOSS OR DAMAGE: Be certain that any visible loss or damage is noted on the freight bill or express receipt, and that the note of loss or damage is signed by the delivery person. 2
- FILE CLAIM FOR DAMAGE IMMEDIATELY: Regardless of the extent of the damage. Contact your dealer immediately.
- CONCEALED DAMAGE: If damage is unnoticed until the merchandise is unpacked, notify the transportation company or carrier immediately, and then file a “CONCEALED DAMAGE” claim with them. This should be done within fifteen (15) days from the date the delivery was made to you. Be sure to retain the container for inspection.
Carter-Hoffmann cannot assume liability for damage or loss incurred in transit, freight damage is not covered under warranty. We will, however, at your request, supply you with the necessary documents to support your claim.
GROUNDING INSTRUCTIONS
This appliance is equipped with a cord having a grounding wire with a grounding plug which must be plugged into an outlet that is properly installed and grounded. In the event of an electrical short circuit, grounding reduces the risk of electric shock by providing an escape wire for the electric current.
WARNING—Improper use of the grounding can result in a risk of electric shock. Consult a qualified electrician or service agent if the grounding instructions are not completely understood, or if doubt exists as to whether the appliance is properly grounded.
INSTALLATION and STARTUP
WARNING:
Risk of personal injury
Installation procedures must be performed by a qualified technician with full knowledge of all applicable electrical codes. Failure could result in personal injury and property damage.
IMPORTANT:
Not under warranty
Damage to the unit due to being connected to the wrong voltage or phase is NOT covered by warranty. If necessary, contact a licensed electrician to install an appropriate 20 amp electrical circuit with the correct NEMA receptacle. The power cord is 10′ long. DO NOT use an extension cord.
Standard Cabinet Electrical Configuration
2000 watts, 120 volts, 16.7 A, 60 Hz, 1 Ph, NEMA 5-20P Plug
Cabinet with CE Electrical Configuration
2200 watts, 230 volts, 9.7 A, 50 Hz, 1 Ph, Plug cap per specific country requirements/ specifications
CAUTION:
Electrical Shock Hazard
The ground prong of the power cord is part of a system designed to protect you from electric shock in the event of internal damage.
DO NOT cut off the large round ground prong or twist a blade to fit an existing receptacle.
WARNING:
Risk of personal injury
The unit is not waterproof, to avoid electrical shock, keep the unit and counter from being submerged in water. Do not operate if the unit has been in contact with water.
LOCATION
For proper operation and maximum performance, locate the unit in an ambient air temperature of 70ºF (21ºC).
Avoid placement in areas near exhaust fans or where there are active air movements.
For safe operation and maximum performance, locate the unit at least 2” from any wall or combustible material.
The unit must be on a solid level surface.
STARTUP
- Prior to use, thoroughly clean the interior of the unit and the water reservoir, per the instructions in this manual.
- Install a water trough at the base of the door. Keyhole cutouts will fit over bolts at the base of the door. Slide through until the ends are flush with the edges of the door.
- If the cabinet is an HWU, install the universal pan slides in each tray rack located on each side of the cabinet. Standard spacing is every other slot (3” or 76 cm apart). Begin with the lowest slot at the bottom of the cabinet and work your way up. Hold the slide at an angle and line up the tabs at either end with the slots in the tray rack. Slide the tabs into the slots, then tilt the slide down so that it is level.
Keyhole cutouts—fit over shoulder bolts located at the base of the door. - Install the water reservoir by pulling out the metal frame at the upper left front of the cabinet interior in front of the element. Slide the pan up and then forward so that it hangs from inside the metal frame; make sure the element is inside the pan. Push the entire assembly back into the cabinet.

- Plug the power cord of the cabinet into a grounded outlet with the proper electrical service. Verify electrical requirements on the Serial Tag located on the side of the cabinet. Due to the differences in water supply conditions, it may be necessary to calibrate the cabinet to properly sense your water supply. Please see pages 7-8 for the calibration procedures.
- Set POWER switch to “ON”. Set temperature dial to 190°F (88°C). Do not fill the humidity pan. Set humidity dial to 0% (off).
- Do not load product into the cabinet. Allow the heat to re- move any residual oils which may adhere to inside metal surfaces. A slight emission of smoke is common during the first few hours of operation.
Control panel layout

Water probe sensitivity adjustment procedures
If, after you have filled the water pan, the “Low Water” alarm is activated, the sensitivity of the water probes may need to be adjusted to detect your quality of water.

CAUTION:
HOT SURFACE
The inner surfaces of the unit will be very hot during and after the operation.
CAUTION:
STEAM HAZARD
This unit produces steam, use caution when cleaning or opening the doors.
To adjust the water probe sensitivity, follow these steps:
- Turn off the power to the unit.
- Completely empty the water pan and replace it.
- Push in the humidity adjustment dial. While holding in the dial, turn the power back on. Only the cooling fan in the heater compartment should turn on. The temperature display (see illustration below). should show three lines across its bottom and the humidity display should read ten.

- Slide out the water pan and add water ONLY until the longest probe is in the water. Turn the humidity dial clockwise to increase the sensitivity of the probe (number will increase) until the line farthest to the left on the temperature display moves from the bottom to the top of the display (see illustration below). This probe is now sensing the water.

- Add more water to the pan until the middle-length probe is in the water. Follow the same procedure as in step number four until the middle line on the temperature display moves from the bottom to the top of the display (see illustration below). This probe is now sensing water

- Add more water to the pan until the shortest probe is in the water. Follow the same procedure as in step number four until the line farthest to the right on the temperature display moves from the bottom to the top of the display (see illustration). This probe is now sensing water.

- When all three lines are at the top of the temperature display, turn off the power to the unit. The water probes are now adjusted to sense your quality of water.
- Turn the power back on to the unit for normal operation.
NORMAL OPERATION
CAUTION:
HOT SURFACE
The inner surfaces of the unit will be very hot during and after the operation.
Avoid touching the cabinet when loading or removing the product.
Factory default setpoints:
- temperature: 160ºF (71°C)
- humidity: 50%
- low temp alarm:140ºF(60°C)
Operating ranges:
- temp alarm: 80ºF-180ºF(27-82ºC)
- air temp: 90ºF-200ºF (32-93ºC)
- humidity: OFF-90%
The factory default for the temperature display is ºF.
To change the display to read in ºC, push in and hold the view actual button for 10 seconds. The display will now read in ºC.
To change the display temp back to ºF, repeat the same procedure above.
CAUTION:
STEAM HAZARD
This unit produces steam, use caution when cleaning or opening the

First Use
Turn the cabinet on using the power switch located on the far left side of the control panel. Once the switch is turned on, the controlled display will illuminate.
When the cabinet is first turned on, the temperature display will show the current hardware/software revision, for example: “r26”. The display will then alternately flash “PrE” and the set point values.
To adjust the temperature or humidity setting, rotate the respective dial to the desired set point and stop. After 3 seconds, if either setting is adjusted, the newly adjusted value will be stored in the controller’s memory. If the cabinet power is interrupted, the last value set will be the new value restored upon power being restored.
It will take approximately 30 minutes for the cabinet to warm up to a factory default setting of 160ºF (71°C).
Once the set point is reached, a short alarm burst will be heard to indicate that the cabinet has reached the set point.
Humidity system
This holding cabinet is equipped with a water reservoir and automatic fill system (standard) that will be used to humidify the cabinet. The reservoir will not automatically begin to fill until the lowest water level probe is submerged. This is a safety feature that will prevent the automatic fill system from operating if the reservoir has been removed.
To activate the auto-fill system, the reservoir must be primed. Pour potable water into the reservoir until the water touches the lowest level probe. Once the lowest probe is in water, the fill valve will turn on and the reservoir will begin to fill. Once the highest level probe senses water, the fill solenoid will turn off.
Due to the differences in water supply conditions, it may be necessary to calibrate the cabinet to properly sense your water supply. Please see pages 7-8 for the calibration procedures.
As the unit maintains the desired humidity level, water will be used from the reservoir. When the water level drops below the low-level probe, the fill solenoid will turn on again thus repeating the cycle. The holding cabinet is equipped with a low water alarm, see the following page for details on the alarm system.
Although the cabinet is equipped with an auto-fill system, it is not necessary to have the cabinet coupled to a water supply line. The reservoir can be filled manually. As long as the low-level probe is in contact with water, the control can maintain the desired humidity setting.
Humidity settings at high levels will cause condensation to collect in the cabinet. A removable condensation trough is located at the base of the door to collect excess water. Check periodically and empty when full.
The water reservoir is located at the top left of the cabinet interior.
To fill, pull out the metal frame with the pan. IF THE CABINET IS HOT, USE OVEN MITTS AND PRO- CEED WITH CAUTION—THE FRAME AND WATER WILL BE HOT.
To remove, pull out the metal frame. DO NOT REMOVE IF THE CABINET OR WATER IS HOT.
ALLOW CABINET TO COOL COMPLETELY. While holding the metal frame, slide the pan to the rear and then lower it to clear the frame. To install, reverse procedure.
CAUTION:
HOT SURFACE
The inner surfaces of the unit will be very hot during and after the operation.
Avoid touching the cabinet when loading or removing the product.
The LO / H2O alarm can be silenced by pressing the alarm off button or by adding water to the reservoir.
If the alarm off button is pressed and no water is added, the alarm will sound again after 5 minutes.
CAUTION:
WATER HAZARD
A water trough is located at the base of the door to collect condensation. Make sure to periodically check and empty it regularly to avoid overflow. The trough can be removed and emptied by simply sliding it off the bolts at the base of the door.

Low-temperature alarm
The cabinet is equipped with a low-temperature alarm feature. When the alarm is active, the temperature display will indicate “LO” and then “TEMP” and the audible alarm will sound. To silence the alarm, press the “alarm off” button. If the actual temperature is still below the low-temperature alarm set point after 5 minutes, the alarm will sound again. This alarm can be triggered by the door being left open, a product that is much colder than the temperature set point being placed in the cabinet, or due to a malfunction of the heating system.
To change the low-temperature alarm set point, press and hold the “alarm off” button while adjusting the temperature set point knob to the new desired value. Due to food safety concerns, the low-temperature alarm should never be set below 140 degrees F (60°C). After 3 seconds, the controller will accept the new set point. The new value will be stored in the controller memory until the next time the value is changed.
The audible alarm for low cabinet temperature can be turned off. The factory default is ON. To enter into the adjustment mode, push in and hold the “alarm off” button until the alarm sounds. The display will read either (ON or OFF). To change the status, push the temperature knob, which will function as a toggle switch to select between ON or OFF. After 10 seconds, the controller will accept the desired audible alarm function (either ON or OFF). If OFF is selected, the temperature display will still indicate “LO” and “TEMP” if the low temp alarm is tripped.
Low Water Alarm
The cabinet is equipped with a low water alarm feature. When water drops below the low-level probe, the control cuts power to the heating element used to produce steam. If the water level is below the low probe for more than 5 minutes, an audible alarm will sound and the humidity display will indicate “LO” and then “H2O”. This alarm can be triggered by a lack of water supply or due to a malfunction of the humidity system.
The humidity display will normally show the set point value. To display the actual humidity value, press the knob located next to the humidity display. The actual temperature and humidity values will be displayed for 5 seconds and then revert back to the respective set point values. To display only the actual temperature or humidity, push in the respective adjustment knob. The audible alarm for low humidity can be turned off. The factory default is ON. To enter into the adjustment mode, push in and hold the (alarm off) button until the alarm sounds. The display will read either (ON or OFF). To change the status, push the humidity knob, which will function as a toggle switch to select between ON or OFF. After 10 seconds, the controller will accept the desired audible alarm function (either ON or OFF). If OFF is selected, the humidity display will still indicate “LO” and “H2O” if the low water alarm is tripped.
Factory default setpoints:
- temperature: 160ºF (71ºC)
- humidity: 50%
- low temp alarm: 140ºF (60ºC)
- high temp alarm: 240ºF (115ºC)
- temp alarm: ON
- humidity alarm: ON
Operating ranges:
- temperature: 90-200ºF (32-93ºC)
- temp alarm: 80-180ºF (27-82ºC)
- relative humidity: Off – 90%
FOOD HOLDING GUIDE
CAUTION: SAFE FOOD HOLDING PRACTICES RECOMMENDED
Cooking food to a safe temperature, and holding it at a temperature of at least 140°F is critical in the prevention of foodborne illness. Hold only cooked, hot food at 140°F or higher. This cabinet is not intended to cook or reheat food. Food must be at the appropriate temperature before being placed in the cabinet.

| PRODUCT (Uncovered Food, except where noted) | SET TEMPERATURE(°F/°C) | RELATIVE HUMIDITY % | MAXIMUM TIME (MINUTES) |
| Bacon, Canadian | 180°F / 82°C | 50% | 30 |
| Bacon, Crisp | 180°F / 82°C | NONE REQUIRED | 30 |
| Baked Potato | 180°F / 82°C | 60% | 60 |
| Biscuits | 170°F / 77°C | 20% | 60 |
| Casseroles (Covered) | 175°F / 79°C | NONE REQUIRED | 90 |
| Chops, Sliced Meats | 160°F / 71°C | 45% | 60 |
| Chicken, Fried | 170°F / 77°C | NONE REQUIRED | 30 |
| Chicken, Boneless Breasts | 175°F / 79°C | 75 | 60 |
| Chicken Nuggets, Deep Fried | 190°F / 88°C | NONE REQUIRED | 25 |
| Chicken, Pre-Cooked Grilled Boneless Patties | 175°F / 79°C | 55 | 90 |
| Coffee Cakes | 170°F / 77°C | MINIMAL | 60 |
| Cookies | 175°F / 79°C | NONE REQUIRED | 90 |
| Crab Legs | 160°F / 71°C | 80% | 45 |
| Croissants | 170°F / 77°C | 30% | 45 |
| Eggs | 160°F / 71°C | 90% | 45 |
| Fish, Deep-Fried | 170°F / 77°C | NONE REQUIRED | 30 |
| Fish, Baked | 155°F / 68°C | 80% | 45 |
| Fish, Broiled | 155°F / 68°C | 70% | 45 |
| French Toast | 165°F / 74°C | 30% | 60 |
| Gravies / Sauces | 170°F / 77°C | 85% | 45 |
| Hamburgers / Ground Meat Patties | 180°F / 82°C | 55% | 45 |
| Hot Dogs | 180°F / 82°C | 70% | 90 |
| Muffins | 170°F / 77°C | 20% | 60 |
| Omelets | 160°F / 71°C | 90% | 30 |
| Pancakes | 180°F / 82°C | 60% | 30 |
| Pasta | 175°F / 79°C | 75% | 60 |
| Pastries | 165°F / 74°C | 20% | 30 |
| Pizza (uncovered) | 180°F / 82°C | 10% | 30 |
| Pizza (boxed) | 180°F / 82°C | NONE REQUIRED | 60 |
| Poppers, Deep Fried | 190°F / 88°C | NONE REQUIRED | 25 |
| Poultry, Whole, bone-in | 175°F / 79°C | 55% | 60 |
| Poultry, Cut-up, bone-in | 175°F / 79°C | 75% | 60 |
| Ribs | 175°F / 79°C | 60% | 90 |
| Rice | 175°F / 79°C | 70% | 30 |
| Roasts / Bone-in Meats | 165°F / 74°C | 60% | 90 |
| Sausage | 180°F / 82°C | 50% | 90 |
| Shrimp / Shellfish | 150°F / 66°C | 80% | 60 |
| Soups (broth) | 185°F / 85°C | NONE REQUIRED | 90 |
| Tortillas (soft) | 180°F / 82°C | 70% | 60 |
| Vegetables | 175°F / 79°C | 70% | 45 |
DAILY CLEANING PROCEDURES
CAUTION:
ELECTRIC SHOCK HAZARD
Disconnect appliance from electric power before cleaning.
CAUTION:
HOT SURFACE
Exposed surfaces can be hot to the touch and may cause burns. Allow the appliance to cool before cleaning.
IMPORTANT:
DO NOT spill or pour water into controls, control panels,s or wiring. Water damage is not covered by a warranty.
CAUTION:
Cabinet generates steam, use caution when opening doors to clean unit.
CAUTION:
Beware of sharp edges with sheet metal during the cleaning process.
- After all food products have been removed from the cabinet, turn the power switch to “OFF” and allow the cabinet to cool.
- Unplug the unit prior to any cleaning.
- Remove and clean the water pan from the inside top of the cabinet. Caution, water may still be hot from prior use. A vinegar & water solution may be used to remove stubborn mineral deposits. Remove and clean the water drip pan mounted to the bottom of the door.
- Remove the side heat duct and rack assemblies. Clean the inside of the unit as well as the removed parts. Reinstall when all parts are dry and clean.
- Inspect and clean the areas where there are vents or filters, making sure no water gets into the internal controls or electrical areas of the cabinet.
- The plastic control panel should be washed with a clean damp cloth and chlorine-free detergent. Rinse thoroughly with a clean damp cloth and allow to dry. Do not use abrasive cleaners, waxes, car polish, or substances containing strong aromatic solvents or alcohol.
CAUTION: Cleansers, detergents, degreasers, sanitizers, or bleaching agents that contain chlorides or phosphates will cause permanent damage to stainless steel products. The damage appears as pits, eruptions, voids, small holes, severe discoloration, or dulling of the metal finish.
Water with high chloride content can also damage stainless steel. If unsure of your water quality, we recommend you have it tested. THIS DAMAGE IS PERMANENT, COSTLY TO REPAIR, AND IS NOT COVERED BY THE WARRANTY.
RECOMMENDED TIPS FOR CLEANING STAINLESS STEEL
| Purpose | Frequency | Cleaning Agent | Method of Application |
| Routine cleaning | Daily | Soap, ammonia detergent, and water | Sponge with a cloth, rinse with clear water and wipe dry. |
| Smears/Fingerprints | As needed | Stainless steel cleaner or similar products | Rub with soft cloth as directed on package. Rub in direction of grain of stainless steel. Do not use on vinyl trim. |
| Stubborn spots and stains | Daily as needed | Any chloride-free or phosphate-free cleaner | Apply with damp sponge or cloth. Rub in direction of grain of stainless steel. Rinse thoroughly, especially if cleaner contains chlorine bleach, do not use on vinyl trim. |
| Hard water spots | Daily as needed | Vinegar | Swab with cloth. Rinse with water and wipe dry. |
CABINET MAINTENANCE
WARNING:
DO NOT perform these procedures while the cabinet is turned on or heated. Turn off the power and wait for the cabinet to cool to room temperature.
CAUTION:
Do not move the cabinet unless the door is secure- ly closed. Serious damage to hinges and doors may result if bumped into tables, walls, or other equipment when the doors are open.

CASTERS
Caster bearings are equipped with Zerk grease fittings so that they may be easily lubricated with a grease gun. Lubricate bearings at least once every six months.
REPLACING THE DOOR GASKET
- Remove the screws located under the gasket on the cabinet.
- Remove the gasket and discard.
- Install the new gasket and replace the screws.
REVERSING THE DOOR
Reversing the door takes about 30 minutes & requires two people.
- Using a small screwdriver, pry off the hinge covers and set them aside. Removing the covers will allow access to the inside hinge screws. Remove the three screws that hold each hinge to the cabinet. DO NOT REMOVE THE SCREWS THAT HOLD THE HINGES TO THE DOOR. Remove the door, taking care not to let it fall.
- Remove the door strike plate and screws adjacent to the door opening on the cabinet. Reinstall the door strike plate and screws on the opposite side of the cabinet.
- Screw hinges onto the opposite side of the door.
- With the help of another person, hold the door up to the cabinet and attach the screws removed in step one. Before tightening the screws, be sure the door is flush, level and square. Replace the hinge covers.
HL10 SERIES WITH DIGITAL CONTROL
120 VOLT, 2100 WATT, 17.5 AMP, 1 PH, 60 HZ

HL10 SERIES WITH DIGITAL CONTROL
240 VOLT, 2400 WATT, 10 AMP, 1 PH, 50/60 HZ

TROUBLESHOOTING GUIDE
| SYMPTOM | POSSIBLE CAUSE | SUGGESTED REMEDY |
| No power on display | Not plugged in or circuit breaker tripped | Check or reset circuit breaker Connect to proper receptacle |
| Power cord damaged | Check – replace if required | |
| Power switch damaged or defective | Check – replace if required | |
| Food dries out too quickly | Operation where product temp is too high | Check product temps going into holding cabinet |
| Control incorrectly set or defective | Check proper operation or calibration of control | |
| The unit is on, and motors are running but no heat | Internal wiring error | Call service technician |
| Element hi-limit trip / defective | Call service technician | |
| Takes too long to get to the temperature | Improper voltage | Call a service technician to verify incoming voltage matches cabinet specifications. |
| Unit is hot but low or no airflow | Internal wiring error | Call service technician |
| The circulation motor has quit | Call service technician | |
| Improper voltage | Call a service technician to verify incoming voltage matches cabinet specifications. | |
NOTE:
The technical content of this manual, including any wiring diagrams, schematics, parts breakdown illustrations, and/or adjustment procedures is intended for use ONLY by qualified technical personnel.
NOTE:
For warranty service, call Carter-Hoffmann direct at 800-323-9793 for authorization, and we will dispatch the nearest authorized service agency.
3-YEAR WARRANTY on VAPORPRO HOLDING CABINETS
Carter-Hoffmann Warranty:
Carter-Hoffmann (“CARTER-HOFFMANN”) warrants to the initial purchaser of its standard Carter Line Products that CARTER-HOFFMANN will, at its option, repair or replace, during the warranty period set forth below, any part of such products made necessary due to a defect in material or workmanship which is present when the product leaves its factory and which manifests itself during the warranty period under normal use and service.
This warranty applies only to original equipment owned and possessed by the initial purchaser and the warranty period begins on the date of original shipment from the CARTER-HOFFMANN factory and extends as follows: to component parts and labor for 12 months (36 months on hotLOGIX and VAPORPRO holding cabinets and cook & hold cabinets); to refrigeration compressor unit for one year (limited to replacement only – not to include labor for removal, repair or replacement).
Repair or replacements under this warranty will be performed, unless otherwise authorized in writing by CARTER-HOFFMANN, at its factory. All parts or components to be repaired or replaced under this warranty are to be shipped prepaid to CARTER-HOFFMANN, with reimbursement credit for such part or component to be given if found by CARTER-HOFFMANN to be defective.
CARTER-HOFFMANN neither makes nor assumes and does not authorize any other person to make or assume any obligation or liability in connection with its products other than that covered in this warranty. This warranty applies only within the continental United States and Canada. In Alaska and Hawaii, this warranty applies only to and is limited to the supply of replacement parts.
Warranty Exclusions and Limitations:
Any implied warranty of merchantability or fitness for a particular purpose is hereby specifically disclaimed by CARTER-HOFFMANN. There are no warranties, expressed or implied, which extend be- yond the description on the face hereof. This warranty does not cover and CARTER-HOFFMANN shall not under any circumstances be liable for any incidental, consequential, or other damages (such as injury to persons or property, loss of time, inconvenience, loss of business or profits, or other matters not specifically covered) arising in connection with the use of, inability to use, or failure of these products.
Specifications are subject to change through product improvement and innovation.
120 Volt Standard Cabinet
120 Volt Standard Cabinet | 230 VoltCE Cabinet |
![]() | ![]() |
1551 McCormick Ave.
Keyhole cutouts—fit over shoulder bolts located at the base of the door.



























