SWITCH TO THE FUTURE
15.2K
Instructions Manual
IB152KEN Channel Universal Dimmer
| 15.2K.8.230.0400 | ||
| IN | BUS KNX 29 V DC (21…32 V DC) SELV | |
| Pmax | 2 x 400 W max | |
| LED | (230 V AC) 100 W | |
| (230 V AC) 400 W | ||
| (230 V AC) 400 W | ||
| (230 V AC) 100 W | ||
| (230 V AC) 400 W | ||
| (–5…+45)°C | ||
| IP20 | ||
Utility Model – IB152KVXX – 11/19
FINDER S.p.A. con unico socio – 10040 ALMESE (TO) – ITALY


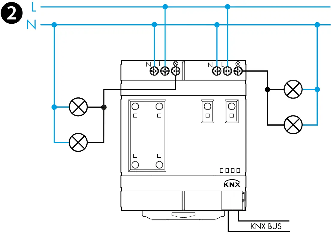
15.2K DIMMER KNX (2 channels)
FRONT VIEW
1a Channel 1 (CH 1)
1b Channel 2 (CH 2)
1c Button for manual increase
1d Green LED, output ON
1e Red LED, overload
1f Buttons for manual decrease
1g Power supply via KNX BUS
1h PROG: press the button to enter programming mode (Red LED ON)
1i TEST: test button. Press the button for 3 seconds (yellow LED flashes) to enable the 1C / 1F outputs keyboard.
To disable it, press the button once (yellow LED OFF).
After enabling the manual function with the TEST key, with the UP(+)/DOWN(–) keys of the individual channels it is possible to switch on the lights in steps of 30%. During the TEST mode, the command telegrams from the bus are ignored
WIRING DIAGRAM
PRODUCT FEATURES
- Leading Edge or Trail Edge adjustment method settable by ETS 4
- Manual control of each channel via the front panel
- Thermal protection and short circuit protection
- Scenario management
- ID LED for each output
NOTE
- The product must not be used for safety functions
- Environmental class according to EN 50491-2: Protected by the climate in uncontrolled conditions, temperature –25…+45°C
- Check the correct address of the device and the setting of the parameters, via ETS software
- EN 60669-1 and 60669-2-1/EN 50491
- 35 mm bar mounting (EN60715)
- Width 70 mm (4 modules)
CAUTION
The individual dimmer channels and the BCU are supplied separately, in case of a non-simultaneous power supply an initialization time that can last up to 20“ is required.
During this phase, the commands received will not be considered.



















