406-417 Regulus CTC EcoPart 400 Heat Pump

Congratulations on buying your new EcoPart 400 Heat Pump

The complete heat pump for bedrock, ground or lake heat sources
The CTC EcoPart 400 is a heat pump that takes heat from bedrock, ground or lake heat sources and supplies it to the existing heating system in the house.
The CTC EcoPart 400 is designed to operate with high efficiency and a low noise level.
Keep this manual containing the installation and maintenance instructions. If the heat pump is properly maintained, you will be able to enjoy using your CTC EcoPart 400 for many years. This manual will provide all the information you will need.
Important to remember!
Check the following points in particular at the time of delivery and installation:
- The CTC EcoPart must be transported and stored in an upright position. For transport into a house it may be laid on its back for a short time.
- Remove the packaging and check before installation that the product has not been damaged in transit. Report any transport damage to the carrier.
- Place the product on a firm surface, preferably made of concrete. Should the product be standing on a soft carpet, a rigid board must be placed under the adjustable feet.
- Remember to leave a service area of at least 1 m in front of the product. The product must not be placed below floor level either.
- Avoid placing the product in rooms with thin walls, as people in the adjoining room may be disturbed by the compressor and vibrations.
- Ensure that pipes used between the heat pump and the heating system are of adequate dimensions.
- Ensure that the circulation pump has sufficient capacity.
Safety Instructions
The following safety instructions must be observed when handling, installing and using the heat pump:
- Turn off the safety (power) switch before doing any work on the product.
- Prior to filling the system with the recommended antifreeze fluid, the system should be flushed thoroughly with antifreeze fluid.
- When handling the product with a hoist ring or similar device, make sure that the lifting equipment, eyebolts etc. are not damaged. Never stand under the hoisted product.
- Never jeopardize safety by removing bolted covers, hoods or similar.
- Never jeopardize safety by deactivating safety equipment.
- Any work done on the product’s electric or cooling system should be done by a competent engineer.
- This product is intended exclusively for indoor installation.
Failure to follow the instructions in this Manual may void the Warranty.
Connection alternatives CTC EcoPart 400
General
The illustration below shows connection alternatives available for the CTC EcoPart 400. In some cases, a CTC Basic display may be needed. See the chapter on Wiring a controller.
Alternative A
CTC EcoPart 400 can be connected to the products below:
Alternative B
The CTC EcoPart 400 can be operated with an existing boiler via the CTC Basic Display accessory. This can be done with a fixed temperature or based on thermostatic control. Given that the standard version of the CTC EcoPart 400 does not have its own controller, the CTC Basic Display accessory is required.
Technical data
Table 400 VAC 3 phase
| Electrical data | EcoPart 406 | EcoPart 408 | EcoPart 410 | EcoPart 412 | |
| Rated power | kW | 2.7 | 3.5 | 4.2 | 5.1 |
| Rated current | A | 5.8 | 6.5 | 8.1 | 9.6 |
| IP protection | IPX1 | ||||
| Operational data for heat pump | EcoPart 406 | EcoPart 408 | EcoPart410 | EcoPart | 412 | ||
| Output from compressor 1) | @-5/45 | kW | 4.68 | 6.84 | 8.33 | 9.88 | |
| COP 1) | @-5/45 | – | 3.09 | 3.34 | 3.30 | 3.30 | |
| Output from compressor 1)
| @ 0/35 | 0/45 0/55 | kW | 5.90 | 5.48 5.17 | 8.1917.877.55 | 9.97 | 9.55 9.28 | 11.75 | 11.24 10.97 | |
| COP 1) | @ 0/35 | 0/450/55 | – | 4.57 I 3.54 2.76 | 4.58 I 3.64 2.99 | 4.60 I 3.68 2.98 | 4.60 I 3.66 2.96 | |
| Output from compressor 1)
| @ 5/35 15/45 5/55 | kW | 6.81 I 6.49 6.08 | 9.44 I 9.05 8.65 | 11.42 110.99 10.58 | 13.53 I 12.95 12.57 | |
| COP 1) | @5/35 | 5/45 5/55 | – | 5.24 14.15 3.18 | 5.02 I 4.04 3.30 | 5.20 14.16 3.28 | 5.11 1 4 .11 | 3.35 |
| Max. operating current Compressor | A | 4.5 | 5.2 | 6.8 | 8.2 | ||
| Sound power according to EN12102 | dB(A) | 43.0 | 42.5 | 48.5 | 50.3 | ||
- EN14511:2007, incl.:
heating medium pump (EP406/408 – Stratos Tec 25/6 and EP410/412 – Stratos Tec 25/7)
brine system pump (EP406/410 – Wilo Stratos Para 25/8 and EP412 – Wilo Stratos Para 25/12)Heating system EcoPart 406 EcoPart 408 EcoPart 410 EcoPart 412 Heating medium min. flow 2) l/s 0.14 0.20 0.24 0.28 Heating medium nominal flow 3) l/s 0.28 0.39 0.48 0.56 - At Δt = 10 K and 0/35 °C heat pump operation
- At Δt = 5 K and 0/35 °C heat pump operation
| Brine system | EcoPart 406 | EcoPart 408 | EcoPart 410 | EcoPart 412 | |
| Fluid volume | l | 2.3 | 2.9 | 2.9 | 3.4 |
| Brine system min./max. temp. | °C | -5/20 | |||
| Brine system min./max. pressure | bar | 0.2/3.0 | |||
| Brine system min. flow, Δt=5 K | l/s | 0.22 | 0.31 | 0.38 | 0.44 |
| Brine system nominal flow, Δt=3 K | l/s | 0.37 | 0.51 | 0.64 | 0.73 |
| Brine system pump, standard | TOP-S 25/7 | TOP-S 25/10 | |||
| Brine system pump speed adjustment | 3 | ||||
| Brine system high efficiency pump | Wilo Stratos Para 25/8 | Wilo Stratos Para 25/12 | |||
| Brine system high efficiency pump speed | |||||
| Pump capacity | |||||
| Other data | EcoPart 406 | EcoPart 408 | EcoPart 412 | ||
| Refrigerant quantity (R407C) | kg | 2,1 | 2,1 | 2,1 | 2,5 |
| Compressor oil | FV50S | Polyolester (POE) | |||
| Interrupt value switch HP | MPa | 3,1 (31 bar) | |||
| Weight | kg | 138 | 143 | 148 | 164 |
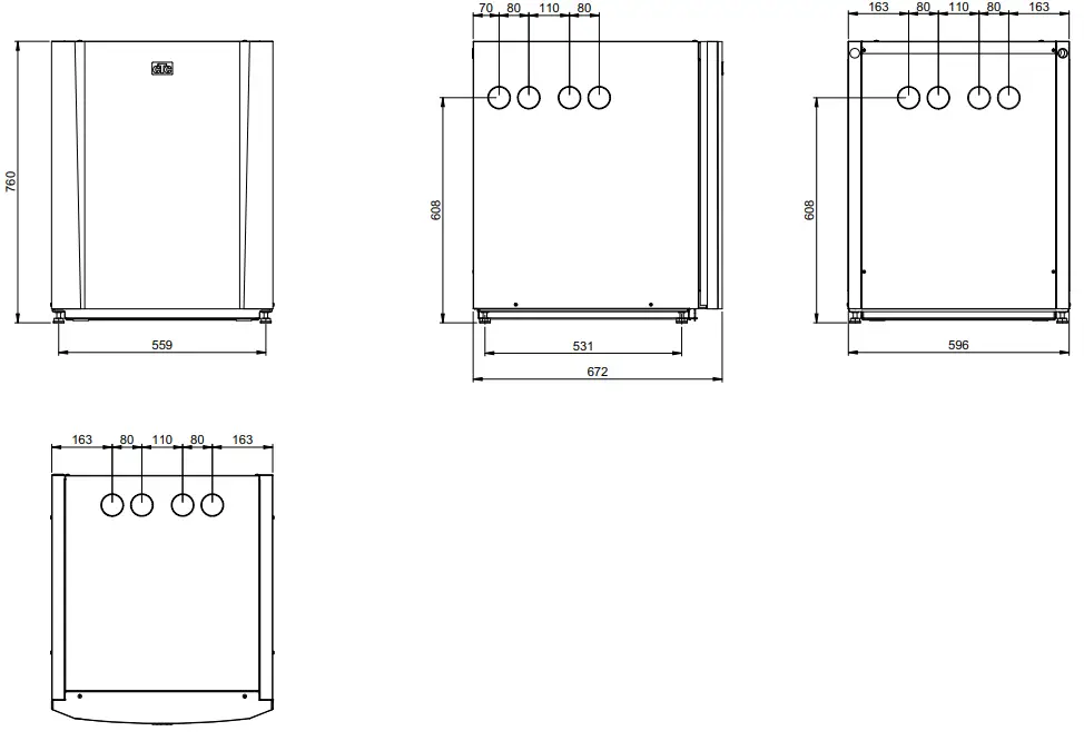
| Width x Height x Depth | mm | 600 x 760 x 672 | |||
| Electrical data | EcoPart 414 | EcoPart 417 | |
| Rated power | kW | 6.0 | 7.4 |
| Rated current | A | 12.2 | 13.9 |
| IP protection | IPX1 | ||
| Operational data for heat pump | EcoPart 414 | EcoPart 417 | ||
| Output from compressor 1) | @ -5/45 | kW | 12.09 | 14.05 |
| COP 1) | @ -5/45 | – | 3.24 | 3.19 |
| Output from compressor 1) | @ 0/35 | 0/45 0/55 | kW | 14.47 | 13.93 13.40 | 16.76 | 16.14 15.87 |
| COP 1) | @ 0/35 | 0/45 0/55 | – | 4.54 | 3.64 2.95 | 4.52 | 3.61 3.0 |
| Output from compressor 1) | @ 5/35 | 5/45 5/55 | kW | 16.48 | 15.98 15.28 | 19.25 | 18.42 18.16 |
| COP 1) | @ 5/35 | 5/45 5/55 | – | 5.13 | 4.11 3.28 | 5.02 | 4.05 3.38 |
| Max. operating current Compressor | A | 9.14 | 11.5 | |
| Sound power according to EN12102 | dB(A) | 53.0 | 55.5 | |
- EN14511:2007, incl.:
heating medium pump (EP406/408 – Stratos Tec 25/6 and EP410/412 – Stratos Tec 25/7)
brine system pump (EP406/410 – Wilo Stratos Para 25/8 and EP412 – Wilo Stratos Para 25/12)Heating system EcoPart 414 EcoPart 417 Heating medium min. flow 2) l/s 0.34 0.40 Heating medium nominal flow 3) l/s 0.68 0.81 - At Δt = 10 K and 0/35 °C heat pump operation
- At Δt = 5 K and 0/35 °C heat pump operation
| Brine system | EcoPart 414 | EcoPart 417 | |
| Fluid volume | l | 4.07 | 4.07 |
| Brine system min./max. temp. | °C | -5/20 | |
| Brine system min./max. pressure | bar | 0.2/3.0 | |
| Brine system min. flow, Δt=5 K | l/s | 0.53 | 0.63 |
| Brine system nominal flow, Δt=3 K | l/s | 0.88 | 1.05 |
| Brine system pump, standard | TOP-S 25/10 | ||
| Brine system pump speed adjustment | 3 | ||
| Brine system high efficiency pump | Wilo Stratos Para 25/12 | ||
| Brine system high efficiency pump speed | |||
| Pump capacity | |||
| Other data | EcoPart 414 | EcoPart 417 | |
| Refrigerant quantity (R407C) | kg | 2,9 | 2,9 |
| Compressor oil | Polyolester (POE) | ||
| Interrupt value switch HP | MPa | 3,1 (31 bar) | |
| Weight | kg | 164 | 164 |
| Width x Height x Depth | mm | 600 x 760 x 672 | |
Component location

- Compressor
- Evaporator
- Condenser
- Drying filter
- Expansion valve
- High pressure switch
- Terminal box
- High pressure sensor
- Low pressure sensor
- Drain valve cold side/Brine
- Drain valve hot side/Heating water
- Adapter 130 – 6/4”
- Circulation pump cold side
- Adjustable feet
- Communication cable grommet
- Power supply grommet
- Brine in Ø28 mm (from bedrock)
- Brine out Ø28 mm (to bedrock)
- Heating fluid out Ø 22 mm (EcoPart 406-41 Heating fluid out Ø 28 mm (EcoPart 414-417)
- Heating fluid in Ø 22 mm (EcoPart 406-412) Heating fluid in Ø 28 mm (EcoPart 414-417)
- Hot gas sensor
- Brine sensor in
- Brine sensor out
- Heating system return sensor
- Heating system fl ow sensor
- Service outlets
Dimensional drawing

Operating range
Flow temperature ºC

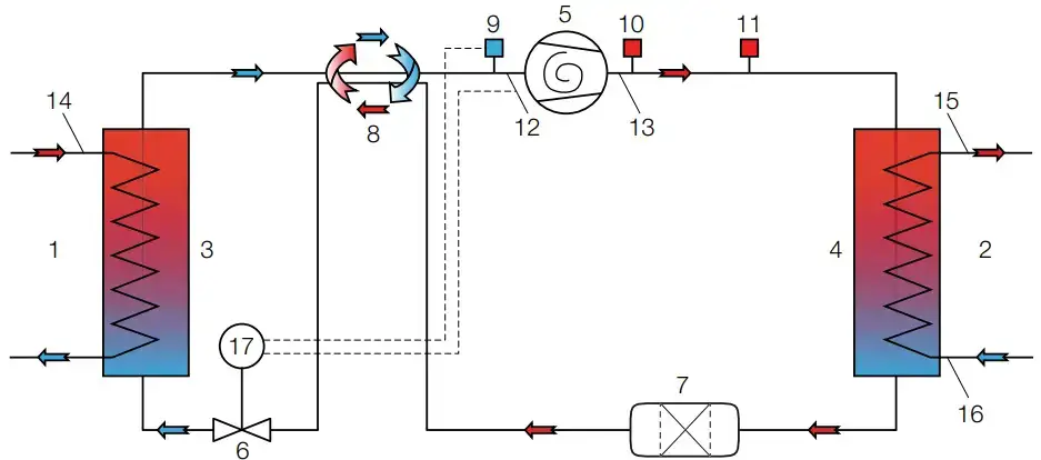
Refrigerant system

- Brine (heat source)
- Heating system
- Evaporator
- Condenser
- Compressor
- Expansion valve (electronic)
- Drying filter
- Refrigerant exchanger
- Low pressure sensor
- High pressure sensor
- High pressure switch
- Suction gas temperature
- Hot gas temperature
- Brine temperature
- HP Flow temperature
- HP Return temperature
- Expansion valve control
Operation and Maintenance
When the installer has installed your new heat pump, you should check together that the system is in perfect operating condition. Let the installer show you where the power switches, controls and fuses are so that you know how the system works and how it should be maintained. Bleed the radiators (depending on type of system) after around three days of operation and top up with water if required.
Periodic maintenance
After three weeks’ operation and then every three months during the fi rst year. Then once a year:
- Check that the installation is free of leaks.
- Check that the product and the system are free of air; air bleed if necessary, see the section Connecting the brine system.
- Check that the brine system is still pressurised and the fluid level in the brine vessel is adequate.
Shut-down
The heat pump is shut down using the operating switch. If there is a risk of the water freezing, all the water shall be drained out from the heat pump!
Troubleshooting/measures
The EcoPart Heat Pump is designed to provide reliable operation and high levels of comfort, and to have a long service life. Various tips are given below which may be helpful and guide you in the event of an operational malfunction.
If a fault occurs, you should always contact the installer who installed your unit. If the installer believes the malfunction is due to a material or design fault, then they will contact the supplier to check and rectify the issue. Always provide the product’s serial number.
Air problems
If you hear a rasping sound from the heat pump, check that it is properly bled. Top up with water where required, so that the correct pressure is achieved. If this noise recurs, call a technician to check the cause.
Alarms
Any alarms and information texts from the CTC EcoPart 400 are displayed in the product which is used to control it; you should therefore consult the manual for that controller.
Installation
This chapter is aimed at anyone responsible for the installations required to ensure that the product works the way the property owner wants.
Take your time going through functions and settings with the property owner and answer any questions. Both you and the heat pump benefit from a user who has completely understood how the system operates and should be maintained.
The product must be transported and stored in an upright position.
The installation must be carried out in accordance with valid rules. The product must be connected to an expansion vessel in an open or closed system. Do not forget to flush the radiator system clean before connection. Apply all the installation settings based on the description in the chapter 8 called First start.
The heat pump operates with a primary fl ow temperature of up to 65 °C and return temperature of up to 58 °C.
Transport
Transport the unit to the installation site before removing the packaging. Handle the product in the following manner:
- Forklift
- Lifting band around the pallet. Note: Can only be used with the packaging on.
Unpacking
Unpack the heat pump when it is placed next to its installation site. Check that the product has not been damaged in transit. Report any transport damage to the carrier. Also check that the delivery is complete according to the list below.
Scope of delivery
- EcoPart 400 Heat Pump
- Safety valve ½“, 3 bar
- filling kit 520-G25
- antifreeze fluid buffer tank
- rubber grommet, diam. 60
- 2 edge mouldings, 186 mm long
- circulation pump incl. nipples
Heating medium side connection
The heat pump is connected with at least Ø22 mm pipes to both flow and return. For EcoPart 414-417 the diameter shall be 28 mm min. Route the pipes so that there is no other highest point where air can accumulate and prevent circulation. If this is unavoidable, provide this highest point with an automatic air vent valve.
Circulation pump
The selection of circulation pump depends on the type of the heating system. To ensure proper operation, the flow in the heating circuit should not be lower than the values in the table under Technical data. Ensure that the circulation pump fitted is large enough, so that there is sufficient fl ow through the heat pump. If the flow is too low, there is a risk that the high pressure switch will be triggered.
IR12 CTC 400, or IR 10 CTC 400
Up to 10 heat pumps can be connected to an IR12 CTC 400 or IR10 CTC400 controller. The circulation pump in heat pump 1 can be then connected to the IR12 CTC 400 or IR10 CTC 400 controller. The circulation pumps for heat pumps 2-10 are switched directly by the control unit of the respective heat pump.
Standalone operation
The charge pump is connected to the CTC EcoPart 400 and controlled using the CTC Basic Display
Connecting the brine system
The installation and connection of the brine system, i.e. collector to bedrock or ground, shall be carried out by a qualified professional in accordance with current regulations.
Take all precautions to ensure that no debris gets into the collector hoses, which must be flushed clean before being connected. The cover plugs should remain in place as long as possible during any work.
The temperature of the brine system can fall below 0°C. This is why it is important not to use water-based lubricants etc. during installation. It is also important for all parts to be insulated against condensation to prevent ice forming.
We recommend that you follow the installation instructions from the local heat pump association.
Connection
Bedrock connection can be on the right, left or top of the heat pump. Cut away the cover plate on the side where the hoses are to be connected. Outlined circles are formed on the insulation on the inner side of the panel enabling to cut out openings for bedrock pipes. When a hole has been made in the side panel, carry out the installation as follows:
- Place the protective edging provided around the edge of the hole in the insulation plate in order to protect the hoses. If necessary, adjust the length of the edging so that it fi ts in the hole.
- Pass the hoses through the hole in the side cover plate and connect them. Ensure that the insulation covers all parts of the brine connection to prevent ice and condensation forming.
- Then connect the collector system as shown below.

It is also possible to connect the fl ow on one side and the return on the other. See Dimensional drawing for measurements and dimensions. The dimension of the pipe between the heat pump and brine loop should not be less than Ø28 mm.
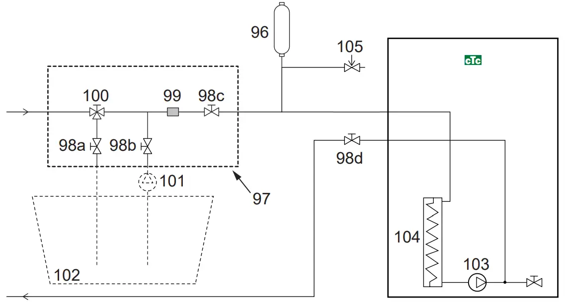
Diagram
The filling pump connection is marked with dashed line. Note: The ground collector piping shall be fitted with an air vent valve since air pockets can form inside. When fi lling and air bleeding the ground collector, always check the dirt fi lter (99) as well.
The filling vessel and pump shall be adequately sized.
96 Level/expansion vessel
97 Filling kit
98 Shut-off valve
99 Dirt filter
100 3-way valve
101 External filling pump
102 Blending vessel
103 Brine circuit pump
104 Evaporator
105 3 bar safety valve
Valves
To make it easier to service the cooling unit, shut-off valves must be fitted to both the incoming and outgoing connections.
Air bleeding
The ground collector loop should not contain any air. Even very small amounts of residual air can jeopardise the heat pump operation. See Filling and bleeding below.
Insulation against condensation
All pipes in the brine system must be insulated against condensation, otherwise heavy ice and condensation may form.
Filling and air bleeding
Pour CONVECTHEAT BIO-12 antifreeze fluid (brine) into the filling station. Connect the hoses to the shut-off valves (98a and 98b) as shown in the diagram. Note: The hoses shall be at least ¾”. Connect a powerful external pump (101) for filling and bleeding. Then reset the three-way valve (100) and open the valves (98a and 98b) so that the brine passes through the mixing vessel (102). Also make sure that the valve (98d) is open.
For brine pump start-up, see the relevant manual for the EcoPart control system.
Allow the brine to circulate in the system for a long period of time until it is completely free of air. There may still be pockets of air even if no air comes out with the fluid. Reset the three-way valve (100) so that any remaining air can come out.
Bleed the level vessel (96) by loosening the plug or opening the valve at its top.
Now close the valve (98a) while the filling pump is still running. The filling pump (101) now pressurises the system. Also close the valve (98b) and turn off the filling pump.
If the level in the level vessel is too low, close the valves (98c and 98d). Unscrew the plug and fill the vessel to about 2/3 full. Screw the plug back in or close the valve, and open the valves (98c and 98d).
Brine pump, standard
The brine pump has three speeds. The required speed shall be set depending on the length of the brine hose being used. With ground source heat, for example, the hose is longer than for geothermal (deep bore) heat, which can therefore mean a greater need for a higher speed. The speed of the brine pump is set so that the difference in temperature between brine in and brine out is approx. 3 °C.
Brine pump, high efficiency
The brine pump can be set to two different control settings: pressure-regulated speed or constant speed. Since the brine system has a fixed pressure drop, constant speed must be set. See the diagram showing setting of the brine pump. The pump setting is affected by the pressure drop in the circuit. For this reason, the setting should be reviewed at each installation. In general, constant operating pressure (option 2) must be selected. Try different settings to fi nd one that is suitable.
To attain the best system performance, the pump must be adjusted properly. Try to achieve a temperature difference of approx. 2–4 K.
Set the red button to setup option 2. Adjust so that the correct temperature difference is obtained.
Pump curves
Standard brine pump
Top-S 25/7 (CTC EcoPart 406-410)

Top-S 25/10 (CTC EcoPart 412-417)

High efficiency brine pump
WILO-Stratos PARA 25/8 (CTC EcoPart 406-410 LEP)
Δp-c (constant)

Δp-v (variable)

WILO-Stratos PARA 25/12 (CTC EcoPart 412-417 LEP)
Δ-c (constant)

Δp-v (variable)

Checking the brine system after installation
After a few days, you should check the fluid level in the vessel. Top up if necessary and then close the valves (98c and 98d) when filling.
Level/expansion vessel
The vessel should be fitted to the incoming pipe from the ground source, at the system’s highest point. Remember that the vessel can produce condensate. Fit the safety valve (105) as shown in the schematic diagram and fi t a suitable plug or shut-off valve to the top of the vessel.
If the vessel cannot be fitted at the highest point, a closed expansion vessel must be fitted.
Filling kit with dirt filter
Arrows on the valve housing indicate the direction of flow. When cleaning the filter, close the valves (98c and 100). Unscrew the filter cap and flush the filter clean. When refitting, the pin under the filter holder should be pushed into the designated hole in the filter housing. Top up with a little brine, if necessary, before fitting the cap.
Check and clean the dirt filter after a very short operation time.
Antifreeze fluid (brine)
The antifreeze fluid circulates in a closed system. The fluid consists of water and antifreeze solution. The recommended fluid for CTC Eco Heat/ Part heat pumps is CONVECTHEAT BIO-12. You should allow for approx. 1 | of antifreeze fluid per meter of collector hose. This applies to a hose diameter of 40 mm.
The fluid must be mixed thoroughly before the system gets filled.
Air pockets
To avoid air pockets, make sure that the collector hoses constantly rise towards the heat pump. If this cannot be done, it must be possible to bleed the system at the high points. The filling pump usually manages smaller local height discrepancies.
Checking brine difference
When the heat pump is running, regularly check that the temperature difference between the incoming and outgoing brine temperature is not too high. If the difference is quite high, one of the reasons for this may be air in the system or a blocked filter. If this is the case, the heat pump triggers the alarm for this.
The factory setting for the alarm is 7 °C, but 9 °C is permitted for the fi rst 72 hours that the compressor is in operation, as microbubbles in the system can reduce brine flow.
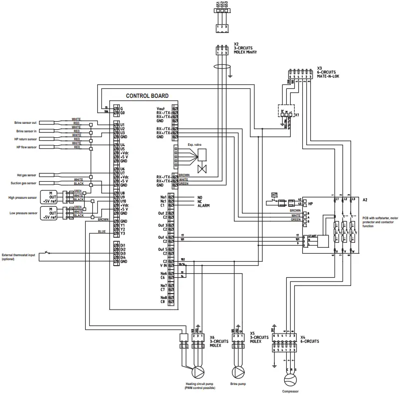
Electrical installation
Installation and switching on the heat pump shall be carried out by qualified staff. All wiring should follow current regulations.
The communication cable used is an LiYCY (TP), which is a 4-conductor shielded cable, where the communication conductors are twisted pairs.
Using another cable will mean that the colors of the conductors may not match, so you need to check that the colors of the conductors from unit 1 are connected to the same colors on unit 2.
Series connection of heat pumps
When connected in series, the shielding of the communication cable on the last heat pump shall be connected to earth (see Shielded communication) and the heat pump shall also be terminated (see Terminated position).
Shielded communication
The jumper (5) located between position 4 on the control terminal block and position PE on the mains terminal block must be removed from all heat pumps except the last one in the connection chain, and replaced (in the pos. 4 on the control terminal block) by shielding that it is then wired to the next heat pump in series.
Heat pump in series connection

The last heat pump in chain

Terminated position
The last heat pump (the cooling module) connected in series must be terminated. Ensure that DIP switch 2 is in the ON position on the heat pump that is set as the last one.
Output relay for joint alarms
The EcoPart is equipped with a potential-free alarm output that is activated if any alarm is active in the heat pump. This output can be connected to a maximum load of 1 A 250 VAC. An external fuse should also be used. A cable approved for 230 VAC must be used to connect this output, irrespective of the load connected. For information on connection, see the wiring diagram.
CTC Basic display (accessory)
The heat pump can be run without a parent system by using the CTC Basic Display. The CTC EcoPart can then be controlled with a fi xed return temperature (standalone) or with thermostat control. See the manual for the CTC Basic Display for more information.
CTC Basic Display (accessory)

Connection

Electrical installation 400 VAC 3 phase
Power supply
The CTC EcoPart 400 shall be connected to 400 VAC 3 phase 50 Hz and protective earth (PE). The minimum group fuse size is shown in the Technical data. Should it be also connected to an EcoEl, its power input shall be added as well since EcoPart is power supplied via EcoEl; the interconnecting cable is available as an accessory.
Safety switch
The installation shall be preceded by a 4-pole safety switch which ensures safe disconnection from all electrical power sources.
Connection
The CTC EcoPart 400 is power supplied with a 5-conductor cable that supplies electric power to the compressor (400 VAC 3 phase) and a brine circulation pump (230 VAC single phase).
- Incoming control signal
- Incoming power supply
- Internal control signal
- Internal connection 3×400 V
- Jumper for shielding

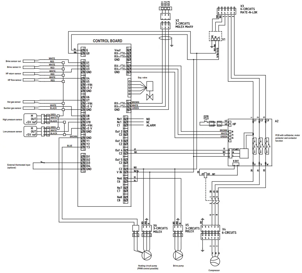
Wiring diagram 400 VAC 3 phase
CTC EcoPart 406-412

CTC EcoPart 414-417

Wiring a controller
Wiring alternative 1
Connection to IR 12 CTC 400 or IR 10 CTC 400 controllers shall be done following the instructions for IR and the heat pump stays addressed to A1. All the heat pumps are factory-addressed this way. Should more than one heat pump get connected, these heat pumps shall be addressed to A2, A3 etc. using the CTC Basic Display.
When connected in series, the last heat pump shall be set to the terminated position. More about this in the chapter Electrical installation under Terminated position.
The CVTC Basic Display is needed only when more heat pumps are to be connected in series, namely for proper addressing the individual heat pumps: A2, A3 etc.
Wiring alternative 2
The CTC EcoPart 400 can be operated with an existing boiler via the CTC Basic Display accessory. This can be done with a fi xed temperature or based on external thermostatic control. Given that the standard version of the CTC EcoPart 400 does not have its own controller, the CTC Basic Display accessory is required.
CTC Basic Display

First start
- Check that the Heat Pump, Thermal Store and the system are full of water and have been air bled.
- Check that all connections are tight.
- Check that sensors and the charge pump are connected to the power source.
- Turn the Heat Pump on by turning on the safety switch (the main switch).
Once the system has heated up, check that all connections are tight, the system has been bled, heat is coming out into the system and warm water is coming out at the tap locations.

EC Declaration of Conformity
Enertech AB
Box 313
S-341 26 LJUNGBY
Sweden
declare under our sole responsibility that the product
CTC EcoPart 406 / 408 / 410 / 412 / 414 / 417
covered by this declaration is in conformity with requirements of the following EC Directives:
Pressure Equipment Directive (PED) 97/23/EC, Module A Electromagnetic Compatibility (EMC) 2004/108/EC
Low Voltage Directive (LVD) 2006/95/EC
The conformity was checked in accordance with the following EN standards:
Emission: EN55014-12007 EN61000-3-2:2006 -A1:2009 -A2:2009 EN61000-3-3:2008
Immunity: EN550 14-2:1997 -A1:2001 -A2:2008 EN61000 -4 -3 -4 -5 -6 -11*)
*) Maximum permissible system impedance: Zsys 1 (d max) = 0.349 Ω
LVD
SS-EN 60 335-1
SS-EN 60 335-2-40

Ljungby 2012-05-07
Lars Nordh
R&D Manager
REGULUS spol. s r.o.
Do Koutů 1897/3
143 00 Praha 4





















