temperzone R410A Heat Pump Water Heaters

GENERAL
Introduction
Follow these instructions to ensure the optimum performance, reliability and durability.
Units must be installed in accordance with all national and regional regulations and bylaws.
National Health and Safety regulations must be followed to avoid personal injuries.
The appropriate permits must be acquired and adhered to.Seismic restraints must be fitted if required.
Site Preparation
System designers and installers must first familiarise themselves with the contents of the MWU Applications Manual prior to installing any unit. This contains important information about site requirements that will ensure the unit performs to its design capabilities.
INSTALLATION
Positioning
WARNING
The appliance should be located in an area where leakage of the unit or connections will not result in damage to the area adjacent to the appliance or to lower floors of the structure. When such locations cannot be avoided, it is recommended that a suitable drain pan, adequately drained, be installed under the appliance.
WARNING
Keep appliance area clear and free from combustible materials, gasoline and other flammable vapours and liquids.
MWU units are designed to be located outdoors and as close to the underfloor area as acoustic criteria allows.
Refer to diagrams below and in supplied Specifications sheet for minimum clearances. If multiple units are to be placed side-by-side then allow at least 1m between coil faces.
When determining the position of the unit, allow adequate space around the unit to facilitate water pipe connections, future servicing and maintenance (Fig.1). Ensure there is enough working space in front of the electrical access panel.
Note: The exhaust air from the unit is very cold when the unit operates at full capacity, and may be well below the freezing temperature. Take care in selecting the installation position that the exhaust air from the unit is not under a window or plants that are cold sensitive. It is also possible to get increased condensation on surfaces above the unit exhaust air which may deteriorate some surfaces.
Plant Room
Where an indoor installation is desired, sufficient ventilation must be provided to maintain the internal
air temperature no lower than 5°C below the external ambient air temperature. It is possible to duct the exhaust air from the unit, however the static at the fan must be less than 25 Pa. It is recommended that an additional in-line fan be installed to maintain airflow through the unit.
Mounting
The unit should be fastened to a firm flat raised horizontal base using the holes supplied in the mounting channels and thin isolation pads.
The unit must be installed level to ensure water drains freely out the drain exits (refer 2.3)
The unit is shipped with blocks installed under the compressors. Ensure these blocks are removed from the compressor feet prior to starting the unit.
Condensate Drain
When the unit is operating, condensation forms on the coils and drains out the mounting rail drain channel/s; this is normal. It is recommended the condensate be piped to a suitable drainage point to prevent ponding and/or slippery mould growth around the base of the unit.
An optional Drain Connnector Kit is available with 19mm OD stub. Alternatively, for a drip free installation a separate drain tray beneath the unit could be used to drain condensate to a suitable drainage point.
The drain line should have a slope of at least 1 in 50 and must not be piped to a level above the unit drain tray. Fit a vent pipe (10mm ID) within 500 mm of the unit. Condensation drain.The drain must be no piped to a point higher than the base tray of the drain tray. Discharge point must comply with AS/NZS 3500.4.
Water Connection
The MWU unit’s IN and OUT water connections are: MWU 180, 250: 1″ (25mm) BSP male
MWU: 450: 13/8″ (35mm) BSP male
The water supply to the zone manifolds must not be restricted. Pipe lengths should be as short as practical, have as few bends as possible and be sized to minimise pressure losses in the piping system.
Note: Where thermoforming plastic piping is used, care must be taken not to overheat the joints and cause restricted flow. Restricted flow rates may result in over-pressure HP faults occurring.
Use water treatment when connecting to steel piping – one that prevents internal corrosion.
Adding a biocide to fresh water loops can help inhibit any micro-organism growth within the system that may occur where water treatment is otherwise not required.
Connection pipes must be insulated to minimise heat loss, prevent icing-up in low ambient temperatures and protect against corrosive environments.
Air Bleed Vents (External)
An automatic air-bleeding valve, expansion tank and water pressure gauge must be installed as part of this system. These are best installed at the manifold for underfloor heating systems. The automatic air-bleed valves function to remove small bubbles of air from the system when the pump is operating. Do not rely on these valves to remove the air from the pipes during commissioning. Ensure the system is effectively purged through the purging port.
Filling / Purging Port (External)
A filling port is required to be installed at the unit. It is essential the filling port is located near the return water inlet to the unit. Either install two manual ball valves, with a filling port in-between, or install a dedicated filling port valve.
Note: The pump installed within the MWU units is not self-priming and air remaining in the system will result in the pump not operating.
Refer MWU Applications Manual for other Site Requirements and recommendations
WIRING
General
Electrical power wiring must be fitted and certified by persons with appropriate qualifications and certification.
A signed ‘Certificate of Compliance’ must be left with the unit for insurance purposes.
Power to Unit
All power wiring is to be done to the appropriate electrical standard of the country in which the unit is being installed.
The person installing the wiring is responsible for the correct selection of wiring size and auxiliary components. See the Specification Sheet for supply voltage range, frequency, phase and maximum operating current .
Wire the unit directly from the Electrical Distribution Board.
The unit should have its own dedicated circuit breaker on the Distribution Board. Route the power supply cord through the orifice next to the water connections.
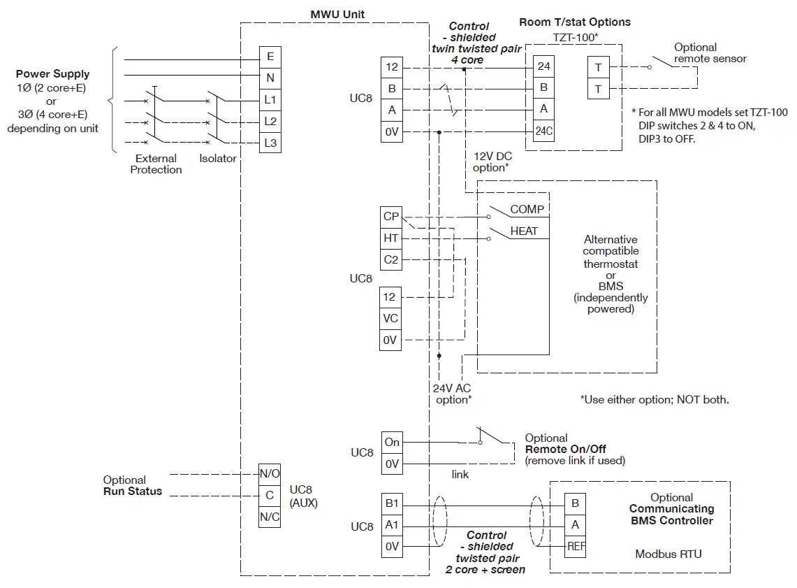
Turnkey Control (internal)
The MWU provides a turnkey solution (plug’n play) that requires no additional wiring. Simply connect power (and water) and switch the unit ON and the unit’s built-in UC8 Controller works to maintain a leaving water temperature (LWT) of 35°C (or up to 45°C if required). Note: the higher the LWT, the greater the energy consumption of the unit.
Temperature Control (external)
Various options are available to control the MWU unit operation. Temperature can be externally controlled either by a room air sensor or a sensor in the floor slab.
- Temperzone TZT-100 for single zone applications and air or concrete slab temperature control.
Refer to www.temperzone.biz for features and installation details; model search ‘TZT-100’. Separate ‘Installer’ and ‘User’ instructions are supplied with the TZT-100 for installation and operation; refer page 10 of Installer Manual. - Universal 24V ac or 12V dc dry contact thermostat.
- BMS Control, dry contact and analog inputs:
the unit controller (UC8) offers facilities to connect a BMS system via a set of of no-voltage contacts. BMS control is via Modbus over RS485. For a full list of the Modbus control setup, settings and read/write parameters refer Appendix I or contact Temperzone for details, or visit www.temperzone.biz; model search ‘BMS’.
Client Wiring
COMMISSIONING
Filling & Venting
Air must be removed from the water system prior to the start of operation. This is essential for the unit to successfully start.
- Ensure all zones at the underfloor feed manifold are requiring heating (ie open).
- Prior to connecting a water hose to the filling port, ensure all the air from the hose is flushed out by pre-running the water flow for a short period.
- Close the ball valve on the return side of the unit. Open the purge port.

- Open the filling port and connect the flowing hose. Purge the system until all air is expelled. This will take some time. Individual zones should be checked to ensure all air is purged.
- Close the purge port, and open the ball valve on the return side of the unit. Pressurise the system to 2 bar (29 psi), then close the filling port.
- Pressurise the system to the pre-charge pressure of the expansion tank.
Power
WARNING
Do not turn the unit on until the water loop is filled with water.
WARNING
Do not turn the unit on if outdoor ambient is below freezing point, otherwise damage may occur.
- Check the units are electrically connected in accordance with the wiring diagram (refer Specifications Sheet or unit label).
- Check all wiring connection and terminal tightness.
- Remove the shipping blocks from beneath each compressor. Check that each compressor is securely mounted.
- Ensure the Temperature Controller (thermostat) is OFF.
- Switch ON the Mains distribution board circuit breaker, the internal circuit breakers and the unit’s external ON/OFF switch.
- Check the supply voltage.
Operation
- Remove the remote on/off loop, and connect D3 to SC on the UC8 controller board (refer Figure 5, page 8). This will start the internal pump at full flow. Run the pump for 20 minutes and/or until no air is being expelled from the auto air bleed valve. Check system water pressure, and adjust if necessary.
- Remove the D3 connection, and re-insert the remote on/off loop. The unit’s UC8 controller board display should show ‘dELAY’, then ‘HOLd’, and countdown to zero.
- The compressor should start, and after a few seconds the fan should also start. If not refer Troubleshooting (page 6).
- The unit is programmed to operate on its own based on the following conditions:
- Run Mode: The remote On/Off switch is On, and
- the entering water temperature (EWT) is at least 5°C less than the target set temperature (default 35°C), and
- the outdoor ambient temperature is above -15°C.
- Stop Mode: The remote On/Off switch is Off, or
- the leaving water temperature (LWT) is greater than 2°C above the target set temperature, or
- the entering water temperature (EWT) is within 3°C of the target set temperature, and
- the compressor has operated at less than 20% for longer than 2 minutes.
- Run Mode: The remote On/Off switch is On, and
Setting the Leaving Water Temperature (LWT)
The unit’s UC8 controller has a default setting of 35°C for leaving water temperature. This can be changed if necessary to better suit the application. The maximum setting is 45°C.
Enter the UC8 special modes function as follows:
- Apply power to the unit and wait until the power-on sequence is completed.
- The compressor must be off and there must be no request to start (CP signal or thermostat must be OFF, no Modbus RTU or BACnet/IP run request).
- Hold down the UC8 controller’s push button ‘SW3’ (see Fig.3) until the display shows the letter ‘H’, then release the button.
- The selected mode starts immediately after the button is released. During this configuration mode use the display and short presses of the push button to make changes to the settings of the UC8.
- The configuration mode automatically ends when the push button has not been pressed for 30 seconds.
- The UC8 controller saves the change in memory which is kept even when power is switched off. Thus changes need to be made only once.
The specified LWT should be reviewed during the heating season to ensure that the heating comfort needs of the occupants are being met, whilst selecting the lowest LWT to improve efficiency. In general, it is better to start at the default (35°C) rather than to set it too high initially.
General Checks
- Check that the air flow over the coil is not restricted and that the fan is running smoothly.
- Check the unit is installed level and that condensate drains for freely by pouring some water into the base tray.
- Check the operation of the thermostat or BMS.
- Leave all relevant documentation with the unit.
- Check for leaks at all water connections in the system.
De-Ice Cycle
Under normal operation in cold conditions the coil will at times change to a white appearance as a frost forms. The unit is programmed to de-ice no more frequently than once every 50 min. At the end of each de-ice cycle, the coil should be completely clear of ice. Should a layer of clear ice form on the coil, then contact your Installer or Temperzone Customer Service (www.temperzone.biz).
Protection Against Freezing
If the outdoor ambient temperature falls close to freezing point the pump will continue to circulate water to prevent freezing, whether heating is called for or not.
This protection relies on uninterrupted power to the unit. Two warning labels are supplied to warn against disconnecting the power supply where freezing conditions are likely (eg while building occupants are on holiday). The labels should be fixed adjacent to the heat pump outdoor power point and on the main fuse/switchboard of the building. Advise the building occupier.
Note: The addition of glycol to the water loop is recommended In cold climates where electrical supply is unreliable.
MAINTENANCE
At Four Weeks
- Check compressor compartment for oil stains indicating refrigerant leaks.
- Check tightness of electrical connections.
- Check water pressure in the water loop is 2 bar (29psi); refer 4.1.
Yearly
- Check tightness of all fan and motor mountings.
- Check tightness of electrical connections.
- Check that fan motors are free running.
- Check water pressure in the water loop is 2 bar (29psi); refer 4.1.
- Check condensate drains for free drainage.
- Check for leaks at water connections.
- Check and remove as necessary any organic material and dust accumulation from coil fins and inside the fan chamber (power off). In corrosive environments, the checking and cleaning frequency should be increased.
- Touch up any unit paintwork damage to prevent corrosion.
TROUBLESHOOTING
Floor temperature varies significantly from its setting
- Unit may have been incorrectly sized for the building.
- Unit may be in a protection or diagnostic failure mode (refer 6.6 below).
Unit does not seem to deliver the heating when most needed
- Heating capacity at design conditions may be incorrect. As the outside temperature falls, heat losses through the walls, floor and ceiling increase.
- Check the unit’s brochure for information on the minimum/ maximum operating temperatures.
- Check the supply water temperature is appropriate for the installation (refer MWU Applications Manual)
In a new building, why does it take some days before the heat pump unit seems to work properly?
- Many new buildings have a large amount of concrete and other structural materials that are generally cold and full of moisture. This is most evident in the winter when trying to heat the building from scratch.
- Allow sufficient amount of time for unit to heat the floor. This could be up to 2.5 days. Start heating well before you need the warmth most.
- Units need to be checked regularly to ensure proper operation and that they are not exceeding operating limits for any length of time.
Unit runs excessively – the temperature remains too cold in winter.
- Windows or doors may be opened to non-heated areas.
- Keep doors to unheated areas (eg laundries, bathrooms etc.) closed.
- Location of wall controller or remote temperature sensor is wrong.
- Check top air discharge is unblocked and air flow to the coil face is clear and not restricted or blocked.
- Check no ice is forming on the coil between de-ice cycles (Refer 6.9).
Unit stopped and displaying ‘HP’ fault code
The most likely reason is insufficient purging of air through the system. Repeat the above steps to purge air from the system (Refer 4.1). Should this unit again result in a HP fault, then keep the hose connected on unit start-up, and open the purge port with the internal passage closed (filling port) / partially disconnect the return water pipe, and close the return side ball valve. The unit should operate. Once the unit is operating normally, then close the internal passage and purge port.
Note: Cold water in the system is more likely to result in air-locks than warm water. Once the water heats the air will tend to be naturally removed through the automatic air-bleed. Cooler water absorbs air, and heating water will release it. Installing the air-bleed on the supply water side of the manifold allows the air to be removed prior to the water entering the plastic tubing. It is normal for the system pressure to reduce over several days as the remaining air is eliminated from the system. Return to site, and re-pressurize, ensuring that the water hose is free of air prior to connecting to the filling port.
Unit displays an error code:
Refer to UC8 Controller label on the unit for operation & fault diagnostics information; or visit www.temperzone.biz and model search ‘UC8 Controller’. Here you will also find a ‘UC8 Troubleshooting Guide’.
Unit Does Not Start
- Circuit breaker may have been tripped. Reset circuit breaker.
- Unit may be off or in wall thermostat mode. Check unit is switched on at the unit, and external temperature controller is in Heating mode.
- Unit may be in a protection or diagnostic failure mode. Check for fault code display on unit’s controller board (refer also 6.5).
Water Dripping Outside
Condensation released during unit operation is normal. The unit should have been drain connected at the time of installation (refer 2.3)
- Check drain line is unblocked.
- If a condensate drain has been installed and is connected to a drain system, check gaskets and fittings around drain for leaks and plugs.
Ice or Frost Forms On Unit’s Coil
Under normal operation in cold conditions the coil will at times change to a white appearance as a frost forms. The unit is programmed to de-ice no more frequently than once every 50 min. At the end of each de-ice cycle, the coil should be completely clear of ice. Should a layer of clear ice form on the coil, then contact your Installer or Temperzone Customer Service (www.temperzone.biz).
WARRANTY
Please refer to the separate warranty document supplied with the unit, or visit www.temperzone.biz for details.
Australia:
[email protected]
[email protected]
Telephone: 1800 21 1800
New Zealand:
nztechnical [email protected]
Telephone: 0800 TZWARRANTY (899 2777)
APPENDIX I – BMS CONTROL OPTION
General
The MWU unit can be controlled by any external controller with Modbus master which is appropriately configured.
Communications format for controller
Communications format must be set as per recommmended Modbus RTU:
- Baud rate (bd or br) 19200
- Data bits 8
- Parity Even
- Stop bits (Pa) 1
Control via Modbus RTU communications
Single or multiple MWU units can be fully monitored and controlled via Modbus RTU serial communications. The following is typical for most installations:
- Set DIP switches 11 and 12 OFF on the UC8 controller.
- Connect BMS terminal A / TX+ to terminal A1 on the UC8 controller.
- Connect BMS terminal B / TX- to terminal B1 on the UC8 controller.
It is recommended to ‘daisy-chain’ the A&B connections using shielded twisted pair type cable, suitable for RS485 communications. Signals A and B should form one twisted pair. The cable shield should connect to terminal ‘0V’ on the UC8 controller. To avoid collisions of messages on the RS485 serial communications cable it is necessary to ensure each connected UC8 controller has a unique Modbus device address. Refer to section 5.4 for the procedure.
Example:
For detailed information about monitoring and control via Modbus RTU refer to document “UC8 Modbus communications” available at www.temperzone.biz; model search ‘UC8’.
Setting the UC8 Modbus device address
To view or change the Modbus device address of a UC8 follow these steps:
- Power up the unit but leave the compressor off.
- Hold down the pushbutton on the UC8, release the button as soon as the display shows the letter ‘A’.
- The display will show the current Modbus device address. The factory default address is 44. Press the button to select higher numbers, for example press once to change the address to 45, press twice for address 46 and so forth. After address 99 the number returns back to 1.
- When the desired address is selected wait for 30 seconds. The controller will save the selected address in memory.
Fault monitoring
UC8 includes a Fault Status monitoring output signal. A non-specific Fault monitoring output signal is available. Refer Appendix II (page 8) for fault codes. For more information model search ‘UC8’ at www.temperzone.biz or contact your local Temperzone Office (page 5).
Table 1, Information available on the UC8 display.
| Item | Unit | Abbreviation | Examples |
| Compressor suction line pressure | kPa | SLP | ![]() Suction line pressure 1034 kPa |
| Evaporating temperature | °C | Et | ![]() Evaporating temperature 12°C |
| Compressor suction line temperature | °C | SLt | ![]() Suction line temperature 18°C |
| Compressor suction side superheat | K | SSH | ![]() Suction side superheat 6K |
| Compressor discharge line pressure | kPa | dLP | ![]() Discharge line pressure 2447 kPa |
| Condensing temperature | °C | Ct | ![]() Condensing temperature 42 °C |
| Compressor discharge line temperature | °C | dLt | ![]() Discharge line temperature 70°C |
| Compressor discharge side superheat | K | dSH | ![]() Discharge side superheat 28K |
| De-‐ice sensor temperature (located on fins of the outdoor coil) | °C | ICEt | ![]() De-‐ice sensor temperature 39°C |
| Capacity | % | CAP | ![]() Capacity 100% |
| Expansion valve 1 opening | % | EE1 | ![]() Expansion valve 1 75% open |
| Expansion valve 2 opening | % | EE2 | ![]() Expansion valve 2 75% open |
APPENDIX II – PROTECTION FUNCTIONS
The UC8 implements system protection functions such as indoor coil frost, extreme high and low pressures, rapid on-off cycling of the compressors, loss of refrigerant and more.
The following applies to all protection functions except where otherwise indicated:
Unit operating capacity may automatically be reduced before a protection function is activated. Such a reduction may be sufficient to prevent an actual trip from occurring.
When a compressor is stopped by a protection function it is held off for a period of 3 minutes, after which it is allowed to restart (provided the cause of the trip has cleared).
When a protection function is active and when a unit is locked out the alarm relay output “FLT” is active.
More detailed information about protection functions and troubleshooting refer to document “UC8 troubleshooting information”, available for free download from www.temperzone.biz.
- High pressure protection (HP)
Units are fitted with high pressure transducers connected to UC8 input HPT. A compressor is switched off when the discharge line pressure reading exceeds 4238 kPa.
The display shows the letters ‘HP’ when protection is active. - Low pressure protection (LP)
Some units may be fitted with low pressure switches. These switches connect to UC8 inputs IN#2. When a low pressure switch activates (the electrical circuit opens) then the compressor is stopped.
Some HWP units are fitted with low pressure transducers connected to UC8 input LPT. A compressor is switched off when the suction line pressure reading falls below 228 kPa.The display shows the letters ‘LP’ when protection is active. - High discharge line temperature protection
The controller monitors the compressor discharge line temperature via a sensor connected to input ‘DL’ (red wires). The compressor is stopped when:- The temperature rises above 110°C for longer than 30 minutes.
- The temperature rises above 120°C (immediate action).
The display shows the message ‘Hi-t’
when protection is active.
- High discharge superheat protection
Discharge superheat is defined as the difference between the compressor discharge gas temperature and the condensing temperature. When this temperature differential becomes very high it is an indication that the compressor is being starved of refrigerant gas. Common reasons for this could be a lack of refrigerant (under-charged or loss-of-charge) or a problem with the expansion device (for example a stuck accurator or loose wiring to an EEV).
The protection is activated when discharge superheat exceeds 45K for longer than 30
minutes. The display shows the message ‘Hi-dSH’ when protection is active. - Low discharge superheat protection
Discharge superheat is defined as the difference between the compressor discharge gas temperature and the condensing temperature. When this temperature differential stays very low it can be an indication that the compressor is being flooded with liquid refrigerant. Common reasons for this could be an excess of refrigerant (over-charged) or a problem with the expansion device (for example loose wiring to an EEV).
The protection is activated when discharge superheat remains below the threshold for longer than 15 minutes. The threshold varies linearly from 0K at standard mode minimum capacity (40%) to 10K at nominal capacity
(100%).
This protection function is disabled when a compressor operates at less than standard mode minimum capacity (< 40%).
The threshold for a variable speed compressor operated in boost mode (capacity above 100%) is fixed at 10K.The display shows the message ‘LO-dSH’ when protection is active. - High evaporation temperature / high suction linetemperature protection
The unit has a low pressure transducer connected to the compressor suction line. The controller calculates the evaporating temperature from the suction line pressure reading. Additionally the controller monitors the compressor suction line temperature via a sensor connected to input ‘SL’ (white wires).
The protection function stops the compressor when:- The evaporating temperature remains above 27.5°C for longer than 15 minutes.
- The suction line temperature remains above 30°C for longer than 15 minutes. The display shows the message ‘Hi-SL’ when protection is active.
- Other alarms
The controller performs many other protection functions. For example:- Signals from sensors and transducers must remain inside normal operating range.
- Modbus RTU communications with connected devices (e.g. TZT-100 or SAT-3 thermostat, a Carel Power+ inverter) must continue uninterrupted.
- Modbus RTU communications with a controller such as a BMS that is controlling the unit must continue uninterrupted.
Refer to document ‘UC8 Troubleshooting Guide’ for details.
- Lock-out
Each protection function has a trip counter. A trip counter is reset to 0 whenever the compressor run request is removed. Any trip that has occurred more than 12 hours ago is removed from the trip count.
For some protection functions, when the trip counter reaches value 3 (i.e. three consecutive trips occur) then the unit is “locked out”.
When a unit is locked out the compressor is not allowed to start. Lock-out is designed to protect the compressor from repeatedly starting when a serious fault exists that requires the attention of a service technician.
The display shows the code of the fault that caused the lock-out condition.
A unit that is locked out can be unlocked using any one of the following methods:- Remove mains power from the unit for at least 3 seconds, then restore power.
- Issue an ‘unlock’ command via Modbus RTU serial communications.
- Reset the controller via Modbus RTU serial communications.
If a unit has locked out and has been unlocked twice, then locks out for a third time without having managed at least once to stop once under normal control, then the controller will no longer allow the unit to be unlocked by the method described.
The controller display will show the message
“Lockout”.
If this has happened the following steps must be taken to unlock the unit:- Remove power, then restore power.
- Press push button SW3 on the controller.
- Start the unit heating as normal.
- Stop the unit by means of a normal off-command (e.g. via the thermostat, remote on/off signal or Modbus control).
Ensure the unit does not stop on yet another trip by identifying and remedying the cause of the fault.
Refer to Temperzone (page 6) if assistance is required.
INSTALLER TO COMPLETE
Commissioning Check List
Site Name/address: ……………………………………………………………………………………………………………………………………………………..
Installing Company ………………………………………………………………………………………… Date: ………………………………………………….
Serviceman: ………………………………………………………………………………………………… Tel: ……………………………………………………
Model: ………………………………………………………………. Serial No: ………………………………………… Unit Site Ref: ………………………..
| Unit is installed level? | Y / N | |||
| Does unit have adequate safe access? | Y / N | |||
| Water drains tested okay? | Y / N | |||
| Water connections checked? | Y / N | |||
| Water pressure checked? | Y / N | |||
| All electrical terminals are tight? | Y / N | |||
| Certificate Of Compliance issued? | Y / N | |||
| Refrigerant leak checked? | Y / N | |||
| Has client had controls demonstrated? | Y / N | |||
| Thermostat type: | BMS / Eliwell / Other? (name): | |||
Mark UC8 dip switch positions with an ‘X’
| SW1 | SW2 | |||||||||||||||||
| 1 | 2 | 3 | 4 | 5 | 6 | 7 | 8 | 9 (1) | 10 (2) | 11 (3) | 12 (4) | 13 (5) | 14 (6) | 15 (7) | 16 (8) | |||
| On | On | |||||||||||||||||
| Off | Off | |||||||||||||||||
Record the following UC8 monitored conditions, at least 10 minutes after compressor starts, using push button SW3 (or WiFi Service Utility). Push repeatedly to scroll through list:
Heat Cycle:
| Low Pressure: | SLP | kPa |
| Evaporating temperature: | Et | °C |
| Suction Line temperature: | SLt | °C |
| Suction Superheat: | SSH | K |
| Discharge Line Pressure: | dLP | kPa |
| Condensing temperature: | Ct | °C |
| Discharge Line temperature: | dLt | °C |
| Discharge Superheat: | dSH | K |
| De-ice Sensor temperature: | ICEt | °C |
| Required Capacity: | CAP | % |
| Expansion Valve 1: | EE1 | % |
| Expansion Valve 2: | EE2 | % |
| Entering Water temperature*: | °C |
| Leaving Water temperature: (35 – 45 max.) | °C |
| Compressor amps: | A |
| Total amps: | A |
| Input voltage: | A |
* Note: Water temperature difference should,on heating, be greater than 5°C.
www.temperzone.biz





























