Allen-Bradley 1734-IB2 POINT I/O Input Modules

Product Information
The POINT I/O Input Modules are a series of modules designed for industrial applications. They come in different configurations, including two-input, four-input, and eight-input options. These modules are compatible with mounting bases that can be easily mounted on a DIN rail. All wiring is connected to a Removable Terminal Block (RTB) that is attached to the mounting base. The product is part of Series D and has the following catalog numbers:
- 1734-IB2
- 1734-IB4
- 1734-IB4K
- 1734-IB8
- 1734-IB8K
Product Usage Instructions
Before you begin using the POINT I/O Input Modules, please follow these installation instructions:
- Install the Mounting Base: Attach the mounting base to a DIN rail following the provided instructions.
- Install the Module: Slide the I/O module into the mounting base until it locks securely in place.
- Install the Removable Terminal Block: Attach the Removable Terminal Block (RTB) handle to the module and connect the wiring to the RTB using screws or spring clamps.
- Remove a Mounting Base: If needed, follow the instructions to safely remove a mounting base.
- Wire the Module: Connect the appropriate wires to the Removable Terminal Block (RTB) according to your application requirements.
- Communicate with the Module: Follow the provided instructions to establish communication with the module for data transfer and control.
- Interpret Status Indicators: Refer to the documentation to understand the meaning of the status indicators on the module.
Ensure to read and understand all the installation, configuration, and operation instructions provided in the user manual before using the product. It is important to comply with applicable laws, codes, and standards during installation, wiring, and maintenance procedures.
POINT I/O Input Modules
Catalog Numbers 1734-IB2, 1734-IB4, 1734-IB4K, 1734-IB8, 1734-IB8K, Series D
Summary of Changes
This publication contains the following new or updated information. This list includes substantive updates only and is not intended to reflect all changes.
| Topic | Page |
| Updated UK and European Hazardous Location Approval | 3 |
| Updated IEC Hazardous Location Approval | 4 |
| Updated Special Conditions for Safe Use | 4 |
| Updated General Specifications | 14 |
| Updated Environmental Specifications | 14, 15 |
| Updated Certifications | 15 |
ATTENTION:
- Read this document and the documents listed in the Additional Resources section about installation, configuration and operation of this equipment before you install, configure, operate or maintain this product.
- Users are required to familiarize themselves with installation and wiring instructions in addition to requirements of all applicable codes, laws, and standards.
- Activities including installation, adjustments, putting into service, use, assembly, disassembly, and maintenance are required to be carried out by suitably trained personnel in accordance with applicable code of practice. If this equipment is used in a manner not specified by the manufacturer, the protection provided by the equipment may be impaired.
Environment and Enclosure
ATTENTION: This equipment is intended for use in a Pollution Degree 2 industrial environment, in overvoltage Category II applications (as defined in EN/IEC 60664-1), at altitudes up to 2000 m (6562 ft) without derating.
- This equipment is not intended for use in residential environments and may not provide adequate protection to radio communication services in such environments.
- This equipment is supplied as open-type equipment for indoor use. It must be mounted within an enclosure that is suitably designed for those specific environmental conditions that will be present and appropriately designed to prevent personal injury resulting from accessibility to live parts. The enclosure must have suitable flame-retardant properties to prevent or minimize the spread of flame, complying with a flame spread rating of 5VA or be approved for the application if nonmetallic. The interior of the enclosure must be accessible only by the use of a tool. Subsequent sections of this publication may contain more information regarding specific enclosure type ratings that are required to comply with certain product safety certifications.
- In addition to this publication, see the following:
- Industrial Automation Wiring and Grounding Guidelines, publication 1770-4.1, for more installation requirements.
- NEMA Standard 250 and EN/IEC 60529, as applicable, for explanations of the degrees of protection provided by enclosures.
Prevent Electrostatic Discharge
ATTENTION: This product is grounded through the DIN rail to chassis ground. Use zinc plated chromate-passivated steel DIN rail to assure proper grounding. The use of other DIN rail materials (for example, aluminum or plastic) that can corrode, oxidize, or are poor conductors, can result in improper or intermittent grounding. Secure DIN rail to mounting surface approximately every 200 mm (7.8 in.) and use end-anchors appropriately. Be sure to ground the DIN rail properly. See Industrial Automation Wiring and Grounding Guidelines, Rockwell Automation publication 1770-4.1, for more information.
North American Hazardous Location Approval
The following information applies when operating this equipment in hazardous locations.
Products marked “CL I, DIV 2, GP A, B, C, D” are suitable for use in Class I Division 2 Groups A, B, C, D, Hazardous Locations and nonhazardous locations only. Each product is supplied with markings on the rating nameplate indicating the hazardous location temperature code. When combining products within a system, the most adverse temperature code (lowest “T” number) may be used to help determine the overall temperature code of the system. Combinations of equipment in your system are subject to investigation by the local Authority Having Jurisdiction at the time of installation.
WARNING: Explosion Hazard –
- Do not disconnect equipment unless power has been removed or the area is known to be nonhazardous.
- Do not disconnect connections to this equipment unless power has been removed or the area is known to be nonhazardous. Secure any external connections that mate to this equipment by using screws, sliding latches, threaded connectors, or other means provided with this product.
- Substitution of components may impair suitability for Class I, Division 2.
UK and European Hazardous Location Approval
The following applies to products marked II 3 G:
- Are intended for use in potentially explosive atmospheres as defined by UKEX regulation 2016 No. 1107 and European Union Directive 2014/34/EU and has been found to comply with the Essential Health and Safety Requirements relating to the design and construction of Category 3 equipment intended for use in Zone 2 potentially explosive atmospheres, given in Schedule 1 of UKEX and Annex II of this Directive.
- Compliance with the Essential Health and Safety Requirements has been assured by compliance with EN IEC 60079-7, and EN IEC 60079-0.
- Are Equipment Group II, Equipment Category 3, and comply with the Essential Health and Safety Requirements relating to the design and construction of such equipment given in Schedule 1 of UKEX and Annex II of EU Directive 2014/34/EU. See the UKEx and EU Declaration of Conformity at rok.auto/certifications for details.
- The type of protection is Ex ec IIC T4 Gc according to EN IEC 60079-0:2018, EXPLOSIVE ATMOSPHERES – PART 0: EQUIPMENT – GENERAL REQUIREMENTS, Issue Date 07/2018, and CENELEC EN IEC 60079-7:2015+A1:2018, Explosive atmospheres. Equipment protection by increased safety “e”.
- Comply to Standard EN IEC 60079-0:2018, EXPLOSIVE ATMOSPHERES – PART 0: EQUIPMENT – GENERAL REQUIREMENTS, Issue Date 07/2018, and CENELEC EN IEC 60079-
7:2015+A1:2018 Explosive atmospheres. Equipment protection by increased safety “e”, reference certificate number DEMKO 04 ATEX 0330347X and UL22UKEX2478X. - Are intended for use in areas in which explosive atmospheres caused by gases, vapors, mists, or air are unlikely to occur, or are likely to occur only infrequently and for short periods. Such locations correspond to Zone 2 classification according to UKEX regulation 2016 No. 1107 and ATEX directive 2014/34/EU.May have catalog numbers followed by a “K” to indicate a conformal coating option.
IEC Hazardous Location Approval
The following applies to products with IECEx certification:
- Are intended for use in areas in which explosive atmospheres caused by gases, vapors, mists, or air are unlikely to occur, or are likely to occur only infrequently and for short periods. Such locations correspond to Zone 2 classification to IEC 60079-0.
- The type of protection is Ex eC IIC T4 Gc according to IEC 60079-0 and IEC 60079-7.
- Comply to Standards IEC 60079-0, Explosive atmospheres ‐ Part 0: Equipment ‐ General requirements, Edition 7, Revision Date 2017 and IEC 60079-7, 5.1 Edition revision date 2017, Explosive atmospheres – Part 7: Equipment protection by increased safety “e”, reference IECEx certificate number IECEx UL 20.0072X.
- May have catalog numbers followed by a “K” to indicate a conformal coating option.
- WARNING: Special Conditions for Safe Use:
- This equipment shall be mounted in an UKEX/ATEX/IECEx Zone 2 certified enclosure with a minimum ingress protection rating of at least IP54 (in accordance with EN/IEC 60079-0) and used in an environment of not more than Pollution Degree 2 (as defined in EN/IEC 60664-1) when applied in Zone 2 environments. The enclosure must be accessible only by the use of a tool.
- Transient protection shall be provided that is set at a level not exceeding 140% of the peak rated voltage at the supply terminals to the equipment.
- This equipment must be used only with UKEX/ATEX/IECEx certified Rockwell Automation backplanes.
- Earthing is accomplished through mounting of modules on rail.
- ATTENTION:
- If this equipment is used in a manner not specified by the manufacturer, the protection provided by the equipment may be impaired.
- Read this document and the documents listed in the Additional Resources section about installation, configuration, and operation of this equipment before you install, configure, operate, or maintain this product. Users are required to familiarize themselves with installation and wiring instructions in addition to requirements of all applicable codes, laws, and standards.
- Installation, adjustments, putting into service, use, assembly, disassembly, and maintenance are required to be carried out by suitably trained personnel in accordance with applicable code of practice.
- In case of malfunction or damage, no attempts at repair should be made. The module should be returned to the manufacturer for repair. Do not dismantle the module.
- This equipment is certified for use only within the surrounding air temperature range of -20…+55 °C (-4…+131 °F). The equipment must not be used outside of this range.
- Use only a soft dry anti-static cloth to wipe down equipment. Do not use any cleaning agents.
- WARNING: Secure any external connections that mate to this equipment by using screws, sliding latches, threaded connectors, or other means provided with this product.
- WARNING: Do not disconnect equipment unless power has been removed or the area is known to be nonhazardous.
Before You Begin
- The POINT I/O™ sink input modules are available in two-input, four-input, and eight-input options. They install on mounting bases that mount on a DIN rail. All wiring is made to a Removable Terminal Block (RTB) mounted on the mounting base.
- This series D product can be used with the following:
- DeviceNet® and PROFIBUS adapters
- ControlNet® and EtherNet/IP™ adapters, using RSLogix 5000® software version 11 or later or Studio 5000(a) Logix Designer® application version 20 or later
- See Figure 1 to familiarize yourself with major parts of the module, noting that the wiring base assembly is the 1734-TB or 1734-TBS POINT I/O two-piece terminal base, which includes the 1734-RTB or 1734-RTBS removable terminal block, and 1734-MB mounting base.

| Description | Description | ||
| 1 | Module locking mechanism | 6 | 1734-TB or 1734-TBS mounting base |
| 2 | Slide-in writable label | 7 | Interlocking side pieces |
| 3 | Insertable I/O module | 8 | Mechanical keying (orange) |
| 4 | Removable terminal block (RTB) handle | 9 | DIN rail locking screw (orange) |
| 5 | Removable terminal block with screw (1734-RTB) or spring clamp (1734-RTBS) | 10 | Module wiring diagram |
Install the Mounting Base
To install the mounting base on the DIN rail (Allen-Bradley® part number 199-DR1; 46277-3; EN50022), proceed as follows:
WARNING: When used in a Class I, Division 2, hazardous location, this equipment must be mounted in a suitable enclosure with proper wiring method that complies with the governing electrical codes.
- Position the mounting base vertically above the installed units (adapter, power supply, or existing module).

- Slide the mounting base down allowing the interlocking side pieces to engage the adjacent module or adapter.
- Press firmly to seat the mounting base on the DIN rail.
The mounting base snaps into place.
Install the Module
- The module can be installed before or after base installation. Make sure that the mounting base is correctly keyed before installing the module into the mounting base. In addition, make sure that the mounting base locking screw is positioned horizontal referenced to the base.
WARNING: When you insert or remove the module while backplane power is on, an electrical arc can occur. This could cause an explosion in hazardous location installations. - Be sure that power is removed or the area is nonhazardous before proceeding. Repeated electrical arcing causes excessive wear to contacts on both the module and its mating connector. Worn contacts may create electrical resistance that can affect module operation.
- To install the module, proceed as follows:
- Use a bladed screwdriver to rotate the keyswitch on the mounting base clockwise until the number required for the type of module you are installing aligns with the notch in the base.
- Verify that the DIN rail locking screw is in the horizontal position.
You cannot insert the module if the locking mechanism is unlocked.
- Insert the module straight down into the mounting base and press to secure. The module locks into place.

Install the Removable Terminal Block
A Removable Terminal Block (RTB) is supplied with your wiring base assembly. To remove, pull up on the RTB handle. This allows the mounting base to be removed and replaced as necessary without removing any of the wirings. To reinsert the Removable Terminal Block, proceed as follows:
WARNING: When you connect or disconnect the Removable Terminal Block (RTB) with field side power applied, an electrical arc can occur. This could cause an explosion in hazardous location installations.
Be sure that power is removed or the area is nonhazardous before proceeding.
- Insert the end opposite the handle into the base unit. This end has a curved section that engages with the wiring base.
- Rotate the terminal block into the wiring base until it locks itself in place.
- If an I/O module is installed, snap the RTB handle into place on the module.

WARNING: For 1734-RTBS and 1734-RTB3S, to latch and unlatch the wire, insert a bladed screwdriver (catalog number 1492-N90 – 3 mm diameter blade) into the opening at approximately 73° (blade surface is parallel with top surface of the opening) and push up gently.
Remove a Mounting Base
- To remove a mounting base, you must remove any installed module, and the module that is installed in the base to the right. Remove the Removable Terminal Block, if wired.
WARNING: When you insert or remove the module while backplane power is on, an electrical arc can occur. This could cause an explosion in hazardous location installations. - Be sure that power is removed or the area is nonhazardous before proceeding. Repeated electrical arcing causes excessive wear to contacts on both the module and its mating connector. Worn contacts may create electrical resistance that can affect module operation.
WARNING: When you connect or disconnect the Removable Terminal Block (RTB) with field-side power applied, an electrical arc can occur. This can cause an explosion in hazardous location installations. - Be sure that power is removed or the area is nonhazardous before proceeding.
- Unlatch the RTB handle on the I/O module.
- Pull on the RTB handle to remove the removable terminal block.
- Press the module lock on the top of the module.
- Pull on the I/O module to remove from the base.
- Repeat steps 1, 2, 3 and 4 for the module to the right.
- Use a small bladed screwdriver to rotate the orange, base locking screw to a vertical position. This releases the locking mechanism.
- Lift straight up to remove.
Wire the Module
- WARNING: If you connect or disconnect wiring while the field-side power is on, an electrical arc can occur. This could cause an explosion in hazardous location installations. Be sure that power is removed or the area is nonhazardous before proceeding.
- WARNING: To comply with the CE Low Voltage Directive (LVD), this equipment must be powered from a source compliant with the following: Safety Extra Low Voltage (SELV) or Protected Extra Low Voltage (PELV).
POINT I/O Module

Wiring for 1734-IB2 – Sink Input

| Channel | Input | Common | Voltage |
| 0 | 0 | 4 | 6 |
| 1 | 1 | 5 | 7 |
Connect common on 3-wire proximity switches. 12/24V DC is supplied through the internal power bus.
Wiring for 1734-IB4, 1734-IB4K – Sink Input

| Channel | Input | Common | Voltage |
| 0 | 0 | 4 | 6 |
| 1 | 1 | 5 | 7 |
| 2 | 2 | 4 | 6 |
| 3 | 3 | 5 | 7 |
Connect common on 3-wire proximity switches. 12/24V DC is supplied through the internal power bus.
Wiring for 1734-IB8, 1734-IB8K – Sink Input

| Channel | Input | Channel | Input |
| 0 | 0 | 4 | 4 |
| 1 | 1 | 5 | 5 |
| 2 | 2 | 6 | 6 |
| 3 | 3 | 7 | 7 |
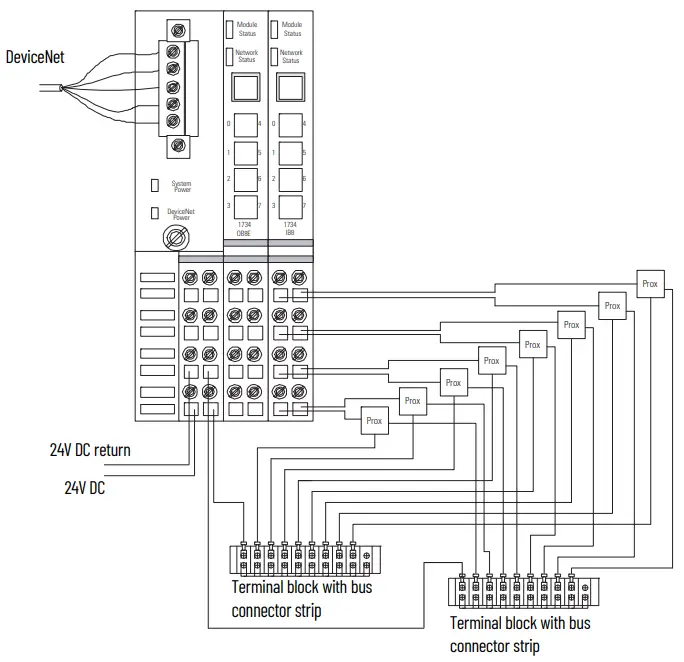
Daisy chain common and power connections from 1734 adapter, 1734-FPD, 1734-EP24DC, or from user-supplied external auxiliary terminal block.
Note: When connecting multiple wires in a termination point, make sure that both wires are the same gauge and type.
Wiring Example for 1734-IB8, 1734-IB8K Using 2-Wire Proximity Switches

Wiring Example for 1734-IB8, 1734-IB8K Using 3-Wire Proximity Switches

Communicate with the Module
POINT I/O modules send (consume) and receive (produce) I/O data (messages). You map this data onto the processor memory. These modules produce 1 byte of input data (scanner Rx). It does not consume I/O data (scanner Tx).
Default Data Map for 1734-IB2
Message size: 1 Byte
| 7 | 6 | 5 | 4 | 3 | 2 | 1 | 0 | |
| Produces (Rx) | I1 | I0 | ||||||
| Consumes (Tx) | No consumed data | |||||||
Where:
- I1 = Channel 1,
- I0 = Channel 0,
- 0 = Off, 1 = On
Default Data Map for 1734-IB4, 1734-IB4K
Message size: 1 Byte
| 7 | 6 | 5 | 4 | 3 | 2 | 1 | 0 | |
| Produces (Rx) | I3 | I2 | I1 | I0 | ||||
| Consumes (Tx) | No consumed data | |||||||
Where:
- I3 = Channel 3,
- I2 = Channel 2,
- I1 = Channel 1,
- I0 = Channel 0,
- 0 = Off, 1 = On
Default Data Map for 1734-IB8, 1734-IB8K
Message size: 1 Byte
| 7 | 6 | 5 | 4 | 3 | 2 | 1 | 0 | |
| Produces (Rx) | I7 | I6 | I5 | I4 | I3 | I2 | I1 | I0 |
| Consumes (Tx) | No consumed data | |||||||
Where:
- I7 = Channel 7,
- I6 = Channel 6,
- I5 = Channel 5,
- I4 = Channel 4,
- I3 = Channel 3,
- I2 = Channel 2,
- I1 = Channel 1,
- I0 = Channel 0,
- 0 = Off, 1 = On
Interpret Status Indicators
See the following diagram and table for information on how to interpret the status indicators:

Indicator Status for Modules
| Status | Description | |
|
Module status | Off | No power applied to device. |
| Green | Device operating normally. | |
| Flashing green | Device needs commissioning due to missing, incomplete, or incorrect configuration. | |
| Flashing red | Recoverable fault. | |
| Red | Unrecoverable fault – may require device replacement. | |
| Flashing red/green | Device is in self-test mode. | |
|
Network status | Off | Device is not online: – Device has not completed dup_MAC-id test. – Device not powered – check module status indicator. |
| Flashing green | Device is online but has no connections in the established state. | |
| Green | Device is online and has connections in the established state. | |
| Flashing red | One or more I/O connections are in timed-out state. | |
| Red | Critical link failure – failed communication device. Device detected error that prevents it from communicating on the network. | |
| Flashing red/green | Communication faulted device – the device has detected a network access error and is in communication faulted state. Device has received and accepted an Identity Communication Faulted Request – long protocol message. | |
| I/O status | Off | Input is in the off state. |
| Yellow | Input is in the on state. |
Specifications
POINT I/O Input Module – 1734-IB2, 1734-IB4, 1734-IB4K, 1734-IB8, 1734-IB8K
| Attribute | Value |
| Inputs per module | 1734-IB2 – 2 (1 group of 2), sinking 1734-IB4, 1734-IB4K – 4 (1 group of 4), sinking 1734-IB8, 1734-IB8K – 8 (1 group of 8), sinking |
| Voltage, on-state, min | 10V DC |
| Voltage, on-state, nom | 24V DC |
| Voltage, on-state, max | 28.8V DC |
| Current, on-state, min | 2 mA |
| Current, on-state, nom | 4 mA @ 24V DC |
| Current, on-state, max | 5 mA |
| Voltage, off-state, max | 5V DC |
| Current, off-state, min | 1.5 mA |
| Impedance, input, nom | 3.6 kΩ |
| Impedance, input, max | 4.7 kΩ |
| Input filter time(1) Off-to-on On-to-off | 0.5 ms hardware plus 0…63 ms (user-selectable) 0.5 ms hardware plus 0…63 ms (user-selectable) |
|
Field wiring terminations | 1734-IB2 1734-IB4, 1734-IB4K 1734-IB8, 1734-IB8K 0 – Input 0 0 – Input 0 0 – Input 0 1– Input 1 1 – Input 1 1 – Input 1 2 – No connection 2 – Input 2 2 – Input 2 3 – No connection 3 – Input 3 3 – Input 3 4 – Common 4 – Common 4 – Input 4 5 – Common 5 – Common 5 – Input 5 6 – User supply 6 – User supply 6 – Input 6 7 – User supply 7 – User supply 7 – Input 7 |
Input off-to-on filter time is the time from a valid input signal to recognition by the module. Input on-to-off time is the time from a valid input signal to recognition by the module.
General Specifications(1)
| Attribute | Value |
| Terminal base screw torque | 0.8 N•m (7 lb•in) |
| Module location | 1734-TB or 1734-TBS wiring base assembly |
| Indicators, network status | 1 green/red, logic side |
| Indicators, module status | 1 green/red, logic side |
| Indicators, input status | 1734-IB2 – 2 yellow, logic side 1734-IB4, 1734-IB4K – 4 yellow, logic side 1734-IB8, 1734-IB8K – 8 yellow, logic side |
| POINTBus™ current, max | 75 mA @ 5V DC |
| Power dissipation @ 28.8V DC, max | 1734-IB2 – 0.7 W 1734-IB4, 1734-IB4K – 1.0 W 1734-IB8, 1734-IB8K – 1.6 W |
| Thermal dissipation @ 28.8V DC, max | 1734-IB2 – 2.4 BTU/hr 1734-IB4, 1734-IB4K – 3.4 BTU/hr 1734-IB8, 1734-IB8K – 5.5 BTU/hr |
| Isolation voltage | 50V (continuous), Reinforced Insulation Type Tested @ 2500V DC for 60 s, field-side to system |
| Field power supply voltage, nom | 24V DC |
| Field power voltage range | 10 28.8V DC |
| Dimensions, HxWxD, approx. | 56 x 12 x 75.5 mm (2.2 x 0.47 x 2.97 in.) |
| Wiring category(2) (3) | 1 – on signal ports |
| Wire size | Determined by installed terminal block. |
| Weight, approx. | 1734-IB2 – 30.9 g (1.09 oz) 1734-IB4, 1734-IB4K – 31.8 g (1.12 oz) 1734-IB8, 1734-IB8K – 32.3 g (1.14 oz) |
| Enclosure type rating | None (open-style) |
| Keyswitch position | 1 |
| North American temp code | T4A |
| UKEX/ATEX temp code | T4 |
| IECEx temp code | T4 |
- IEC 3 24V DC input compliant.
- Use this conductor category information for planning conductor routing as described in Industrial Automation Wiring and Grounding Guidelines, publication 1770-4.1.
- Use this conductor category information for planning conductor routing as described in the appropriate System Level Installation Manual.
Environmental Specifications
| Attribute | Value |
| Temperature, operating | IEC 60068-2-1 (Test Ad, Operating Cold), IEC 60068-2-2 (Test Bd, Operating Dry Heat), IEC 60068-2-14 (Test Nb, Operating Thermal Shock): -20 °C ≤ Ta ≤ +55 °C (-4 °F ≤ Ta ≤ +131 °F) |
| Temperature, surrounding air, max | 55 °C (131 °F) |
| Temperature, nonoperating | IEC 60068-2-1 (Test Ab, Unpackaged Nonoperating Cold), IEC 60068-2-2 (Test Bb, Unpackaged Nonoperating Dry Heat), IEC 60068-2-14 (Test Na, Unpackaged Nonoperating Thermal Shock): -40…+85 °C (-40…+185 °F) |
| Relative humidity | IEC 60068-2-30 (Test Db, Unpackaged Nonoperating Damp Heat): 5…95% noncondensing |
| Vibration | IEC 60068-2-6 (Test Fc, Operating): 5 g @ 10…500 Hz |
| Shock, operating | IEC 60068-2-27 (Test Ea, Unpackaged Shock): 30 g |
| Shock, nonoperating | IEC 60068-2-27 (Test Ea, Unpackaged Shock): 50 g |
| Emissions | IEC 61000-6-4 |
| ESD immunity | IEC 61000-4-2: 6 kV contact discharges 8 kV air discharges |
| Radiated RF immunity | IEC 61000-4-3: 10V/m with 1 kHz sine-wave 80% AM from 80…6000 MHz |
| EFT/B immunity | IEC 61000-4-4: ±4 kV @ 5 kHz on signal ports |
| Surge transient immunity | ±1 kV line-line (DM) and ±2 kV line-earth (CM) on signal ports |
| Conducted RF immunity | IEC 61000-4-6: 10V rms with 1 kHz sine-wave 80% AM from 150 kHz…80 MHz |
Certifications
| Certification (when product is marked)(1) | Value |
| c-UL-us | UL Listed Industrial Control Equipment, certified for US and Canada. See UL File E65584. UL Listed for Class I, Division 2 Group A,B,C,D Hazardous Locations, certified for U.S. and Canada. See UL File E194810. |
|
UK and CE | UK Statutory Instrument 2016 No. 1091 and European Union 2014/30/EU EMC Directive, compliant with: EN 61326-1; Meas./Control/Lab., Industrial Requirements EN 61000-6-2; Industrial Immunity EN 61000-6-4; Industrial Emissions EN 61131-2; Programmable Controllers (Clause 8, Zone A & B) UK Statutory Instrument 2012 No. 3032 and European Union 2011/65/EU RoHS, compliant with: EN IEC 63000; Technical documentation |
| RCM | Australian Radiocommunications Act, compliant with: AS/NZS CISPR 11; Industrial Emissions |
| Ex
| UK Statutory Instrument 2016 No. 1107 and European Union 2014/34/EU ATEX Directive, compliant with: EN IEC 60079-0; General Requirements EN IEC 60079-7; Explosive Atmospheres, Protection “e” II 3 G Ex ec IIC T4 Gc DEMKO 04 ATEX 0330347X UL22UKEX2478X |
| IECEx | IECEx System, compliant with: IEC 60079-0; General Requirements IEC 60079-7; Explosive Atmospheres, Protection “e” II 3 G Ex ec IIC T4 Gc IECEx UL 20.0072X |
| KC | Korean Registration of Broadcasting and Communications Equipment, compliant with: Article 58-2 of Radio Waves Act, Clause 3 |
| EAC | Russian Customs Union TR CU 020/2011 EMC Technical Regulation |
| Morocco | Arrêté ministériel n° 6404-15 du 29 ramadan 1436 |
| CCC | CNCA-C23-01 CNCA-C23-01 CCC Implementation Rule Explosion-Proof Electrical Products CCC: 2020122309111607 |
See the Product Certification link at rok.auto/certifications for Declaration of Conformity, Certificates, and other certification details.
Rockwell Automation Support
Use these resources to access support information.
| Technical Support Center | Find help with how-to videos, FAQs, chat, user forums, Knowledgebase, and product notification updates. | rok.auto/support |
| Local Technical Support Phone Numbers | Locate the telephone number for your country. | rok.auto/phonesupport |
| Technical Documentation Center | Quickly access and download technical specifications, installation instructions, and user manuals. | rok.auto/techdocs |
| Literature Library | Find installation instructions, manuals, brochures, and technical data publications. | rok.auto/literature |
| Product Compatibility and Download Center (PCDC) | Download firmware, associated files (such as AOP, EDS, and DTM), and access product release notes. | rok.auto/pcdc |
Documentation Feedback
Your comments help us serve your documentation needs better. If you have any suggestions on how to improve our content, complete the form at rok.auto/docfeedback.
Waste Electrical and Electronic Equipment (WEEE)
At the end of life, this equipment should be collected separately from any unsorted municipal waste.
Rockwell Automation maintains current product environmental compliance information on its website at rok.auto/pec.
CONTACT LIST
- AMERICAS:
- RockwellAutomation, 1201 South Second Street, Milwaukee, WI 53204-2496 USA,
- Tel: (1) 414.382.2000,
- Fax: (1) 414 .382.4444
- EUROPE/MIDDLE EAST/AFRICA:
- Rockwell Automation NV, Pegasus Park, De Kleetlaan 12a, 1831 Diegem, Belgium,
- Tel : (32) 2 663 0600,
- Fax: (32) 2 663 0640
- ASIA PACIFIC:
- Rockwell Automation, Level 14, Core F, Cyberport 3, 100 Cyberport Road, Hong Kong,
- Tel: (852) 2887 4788,
- Fax: (852) 25081846
- UNITED KINGDOM :
- Rockwell Automation Ltd. Pitfield, Kiln Farm Milton Keynes, MK113DR, United Kingdom,
- Tel : (44)(1908) 838-800,
- Fax: (44)(1908) 261-917
References
Product Certifications | Rockwell Automation
Publication Feedback Form | Rockwell Automation
Literature Library | Rockwell Automation
Product Compatibility & Download Center from Rockwell Automation
Product Environmental Compliance | Rockwell Automation
Phone/Onsite Support
Support | Rockwell Automation
Technical Documentation Center | Rockwell Automation
Rockwell Automation (@rokautomation) • Instagram photos and videos
Select a Region | Rockwell Automation



















