SIEMENS FDCIO422 Addressable Input Output Module

INTRODUCTION
The FDCIO422 is used for the connection of up to 2 independent Class A or 4 independent Class B dry N/O configurable contacts. Input lines can be supervised for open, short and ground fault conditions (depending on EOL termination resistor and class configuration).
Inputs can be independently configured via the fire control panel for alarm, trouble, status or supervisory zones.
The FDCIO422 has 4 programmable outputs with 4 potential-free latching type form A relay contacts for fire control installations.
Status indication per LED for each input and output plus 1 LED for general status of the device. Power supply via FDnet (supervised power limited).
- Including 4 EOL devices (470 Ω)
- 3 separators to separate the power limited wiring from the non-power limited. Separators are delivered in 3 different sizes for standard 4 11/16-inch box, 4 11/16-inch extension ring and 5-inch box (RANDL).
The FDCIO422 supports two operation modes: polarity insensitive mode and isolator mode. The module can be wired for either mode (refer to Figure 8). During the isolator mode, the built-in dual isolators will work at both sides of the module to isolate the line short in front or behind the module.
CAUTION
Electric shock!
High voltages may be present on the terminals. Always use a faceplate and the separator(s).

Figure 1 FDCIO422 cage and carrier
CAUTION
This device is not intended for applications in explosive environments.
Class A/X (UL) is equivalent to DCLA (ULC) Class B is equivalent to DCLB (ULC)
For complete configuration and commissioning of the FDCIO422 also refer to the user documentation of your panel, and for the software tool used for configuration.

NOTICE
To prevent potential damage to the DPU (refer to manual P/N 315-033260) or to the 8720 (refer to manual P/N 315-033260FA) DO NOT connect a FDCIO422 to the DPU or 8720 until the cage is removed from the carrier (Figure 2).
Refer to Figure 3 to locate the opening on the cage cover that allows access to the programming holes which are on the FDCIO422 printed circuit board.
To connect the FDCIO422 to the DPU or 8720 Programmer/Tester, insert the plug from the DPU/8720 cable provided with the Programmer/Tester into the opening on the front of the FDCIO422. Be sure to insert the locating tab on the plug into the slot for the locating tab as shown in Figure 3. Minimum Firmware revision of the DPU must be 9.00.0004, for 8720 must be 5.02.0002.
WIRING
Refer to Figure 11. Refer to the appropriate wiring diagram and wire the addressable input/output module accordingly.
Recommended wire size: 18 AWG minimum and 14 AWG maximum Wire larger than 14 AWG can damage the connector.
(Refer to Figures 2 and 3). Follow the instructions in the DPU manual or 8720 manual to program the FDCIO422 to the desired address. Record the device address on the label located on the front of the module. The FDCIO422 can now be installed and wired to the system.

INPUT NOTES
- There can be any number of normally open dry contact switches.
- The end of line device must be located at the last switch.
- Do not wire a normally closed switch across the end of line device in a normally open wiring.
- Multiple switches: for open wiring supervision only.
Power limited wiring
In compliance with NEC Article 760, all power limited fire protective signaling conductors must be separated a minimum of ¼ inch from all of the following items located within an outlet box:
- Electric light
- Power
- Class 1 or non-power limited fire protective signaling conductors
To meet the above requirements, the following guidelines must be observed when installing this input/output module.
If non-power limited wiring is not used within this outlet box, then these guidelines do not apply. In that case, be sure to follow standard wiring practices.
Separators
The separators must be used when the relay contacts are connected to non-power limited lines. Mount the correct separator in the box used (4 11/16-inch box and 5-inch box). If an extension ring is used in conjunction with a 4 11/16-inch square box an additional separator has to be mounted in the extension ring.
The separators create two compartments to separate the wires as shown in Figure 5.

Wiring entering outlet box
All power limited wiring must enter the outlet box separately from the electric light, power, class 1, or non-power limited fire protection signaling conductors. For the FDCIO422, wiring to the terminal block for line and inputs must enter the outlet box separately from the terminals for outputs.
For the output terminals, protection with a fuse
(depending on the application) is recommended. Refer to Figures 6 and 8.
WIRING AT THE TERMINAL BLOCKS
Minimize the length of wire entering the outlet box.

MOUNTING
Input/output module FDCIO422 can be mounted directly into a 4 11/16-inch square box or 5-inch square box.
An additional extension ring can be mounted on the 4 11/16-inch square box with two screws.
For mounting the input/output module in the 5-inch square box use a 4 11/16-inch adapter plate.
Fasten the module to the square box with the
4 screws provided with the box.
Fasten the faceplate on the carrier using the 2 screws provided with the FDCIO422.
Be sure to program the FDCIO422 before fastening the faceplate to the unit.

Volume allowance FDCIO422
FDCIO422 Volume 11.7 inch3, max. 20 conductors
Check NFPA70, National Electric Code ‘314.16 Number of Conductors in Outlet, Device and Junction Boxes, and Conduit’, Table 314.16(A) and (B), to choose the correct metal box (4 11/16-inch square box, 4 11/16-inch square box with extension ring or 5-inch square box).
WARNING
It is not allowed to use the module without the faceplate. Remove the faceplate for service and maintenance reasons only!
TECHNICAL DATA
| Operating voltage: | DC 12 – 32 V |
| Operating current (quiescent): | 1 mA |
| Absolute maximum peak current: | 1.92 mA |
| Maximum current connection factor 2): | 4 |
| Relays output 1): (normally open / normally closed) | DC 30 V / AC 125 V Max. 4x 5 A or 2x 7 A (OUT B, C) or 1x 8 A (OUT C) |
| Operating temperature: | 32 – 120 °F / 0 – 49 °C |
| Storage temperature: | -22 – +140 °F / -30 – +60 °C |
| Humidity: | 5 – 85 % R.H. (not freezing and condensing at low temperature) |
| Communication protocol: | FDnet (supervised Signaling line circuit, Power limited) |
| Color: | Carrier: ~RAL 9017 Cage cover: transparent Cage: ~RAL 9017 Faceplate: white |
| Standards: | UL 864, ULC-S 527, FM 3010, UL 2572 |
| Approvals: | UL / ULC / FM |
| Dimensions: | 4.1 x 4.7 x 1.2 inch |
| Volume (cage and carrier): | 11.7 inch3 |
1) 2 coil latching type, dry contact, Form A
2) Average charge current of the device. 1 Load Unit (LU) equals to 250 µA

NOTICE
Ensure that the panel supports Isolator mode for the FDCIO422 product version 30. Isolator mode must not be used with a FDCIO422, product version <30. You will find the product version number on the label.
WIRING NOTES
- All supervised switches must be held closed and/or open for at least 0.25 s to guarantee detection (depending on filter time).
- End of line device: 470 Ω ± 1 %, ½ W resistor, delivered with the device (4x).
- The inputs must be wired potential-free.
- When the FDCIO422 is wired in polarity insensitive mode, Line -6 and -5 can be either line of the loop.
- When the FDCIO422 is wired for isolator mode, the positive line needs to be connected to 1b and the negative line to 6. The next device needs to be connected to 1b and 5.
The Line Isolator is located between connector 6 and 5. - Electrical ratings:
FDnet voltage maximum: DC 32 V Absolute maximum peak current: 1.92 mA - Supervised switch ratings:
Monitoring voltage: 3 V Cable length input: Max. 200 ft Input shielding recommended for cable lengths from: 30 ft – 200 ft Max. CLine to line: 0.02 µF Max. CLine to shield: 0.04 µF Max. line size: 14 AWG Min. line size: 18 AWG - The operating current must never exceed the rated current.
- As the outputs are not supervised by the module use an external supervision for critical applications.
- Choose the correct AWG size for the intended operating current.
- Connect incoming and outgoing shields together in an acceptable means. Insulate shields, do not make any connections to the device or back box.
- Use shielded and/or twisted wire to connect the switch wiring and keep the wiring as short as possible.
- Tie the switch wiring shield to the local earth ground (at only one end, refer to Figure 9). For multiple switches on the same input, connect incoming and outgoing shields together in an acceptable means. Insulate shields, do not make any connections to the device or back box.
- Positive and negative ground fault detected at <25 kΩ for inputs 1 – 4.
- The shield from the input must be connected to a known good earth ground for proper operation.
We recommend to use the earth connector in the electrical box. - Conductive armored or conductive metal conduit cables are sufficient as shielding.
- If a proper connection of the shield to a known good ground cannot be assured then unshielded cabling should be used.

- The shield from the input must be connected to a known good earth ground for proper operation.
- Relay contact ratings
Cable length output: Max. 200 ft
Normally open / Normally closed:
Define intended max. ambient temperature (77 °F, 100 °F, 120 °F) and max. power factor from load. Then find correlated possible max. current ratings in table below:
| up to DC 30 V | up to AC 125 V | |||||||
| P.F. / Amb. Temp. | 0 – 77°F / 0 – 25°C | ≤ 100°F / ≤ 38°C | ≤ 120°F / ≤ 49°C | 0 – 77°F / 0 – 25°C | ≤ 100°F / ≤ 38°C | ≤ 120°F / ≤ 49°C | ||
| resistive 1 | 4x 5 A 2x 7 A 1x 8 A | 4x 3 A 2x 4 A 1x 5 A | 4x 2 A 2x 2.5 A 1x 3 A | 4x 5 A 2x 7 A 1x 8 A | 4x 3 A 2x 4 A 1x 5 A | 4x 2 A 2x 2.5 A 1x 3 A | ||
| inductive 0.6 | 4x 5 A 2x 5 A 1x 5 A | 4x 3 A 2x 4 A 1x 5 A | 4x 2 A 2x 2.5 A 1x 3 A | 4x 5 A 2x 7 A 1x 7 A | 4x 3 A 2x 4 A 1x 5 A | 4x 2 A 2x 2.5 A 1x 3 A | ||
| inductive DC 0.35 AC 0.4 | 4x 3 A 2x 3 A 1x 3 A | 4x 3 A 2x 3 A 1x 3 A | 4x 2 A 2x 2.5 A 1x 3 A | 4x 5 A 2x 7 A 1x 7 A | 4x 3 A 2x 4 A 1x 5 A | 4x 2 A 2x 2.5 A 1x 3 A | ||
| 4x Out: A,B,C,D ; 2x Out: B,C ; 1x Out: C ; use only indicated outputs PF 0.6 (60 Hz) ≡ L/R max. 3.5 ms PF 0.35 (60 Hz) ≡ L/R max. 7.1 ms ≡ max. ind. Load at any case
Diagnostics | NOTICE | |||||||
| AC ratings must not be used with modules with product version <10. You will find the product version number on the label. FDCIO422 S54322-F4-A1 10 | ||||||||
| Indication | Actions | |||||||
| Normal, no fault is present In-/Output module is fully functional | none | |||||||
| Fault is present Error with the input circuitry (open line, short circuit, deviation) | Checking the input circuitry (parameter setting, resistors, short-circuit, open line) | |||||||
| Invalid parameter settings | Check the parameter setting | |||||||
| Supply error | – Check detector line voltage – Replace device | |||||||
| Software error (Watchdog error) | Replace device | |||||||
| Storage error | Replace device | |||||||
| Communication error between device and control panel | Remedy cause | |||||||
| Note: Any general message can be displayed together with another status. | ||||||||
Configuring the outputs
For configuring the outputs, proceed as follows:
- Determine in which position the contact is active. The contact can be active when it is:
- Closed (normally open, NO)
- Open (normally closed, NC)
- After activating the contact remains:
- Permanently active
- Active only for a certain period of time. How long the contact remains active can be configured as well (pulse duration). This is only to be used in the application of:
- Resetting the four wire device F5000 Reflective Beam Smoke Detector, P/N 500-050261.
The following settings are possible:10 s 15 s 20 s
- Determine the behavior of the output in case of error on the communication line (open line to the control panel, FDCIO422 power failure). The following configurations are possible for the behavior in case of a failure (default positions):
- Output position remains the same as before the error
- Output is activated
- Output is deactivated
Configuring the inputs
For configuring the inputs, proceed as follows:
- Configure the inputs as 4 Class B (DCLB) or 2 Class A (DCLA).
- Define the type of input (danger input or status input):
- Status input: triggers status change
- Danger input: triggers alarm
- Determine the type of monitoring and the monitoring resistors (refer to Figure 10):
- Class A only open no EOL
- Class B only open RP 470 Ω
- Class B open and short RS 100 Ω and RP 470 Ω
- Define the input filter time. The following settings are possible:
0.25 s 0.5 s 1 s The configuration of the input must correspond to the actual wiring.
An EOL must terminate all unused inputs.Follow the instructions in the corresponding panel manual for programming the FDCIO422 properly: P/N A6V10333724 and P/N A6V10336897.
- The 2x Class A inputs are identified by the panel as Input 1 and Input 2.
- Class A and Class B cannot be configured at the same time. 2x Class A or 4x Class B.

- Figure 10 FDCIO422 input wiring Class A and Class B
(For details of Line 1 and 2 wiring see Figure 8, for details of the input wiring see Figure 11.)
In the device line, up to 30 of any compatible devices in polarity insensitive mode with 20 ohms max line resistance can be isolated between two modules in isolator mode in a Class A Style 6 wiring.
In the device line, up to 30 of any compatible devices in polarity insensitive mode with 20 ohms max line resistance can be isolated behind one module in isolator mode in a Class B Style 4 wiring.
HLIM isolator module and SBGA-34 sounder base cannot be used in the same loop with the modules in isolator mode.
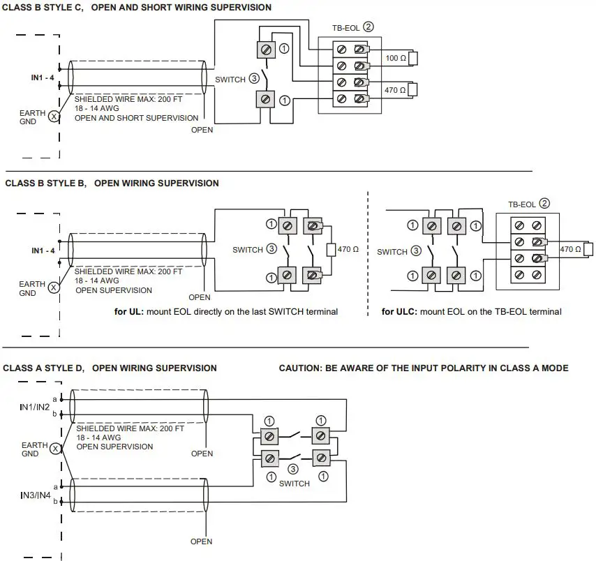
End of Line Resistor Wiring Overview

- CAUTION: FOR SYSTEM SUPERVISION – FOR TERMINALS IDENTIFIED WITH A ① DO NOT USE LOOPED WIRE TERMINALS. BREAK WIRE RUN TO PROVIDE SUPERVISION OF CONNECTIONS.
- Use Siemens TB-EOL terminal P/N S54322-F4-A2 or equivalent.
- Use only normally open dry contact SWITCHES for the inputs
Figure 11 Wiring end of line and switch
- Use a 4 or 2 pole UL/ULC recognized SWITCH.
- Switch Terminal must be capable of two conductors at one terminal.
- EOL Resistor wiring must be done according to UL 864 and ULC-S527, chapter ‘EOL Devices’.
- The EOL Resistors must be connected at the end of the input lines.
- No addressable device or 2-wire smoke detectors can be connected to the inputs.
ACCESSORIES
| DEVICE | ORDER NO. | |
| EOL resistor 100 Ω ±1% ½ W | S54312-F7-A1 | SIEMENS INDUSTRY, INC. |
| 4 11/16-inch adapter plate (optional) | M-411000 | RANDL INDUSTRIES, INC. |
| 5-inch Box (optional) | T55017 | RANDL INDUSTRIES, INC. |
| 5-inch Box (optional) | T55018 | RANDL INDUSTRIES, INC. |
| 5-inch Box (optional) | T55019 | RANDL INDUSTRIES, INC. |
| TB-EOL terminal | S54322-F4-A2 | SIEMENS INDUSTRY, INC. |
Siemens Industry, Inc.
Smart Infrastructure
8, Fernwood Road
Florham Park, New Jersey 07932 www.siemens.com/buildingtechnologies
Siemens Canada Limited
Smart Infrastructure
2 Kenview Boulevard
Brampton, Ontario L6T 5E4 Canada
© Siemens Industry, Inc. 2012-2016
Data and design subject to change without notice.






















