Installation Instructions
Model SIM-16
Supervised Input Module
INTRODUCTION
The Model SIM-16 Supervised Input Module from Siemens Industry, Inc., is a remotely located, general purpose input module. It provides sixteen input circuits for remote system monitoring. Each input can be individually programmed as supervised (dry contacts only) or unsupervised (general-purpose input). The SIM-16 has two Form C relays. The relays and the inputs are programmable using the Zeus Programming Tool.
OPERATION
The SIM-16 is mounted in an enclosure that is remotely located from the Main Panel. Communication between the SIM-16 and the NIC-C (Network Interface Card) is through the Control Area Network (CAN) bus. Up to 99 SIM-16s can be used with a single NIC-C.
Each SIM-16 has two 10-position rotary switches that are used to set the board address on the CAN which is a sub-address of the NIC-C.
Every time a change of state of the input is detected, a unique CAN message is sent to the NIC-C. A CAN message from the NIC-C directed to the SIM-16 controls the Form C relays.
PRE-INSTALLATION
Rotary Address Switches – Set the board address for each SIM-16 using both of the ten-position rotary switches located on the board (See Figure 1). Each of these addresses must be a sub-address of the NIC-C and must be the same as the addresses assigned in the Zeus Programming Tool.
INSTALLATION
A SIM-16 may be installed in a REMBOX. When using REMBOX 2 or 4, mount the SIM-16 in one module space on a REMBOX2-MP, P/N 500-634211 or REMBOX4- MP, P/N 500-634212 using the four screws provided. (Refer to REMBOX2-MP/REMBOX4MP Installation Instructions, P/N 315-034211.) Up to 4 SIM-16s will fit in a REMBOX2; up to 8 SIM-16s will fit in a REMBOX4.
WIRING
Remove all system power before installation, first battery then AC. (To power up, connect the AC first, then the battery.)
- Each SIM-16 module is a node in the CAN bus.
- The SIM-16 can be installed with or without an RNI. Connect the CAN bus and 24V as shown in Figures 2 and 3.
- Up to 99 CAN modules, in any combination, can be connected to the CAN bus of each NIC-C.
- Each SIM-16 module is shipped with one CCS cable.
- Cable connections for SIM-16 modules are shown in the following table:
SIM-16 CABLE CONNECTION
| Cable | Description | Part Number | Connection |
| CCL | CAN-CABLE-Long 30 in., 6-conductor | 599-634214 | Connects P4 on RNI to first SIM-16. Also connects from SIM-16 to FCM/ LCM/SCM/CSB modules (on door). |
| CCS | CAN-CABLE-Short 5% in., 6-conductor | 555-133539 | Connects SIM-16 modules to SIM-16 or OCM-16 modules in a single row |
The CAN bus requires a 120S termination at each end of the loop. Refer to the NIC-C Installation Instructions, P/N 315-033240 for details about CAN termination.

NOTES
- All wiring supervised.
- All wiring power limited to NFPA 70 per NEC 760.
- Wiring for TB1 and TB2 is 18 AWG min., 12 AWG max.
- Wiring for TB3 and TB4 is 18AWG min., 16 AWG max.
- CAN network max. line resistance 15S.
- Refer to the NIC-C Installation Instructions, P/N 315-033240 for CAN network termination instructions.
Figure 3
SIM-16 Wiring Without An RNI
NOTES
- Contacts are unsupervised.
- 1A max @ 24VDC resistive.
- All wiring must remain inside the enclosure or within 20 feet in rigid conduit.
- Wiring for TB1 and TB2 is 18 AWG min., 12 AWG max.
- Wiring for TB3 and TB4 is 18AWG min., 16 AWG max.

ELECTRICAL RATINGS
| 24V Back Plane Current | 0 |
| Screw Terminal 24V Current | 20mA +1.2mA / supervised input +20mA / active relay |
| 6.2V Back Plane Current | 0 |
| 24V Standby Current | 20mA +1.2mA / supervised input +20mA / active relay |
| Output Power | |
| CAN Network Pair | 8V peak to peak max. |
| 75mA max. (during msg transmission) | |
NOTES
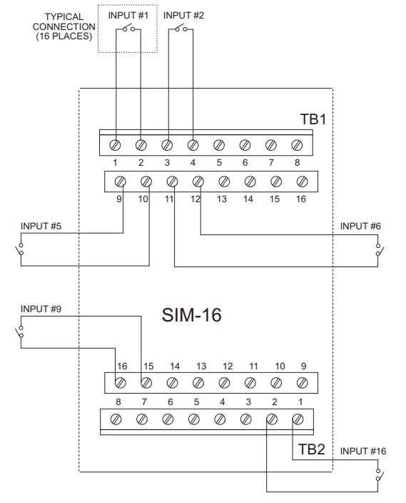
- All inputs supervised.
- All inputs power limited to NFPA 70 per NEC 760.
- Wiring for TB1 and TB2 is 18 AWG min., 12 AWG max.
- Maximum distance 500 feet from SIM-16 to supervised input.
- In the Zeus Programming Tool, select supervised for each supervised input.
- Supervised and unsupervised inputs may be mixed on a single SIM-16.
- Inputs #1 – 16 are programmable.
Figure 5
SIM-16 Supervised Input Wiring
Figure 6
SIM-16 Unsupervised Input Wiring
For CE applications in Cerberus E100 systems refer to
Installation Instruction A24205-A334-B844 (English) or A24205-A334-A844 (German).
Siemens Industry, Inc.
Building Technologies Division
Florham Park, NJ
Siemens Building Technologies, Ltd.
Fire Safety & Security Products
2 Kenview Boulevard
Brampton, Ontario L6T 5E4 Canada
Siemens Gebäudesicherheit
GmbH & Co. oHG
D-80930 München


















