990036 Input-Output Module
Instruction Manual
INSTRUCTIONS FOR SAFETY AND USE
Further information on Novy products, accessories and services may be found on the internet: www.novy.co.uk
These are the installation instructions for the appliance shown on the front.
These directions for use make use of a number of symbols.
The meanings of the symbols are shown below.
| Symbol | Meaning | Action |
| Indication | Explanation of an indication on the device. | |
![]() | Warning | This symbol indicates an important tip or a dangerous situation |
Warnings before installation
- Carefully read the safety and installation instructions of this accessory and of the cooker hood with which it can be combined before installing and using it.
- Check on the basis of the drawing A that all the materials for installation have been supplied.
- The appliance is intended exclusively for household use (preparation of food) and excludes all other domestic, commercial or industrial use. Do not use the appliance outside.
- Keep good care of this manual and pass it on to any person who may use the appliance after you.
- This appliance complies with the applicable safety instructions. However, inexpert installation may cause personal injury or damage to the appliance.
- Check the condition of the appliance and the installation fittings as soon as you remove them from the packaging. Remove the appliance from the packaging with care. Do not use sharp knives to open the packaging.
- Do not install the appliance if it is damaged, and in that case inform Novy.
- Novy is not liable for damage resulting from incorrect assembly, incorrect connection, incorrect use or incorrect operation.
- Do not convert or alter the appliance.
- Metal parts may have sharp edges, and you may injure yourself on them. For that reason, wear protective gloves during installation.
| 1 | Connecting cable extractor hood and I/O module |
| 2 | Connector I/O module to device |
| 3 | Output connector |
| 4 | Input connector |

| Contact | Function | Contact |
| INPUT for cooker hood | Start / stop extraction by means of a window switch when the cooker hood is set to duct-out mode. Cooker hoods: If the window is not open, the extractor fan will not start. The green and orange LEDs of the grease and recirculation filter indicator (cleaning / replacement) will flash. After opening the window, the extraction starts and the LEDs stop flashing. In the case of worktop extractors If the window is not open and the extraction tower is switched on, the extraction will not start. The LEDs next to the grease filter and recirculation filter indicator will flash.After opening the window the extraction starts and LEDs stop flashing. | Open potenti- al-free contact: start extraction Closed potential-free contact: stop extraction Closed potential-free contact: stop extraction |
| OUTPUT for coo- ker hood | When the cooker hood is swit- ched on, the potential-free con- tact closes from the I/O module. Here, for example, an extra valve for external air supply / extraction can be controlled. Max 230V – 100W | Start extraction: closed potential-free contact Stop extraction: open potential-free contact (*) |
(*) Potentialfree contact remains closed for 5 minutes after stopping the cooker hood
The installation and electrical connection of the accessoiry and the appli ance may only be carried out by an authorised spe cialist.
Make sure that the power circuit to which the device is connected is turned off.
The following applies to appliances (e.g. induction hob with integrated worktop extraction) that are set to recirculation mode as stan dard upon delivery:
To activate the INPUT on the cooker hood, it must be set in ductout mode. See installation manual device.

INSTALLATION
- Locate the connector of the device and make it free (see installation manual)
- Connect the I/O module to the extractor hood via the supplied connection cable (99003607).
- Check the connection according to your installation situation according to the electrical diagram on page 15.
INPUT: Connect the potential-free contacts of the input cable on the supplied 2-pole input connector (99003603).
Remove the protection of the wire core for 10mm. - OUTPUT: Connect the potential-free contacts of the output cable on the supplied 2-pole output connector (99003602).
Remove the protection of the wire core for 10mm.
Then place the protection around the connector.
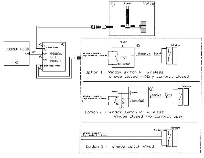
Electrical scheme
Input/Output module 990036
| Number | Description | Linetypes |
| 0 | Cooker hood | |
| 0 | RJ45 | |
| 0 | Output Valve . Dry Contact | |
| 0 | Input Window Switch , Dry contact | |
| 0 | Schabuss FDS100 or similar | |
| 0 | Broko BL 220 or similar | |
| 0 | Relois Finder40.61.8.230.0000 , Conrad 503067 + Reloissocket Finder 95.85.3 , Conrad 502829 , or similar | |
| ® | 990036 — I/O Module | |

Novy nv reserves the right at any time and without reservation to change the structure and the prices of its products.
Noordlaan 6
B – 8520 KUURNE
Tel. 056/36.51.00
Fax 056/35.32.51
E-mail: [email protected]
www.novy.be
www.novy.com



















