Schneider Electric TPRAN2X1 Input Output Module Instruction Manual
SAFETY INSTRUCTIONS
DANGER
HAZARD OF ELECTRIC SHOCK, EXPLOSION, OR ARC FLASH
- Read and understand this document and the documents listed on page 2 before installing, operating, or maintaining your TeSys Active.
- This equipment must only be installed and serviced by qualified electrical personnel.
- Turn off all power supplying this equipment before mounting, cabling, or wiring this equipment.
- Use only the specified voltage when operating this equipment and any associated products.
- Apply appropriate personal protective equipment (PPE) and follow safe electrical work practices per local and national regulatory requirements.
Failure to follow these instructions will result in death or serious injury.
WARNING
HAZARD OF FIRE
Use only the specified wiring gauge range with the equipment and comply with the specified wire termination requirements.
Failure to follow these instructions can result in death, serious injury, or equipment damage.
WARNING
UNINTENDED EQUIPMENT OPERATION
- Do not disassemble, repair, or modify this equipment.
There are no user serviceable parts. - Install and operate this equipment in an enclosure appropriately rated for its intended environment.
- Always route communication wiring and power wiring separately.
- For complete instructions about the functional safety modules, refer to the Functional Safety Guide,
8536IB1904
Failure to follow these instructions can result in death,serious injury, or equipment damage.
WARNING: This product can expose you to chemicals including Antimony oxide (Antimony trioxide), which is known to the State of California to cause cancer. For more information go to www.P65Warnings.ca.gov.
Documentation
- 8536IB1901, System Guide
- 8536IB1902, Installation Guide
- 8536IB1903, Operating Guide
- 8536IB1904, Functional Safety Guide
Available at www.se.com.
Features

- A. Flat cable
- B. LED status indicators
- C. Connector with spring terminals
- D. QR code
- E. Name tag
Mounting

mm: in.
Cabling

|
| ![]() | ![]() | ![]() |
| 10 mm 0.40 in. | 0.2–2.5 mm² AWG 24–14 | 0.2–2.5 mm² AWG 24–14 | 0.25–2.5 mm² AWG 22–14 |

| mm | in. | mm2 | AWG |
Wiring
TPRDG4X2
The TeSys Active Digital I/O module is an accessory of the TeSys Active. It has 4 digital inputs and 2 digital outputs.

Output fuse: 0.5AType T
Connector | Pin1 | Digital I/O | Terminal |
![]() | 1 | Input 0 | I0 |
| 2 | Input 1 | I1 | |
| 3 | Input Common | IC | |
| 4 | Input 2 | I2 | |
| 5 | Input 3 | I3 | |
| 6 | Output 0 | Q0 | |
| 7 | Output Common | QC | |
| 8 | Output 1 | Q1 |
1 Pitch: 5.08 mm / 0.2 in.
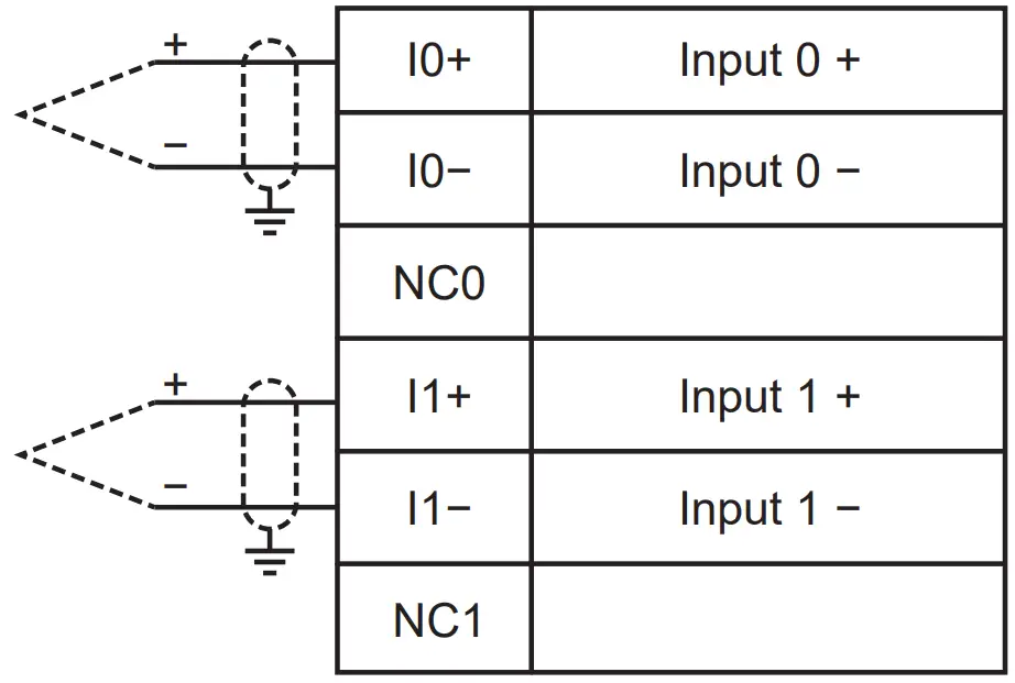
TPRAN2X1
The TeSys Active Analog I/O module is an accessory of the TeSys Active. It has 2 configurable analog inputs and 1 configurable analog output.

Current/Voltage Analog Device Input
| Connector | Pin1 | Analog I/O | Terminal |
![]() | 1 | Input 0 + | I0+ |
| 2 | Input 0 − | I0− | |
| 3 | NC 0 | NC0 | |
| 4 | Input 1 + | I1+ | |
| 5 | Input 1 − | I1− | |
| 6 | NC 1 | NC1 | |
| 7 | Output + | Q+ | |
| 8 | Output − | Q− |
1 Pitch: 5.08 mm / 0.2 in.

Current/Voltage Analog Device Output

Thermocouples

Resistance Temperature Detector (RTD)
PLEASE NOTE
- Electrical equipment should be installed, operated, serviced, and maintained only by qualified personnel.
- No responsibility is assumed by Schneider Electric for any consequences arising out of the use of this material.
Schneider Electric Industries SAS
35, rue Joseph Monier
CS30323
F – 92500 Rueil-Malmaison
www.se.com

Printed on recycled paper
Schneider Electric Limited
Stafford Park 5
Telford, TF3 3BL
United Kingdom
www.se.com/uk

MFR44099-03 © 2022 Schneider Electric All rights reserved

MFR4409903

























