Schneider Electric TM5SE1IC01024 Counter Module

DANGER
HAZARD OF ELECTRIC SHOCK, EXPLOSION OR ARC FLASH

- Disconnect all power from all equipment including connected devices prior to removing any covers or doors, or installing or removing any accessories, hardware, cables, or wires except under the specific conditions specified in the appropriate hardware guide for this equipment.
- Always use a properly rated voltage sensing device to confirm the power is off where and when indicated.
- Replace and secure all covers, accessories, hardware, cables, and wires and confirm that a proper ground connection exists before applying power to the unit.
- Use only the specified voltage when operating this equipment and any associated products.
Failure to follow these instructions will result in death or serious injury
POTENTIAL FOR EXPLOSION
- Only use this equipment in non-hazardous locations, or in locations that comply with Class I, Division 2, Groups A, B, C and D.
- Do not substitute components which would impair compliance to Class I Division 2.
- Do not connect or disconnect equipment unless power has been removed or the area is known to be non-hazardous.
Failure to follow these instructions will result in death or serious injury. Electrical equipment should be installed, operated, serviced, and maintained only by qualified personnel.
WARNING
UNINTENDED EQUIPMENT OPERATION
- Use appropriate safety interlocks where personnel and/or equipment hazards exist.
- Install and operate this equipment in an enclosure appropriately rated for its intended environment and secured by a keyed or tooled locking mechanism.
- Use the sensor and actuator power supplies only for supplying power to the sensors or actuators connected to the module.
- Power line and output circuits must be wired and fused in compliance with local and national regulatory requirements for the rated current and voltage of the particular equipment.
- Do not use this equipment in safety-critical machine functions unless the equipment is otherwise designated as functional safety equipment and conforming to applicable regulations and standards.
- Do not disassemble, repair, or modify this equipment.
- Do not connect any wiring to reserved, unused connections, or to connections designated as No Connection (N.C.).
Failure to follow these instructions can result in death, serious injury, or equipment damage.

Expert cable shielding

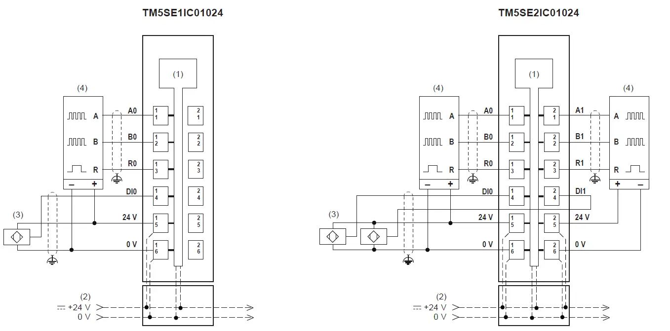
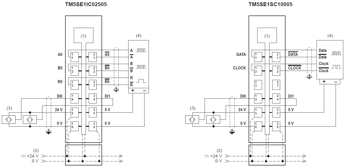
Wiring Diagrams


Legend
- Internal electronics
- 24 Vdc I/O power segment integrated into the bus bases
- 3-wire sensor
- Encode

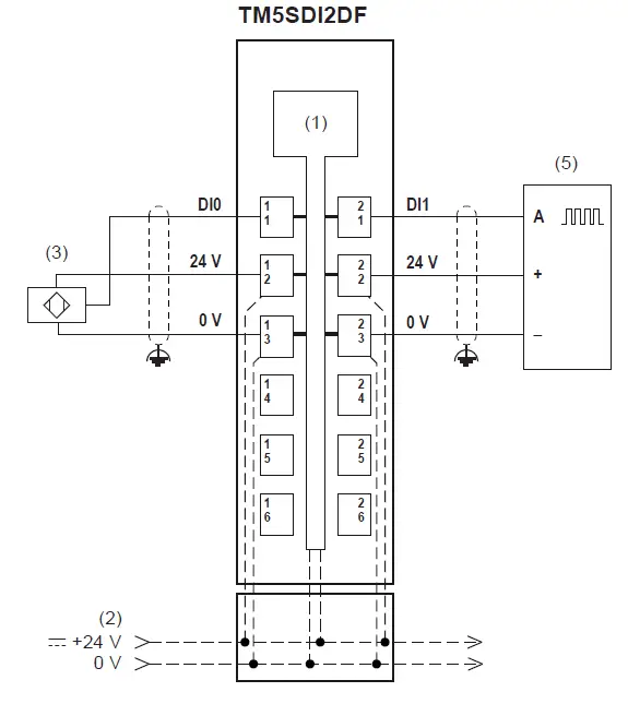
Legend
- Internal electronics
- 24 Vdc I/O power segment integrated into the bus bases
- 3-wire sensor
- Counting module
UK Representative
Schneider Electric Limited Stafford Park 5 Telford, TF3 3BL United Kingdom
Eurasian Economic Union (EAEU) contact information www.se.com


















