Schneider Electric TM262L01MESE8T Logic Controller Modicon
![]()
DANGER
HAZARD OF ELECTRIC SHOCK, EXPLOSION OR ARC FLASH
- Disconnect all power from all equipment including connected devices prior to removing any covers or doors, or installing or removing any accessories, hardware, cables, or wires except under the specific conditions specified in the appropriate hardware guide for this equipment.
- Always use a properly rated voltage sensing device to confirm the power is off where and when indicated.
- Replace and secure all covers, accessories, hardware, cables, and wires and confirm that a proper ground connection exists before applying power to the unit.
- Use only the specified voltage when operating this equipment and any associated products.
Failure to follow these instructions will result in death or serious injury.
DESCRIPTION
![]()
- SD Card slot – CN4
- USB mini-B programming port – CN5
- Serial line port – CN6
- Inputs/outputs terminal connector – CN8
- TM3 bus connector
- I/O status LEDs
- Encoder connector – CN9
- Clip-on lock for 35 mm (1.38 in.) top hat section rail (DIN rail)
- 24 Vdc power supply input / Alarm relay terminal connector – CN7
- Run/Stop switch
- 2 Ethernet switched ports – CN2 – CN3
- 1 Ethernet port – CN1
- Ethernet / Sercos port – CN1
- Status LEDs
- TMS bus connector
- Protective cover
- Locking hook (optional lock not included)
- Attachment parts
- Removable spring terminal blocs
WARNING
UNINTENDED EQUIPMENT OPERATION
- Use appropriate safety interlocks where personnel and/or equipment hazards exist.
- Install and operate this equipment in an enclosure appropriately rated for its intended environment and secured by a keyed or tooled locking mechanism.
- Use the sensor and actuator power supplies only for supplying power to the sensors or actuators connected to the module.
- Power line and output circuits must be wired and fused in compliance with local and national regulatory requirements for the rated current and voltage of the particular equipment.
- Do not use this equipment in safety-critical machine functions unless the equipment is otherwise designated as functional safety equipment and conforming to applicable regulations and standards.
- Do not disassemble, repair, or modify this equipment.
- Do not connect any wiring to reserved, unused connections, or to connections designated as No Connection (N.C.).
Mounting
![]()
Mounting on panel with attachment parts
![]()
NOTE: See the hardware guide for temperature derating when mounting the product other than horizontally
![]()
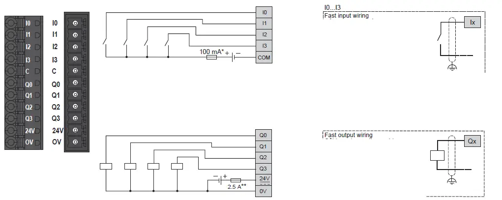
Digital inputs
![]()
NOTE: Use an appropriate type T fuse for the load, not to exceed 2.5A
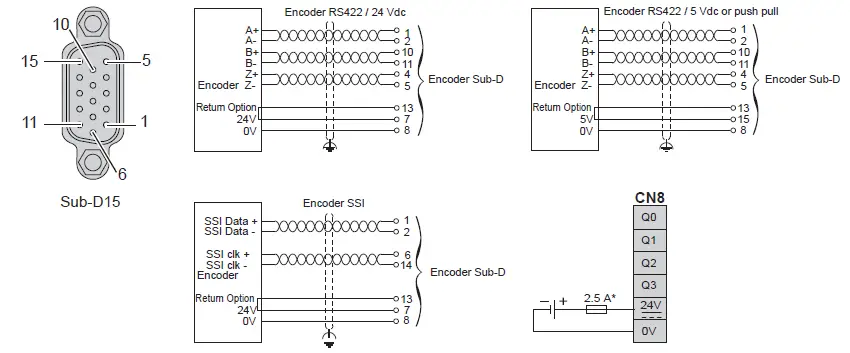
Encoder – CN9
![]()
WARNING
POTENTIAL OF OVERHEATING AND FIRE
- Do not connect the equipment\ directly to line voltage.
- Use only isolating PELV power supplies to supply power to the equipment.
Failure to follow these instructions can result in death, serious injury, or equipment damage.
NOTE: For compliance to UL requirement, use only Class II power supplies limited to 100 VA maximum.
Grounding the M262 System
DIN rail mounting
![]()
Panel surface mounting
![]()
USB mini-B
![]()
Ethernet / Sercos
![]()
Serial line
![]()
WARNING
UNINTENDED EQUIPMENT OPERATION
Do not connect wires to unused terminals and/or terminals indicated as “No Connection N.C.)”. Failure to follow these instructions can result in death, serious injury, or equipment damage.
SD Card
![]()
UK Representative
Schneider Electric Limited Stafford Park 5 Telford, TF3 3BL United Kingdom




















