200-18-E6B Snap-in Input-Output Module
Instruction Manual
The V200-18-E6B plugs directly into the back of compatible Unitronics OPLCs, creating a self-contained PLC unit with a local I/O configuration.
Features
- 18 isolated digital inputs configurable to type pnp/npn (source/sink), includes 2 shaft encoder inputs.
- 15 isolated relay outputs.
- 2 isolated pnp/npn (source/sink) transistor outputs, includes 2 high-speed outputs.
- 5 analog inputs, includes 2 inputs configurable to RTD or thermocouple.
- 2 isolated analog outputs.
- Before using this product, it is the responsibility of the user to read and understand this document and any accompanying documentation.
- All examples and diagrams shown herein are intended to aid understanding, and do not guarantee operation. Unitronics accepts no responsibility for actual use of this product based on these examples.
- Please dispose of this product in accordance with local and national standards and regulations.
- Only qualified service personnel should open this device or carry out repairs.
User safety and equipment protection guidelines
This document is intended to aid trained and competent personnel in the installation of this equipment as defined by the European directives for machinery, low voltage, and EMC. Only a technician or engineer trained in the local and national electrical standards should perform tasks associated with the device’s electrical wiring.
Symbols are used to highlight information relating to the user’s personal safety and equipment protection throughout this document.
When these symbols appear, the associated information must be read carefully and understood fully.
| Symbol | Meaning | Description |
| Danger | The identified danger causes physical and property damage. | |
| Warning | The identified danger can cause physical and property damage. | |
| Caution | Caution | Use caution. |
![]()
- Failure to comply with appropriate safety guidelines can result in severe personal injury or property damage. Always exercise proper caution when working with electrical equipment.
- Check the user program before running it.
- Do not attempt to use this device with parameters that exceed permissible levels.
- Install an external circuit breaker and take appropriate safety measures against shortcircuiting in external wiring.
- To avoid damaging the system, do not connect / disconnect the device when the power is on.
Caution
- Ascertain that terminal blocks are properly secured in place.
Environmental Considerations
![]()
- Do not install in areas with: excessive or conductive dust, corrosive or flammable gas, moisture or rain, excessive heat, regular impact shocks or excessive vibration.
- Provide proper ventilation by leaving at least 10mm of space between the top and bottom edges of the device and the enclosure walls.
- Do not place in water or let water leak onto the unit.
- Do not allow debris to fall inside the unit during installation.
UL Compliance
The following section is relevant to Unitronics’ products that are listed with the UL.
The following models: V200-18-E1B, V200-18-E2B, V200-18-E6B, V200-18-E6BL are UL listed for Hazardous Locations.
The following models: V200-18-E1B, V200-18-E2B, V200-18-E3B, V200-18-E3XB, V200-18-E46B, V200-18-E46BL, V200-18-E4B, V200-18-E4XB,
V200-18-E5B, V200-18-E6B, V200-18-E6BL, V200-18-ECB, V200-18-ECXB, V200-18-ESB are UL listed for Ordinary Location.
UL Ratings, Programmable Controllers for Use in Hazardous Locations, Class I, Division 2, Groups A, B, C and D
These Release Notes relate to all Unitronics products that bear the UL symbols used to mark products that have been approved for use in hazardous locations, Class I, Division 2, Groups A, B, C and D.
Relay Output Resistance Ratings
The products listed below contain relay outputs: V200-18-E1B, V200-18-E2B.
- When these specific products are used in hazardous locations, they are rated at 3A res, when these specific products are used in non-hazardous environmental conditions, they are rated at 5A res, as given in the product’s specifications.
Wiring
![]()
- Do not touch live wires.
- Unused pins should not be connected. Ignoring this directive may damage the device.
- Do not connect the ‘Neutral’ or ‘Line’ signal of the 110/220VAC to the device’s 0V pin.
- Double-check all wiring before turning on the power supply.
Wiring Procedures
Use crimp terminals for wiring; use 26-12 AWG wire (0.13mm2 –3.31mm 2 ) for all wiring purposes.
- Strip the wire to a length of 7±0.5mm (0.250–0.300 inches).
- Unscrew the terminal to its widest position before inserting a wire.
- Insert the wire completely into the terminal to ensure that a proper connection can be made.
- Tighten enough to keep the wire from pulling free.
▪ To avoid damaging the wire, do not exceed a maximum torque of 0.5 N·m (5 kgf·cm).
▪ Do not use tin, solder, or any other substance on stripped wire that might cause the wire strand to break.
▪ Install at maximum distance from high-voltage cables and power equipment.
I/O Wiring—General
- Input or output cables should not be run through the same multi-core cable or share the same wire.
- Allow for voltage drop and noise interference with input lines used over an extended distance.
Use wire that is properly sized for the load.
Earthing the product
To maximize system performance, avoid electromagnetic interference as follows:
- Use a metal cabinet.
- Connect the 0V and functional ground points (if exist) directly to the earth ground of the system.
- Use the shortest, less than 1m (3.3 ft.) and thickest, 2.08mm² (14AWG) min, wires possible.
Digital Inputs
Each group of 9 inputs has a common signal. Each group can be used as either pnp (source) or npn (sink), when appropriately wired as shown in the following figures.
- Inputs I0 and I2 can be used as normal digital inputs, as high-speed counters, or as part of a shaft encoder.
- Inputs I1 and I3 can be used as normal digital inputs, as high-speed counter resets, or as part of a shaft encoder.

Inputs I0, I1, and I2, I3 can be used as shaft encoders as shown below.

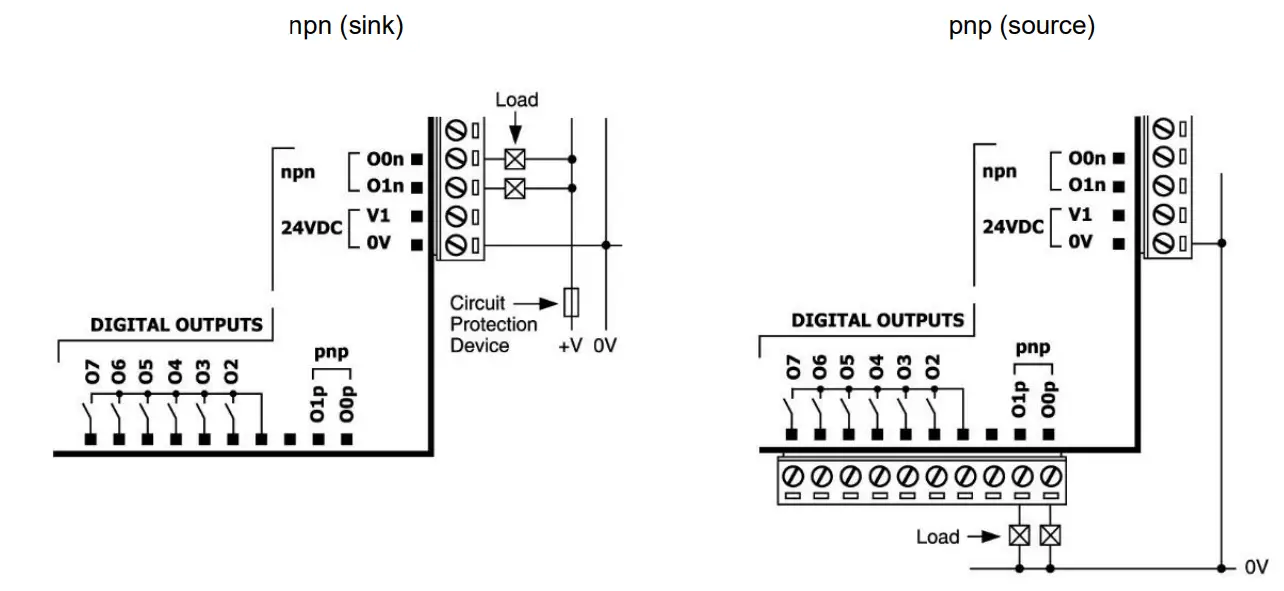
Digital Outputs
Wiring Power Supplies
Use a 24VDC power supply for both relay and transistor outputs.
- Connect the “positive” lead to the “V1” terminal, and the “negative” lead to the “0V” terminal.
▪ In the event of voltage fluctuations or nonconformity to voltage powersupply specifications, connect the device to a regulated power supply.
Relay Outputs
- Each group can be wired separately to either AC or DC as show.
- The 0V signal of the relay outputs is isolated from the controller’s 0V signal.

Increasing Contact Life Span
To increase the life span of the relay output contacts and protect the device from potential damage by reverse EMF, connect:
- a clamping diode in parallel with each inductive DC load,
- an RC snubber circuit in parallel with each inductive AC load.

Transistor Outputs
- Each output can be wired separately as either npn or pnp.
- The 0V signal of the transistor outputs is isolated from the controller’s 0V signal.

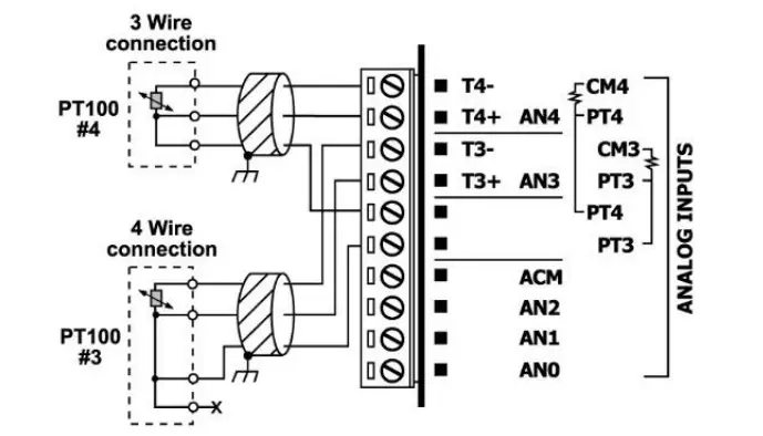
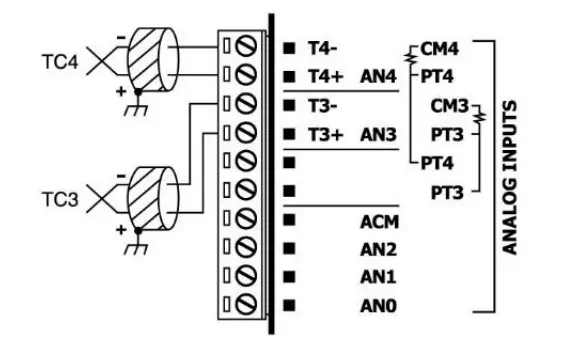
Analog Inputs
5 analog inputs:
- Inputs 0 to 2 can be wired to work with either current or voltage.
- Inputs 3 and 4 can function as either analog, RTD, or thermocouple, when appropriately wired as shown in the following figures.
To configure an input, open the device and set the jumpers according to the instructions beginning on page 8. Shields should be connected at the signal source.
Analog Inputs
- When set to current/voltage, all inputs share a common ACM signal, which must be connected to the 0V of the controller.

RTD Inputs
- PT100 (Sensor 3): use both inputs related to CM3 signal.
- PT100 (Sensor 4): use both inputs related to CM4 signal.
- 4 wire PT100 can be used by leaving one of the sensor leads unconnected.

Thermocouple Inputs
- Supported thermocouple types include B, E, J, K, N, R, S, and T, in accordance with software and jumper settings. See table, Thermocouple Input Ranges, on page 13.
- Inputs may be set to mV by software settings (Hardware Configuration); note that in order to set mV inputs, thermocouple jumper settings are used.
- To ensure proper performance, a warm-up period of a half an hour is recommended.

Analog Outputs Power Supply
Use a 24VDC power supply for all analog output modes.
- Connect the “positive” cable to the “V2” terminal, and the “negative” to the “0V” terminal.
▪ In the event of voltage fluctuations or non-conformity to voltage power supply specifications, connect the device to a regulated power supply.
▪ Since the analog I/O power supply is isolated, the controller’s 24VDC power supply may also be used to power the analog I/Os.
The 24VDC power supply must be turned on and off simultaneously with the controller’s power supply. 
Analog Outputs
- Shields should be earthed, connected to the earth of the cabinet.
- An output can be wired to either current or voltage, use the appropriate wiring as shown below.
- Do not use current and voltage from the same source channel.

Changing Jumper Settings
To access the jumpers, you must remove the snap-in I/O module from the controller, and then remove the module’s PCB board.
- Before you begin, turn off the power supply, disconnect and dismount the controller.
- Before performing these actions, touch a grounded object to discharge any electrostatic charge.
- Avoid touching the PCB board directly by holding the PCB board by its connectors.
Accessing the Jumpers
First, remove the snap-in module.
- Locate the 4 buttons on the sides of the module, 2 on either side. Press the 2 buttons on either side of the module as shown, and hold them down to open the locking mechanism.
- Gently rock the module from side to side, easing the module from the controller.

- Using a Philips screwdriver, remove the center screw from the module’s PCB board.
Select the desired function by changing the jumper settings according to the figure and tables shown below.
| Jumper # | Voltage* | Current | |
| Analog input 0 | 3 | V | I |
| Analog input 1 | 2 | V | I |
| Analog input 2 | 1 | V | I |
| Jumper # | Voltage* | Current | TIC or mV | PT1 00 | |
| Analog input 3 | 5 | AN | AN | PT-TC | PT-TC |
| 7 | V | I | V | V | |
| Analog input 4 | 4 | AN | AN | PT-TC | PT-TC |
| 6 | V | I | V | V |
* Default factory setting
Reassembling the controller
- Return the PCB board to the module and secure the center screw.
- Next, reinstall the module. Line the circular guidelines on the controller up with the guidelines on the Snap-in I/O Module as shown below.
- Apply even pressure on all 4 corners until you hear a distinct ‘click’. The module is now installed. Check that all sides and corners are correctly aligned.

V200-18-E6B Technical Specifications
| Number of inputs | 18 (in two groups) |
| Input type | pnp (source) or npn (sink) |
| Galvanic isolation | |
| Digital inputs to bus | Yes |
| Digital inputs to digital inputs in | No |
| same group | |
| Group to group, digital inputs | Yes |
| Nominal input voltage | 24VDC |
| Input voltage | |
| pnp (source) | 0-5VDC for Logic ‘0’ 17-28.8VDC for Logic ‘1’ |
| npn (sink) | 17-28.8VDC for Logic ‘0’ 0-5VDC for Logic ‘1’ |
| Input current | 6mA@24VDC for inputs 4 to 17 8.8mA@24VDC for inputs 0 to 3 |
| Response time | 10mSec typical |
| High-speed inputs | Specifications below apply when these inputs are wired for use as a highspeed counter input/shaft encoder. See Notes 1 and 2. |
| Resolution | 32-bit |
| Frequency | 10kHz maximum |
| Minimum pulse width | 40μs |
Notes:
- Inputs 0 and 2 can each function as either high-speed counter or as part of a shaft encoder. In each case, high-speed input specifications apply. When used as a normal digital input, normal input specifications apply.
- Inputs 1 and 3 can each function as either counter reset, or as a normal digital input; in either case, its specifications are those of a normal digital input. These inputs may also be used as part of a shaft encoder. In this case, high-speed input specifications apply.
Notes:
The device can also measure voltage within the range of -5 to 56mV, at a resolution of 0.01mV. The device can also measure raw value frequency at a resolution of 14-bits (16384). Input ranges are shown in the following table:
Table 1: Thermocouple input ranges
| Type | Temperature range | Wire ANSI (USA) | Color BS 1843 (UK) |
| mV | -5 to 56nnV | – | – |
| B | 200 to 1820°C (300 to 3276°F) | +Grey -Red | +None -Blue |
| E | -200 to 750°C (-328 to 1382°F) | +Violet -Red | +Brown -Blue |
| J | -200 to 760°C (-328 to 1400°F) | +White -Red | +Yellow -Blue |
| K | -200 to 1250°C (-328 to 2282°F) | +Yellow -Red | +Brown -Blue |
| N | -200 to 1300°C (-328 to 2372°F) | +Orange -Red | +Orange -Blue |
| R | 0 to 1768°C (32 to 3214°F) | +Black -Red | +White -Blue |
| S | 0 to 1768°C (32 to 3214°F) | +Black -Red | +White -Blue |
| T | -200 to 400°C (-328 to 752°F) | +Blue -Red | +White -Blue |
Unitronics
| Environmental | IP20 / NEMA1 |
| Operating temperature | 0° to 50°C (32° to 122°F) |
| Storage temperature | -20° to 60°C (-4° to 140°F) |
| Relative Humidity (RH) | 10% to 95% (non-condensing) |
| Dimensions (WxHxD) | 138x23x123mm (5.43×0.9×4.84”) |
| Weight | 140g (4.94oz) |
The information in this document reflects products at the date of printing. Unitronics reserves the right, subject to all applicable laws, at any time, at its sole discretion, and without notice, to discontinue or change the features, designs, materials and other specifications of its products, and to either permanently or temporarily withdraw any of the forgoing from the market.
All information in this document is provided “as is” without warranty of any kind, either expressed or implied, including but not limited to any implied warranties of merchantability, fitness for a particular purpose, or non-infringement. Unitronics assumes no responsibility for errors or omissions in the information presented in this document. In no event shall Unitronics be liable for any special, incidental, indirect or consequential damages of any kind, or any damages whatsoever arising out of or in connection with the use or performance of this information.
The tradenames, trademarks, logos and service marks presented in this document, including their design, are the property of Unitronics (1989) (R”G) Ltd. or other third parties and you are not permitted to use them without the prior written consent of Unitronics or such third party as may own them




















