Allen-Bradley POINT I/O 4 Channel High Density Current Input Modules Instruction Manual
POINT I/O 4 Channel High Density Current Input Module Installation Instructions
ATTENTION: Read this document and the documents listed in the Additional Resources section about installation, configuration and operation of this equipment before you install, configure, operate or maintain this product. Users are required to familiarize themselves with installation and wiring instructions in addition to requirements of all applicable codes, laws, and standards.
Activities including installation, adjustments, putting into service, use, assembly, disassembly, and maintenance are required to be carried out by suitably trained personnel in accordance with applicable code of practice. If this equipment is used in a manner not specified by the manufacturer, the protection provided by the equipment may be impaired.
Environment and Enclosure
ATTENTION: This equipment is intended for use in a Pollution Degree 2 industrial environment, in overvoltage Category II applications (as defined in EN/IEC 60664-1), at altitudes up to 2000 m (6562 ft) without derating.
This equipment is not intended for use in residential environments and may not provide adequate protection to radio communication services in such environments.
This equipment is supplied as open-type equipment for indoor use. It must be mounted within an enclosure that is suitably designed for those specific environmental conditions that will be present and appropriately designed to prevent personal injury resulting from accessibility to live parts. The enclosure must have suitable flame-retardant properties to prevent or minimize the spread of flame, complying with a flame spread rating of 5VA or be approved for the application if nonmetallic. The interior of the enclosure must be accessible only by the use of a tool. Subsequent sections of this publication may contain more information regarding specific enclosure type ratings that are required to comply with certain product safety certifications.
In addition to this publication, see the following:
- Industrial Automation Wiring and Grounding Guidelines, publication 1770-4.1, for more installation requirements.
- NEMA Standard 250 and EN/IEC 60529, as applicable, for explanations of the degrees of protection provided by enclosures.
Preventing Electrostatic Discharge
ATTENTION: This equipment is sensitive to electrostatic discharge, which can cause internal damage and affect normal operation. Follow these guidelines when you handle this equipment:
- Touch a grounded object to discharge potential static.
- Wear an approved grounding wrist strap.
- Do not touch connectors or pins on component boards.
- Do not touch circuit components inside the equipment.
- Use a static-safe workstation, if available.
- Store the equipment in appropriate static-safe packaging when not in use.
North American Hazardous Location Approval
The following information applies when operating this equipment in hazardous locations.
Products marked “CL I, DIV 2, GP A, B, C, D” are suitable for use in Class I Division 2 Groups A, B, C, D, Hazardous Locations and nonhazardous locations only. Each product is supplied with markings on the rating nameplate indicating the hazardous location temperature code. When combining products within a system, the most adverse temperature code (lowest “T” number) may be used to help determine the overall temperature code of the system. Combinations of equipment in your system are subject to investigation by the local Authority Having Jurisdiction at the time of installation.
WARNING:
Explosion Hazard –
- Do not disconnect equipment unless power has been removed or the area is known to be nonhazardous.
- Do not disconnect connections to this equipment unless power has been removed or the area is known to be nonhazardous. Secure any external connections that mate to this equipment by using screws, sliding latches, threaded connectors, or other means provided with this product.
- Substitution of components may impair suitability for Class I, Division 2.
ATTENTION: To comply with UL restrictions, field power and all connected devices must be powered from a single source compliant with the following: Class 2
UK and European Hazardous Location Approval
The following applies to products marked II 3 G:
- Are intended for use in potentially explosive atmospheres as defined by UKEX regulation 2016 No. 1107 and European Union Directive 2014/34/EU and has been found to comply with the Essential Health and Safety Requirements relating to the design and construction of Category 3 equipment intended for use in Zone 2 potentially explosive atmospheres, given in Schedule 1 of UKEX and Annex II of this Directive.
- Compliance with the Essential Health and Safety Requirements has been assured by compliance with EN IEC 60079-7, and EN IEC 60079-0.
- Are Equipment Group II, Equipment Category 3, and comply with the Essential Health and Safety Requirements relating to the design and construction of such equipment given in Schedule 1 of UKEX and Annex II of EU Directive 2014/34/EU. See the UKEx and EU Declaration of Conformity at rok.auto/certifications for details.
- The type of protection is Ex ec IIC T4 Gc according to EN IEC 60079-0:2018, EXPLOSIVE ATMOSPHERES – PART 0: EQUIPMENT – GENERAL REQUIREMENTS, Issue Date 07/2018, and CENELEC EN IEC 60079-7:2015+A1:2018, Explosive atmospheres. Equipment protection by increased safety “e”.
- Comply to Standard EN IEC 60079-0:2018, EXPLOSIVE ATMOSPHERES – PART 0: EQUIPMENT – GENERAL REQUIREMENTS, Issue Date 07/2018, and CENELEC EN IEC 60079- 7:2015+A1:2018 Explosive atmospheres. Equipment protection by increased safety “e”, reference certificate number DEMKO 04 ATEX 0330347X and UL22UKEX2478X.
- Are intended for use in areas in which explosive atmospheres caused by gases, vapors, mists, or air are unlikely to occur, or are likely to occur only infrequently and for short periods. Such locations correspond to Zone 2 classification according to UKEX regulation 2016 No. 1107 and ATEX directive 2014/34/EU.
- May have catalog numbers followed by a “K” to indicate a conformal coating option.
IEC Hazardous Location Approval
The following applies to products with IECEx certification:
- Are intended for use in areas in which explosive atmospheres caused by gases, vapors, mists, or air are unlikely to occur, or are likely to occur only infrequently and for short periods. Such locations correspond to Zone 2 classification to IEC 60079-0.
- The type of protection is Ex eC IIC T4 Gc according to IEC 60079-0 and IEC 60079-7.
- Comply to Standards IEC 60079-0, Explosive atmospheres ‐ Part 0: Equipment ‐ General requirements, Edition 7, Revision Date 2017 and IEC 60079-7, 5.1 Edition revision date 2017, Explosive atmospheres – Part 7: Equipment protection by increased safety “e”, reference IECEx certificate number IECEx UL 20.0072X.
- May have catalog numbers followed by a “K” to indicate a conformal coating option.
WARNING:
- This equipment shall be used within its specified ratings defined by Rockwell Automation.
- Secure any external connections that mate to this equipment by using screws, sliding latches, threaded connectors, or other means provided with this product.
- Do not disconnect equipment unless power has been removed or the area is known to be nonhazardous.
ATTENTION:
- This equipment is not resistant to sunlight or other sources of UV radiation.
- If this equipment is used in a manner not specified by the manufacturer, the protection provided by the equipment may be impaired.
Special Conditions for Safe Use
WARNING:
- This equipment shall be mounted in an UKEX/ATEX/IECEx Zone 2 certified enclosure with a minimum ingress protection rating of at least IP54 (in accordance with EN/IEC 60079-0) and used in an environment of not more than Pollution Degree 2 (as defined in EN/IEC 60664-1) when applied in Zone 2 environments. The enclosure must be accessible only by the use of a tool.
- Transient protection shall be provided that is set at a level not exceeding 140% of the peak rated voltage at the supply terminals to the equipment.
- This equipment must be used only with UKEX/ATEX/IECEx certified Rockwell Automation backplanes.
- Earthing is accomplished through mounting of modules on rail.
- For module 1734-IE4C, the conductors must be used with minimum conductor temperature rating of 92 °C.
Before You Begin
This POINT I/O™ series C product can be used with the following:
- DeviceNet® and PROFIBUS adapters
- ControlNet® and EtherNet/IP™ adapters, using Studio 5000 Logix Designer® application version 20 or later See Figure 1 and Figure 2 to familiarize yourself with major parts of the module, noting that the wiring base assembly is one of the following:
- 1734-TB or 1734-TBS POINT I/O two-piece terminal base, which includes the 1734-RTB removable terminal block and 1734-MB mounting base
- 1734-TOP or 1734-TOPS POINT I/O one-piece terminal base
Figure 1 – POINT I/O 4 Channel High-Density Current Input Module with 1734-TB or 1734-TBS Base
| Description | Description | ||
| 1 | Module locking mechanism | 6 | 1734-TB, 1734-TBS mounting base |
| 2 | Slide-in writable label | 7 | Interlocking side pieces |
| 3 | Insertable I/O module | 8 | Mechanical keying (orange) |
| 4 | Removable terminal block (RTB) handle | 9 | DIN rail locking screw (orange) |
| 5 | RTB with screw or spring clamp | 10 | Module wiring diagram |
Figure 2 – POINT I/O 4 Channel High-Density Current Input Module with 1734-TOP or 1734-TOPS Base
| Description | Description | ||
| 1 | Module locking mechanism | 6 | Interlocking side pieces |
| 2 | Slide-in writable label | 7 | Mechanical keying (orange) |
| 3 | Insertable I/O module | 8 | DIN rail locking screw (orange) |
| 4 | Removable terminal block (RTB) handle | 9 | Module wiring diagram |
Install the Mounting Base
To install the mounting base on the DIN rail (Allen-Bradley® part number 199-DR1; 46277-3; EN50022), proceed as follows:
ATTENTION: This product is grounded through the DIN rail to chassis ground. Use zinc-plated chromate passivated steel DIN rail to assure proper grounding. The use of other DIN rail materials (for example, aluminum or plastic) that can corrode, oxidize, or are poor conductors, can result in improper or intermittent grounding. Secure DIN rail to mounting surface approximately every 200 mm (7.8 in.) and use end-anchors appropriately. Be sure to ground the DIN rail properly. See the Industrial Automation Wiring and Grounding Guidelines, publication 1770-4.1, for more information.
- Position the mounting base vertically above the installed units (adapter, power supply or existing module).

- Slide the mounting base down allowing the interlocking side pieces to engage the adjacent module or adapter.
- Press firmly to seat the mounting base on the DIN rail. The mounting base snaps into place.
- To remove the mounting base from the DIN rail, remove the module, and use a small bladed screwdriver to rotate the base locking screw to a vertical position. This releases the locking mechanism. Then lift straight up to remove.
Install the Module
The module can be installed before or after base installation. Make sure that the mounting base is correctly keyed before installing the module into the mounting base. In addition, make sure that the mounting base locking screw is positioned horizontal reference to the base.
WARNING: When you insert or remove the module while backplane power is on, an electric arc can occur. This could cause an explosion in hazardous location installations.
Be sure that power is removed or the area is nonhazardous before proceeding. Repeated electrical arcing causes excessive wear to contacts on both the module and its mating connector. Worn contacts may create electrical resistance that can affect module operation.
- Using a bladed screwdriver to rotate the keyswitch on the mounting base clockwise until the number required for the type of module being installed aligns with the notch in the base.


- Verify that the DIN rail locking screw is in the horizontal position. if the locking mechanism is unlocked, you cannot insert the module.
- Insert the module straight down into the mounting base and press to secure. The module locks into place.
Install the Removable Terminal Block
A Removable Terminal Block (RTB) is supplied with your wiring base assembly. To remove, pull up on the RTB handle. This allows the mounting base to be removed and replaced as necessary without removing any of the wirings. To reinsert the Removable Terminal Block, proceed as follows:
- Insert the end opposite the handle into the base unit. This end has a curved section that engages with the wiring base.
- Rotate the terminal block into the wiring base until it locks itself in place.
- If an I/O module is installed, snap the RTB handle into place on the module.

WARNING: When you connect or disconnect the Removable Terminal Block (RTB) with field side power applied, an electric arc can occur. This could cause an explosion in hazardous location installations.
Be sure that power is removed or the area is nonhazardous before proceeding.
WARNING: For 1734-RTBS and 1734-RTB3S, to latch and unlatch the wire, insert a bladed screwdriver (catalog number 1492-N90 – 3 mm diameter blade) into the opening at approximately 73° (blade surface is parallel with top surface of the opening) and push up gently.
WARNING: For 1734-TOPS and 1734-TOP3S, to latch and unlatch the wire, insert a bladed screwdriver (catalog number 1492-N90 – 3 mm diameter) into the opening at approximately 97° (blade surface is parallel with top surface of the opening) and press in (do not push up or down).
Remove a Mounting Base
To remove a mounting base, you must remove any installed module, and the module installed in the base to the right. Remove the Removable Terminal Block, if wired.
- Unlatch the RTB handle on the I/O module.
- Pull on the RTB handle to remove the Removable Terminal Block.
- Press the module lock on the top of the module.
- Pull on the I/O module to remove from the base.
- Repeat steps 1, 2, 3 and 4 for the module to the right.
- Use a small bladed screwdriver to rotate the orange base locking screw to a vertical position. This releases the locking mechanism.
- Lift straight up to remove.
Install a 1734-TOPS Base
- Position the base vertically above the installed units, such as an adapter, power supply, or existing module.
- Slide the base down, allowing the interlocking side pieces to engage the adjacent installed unit.
- Press firmly to seat the base on the DIN rail until the base snaps into place.
- Verify that the DIN rail locking screw is in a horizontal, locked position before inserting an I/O module.
Remove a 1734-TOPS Base
- To remove a wiring base from the DIN rail, you must remove the module that is installed to the right of the base.
- Squeeze the module locking mechanism of the module to the right of the base, pulling up to remove the module.
- Turn the orange locking screw to a vertical position to unlock the base from the DIN rail.
- Slide the base up to release it from its mating units.
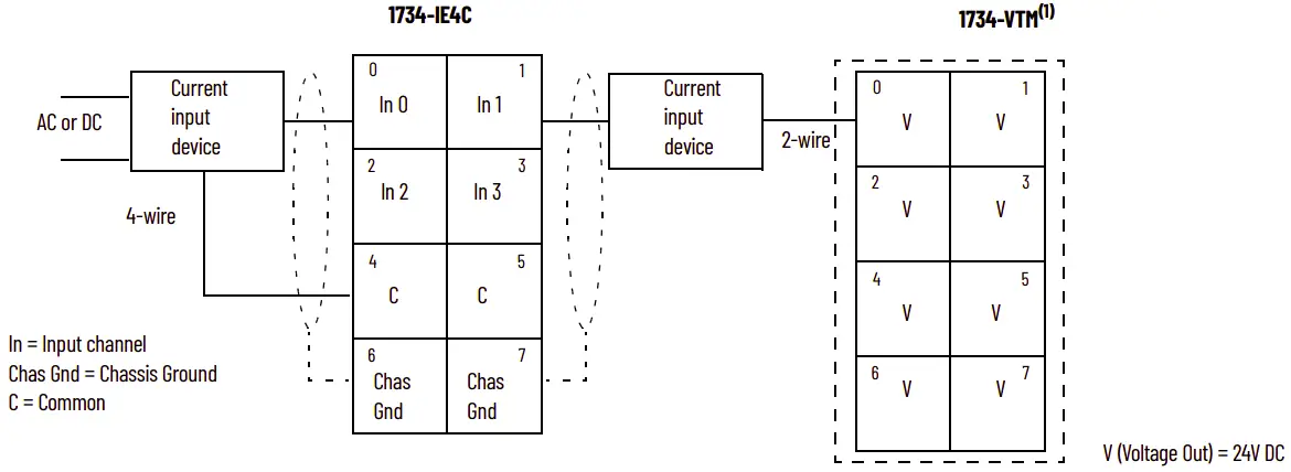
Wire the Module
Chas Gnd = Chassis ground C = Common

WARNING: If you connect or disconnect wiring while the field-side power is on, an electric arc can occur. This could cause an explosion in hazardous location installations. Be sure that power is removed or the area is nonhazardous before proceeding.
Wiring Diagram

(1) 1734-VTM is optional. Use the 24V DC supply from 1734-VTM module for 2-wire/3-wire devices.
| Channel | Current Input | Common | Chassis Ground |
| 0 | 0 | 4 or 5 | 6 or 7 |
| 1 | 1 | ||
| 2 | 2 | ||
| 3 | 3 |
12/24V DC is provided by the internal power bus.
Communicate with Your Module
POINT I/O modules send (consume) and receive (produce) I/O data (messages). You map this data onto the processor memory.
This POINT I/O input module produces 12 bytes of input data (scanner Rx) and fault status data. It does not consume I/O data (scanner Tx).
Default Data Map for the 1734-IE4C, 1734-IE4CK Analog Input Module
Message size: 12 Bytes
| 15 | 14 | 13 | 12 | 11 | 10 | 09 | 08 | 07 | 06 | 05 | 04 | 03 | 02 | 01 | 00 | |
| Produces (scanner Rx) | Input Channel 0 High Byte | Input Channel 0 Low Byte | ||||||||||||||
| Input Channel 1 High Byte | Input Channel 1 Low Byte | |||||||||||||||
| Input Channel 2 High Byte | Input Channel 2 Low Byte | |||||||||||||||
| Input Channel 3 High Byte | Input Channel 3 Low Byte | |||||||||||||||
| Status Byte for Channel 1 | Status Byte for Channel 0 | |||||||||||||||
| OR | UR | HHA | LLA | HA | LA | CM | CF | OR | UR | HHA | LLA | HA | LA | CM | CF | |
| Status Byte for Channel 3 | Status Byte for Channel 2 | |||||||||||||||
| OR | UR | HHA | LLA | HA | LA | CM | CF | OR | UR | HHA | LLA | HA | LA | CM | CF | |
| Where’s = Channel Fault status; 0 = no error, 1 = faults = Calibration Mode; 0 = normal, 1 = calibration mode LA = Low Alarm; 0 = no error, 1 = fault = High Alarm; 0 = no error, 1 = fault LA = Low/Low Alarm: 0 = no error, 1 = fault HHA = High/High Alarm; 0 = no error, 1 = fault UR = Underanged; 0 = no error, 1 = fault OR = Overage; 0 = no error, 1 = fault | ||||||||||||||||
| Consumes (scanner Tx) | No consumed data | |||||||||||||||
Interpret Status Indicators
See Figure 3 and Table 1 for information on how to interpret the status indicators.
Figure 3 – Status Indicators for POINT I/O 4 Channel High Density Current Input Module
- Module Status
- Network Status
- Status of Input 0
- Status of Input 1
- Status of Input 2
- Status of Input 3

Table 1 – Indicator Status for Module
| Indicator | State | Description |
| Module status | Off | No power applied to device. |
| Green | Device operating normally. | |
| Flashing green | Device needs commissioning due to missing, incomplete, or incorrect configuration. | |
| Flashing red | Recoverable fault. | |
| Red | Unrecoverable fault may require device replacement. | |
| Flashing red/green | Device is in self-test mode. |
Table 1 – Indicator Status for Module (Continued)
| Indicator | State | Description |
| Network status | Off | Device is not online:- Device has not completed dup_MAC-id test.- Device not powered – check module status indicator. |
| Flashing green | Device is online but has no connections in the established state. | |
| Green | Device is online and has connections in the established state. | |
| Flashing red | One or more I/O connections are in timed-out state. | |
| Red | Critical link failure – failed communication device. Device detected error that prevents it from communicating on the network. | |
| Flashing red/green | Communication faulted device – the device has detected a network access error and is in communication faulted state. Device has received and accepted an Identity Communication Faulted Request – long protocol message. | |
| Channel status | Off | Module in CAL mode. |
| Solid green | Normal (channel scanning inputs). | |
| Flashing green | Channel being calibrated. | |
| Solid red | No power or major channel fault. | |
| Flashing red | Channel at end of range (0 mA or 21 mA). |
Specifications
IMPORTANT The Input update rate and Step response for 1734-IE4C and 1734-IE4CK modules differ from that of catalog number 1734-IE2C and 1734-IE2CK modules.
Input Specifications
| Attribute | Value |
| Number of inputs | 4, single-ended, non-isolated, current |
| Resolution | 16 bits – over 0…21 mA0.32 µA/cnt |
| Input current terminal | 4…20 mA0…20 mA |
| Absolute accuracy(1) Current terminal | 0.1% Full Scale @ 25 °C |
| Accuracy drift w/ temp. Current terminal | 30 ppm/°C |
| Input update rate, per module | 240 ms @ Notch = 50 Hz200 ms @ Notch = 60 Hz (default) 120 ms @ Notch = 100 Hz100 ms @ Notch = 120 Hz 60 ms @ Notch = 200 Hz 50 ms @ Notch = 240 Hz 40 ms @ Notch = 300 Hz 30 ms @ Notch = 400 Hz 25 ms @ Notch = 480 Hz |
| Step response, per channel | 60 ms @ Notch = 50 Hz50 ms @ Notch = 60 Hz (default) 30 ms @ Notch = 100 Hz25 ms @ Notch = 120 Hz 15 ms @ Notch = 200 Hz12.5 ms @ Notch = 240 Hz 10 ms @ Notch = 300 Hz7.5 ms @ Notch = 400 Hz6.25 ms @ Notch = 480 Hz |
| Input impedance/resistance | 60 Ω |
| Conversion type | Delta Sigma |
| Common mode rejection ratio | -120 dB |
Input Specifications (Continued)
| Attribute | Value |
| Normal mode rejection ratio | -60 dBNotch Filter13.1 Hz @ Notch = 50 Hz15.7 Hz @ Notch = 60 Hz (default)26.2 Hz @ Notch = 100 Hz31.4 Hz @ Notch = 120 Hz52.4 Hz @ Notch = 200 Hz62.9 Hz @ Notch = 240 Hz78.6 Hz @ Notch = 300 Hz104.8 Hz @ Notch = 400 Hz125.7 Hz @ Notch = 480 Hz |
| Data format | Signed integer |
| Maximum overload | Fault protected to 28.8V DC |
| Calibration | Factory calibrated |
| Indicators, logic side | 1 green/red network status 1 green/red module status 4 green/red input status |
(1) Includes offset, gain, non-linearity, and repeatability error terms.
IMPORTANT See the POINT I/O Modules Selection Guide, publication 1734-SG001 for information on breaking the field power distribution bus. See sections “When to Use the Field Power Distributor” and “When to Use the Expansion Power Unit”.
General Specifications
| Attribute | Value |
| Terminal base | 1734-TB3, 1734-TB3S wiring base assembly |
| POINTBus™ current, max | 75 mA |
| Power dissipation, max | 0.55 W @ 28.8V DC |
| Thermal dissipation, max | 2.0 BTU/hr @ 28.8V DC |
| Supply voltage, backplane | 5V DC |
| Supply voltage range, field power input | 10…28.8V DC, 20 mA, Class 2 |
| Input current | 4…20 mA or 0…20 mA |
| Isolation voltage | 50V, tested @ 1500V AC for 60 s, inputs, and field power to system No isolation between individual inputs or inputs to field power |
| Dimensions (H x W x D), approx. | 56.0 x 12.0 x 75.5 mm(2.21 x 0.47 x 2.97 in.) |
| Keyswitch position | 3 |
| Enclosure type rating | None (open-style) |
| Wire size | 0.25…2.5 mm2 (22…14 AWG) solid or stranded copper wire rated at 100 °C (212 °F), or greater,1.2 mm (3/64 in.) insulation max |
| Wiring category(1) | 2 – on signal ports 1 – on power ports |
| Wire type | Shielded |
| Terminal base screw torque | Determined by installed terminal block |
| Weight, approx. | 35 g (1.235 oz) |
| North American temp code | T4A |
| UKEX/ATEX temp code | T4 |
| IECEx temp code | T4 |
(1) Use this conductor category information for planning conductor routing as described in Industrial Automation Wiring and Grounding Guidelines, publication 1770-4.1.
Environmental Specifications
| Attribute | Value |
| Temperature, operating | IEC 60068-2-1 (Test Ad, Operating Cold),IEC 60068-2-2 (Test Bd, Operating Dry Heat),IEC 60068-2-14 (Test Nb, Operating Thermal Shock):-20 °C ≤ Ta ≤ +55 °C (-4 °F ≤ Ta ≤ + 131 °F) |
| Temperature, surrounding air, max | 55 °C (131 °F) |
| Temperature, nonoperating | IEC 60068-2-1 (Test Ab, Unpackaged Nonoperating Cold),IEC 60068-2-2 (Test Bb, Unpackaged Nonoperating Dry Heat),IEC 60068-2-14 (Test Na, Unpackaged Nonoperating Thermal Shock):-40…+85 °C (-40…+185 °F) |
| Relative humidity | IEC 60068-2-30 (Test Db, Unpackaged Damp Heat): 5…95% noncondensing |
| Vibration | IEC 60068-2-6, (Test Fc, Operating): 5 g @ 10…500 Hz |
| Shock, operating | IEC 60068-2-27 (Test Ea, Unpackaged Shock): 30 g |
| Shock, nonoperating | IEC 60068-2-27 (Test Ea, Unpackaged Shock): 50 g |
| Emissions | CISPR 11Group 1, Class A |
| ESD immunity | IEC 61000-4-2:6 kV contact discharges 8 kV air discharges |
| Radiated RF immunity | IEC 61000-4-3:10V/m with 1 kHz sine-wave 80% AM from 80…6000 MHz |
| EFT/B immunity | IEC 61000-4-4:±3 kV at 5 kHz on power ports±3 kV at 5 kHz on signal ports |
| Surge transient immunity | IEC 61000-4-5:±1 kV line-line(DM) and ±2 kV line-earth(CM) on power ports±2 kV line-earth(CM) on shielded ports |
| Conducted RF immunity | IEC 61000-4-6:10V rms with 1 kHz sine-wave 80% AM @ 150 kHz…80 MHz |
Certifications
| Certification (when product is marked)(1) | Value |
| c-UL-us | UL Listed Industrial Control Equipment, certified for US and Canada. See UL File E65584.UL Listed for Class I, Division 2 Group A,B,C,D Hazardous Locations, certified for U.S. and Canada. See UL File E194810. |
| UK and CE | UK Statutory Instrument 2016 No. 1091 and European Union 2014/30/EU EMC Directive, compliant with: EN 61326-1; Meas./Control/Lab., Industrial Requirement Sen 61000-6-2; Industrial Immunity EN 61000-6-4; Industrial Emission Sen 61131-2; Programmable Controllers (Clause 8, Zone A and B)UK Statutory Instrument 2012 No. 3032 and European Union 2011/65/EU RoHS, compliant with: EN IEC 63000; Technical documentation |
| Ex | UK Statutory Instrument 2016 No. 1107 and European Union 2014/34/EU ATEX Directive, compliant with: EN IEC 60079-0; General Requirement Sen IEC 60079-7; Explosive Atmospheres, Protection “e” II 3 G Ex ec IIC T4 Gc DEMKO 04 ATEX 0330347X UL22UKEX2478X |
| IECEx | IECEx System, compliant withies 60079-0; General Requirements IEC 60079-7; Explosive Atmospheres, Protection “e” II 3 G Ex ec IIC T4 IECEx UL 20.0072X |
| EAC | Russian Customs Union TR CU 020/2011 EMC Technical Regulation |
| RCM | Australian Radiocommunications Act, compliant with: AS/NZS CISPR 11; Industrial Emissions |
Certifications (Continued)
| Certification (when product is marked)(1) | Value |
| KC | Korean Registration of Broadcasting and Communications Equipment, compliant with: Article 58-2 of Radio Waves Act, Clause 3 |
| Morocco | Arête ministerial n° 6404-15 du 29 Ramadan 1436 |
| CCC | CNCA-C23-01 CCC Implementation Rule Explosion-Proof Electrical Products CCC: 2020122309111607 |
(1) See the Product Certification link at rok.auto/certifications for Declaration of Conformity, Certificates, and other certification details.
Rockwell Automation Support
Use these resources to access support information.
| Technical Support Center | Find help with how-to videos, FAQs, chat, user forums, Knowledgebase, and product notification updates. | rok.auto/support |
| Local Technical Support Phone Numbers | Locate the telephone number for your country. | rok.auto/phonesupport |
| Technical Documentation Center | Quickly access and download technical specifications, installation instructions, and user manuals. | rok.auto/techdocs |
| Literature Library | Find installation instructions, manuals, brochures, and technical data publications. | rok.auto/literature |
| Product Compatibility and Download Center (PCDC) | Download firmware, associated files (such as AOP, EDS, and DTM), and access product release notes. | rok.auto/pcdc |
Documentation Feedback
Your comments help us serve your documentation needs better. If you have any suggestions on how to improve our content, complete the form at rok.auto/docfeedback.
Waste Electrical and Electronic Equipment (WEEE)

At the end of life, this equipment should be collected separately from any unsorted municipal waste.
Rockwell Automation maintains current product environmental compliance information on its website at rok.auto/pec.
Rockwell Tricare A.Ş. Kar Plaza Markaz E Blok Kat:6 34752 , İstanbul, Tel: +90 (216) 5698400 EE
Connect with us.
expanding human possibility®
AMERICAS: Rockwell Automation, 1201 South Second Street, Milwaukee, WI 53204-2496 USA, Tel: (1) 414.382.2000, Fax: (1) 414.382.4444 EUROPE/MIDDLE EAST/AFRICA: Rockwell Automation NV, Pegasus Park, De Keelan 12a, 1831 Diego, Belgium, Tel: (32)2 663 0600, Fax: (32)2 663 0640 ASIA PACIFIC: Rockwell Automation, Level 14, Core F, Cyber port 3, 100 Cyber port Road, Hong Kong. Tel: (852) 2887 4788, Fax: (852) 2508 1846 UNITED KINGDOM: Rockwell Automation Ltd. Pittsfield, Kiln Farm Milton Keynes, MK11 3DR, United Kingdom, Tel:(44)(1908) 838-800, Fax: (44)(1908) 261-917
Allen-Bradley, expanding human possibility, Factory Talk, POINT I/O, POINT Bus, Rockwell Automation, Studio 5000 Logix Designer, and Tech Connect are trademarks of Rockwell Automation, Inc. ControlNet, Device Net, and Ether Net/IP are trademarks of ODVA, Inc.
Trademarks not belonging to Rockwell Automation are property of their respective companies.
Publication 1734-IN032F-EN-P – September 2022 | Supersedes Publication 1734-IN032E-EN-P – March 2021 Copyright © 2022 Rockwell Automation, Inc. All rights reserved.

References
Product Certifications | Rockwell Automation
Publication Feedback Form | Rockwell Automation
Literature Library | Rockwell Automation
Product Compatibility & Download Center from Rockwell Automation
Product Environmental Compliance | Rockwell Automation
Phone/Onsite Support
Support | Rockwell Automation
Technical Documentation Center | Rockwell Automation
Rockwell Automation (@rokautomation) • Instagram photos and videos
Select a Region | Rockwell Automation





















