Rinnai EHPS265VM Heat Pump Hot Water System

This appliance must be installed in accordance with:
- Manufacturer’s Installation Instructions
- Current AS/NZS 3500
- Plumbing Code of Australia (PCA)
- Local Regulations and Municipal Building Codes including local OH&S requirements
- This system must be installed, commissioned, serviced, maintained and removed ONLY by an Authorised Person.
NOT SUITABLE AS A POOL OR SPA HEATER
- For continued safety of this appliance it must be installed and maintained in accordance with the manufacturer’s instructions.
WARNINGS AND IMPORTANT INFORMATION
SAFETY AND REGULATORY INFORMATION
- DO NOT operate this system before reading the manufacturers instructions.
- This appliance must be installed, commissioned and serviced by an authorised person in accordance with all applicable local rules and regulations.
- Access covers of water heating system components will expose 240V wiring and MUST only be removed by an authorised person.
- This appliance is not intended for use by persons (including children) with reduced physical, sensory or mental capabilities, or lack of experience and knowledge, unless they have been given supervision or instruction concerning use of the appliance by a person responsible for their safety.
- For continued safety of this appliance it must be installed, operated and maintained in accordance with the manufacturer’s instructions.
- Children should be supervised to ensure they DO NOT play with the appliance.
- The unit is rated at 15 amps (2 core and earth) so the power mains supplying the unit must have a 15 amp minimum double pole circuit breaker fitted. If the power supply cord is damaged, it MUST BE replaced by an authorised person in order to avoid a hazard. Take care not to touch the power connections or plugs with wet hands.
- Care should be taken not to touch the pipe work as it may be HOT!
- DO NOT place articles on or against this appliance.
- DO NOT store chemicals or flammable materials near this appliance.
- DO NOT operate with collectors or covers removed from this appliance.
- DO NOT activate heat pump unless cylinder is full of water.
- NEVER use a flammable spray such as hair spray, paint, etc near this unit as this may cause a fire.
- This appliance uses R290 (propane) refrigerant, which is a flammable gas class 3 according to AS 5149 and MUST be handled by a refrigeration mechanic with appropriate Australian refrigerant handling licence.
- WARNING Risk of fire / flammable material. If the refrigerant is leaked, together with an external ignition source, there is a possibility of ignition.
MANDATORY INSPECTION PRIOR TO INSTALLATION
- Immediately report any damage or discrepancies to the Supplier of the appliance. This appliance was inspected and tested at the time of manufacture and packaging, and released for transportation without known damage. Upon receipt, inspect the exterior for evidence of rough handling in shipment. Ensure that the appliance is labelled correctly for the gas and electrical supply, and/or other services it is intended to be connected to.
- For safety and warranty purposes, appliances that may be damaged or incorrect must not be installed or operated under any circumstances. Installation of damaged or incorrect appliances may contravene local government regulations. Rinnai disclaims any liability or responsibility whatsoever in relation to the installation or operation of damaged or incorrect appliances.
NOTICE TO VICTORIAN CONSUMERS
- This appliance must be installed by a person licensed with the Victorian Building Authority.
- Only a licensed person will have insurance protecting their workmanship.
- So make sure you use a licensed person to install this appliance and ask for your Compliance Certificate. For further information contact the Victorian Building Authority on 1300 815 127
TRANSPORT AND STORAGE OF APPLIANCE
- The refrigerant used in the heat pump (R290 Propane) is a flammable gas.
- The appliance(s) shall be stored and transported in an area without ignition sources (for example: open flames, an operating gas appliance or an operating electric heater)
- DO NOT pierce or burn the appliance.
- Be aware that refrigerants may not contain an odour.
- Compliance with AS/NZS 5149 MUST be observed while storing the appliance.
- National and state regulations exist for storage, handling and transport of hazardous goods including flammable gasses. The maximum number of pieces of equipment or the configuration of the equipment, permitted to be transported or stored together will be determined by the applicable regulations.
- IMPORTANT DO NOT TILT MORE THAN 45° FROM VERTICAL

- The Rinnai Electric Heat Pump must be transported at an angle no greater that 45º from vertical. As the compressor unit is located at the top of the electric heat pump, should the heat pump be tilted at a greater angle than 45º from vertical, the lubrication oil within the compressor can run down into the mufflers. This will leave the compressor motor without sufficient lubrication and lead to premature failure of the compressor unit.
- As a general good practice it is better to keep the compressor upright as much as possible to avoid any risks. Returning the Rinnai Electric Heat Pump to a vertical position will allow the oil to properly flow back into the compressor motor.
- Tilting the system beyond 45º from vertical will also place undue strain on compressor motor mounts and associated piping.
- Do not use means to accelerate the defrosting process or to clean, other than those recommended by the manufacturer.
- The appliance shall be stored in a room without continuously operating ignition sources. For example, open flames, an operating gas appliance or an operating electric heater.
- Do not pierce or burn.
- Be aware that refrigerants may not contain an odour.
SCALD HAZARDS
DANGER BEWARE OF SCALDING HAZARDS
- HOT WATER CAN CAUSE SCALDS.
- CHILDREN, DISABLED, ELDERLY AND THE INFIRM ARE AT THE HIGHEST RISK OF BEING SCALDED.
- FEEL WATER TEMPERATURE BEFORE BATHING OR SHOWERING.
- SCALDS FROM HOT WATER TAPS CAN RESULT IN SEVERE INJURIES TO YOUNG CHILDREN.
- SCALDS OCCUR WHEN CHILDREN ARE EXPOSED DIRECTLY TO HOT WATER WHEN THEY ARE PLACED INTO A BATH WHICH IS TOO HOT.
ALWAYS……
- Test the temperature of the water with your elbow before placing your child in the bath, also carefully feel water before bathing or showering yourself.
- Supervise children whenever they are in the bathroom.
- Make sure that the hot water tap is turned off tightly.
CONSIDER…..
- Installing child proof tap covers or child resistant taps (both approaches will prevent a small hand being able to turn on the tap).
- Installing tempering valves or thermostatic mixing valves which reduce the hot water temperature delivered to the taps. Your local plumbing authority may already require that these be fitted. Contact your installer or local plumbing authority if in doubt.
NEVER….
- Leave a toddler in the care of another child. They may not understand the need to have the water temperature set at a safe level.
OPERATING PRINCIPLE
- The operation of an electric heat pump is very similar to a refrigerator, but in reverse. A heat pump operates by transferring heat from the ambient outside air into the water. Electricity is just used to operate the system, but not to directly heat the water. Because of this energy consumption is significantly reduced as compared to an electric element hot water system. The warmer the climate in which the heat pump is installed, the more efficient the heat pump system will be at heating water.
- The heat pump unit includes highly efficient micro-channel heat exchanger wrapped around the inner cylinder for thermal conductivity. A temperature sensor in the tank is used to control the heat pump operation to achieve suitable tank temperature.
- During the occasional times when the ambient weather conditions aren’t suitable for the heat pump to operate, the electric element will provide heating to ensure a supply of hot water.
SYSTEM SCHEMATIC
SAFETY DEVICES
The water heating system is supplied with various safety devices including temperature sensors, overheat sensors and switches and a Pressure & Temperature Relief (PTR) valve. These devices must not be tampered with or removed. The water heating system must not be operated unless each of these devices is fitted and is in working order.
- DO NOT tamper with or remove safety devices.
- DO NOT operate the water heater unless all safety devices are fitted and in working order. DO NOT block or seal the PTR Valve and drain pipe.
- Pressure & Temperature Relief (PTR) Valve
This valve is located near the top of the water heater and is essential for safe operation. It is normal for the valve to release a small quantity of water through the drain line during heating. - However, continuous leakage of water from the valve and its drain line may indicate a problem with the water heater.
- Lift lever until w ater flow s from drain line (Low er lever gently!)

- NEVER block the outlet of the PTR valve or it’s drain line for any reason. The easing gear MUST be operated at least every 6 months to remove lime deposits and verify that it is not blocked. Failure to do this may result in the water heater failing.
- If the valve does not discharge water when the easing gear lever is opened, or does not seal again when the easing gear is closed, attendance by an authorised person MUST be arranged without delay. The PTR valve is not serviceable.
EXCESSIVE DISCHARGE FROM SAFETY DEVICES
- Pressure & Temperature Relief (PTR) Valve
- It is normal and desirable that this valve allows a small quantity of water to be discharged during the heating cycle. If it discharges more than a bucket of water during a 24 hour period or discharges continuously there may be another problem.
- If the valve dribbles continuously, try easing the valve gear for a few seconds as described above. This may dislodge any foreign matter and alleviate the problem.
- If the valve discharges at high flows, especially at night, it may be as a result of the water pressure exceeding the design pressure of the water heater. Ask your installer to fit a Pressure Limiting Valve (PLV).
- NEVER replace the PTR valve with one which has a higher pressure rating than is specified for your water heater.
Expansion Control Valve (ECV) – if required
- Normally, this valve allows a small quantity of water to be discharged during the heating cycle. If it discharges more than a bucket of water during a 24 hour period or discharges continuously there may be another problem.
- If the valve leaks continuously, try easing the valve gear for a few seconds. This may dislodge any foreign matter and alleviate the problem. If this does not alleviate the problem contact Rinnai.
- Operate the easing gear regularly to remove any lime deposits and to verify that it is not blocked.
HYDROGEN GAS
- If the hot water unit is not used for two weeks or more, a quantity of hydrogen gas, which is highly flammable, may accumulate in the water heater. To dissipate this safely, it is recommended that a non electrically operated hot tap be turned on for two minutes at a sink, basin, or bath, but not a dishwasher or other appliance.
- During this procedure there must be no smoking, open flame or any electrical appliance operating nearby.
- If hydrogen is discharged through the tap, it will probably make a sound like air escaping.
ANODE
- The water heater is fitted with a sacrificial anode to extend it’s life. It will slowly dissipate whilst protecting the cylinder. The life of the water heater may be extended by arranging for an authorised person to inspect the anode and replace it if required. It is recommended that the anode be inspected at least every 5 years. The factory fitted
- Rinnai anode is Magnesium based. This anode is suitable when the total dissolved solids (TDS) content in the water supply does not exceed 600 mg/L, which is the case in most areas. In areas where the total dissolved solids (TDS) content in the water supply exceeds 600 mg/L the Rinnai aluminium based anode is required.
TURNING OFF THE WATER HEATING SYSTEM
- If you plan to be away for only a few nights, we suggest you leave the water heating system switched on. If it is necessary to switch off the water heater, do so as outlined below:
- DO NOT turn power off to the heat pump unit if snow or frost conditions are expected as components in the system may be damaged by freezing. If power needs to be turned off or power failure occurs and freezing conditions are expected, the water needs to be drained from the heat pump unit. Follow the procedure described below in the section ‘Draining and Filling’.
TURNING ON THE WATER HEATING SYSTEM
- Switch on the electric supply to the heat pump unit. Water heating will now occur as required. It may take a number of hours before hot water is available.
DRAINING AND FILLING
- Draining or filling of the complete system normally only occurs during installation or servicing and must be carried out by an authorised person.
- Draining water from the heat pump unit is necessary if the power will be shut off to the unit and snow or frost conditions are expected. Arrange for an authorised person to carry out this task.
To drain the heat pump:
- Turn off power to the heat pump
- Close the cold water mains supply stop cock
- Open a hot tap to relieve pressure
- Disconnect the hot outlet near the top of the storage cylinder
- Disconnect the cold inlet near the bottom of the storage cylinder.
- The system will now drain completely.
MAINTENANCE AND REGULAR CARE
- Operate the easing gear of the PTR and the ECV if fitted as described in the section ‘Safety Devices’ on page 8.
- The overflow tray (supplied by installer) and drain underneath the storage cylinder (if fitted) should be periodically checked to ensure there are no blockages.
SAVE A SERVICE CALL
- Rinnai’s servicing network personnel are fully trained and equipped to give the best service on your Rinnai appliance. If your appliance needs service, ring one of the service contact numbers on the back of this booklet.
- The pressure and temperature relief valve and expansion control valve (if fitted) must be replaced by an authorised person at intervals not exceeding 5 years or more frequently in areas where the water is classified as scaling water.
- If the power supply cord to the heat pump unit is damaged, they must be replaced by an authorised person in order to avoid a hazard.
- Use the following guide to avoid the need for an unnecessary service call.
| INSUFFICIENT OR NO HOT WATER | |
| Heat Pump Unit Not Powered | Check to ensure the electric isolating switch at the switchboard (usually marked “Hot water” or “Water heater” is turned on. (note that the compressor will not start up for 2 minutes after power is turned on). |
| Excessive hot water consumption | Often end users are surprised at the amount of hot water used, especially when showering. If the amount of hot water used during the day exceeds the storage capacity of the cylinder, there will likely be insufficient hot water. |
| Pressure & Temperature Relief (PTR) Valve continually discharging water | It is normal and desirable that this valve allows a small quantity of water to be discharged during the heating cycle. If it discharges more than a bucket of water during a 24-hour period or discharges continuously there may be another problem. If the valve dribbles continuously, try easing the valve gear for a few seconds as described in the section ‘Excessive Discharge from Safety Devices’ on page 8. This may dislodge any foreign matter and alleviate the problem. If the valve discharges at high flows, especially at night, it may be as a result of the water pressure exceeding the design pressure of the water heater. Ask your installer to fit a Pressure Limiting Valve (PLV). |
| Expansion Control Valve (ECV) continually discharges water | It is normal and desirable that this valve allows a small quantity of water to be discharged during the heating cycle. If it discharges more than a bucket of water during 24 hours or discharges continuously there may be another problem. If the valve leaks continuously, try easing the valve gear for a few seconds as described in the section ‘Excessive Discharge from Safety Devices’ on page 8. This may dislodge any foreign matter and alleviate the problem. If this does not alleviate the problem contact Rinnai. |
| Ambient conditions too hot | To protect the components of the heat pump unit it may not operate when the ambient temperature is higher than 45°C. The heating element will operate if water heating is required, but may take longer to heat the water. |
| Ambient conditions too cold | To protect the components of the heat pump unit it may not operate when the ambient temperature is less than -1°C. The heating element will operate if water heating is required but may take longer to heat the water. |
| NO WATER FROM THE TAP | ||
| Restriction in the hot tap or failure of the cold water supply to the water heater | Check for water flow at the other taps and that the cold a water isolation valve is fully open. | |
| HIGH ELECTRICITY BILLS | ||
| Excessive hot water consumption | See the entry under the heading ‘Insufficient or no hot water | |
| High Electricity Tariffs | The electricity tariff will determine the running costs of the system. The end user must be aware of the applicable tariffs. Contact your electricity supplier to confirm what these tariffs are. | |
| Higher Element Usage | In extremely cold conditions the element may be operating more than normal. | |
| WATER FLOW FLUCTUATIONS | ||
| One or more hot taps opened at the same time | More than one or two hot taps in use at the same time may cause a decrease in the hot water flow from the taps. Is there more than one or two hot taps open, or are appliances such as a dishwasher or washing machine, in use at the same time? Ensure only one or two hot taps are on at one time. | |
| WATER HAMMER | ||
| Hot and cold water plumbing on the premises | Have a plumber check clipping of hot and cold water pipework and install a pressure limiting valve and water hammer arrestor as required. | |
| HEAT PUMP ICES UP | ||
| Defrosting function | The heat pump has a built-in hot bypass defrosting function which may operate and remove any ice. | |
| HEAT PUMP ERROR INDICATOR* | ||
| Error code | Error Description | Possible Causes |
| E05 | High-pressure protection | High-pressure switch is broken/Connection is loose |
| E09 | Communication fault | Signal wire connection loose/There is Strong magnetic field/PCB is broken/Signal wire is broken |
| E12 | Exhaust temperature too high | Lack of refrigerant/system leak |
| E14 | Tank temperature sensor fault | Sensor fault/Connection is loose |
| E16 | Coil temperature sensor fault | Sensor fault/Connection is loose |
| E18 | Exhaust temperature sensor fault | Sensor fault/Connection is loose |
| E21 | Ambient temperature sensor fault | Sensor fault/Connection is loose |
| E29 | Suction temperature sensor fault | Sensor fault/Connection is loose |
| *If an error code is displayed on the control unit please contact Rinnai Customer Care Immediately. | ||
SPECIFICATIONSTIONS
SYSTEM SPECIFICATIONS
| Model | EHPS215VM | EHPS265VM | |
| Net Weight / Gross Weight | 108 kg / 121 kg | 120 kg / 134 kg | |
| Tank Volume | 215 L | 265 L | |
| Sound Level | 46 dB(A) | ||
| Ambient Temperature Limits (for heat pump operation – the element will operate beyond these limits) | -7°C to 43°C | ||
| Ingress Protection | IP24 | ||
| Storage Cylinder – Hot Outlet and Cold inlet Connections | ISO 7.1 ¾” RP | ||
| Storage Cylinder – PTR Valve Connection | ISO 7.1 ¾” RP | ||
| Pressure & Temperature Relief (PTR) Valve (Supplied) Setting / Rating | 850 kPa / 46kW | ||
| ECV Fitted | Fit PLV if mains pressure exceeds | 680 kPa | |
| Recommended PLV pressure rating | 500 kPa | ||
| ECV Not Fitted | Fit PLV if mains pressure exceeds | 800 kPa | |
| Recommended PLV pressure rating | 500 kPa | ||
| Rated Input Electric Element (Factory Wired) | 2.1 kW | ||
| Rated Input Refrigeration Module (Factory Wired) | 0.7 kW | ||
| Total Rated Input (To be wired by installer) | 2.1 kW | ||
| Maximum Energy Output (Use to size PTR) | 4.5 kW | ||
| Power Supply | 220V-240V AC/50 Hz. | ||
| Rated Current | 10 Amps | ||
| Refrigerant Type / Mass | R290 / 380 g | ||
| Refrigerant Circuit Maximum Pressure | 3000 kPa | ||
| Coefficient Of Performance (COP) | 32.6°C Ambient 21.1°C cold water inlet | 7.6 | |
| Heat Output | 32.6°C Ambient 21.1°C cold water inlet | 3.6 kW | |
DIMENSIONS
| Model | EHPS215VM | EHPS265VM |
| Cylinder height | 1544 | 1764 |
| Hot Outlet / PTR | 917 | 1131 |
| Cold water inlet | 136 | 136 |
| Cylinder diameter | 620 | 620 |

CLEARANCES
Always allow 600mm minimum clearance on the fan discharge side and 200 mm minimum clearance on the fan suction side to allow for sufficient air flow through the fan.
Allow 300mm minimum vertical clearance for service access.
INSTALLATION
REGULATIONS AND OCCUPATION HEALTH AND SAFETY (OH&S)
- Installation and commissioning MUST be performed by authorised persons.
- The heat pump MUST be installed in accordance with these instructions and all regulatory requirements which exist in your area including those in relation to manual lifting.
- Applicable publications and regulations may include:
- AS/NZS 3500 National Plumbing and Drainage
- AS/NZS 3000 Wiring Rules
- Building Codes of Australia (BCA)
- Local Occupational Health and Safety (OH&S) regulations
- This appliance is not suitable for use as a domestic spa pool or swimming pool heater.
- Electric Heat pumps are heavy and bulky items. Australian States and Territories have a Principal Occupational Health and Safety (OH&S) Act which contains requirements relating to the handling of large, bulky or awkward items. Persons installing heat pump systems MUST be aware of their responsibilities and be adequately trained and qualified, in accordance with local OH&S requirements.
LOCATION
- The electric heat pump can be installed externally or internally.
- The electric heat pump should be placed as close as practicable to the most frequently used hot water outlet point or points to minimise the delay time for hot water delivery. This will usually be the kitchen tap. For installations where the distance between the heat pump and the outlets is considerable, a flow and return system can be used which minimise the waiting time for hot water delivery.
- It is recommended that all components are installed at ground or floor level with consideration for easy service, repair or replacement access.. The heat pump MUST be installed in a vertically upright position. All components MUST be accessible without the use of a ladder or scaffold. The unit MUST NOT be installed in roof spaces.
- Ensure the location complies with the requirements of AS/NZS 60335.2.40 & AS/NZS 5149.
- The air inlet and outlet of the heat pump module MUST be away from areas with strong wind and MUST be provided with sufficient clearances as per those shown in the section ‘Clearances’ on page 14.
- The heat pump MUST be connected to an independent AC 240 V, 50 Hz power supply.
- Ensure the pressure and temperature pressure relief (PTR) valve and any access covers have sufficient clearances and are accessible for service and removal. The information on the rating plates MUST also be readable.
- The heat pump MUST be installed free-standing on a level and stable base. The cylinder should be mounted on a concrete base at least 50mm thick or on well-seasoned, evenly spread hardwood slats with a thickness of at least 25mm. Where property damage can occur as a result of water leakage, the storage cylinder MUST be installed with a safe tray (overflow tray) and drain in accordance with AS 3500.4. Ensure the storage cylinder DOES NOT stand on wet surfaces.
Internal Installation
- For internal installations the area MUST meet the following requirements:
- Minimum room volume of 55m3 per unit.
- Good Ventilation (i.e minimum 280 L/s per unit)
- Away from any ignition sources or corrosive environments.
- If the heat pump is installed internally careful consideration should be taken in regards to positioning and limiting the effect of unit noise and reverberation during operation.
Condensation
- As this heat pump is highly efficient, the surrounding air temperature could be cooled by up to 4°C and condensate formed, the condensate outlet will need to be plumbed to a suitable drain.
Drainage
- Where property damage can occur as a result of water leakage, the water heater MUST be installed with a safe tray (overflow tray) and drain. Construction, installation and draining of the safe tray MUST comply with local regulatory requirements and. AS/NZS 3500.4 also requires the use of a safe tray for particular situations.
WATER SUPPLY
- This appliance is intended to be permanently connected to the water mains and not to be connected by a hose set.
- The maximum water pressure is listed on page 12. An approved pressure limiting valve may be required if the maximum rated water supply pressure is exceeded.
- Water chemistry and impurity limits are detailed in the separate warranty document. Most metropolitan water supplies fall within these requirements. If you are unsure about water quality and suitability, contact your water authority.
- A water filter MUST be fitted on the inlet to the tank to prevent sludge or foreign matter entering the system.
- In a scaling water supply, calcium carbonate and possibly other compounds are deposited out of the water onto any hot metallic surface and form a scale. Scaling water may cause scale deposits to form on the metallic surfaces of the PTR valve and may prevent it from operating properly. To prevent this, an expansion control valve (ECV) MUST be fitted on the cold water line after the non-return valve in areas of scaling water. ECVs’ MUST be fitted in South Australia and Western Australia to comply with local regulations.
STORAGE TEMPERATURE
- To meet regulatory requirements the thermostat control on the heat pump water heater is factory pre-set to heat all the water in the tank to 70°C once a week. This cannot be altered.
HOT WATER DELIVERY TEMPERATURE
- This appliance may deliver water at high temperatures. Refer to the Plumbing Code of Australia (PCA), local requirements and installation instructions to determine if additional delivery temperature control is required.
- The PCA, local regulations, and the requirements of AS/NZS 3500.4 MUST be considered regarding the temperature limitations of hot water supplied to areas used primarily for personal hygiene.
- The temperature of water in certain areas is limited to different temperatures according to purpose, for e.g. early childhood centres, primary and secondary schools and nursing homes or similar facilities for young, aged, sick or people with disabilities and for all other buildings. To comply with these requirements, a temperature limiting device, such as a thermostatic mixing or tempering valve, will be required on hot water systems.
VALVES AND FITTINGS
- A 46 kW capacity, combined Pressure and Temperature Relief (PTR) valve is supplied with the Heat Pump hot water system. This valve is fitted at the top of the storage cylinder. The PTR valve is a safety device and it is mandatory that it is fitted by the installer in all installations..
The following valves & fittings are to be supplied by the installer:
- A cold water expansion control valve (ECV). An ECV MUST be fitted in Western Australia and South Australia to the cold water supply to the storage cylinder to comply with local regulations. An ECV is recommended in all other geographical areas where the water supply has a tendency to cause scaling. This will reduce hot water discharge from the pressure and temperature relief (PTR) valve which minimises wear on this valve.
- A stop cock, non return valve and line strainer. Combination valves incorporating two or more of these functions (such as ‘Trio’ valves) are suitable. These are fitted to the cold water supply to the storage cylinder by the installer.
- Cold water supply and hot water discharge pipework to and from the storage cylinder. This pipework MUST be insulated as specified in AS/NZS 3500.4
- An approved pressure limiting valve (supplied with some systems) is required if the maximum rated water supply pressure on page 12 is exceeded.
- Tempering valve(s) or thermostatic mixing valve
TRANSPORT AND HANDLING
- When moving the unit, it MUST be close to vertical at all times.
- When using a trolley to move the unit, ensure it is not tilted more than 45° from the vertical. Non compliance will void warranty and severely affect product performance and operation
- The Rinnai Electric Heat Pump MUST be transported at an angle no greater that 45º from vertical.
- As the compressor unit is located at the top of the electric heat pump, should the heat pump be tilted at a greater angle than 45º from vertical, the lubrication oil within the compressor can run down into the mufflers.
- This will leave the compressor motor without sufficient lubrication and lead to premature failure of the compressor unit.
- As a general good practice it is better to keep the compressor upright as much as possible. Returning the Rinnai Electric Heat Pump to a vertical position will allow the oil to properly flow back into the compressor motor.
- Tilting the heat pump beyond 45º from vertical will also place undue strain on compressor motor mounts and associated piping.
POSITIONING THE HEAT PUMP
- Arrive at site and conduct a safety audit (Safety audits can also be known as Work Method Statements (WMS) or Job Site Analysis (JSA).
- Park your vehicle as close as allowable to your installation. Safely unload all materials.
- Position all materials in a convenient position near the work area.
- Where the requirements for internal installation can’t be met, the heat pump MUST be installed outdoors.
- The location MUST consider noise impact on living areas. Avoid positioning near bedrooms or neighbors’

- bedrooms. Although the running noise level is very low it can be expected that the heat pump will run during the night.
- Adequate access MUST be available to the relief valve and anode.
- Safely position the new unit on a level surface in accordance with all plumbing and building regulations.
- A properly drained overflow tray MUST be used where property damage could occur from water spillage. (See AS/NZS 3500.4.2 for further details.)
- DO NOT drain on to grass or garden beds.
- DO NOT commence a job where the risks cannot be controlled.
- Allow 200m3 of free space surrounding the unit. This provides clear ambient airflow assisting the product’s performance. Ensure the clearance requirements specified in the section ‘Dimensions’ on page 13. are complied with. The area MUST also be clear of debris such as leaves and tree branches.

CONNECT THE PTR VALVE
- Connect the PTR valve to the uppermost fitting of the storage cylinder. See the diagram on page the section ‘Dimensions’ on page 13.
- The PTR pressure rating MUST be suited for the cylinder and adequate for the thermal loading applied to the storage cylinder, as specified in the table on 12. The supplied
- PTR valve input rating is 46 kW. The PTR valve rating MUST EXCEED the total input from the heat pump. For example, the maximum output from the EHPS215VM is 4.5 kW (see the table on page 12). This is less than 46 kW, hence the supplied PTR valve is of sufficient capacity.
- Use Teflon thread tape on the valve, never use hemp or other sealing materials. Ensure the tape does not protrude past the end of the thread, which could result in it hanging over the end of the thread and blocking the water passage through the valve.
- The PTR valve MUST be installed on the connection marked ‘hot water outlet’ near the top of the cylinder. Leave the valve outlet pointing down. Tighten the valve using the spanner flats – never use the valve body.
Connect the supplied PTR valve into the top socket marked “Relief Valve” and discharge according to plumbing regulations. PTR Valves for the unit are rated at 850 kpa. - The drain line from this valve MUST run in a continuously downward direction with the discharge end left permanently open to atmosphere.
PLUMBING CONNECTIONS
- Refer to the diagram on page 13 for detailed information on position of plumbing.
- An approved isolating valve, non return valve, line strainer, and union MUST be fitted between the supply main and the RP ¾ socket in the water heater. All fittings MUST be approved by the relevant installation Authority.
- An ECV MUST be fitted in Western Australia and South Australia to the cold water supply to the storage cylinder to comply with local regulations.
- An ECV is recommended in all other geographical areas where the water supply has a tendency to cause scaling.
- This will reduce hot water discharge from the Pressure and Temperature Relief (PTR) valve which minimises wear on this valve.
- This water heater is designed for direct connection to water supply pressures of no greater than those specified on page 12. Where the mains pressure can exceed or fluctuate beyond this, a pressure limiting (PLV) device (complying with AS1357) MUST be fitted.
CONNECT COLD / HOT WATER SUPPLY
- Connect cold water supply, Pressure Limiting Valve (PLV) and or Expansion Control Valve (ECV).
- Connect cold water supply to the storage tank (refer to Diagram BELOW).
- A stop cock, non return valve and line strainer MUST be fitted.

- Connect the pipework supplying hot water to the premises to the hot water outlet on the tank.
- A temperature-limiting device may be required as detailed in the section ‘Hot Water Delivery Temperature’ on.
- It is recommended that all hot water lines are insulated with high-temperature, UV resistant 13mm closed cell insulation.
CONNECT CONDENSATE DRAIN LINE
- A condensate drain line is required to be fitted to carry discharge clear of the water heater.
- The condensate drain line should not be connected to the PTR drain line but can exit to the same point.
- The diagram shows the condensate drain location on the heat pump.
- Independent 15mm copper pipes MUST be fitted to the drain outlets of the PTR and ECV.
- Each pipe MUST be open to the atmosphere and run with a continual downward grade in a frost-free environment to a visible discharge point.
- Drain lines MUST not exceed 9 meters in length.
- Valves or other restrictions MUST NOT be placed in the relief valve drain outlet line.
ELECTRICAL TESTS
- DO NOT turn on the power supply to the appliance until it has been filled with water and a satisfactory insulation (Megger) test has been performed.
- Conducting Insulation (Megger) Tests
- When conducting an insulation test using a Megger on this appliance, observe the following:
- This appliance contains electronic components, when performing insulation tests (500 Volts) this MUST ONLY be conducted the across active terminal to earth and then across the neutral terminal to earth.
- Tests between the active to neutral terminals MUST NOT be performed as this WILL damage the electronic components.
- Insulation test results of between 100 kΩ and 660 kΩ are normal for this appliance.
- In accordance with AS/NZS 3000 an insulation test with a result less than 1 MΩ is permitted where the appliance is approved to a Standard applicable to that class of appliance.
- This appliance is categorised and certified as a ‘stationary Class 1 motor operated appliance’ and therefore satisfies the requirements of AS/NZS 60335.2.40 for leakage current and electric strength. As such, this appliance complies with the insulation resistance requirements of AS/NZS 3000.
ELECTRICAL CONNECTIONS
- The power supply to the heat pump module MUST NOT be activated until the system is filled with water.
- The premises wiring to the heater MUST be capable of withstanding the appliance load. Refer to specification table for load details.
- All electrical connections and wiring MUST be installed, maintained and removed by authorised persons in accordance with AS/NZS 3000, and all other relevant local regulations and municipal building codes including OH&S requirements.
- The Heat Pump is fitted with a power cord & 15 Amp plug, it MUST connect to an independent, fused, AC 240V 50 Hz power supply with an isolating switch installed at the switch board, which shall effectively isolate all active supply conductors from the circuit and a means for disconnection MUST be incorporated in the fixed wiring in accordance with the wiring rules.
- A Residual Current Circuit Breaker is recommended for the power supply to this appliance (this may be a mandatory requirements in some states or jurisdictions).
- Disconnect all power prior to installation and commissioning.
- This appliance is designed for single phase 240 Volts, AC mains electrical operation.
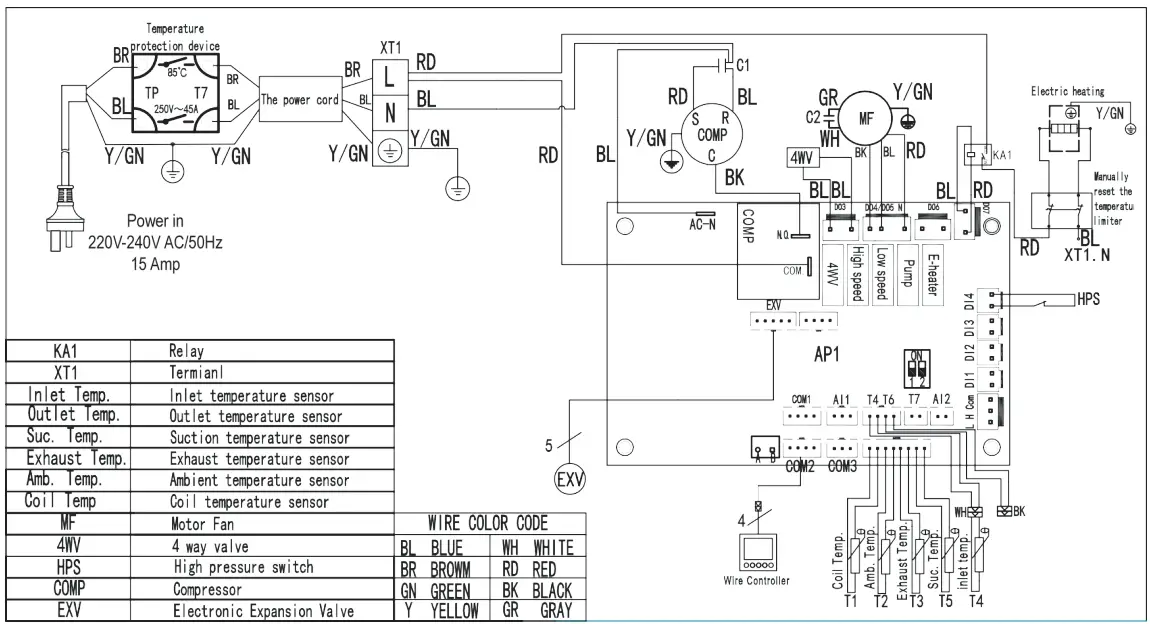
WIRING DIAGRAM
FILLING THE SYSTEM
- Open hot water tap at sink.
- Open the stop cock in the cold water main supply line. Allow the system to fill and the air to bleed through the tap.
- Turn off the hot tap at the sink when water flows freely without any air bubbles or air bursts. If leaks are detected, repair any leaks and repeat the filling process to remove any air.
- If no leaks are detected water heating can commence.
COMMISSIONING AND FINISHING THE INSTALLATION
- Please confirm the followings before commissioning:
- Piping and electrical wiring are all correct
- Earthing wire is installed properly
- Pipe insulation is completed
- Tank is filled
- Supply Voltage complies with rated voltage
- Air intake and discharge are not obstructed
- Turn on the heat pump unit and wait a few seconds for the system to start. Change operation mode or water temperature setting if required (it is recommended to retain default setting).
- After testing is completed explain to the householder the functions and operation of heat pump water heater components. Explain to the householder the need to drain the heat pump if freezing conditions are likely and power is likely to be shut off for an extended time.
- Also explain to the householder the importance of carrying out maintenance in accordance with this manual. Leave the manual with the householder.
OPERATION OF CONTROLLER
- When the heat pump turns on, the control system initiates and will check the unit’s operating parameters. The controller will check on all sensors and pressure switches. If conditions are suitable (i.e all reading within the reasonable range) and there is enough energy available in the surrounding air, the fan and compressor will turn on. If not enough energy is detected in ambient air then the controller calls for the booster heating element to run.
- There will be a delay from the time the heat pump is switched on before the fan and compressor begin operating.
- The unit is self regulating so there are no internal adjustments to be made during commissioning. When the unit is operated for the first time, it runs through an initial heat up cycle, allow time for the initial heat up cycle. Depending on the ambient conditions this can take several hours.
- Once its first heat up cycle is complete, empty approximately 60 litres of hot water from the tank through the PTR valve outlet then allow the water in the tank to re-heat.
- Once the re-heat cycle is completed measure the water temperature at the PTR outlet again. The temperature will be approximately 60º C.
- If for any reason the unit does not start, the water is cold and the controller unit is not displaying any LED lights, an electrician should test that power is available to the heat pump.
CONTROLLER LAYOUT AND KEYS
- All major functions are controlled by the Control Panel situated on the front of the unit.

The following table describes the primary function of each key on the controller
| Key | Icon | Primary Functions |
|
On/Off | ![]()
| 1. On/off key (hold for 1 second) 2. Return key 3. Escape key 4. Unlock key (hold for 5 seconds) |
|
Clock | ![]()
| 1. Setting the clock, press the key will enter into clock setting interface, and then press one time to switch the hour and minute area 2. Setting the timer (press the key and hold for 3s) 3. During timer setting, press the key and hold for 3s, cancel the current timer setting |
|
Mode |
| 1. Press the key and hold for 5s, enter into parameter setting interface 2. Press the key to change operation mode 3. In parameter query interface, press the key enter into value setting or save the setting |
|
Up |
| 1. Press the key to change temperature setting value or parameter value or change hour and minute value 2. Press the key and hold for 3s to query the system status/ parameter 3. Page up |
|
Down | ![]()
| 1. Press the key to change temperature setting value or parameter value or change hour and minute value 2. Press the key and hold for 3s to query the system status/ parameter 3. Page down |
Ensure the controller unit is not displaying the ERR indicator once unit has been switched on. If it is refer to the section ‘Save a Service Call’ on page 10
Key Combinations
The keys can also be used in specific combinations to provide additional functions:
LED ICONS

CONTROLLER FUNCTIONS AND OPERATION
- Lock and unlock:
- When the controller is in the normal display mode and there is no button operation for more than 60 seconds it will automatically lock. Press the key “
“ for 3 seconds to unlock, and it will beep.
- When the controller is in the normal display mode and there is no button operation for more than 60 seconds it will automatically lock. Press the key “
- Turn ON/OFF the heat pump:
- When the controller is in the normal display mode, press the “
“ button for more than 1 second to switch the controller to the power ON or OFF mode.
- When the controller is in the normal display mode, press the “
- Operation Mode selection:
| Mode Number | Mode | Symbol | Setting Range |
| 01. | Standard Mode | STAN | 15°C~60°C |
| 02. | Economy Mode | ECO | 15°C~60°C |
| 04. | Hybrid Mode | HYB | 15°C~70°C |
| 05. | Electric Mode | ELE | 15°C~70°C |
STAN mode (Standard mode):
- In STAN mode, the controller will display “ 5t:AN “. In this mode only heat pump operates and the default water temperature setting is 55°C, setting range is 15°C~60°C, restart temperature difference is 5°C.
ECO mode (Economy mode):
- In ECO mode, the controller will display “ E:(0 “. In this mode only heat pump operates and the default water temperature setting is 55°C, setting range is 15°C~60°C, restart temperature difference is 10°C.
HYB mode (Hybrid mode):
- Under HYB mode, the controller will display “ HY:b “. In this mode, the heat pump only runs until the water temperature reaches 60°C, when this temperature is reached, the heat pump stops running. The heating element will continue heating until the water temperature reaches the setting temperature (if the set value more than 60°C). In this mode, the default water temperature setting is 65°C, setting range is 15°C~70°C and restart temperature difference is 10°C (default value).
ELE mode (Heating element mode)
- Under ELE mode, the controller will display “ E:LE “. In this mode only the heating element will work to heat the water. The default water temperature setting is 65°C, with a setting range of 15°C~70°C, and the restart temperature difference is 10°C.
- The system default mode is Standard (STAN). When the unit is switched on for the first time, the system will operate under STAN mode. Subsequently however, the unit will start in the mode setting it was in prior to shutdown. To change the mode, refer to the instructions below.
Changing mode:
- When the controller is in normal display mode, press “M” key to show the existing operation mode, it will display constantly for 8 seconds, before it disappears, press “M” again to switch between different operating modes.
- The mode name will show at the clock display for 8 seconds each time the “M” key is pressed. When unlocked, the display will show the clock. Press “M” key once to show the current Operation Mode.
Water temperature setting
- Unlock the controller in the main interface then press the “
” or “
” button to increase or decrease the water temperature setting value.
Clock setting
- In the main interface, click the “ “button to enter the clock setting interface;
- During the clock setting, when the hour section flashes, press and hold the “
“ button for 3 seconds to enable/disable the week function. When the week function is displayed it will display the day as Monday: 1, Tuesday: 2… Sunday: 7, etc. - To set the day of the week, first ensure the weekday function is enabled as per the instructions above. Next press the button
and the weekday part of the number will flash. Press “
” or “
”, to cycle through the days of the week. - If you start the setting process with the weekday function disabled, pressing the button, will set the hours first. The hour part of the display will flash, press to cycle the hour value of the clock;
- When the hour is set, press the button again to confirm. The number of minutes will now flash. Press to set the minutes of the clock.
- After the minutes are set, press the button again to confirm the real-time clock setting and return to the main interface.
- In the real-time clock setting interface, if there is no button operation for 60 seconds, the current clock setting value will be confirmed and will return to the main interface.
Operation Timer Setting
- Press and hold the button for 3 seconds in the main interface to enable or disable the timer working mode. Then press to chose timer No. 1, No.2 or No.3.
- When the timer No.1 period is selected, the symbol will flash. Press and release to set the Start Time (ON), and the hour section will flash. Press to set the hour. When the hour is set, press the “ “ button again and the minutes will flash. Press to set the minutes. After the minutes are set, press the button again to begin setting the End Time(OFF) and the hour section will flash. Press to set the hour. When the hour is set, press the “ “ button again and the minutes will flash, press “ ” or “ ” to set the minutes.
- Press the button again to confirm the setting and then switch to next period (No. 2 or No. 3) timer working set, the setting method is the same as above.
- If the start time of a certain working period is greater than the end time, the end time is considered to be of the next day.
- When the start time and end time of a setting are the same, it will not be set.
- When the week function is enabled, the timing work cycle time will be one week, if the week function is disabled, the cycle time is 24 hours.
Forced defrosting:
- When the controller is in the normal display mode and the heat pump is ON. Press the “M” and “ ” buttons together for more than 5 seconds to activate or deactivate the “Forced Defrost” function. The symbol “ “ will show when the “Forced Defrost” is ON.
Boost:
- When the controller is in the normal display and the heat pump in heating mode, press the “M” and “
” buttons together for more than 3 seconds to enable or disable the boost mode. When boost mode is enabled, the compressor will stop running or not switch on and the heating element will turn on. The symbol “
“ will flash for 1 second and then stay on. When the set temperature is reached, the heating element will turn off and the symbol will flash, which means it is operating in boost mode. - When the heat pump is turned off it will automatically exit boost mode.
Disinfection
Manual Disinfection:
- When the controller is in the normal display mode and the heat pump is ON, press the “
and “
” buttons together for more than 5 seconds to sterilize the water tank. - The symbol “
“ will flash for 2 seconds then light up and the water will be heated up to 70°C and thereafter maintained at 65°C~70°C. After 30 minutes it will exit disinfection. If the water can not reach at 70°C, the heat pump will run in disinfection mode for 2 hours then exit the disinfection. - If the water temperature setting is ≥ 70°C, then disinfection will not be commenced.
Auto Disinfection:
- If the water temperature setting is < 70°C cumulatively over a 7 day period, the heat pump will start Disinfection automatically. After completion, it will re-clock. During
- Disinfection, the symbol “
“ will flash for 2 seconds then light up and the water will be heated up to 70°C and thereafter maintained at 65°C~70°C. After 30 minutes it will exit disinfection. If the water can not reach at 70°C, the heat pump will run in disinfection mode for 2 hours then exit the disinfection. - If the water temperature setting is ≥ 70°C, then disinfection will not be commenced.
Open Parameter Query
- With the power on, press the “
” or “
” button for 3 seconds, to enter the status query interface. Press the button to query each status. Press the button to exit status query interface.
| No. | Name | Note |
| 00 | Fluorine Cycle/Water Cycle system | 0=Water Cycle; 1=Fluorine Cycle |
| 01 | High-pressure switch | 0=Open; 1=Close |
| 02 | Low-pressure switch | 0=Open; 1=Close |
| 03 | Water flow switch | 0=Open; 1=Close |
| 04 | EEV open | Measured value |
| 05 | Coil temp. | Measured value |
| 06 | Ambient temp. | Measured value |
| 07 | Suction temp. | Measured value |
| 08 | Exhaust temp. | Measured value |
| 09 | Water inlet temp.(Water tank) | Measured value |
| 10 | Water outlet temp. | 0=OFF; 1=ON |
| 11 | Compressor | 0=OFF; 1=ON |
| 12 | 4 way valve | 0=OFF; 1=ON |
| 13 | High fan speed | 0=OFF; 1=ON |
| 14 | Low fan speed | 0=OFF; 1=ON |
| 15 | Circulation pump | 0=OFF; 1=ON |
| 16 | Heating element | 0=OFF; 1=ON |
| 17 | Compressor working time before defrosting | Measured value |
| 18 | Link switch | 0=Open; 1=Close |
| 19 | Program code | Show the code |
| 20 | Dial switch | 0=Open; 1=Close |
| 21 | Dial switch | 0=Open; 1=Close |
| 22 | Phase detecting value | 0=OK; 3=Lack phase; 4=Phase fault; 5=No connection |
WI-FI CONNECTION
Please follow below steps to set up and operate Wi-Fi functions.
- Prepare a Wi-Fi wireless router that can access the Internet, The Wi-Fi frequency band is required to be 2.4 Ghz and it should be placed within 10 meters of the water heater to ensure that a strong Wi-Fi signal is available.
- Turn on Wi-Fi and Bluetooth on your device. After the connection is successful, you can turn off Bluetooth and operation will not be affected.
- Scan the QR code below or search in the app market to download and install the ‘Smart Life’ App.
- iOS users – please download from App Store
- Android users – please download from Google Play

- After completing the installation, open the App, register an account and log in according to the App prompt.
- To connect the controller to your network Press and hold the On/Off and the Up (
+
)keys together for 5s, to enter into manual network connection mode. When the controller is available for connecting to a Wi-Fi network, the symbol “
“ will flash. When connected successfully, the symbol “
“ will remain continuously lit up.- You will need to repeat step 5 if the icon stops flashing during the connection
- Connect to the SmartLife App as follows:


- Control the Heat Pump with the App
- The main controls for the App are laid out as follows on the App.

- The main controls for the App are laid out as follows on the App.
- Rinnai Australia Pty Ltd
- ABN 74 005 138 769 | AU45204
- 100 Atlantic Drive, Keysborough, Victoria 3173
- P.O. Box 460, Braeside, Victoria 3195
- Tel: (03) 9271 6625
- Fax: (03) 9271 6622
- National Help Line
- Tel: 1300 555 545
- Fax: 1300 555 655
- Monday to Friday, 8.00 am to 5.00 pm EST.
- After Hours Hot Water Service Line
- Tel: 1800 000 340*
- Cost of a local call may be higher from a mobile phone.(National calls from public phones in Australia are free.)
- For further information visit www.rinnai.com.au or email [email protected]
- Rinnai has a Service and Spare Parts network with personnel who are fully trained and equipped to give the best service on your Rinnai appliance. If your appliance requires service, please call our National Help Line. Rinnai recommends that this appliance be serviced every 3 years.
- With our policy of continuous improvement, we reserve the right to change, or discontinue at any time, specifications or designs without notice.
- EHPS OIM – Issue 1 – November 2022



































