D15NP Pressure Reducing Valve
Instruction Manual
D15P, D15NP wird nicht mehr hergestellt.
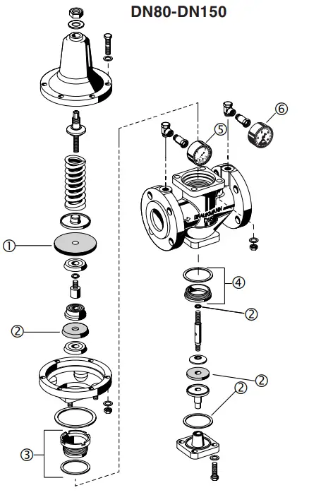
- Housing
- Pressure gauge
- Extension piece
- Rotatable elbow
This is a legacy product document supported by Resideo. It is no longer manufactured.
• Thoroughly flush pipework.
• Install without tension or bending stresses
| D15P | D15P | D15NP | |
| Outlet pressure bar | DN50-150 | DN200 | DN50-200 |
| 1,5-8 | 1,5-6 | 0,2-2 |

Changing the outlet pressure
• Release pressure on the outlet side (e.g. through the water tap.)
Maintenance


Exchange parts
![]() | ![]() |
| D15P DN 50 DN 65 DN 80 DN 100 DN 125 DN 150 DN 200 DN 50 DN 65 DN 80 DN 100 DN 125 DN 150 DN 200 DN 50 DN 65 DN 80 DN 100 DN 125 DN 150 DN 200 DN 50 DN 65 DN 80 DN 100 DN 125 DN 150 DN 200 DN50-DN150 DN50-DN150 DN200 | 5707300 5707400 5707500 5707600 5707700 5707800 5707900 0901353 0901354 0901355 0901356 0901357 0901358 0901359 0900255 0900256 0900257 0900258 0900259 0900260 0900261 0900247 0900248 0900249 0900250 0900251 0900252 0900253 M39M-A16 M39M-A10 M07M-A10 |
![]() | ![]() |
| D15NP DN 50 DN 65 DN 80 DN 100 DN 125 DN 150 DN 200 DN 50 DN 65 DN 80 DN 100 DN 125 DN 150 DN 200 DN 50 DN 65 DN 80 DN 100 DN 125 DN 150 DN 200 DN 50 DN 65 DN 80 DN 100 DN 125 DN 150 DN 200 DN80-DN150 DN50-DN200 | 5708000 5708100 5708200 5708300 5708400 5708500 5708600 0901353 0901354 0901355 0901356 0901357 0901358 0901359 0900255 0900256 0900257 0900258 0900259 0900260 0900261 0900247 0900248 0900249 0900250 0900251 0900252 0900253 M07M-A16 M07M-A4 |
Important notes
Use the appliance
- In good condition
- According to regulations
- With due regard to safety.
Follow installation instructions.
Immediately rectify any malfunctions.
D15P/D17P and D15NP pressure-reducing valves are exclusively for use in applications detailed in these installation instructions. Any other use will not comply with the requirements. All assembly operations should be carried out by competent and authorized personnel.
Accessories
| Nonreturn valve | ![]() |
| Reserve-rising filter | ![]() |
| Y Strainer | ![]() |
Automation and Control Products
Honeywell GmbH
Hardhofweg
D-74821 Mosbach
Phone: (49) 6261 810
Fax: (49) 6261 81309
[email protected]
www.honeywell.de/haustechnik
http://europe.hbc.honeywell.com

























