
FR-50B
Instruction Manual
SOMMERKAMP ELECTRONICS GABH
GERMANY
FR-50B COMMUNICATION RECEIVER
The model FR-50B Communication Receiver, designed for the amateur bands, provides a high degree of sensitivity, selectivity and stability.
Basically, it is a double conversion super-heterodyne receiver employing a variable oscillator for the first mixer stage, and a crystal controlled oscillator for the second mixer stage.
Adequate selectivity is provided for SSB, AM and CW with the utilization of two 4 Ke mechanical filters.
When used in conjunction with the FL-50B Transmitter, transceive operation – receiving and transmitting on the same frequency – is possible. This is a useful feature for SSB communication.
A built-in monitor circuit enables monitoring of the station transmitted signal at any time.
SPECIFICATIONS
| Frequency range | 80m | 3.5 — 3.8 Mc |
| 40m | 7.0 — 7.5 Mc | |
| 20m | 14.0 — 14.5 Mc | |
| 15m | 21.0 — 21.5 Mc | |
| 10m | 28.0 — 29.2 Mr | |
| JJY & WWV | 10.0 — 10.5 Mc (can be installed) | |
| Sensitivity | CW/SSE. AM | Less than 0.5uV for 10db S/N ratio Less than luV for 10db S/N ratio |
| Selectivity | At +5 Kc, -50 db. At +1.8 Kc, -6 db. | |
| Image ratio | More than 50 db | |
| Calibrator | 100 Kc (crystal option) | |
| Audio output | 1.5 W 4 ohm/600 ohm, speaker built-in | |
| Power source | 100 V AC 50/60 c/s 50 VA (220 or 240 V is available for export model) | |
| Dimensions | 1 13″ wide, 6″ high, 10k” deep | |
| Weight | 172 lbs. approx. | |

VFO Tuning Ranges
CIRCUIT DESCRIPTION
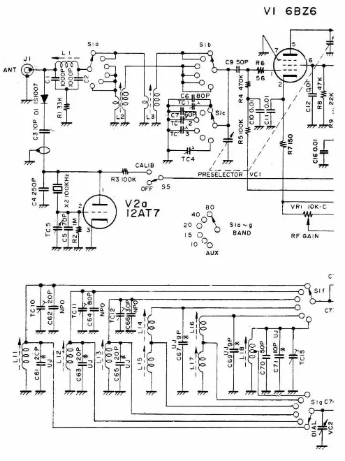
- RF Amplifier
The high Gm tube 6BZ6 provides a minimum of cross modulation.
It is a semi-remote cutoff pentode and has an excellent AGC characteristic. A 5 Me trap is inserted to reject a spurious signal which could enter directly into the first I.F. stage.
To avoid complexity, two coils in each of the grid and plate tuning circuits, together with switched capacitors, cover the full range. A FM type variable condenser is used with electronic band spread for preselector tuning. The centre of each amateur band is approximately at the centre of the range of the pre- selector control. On the 3.5 Me band, the preselector covers 3.5 -~ 3.8 Mc. - lst Mixer The amplified signal and local oscillator output are mixed by introducing to the grid and cathode of triode mixer V2, 12AT7. The tricde mixer is very effective because of its low conversion noise. The first I.F. is 5,173.9 Ke.
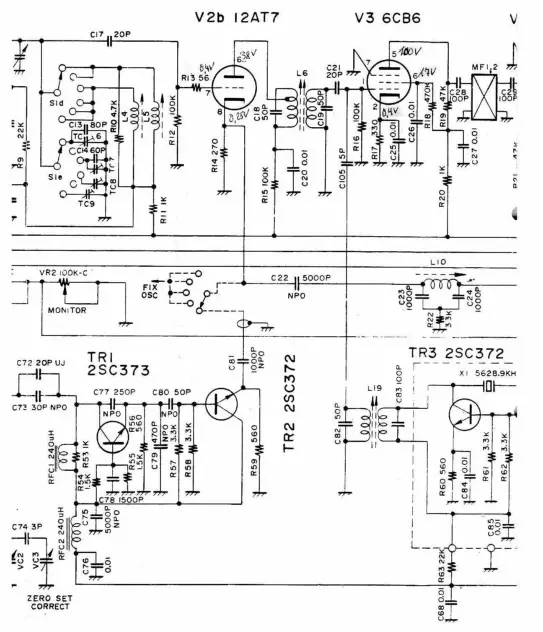
- VFO Silicon transistor Trl, type 25C372, is employed on a colpitts oscillator circuit. Oscillator frequency range is selected by switching coil for each band. C61, C63, C65, C67, C69, C71 and C72 are temperature compensating capacitors which insure stability even in the 28 Mc band. Using the same dial mechanism as the FR-100B, with the 50 Ke variation per revolution of the knob, it is very effective for SSB and CW tuning.
Buffer amplifier Tr2, silicon transistor type 28C372, is employed in an emitter follower circuit. Its output is injected to the first grid of mixer tube V2, and is also used as a VFO source for the transmitter when connected for trangceiving. The output terminal is lecated on the rear panel of the receiver. - lst I.P. The signal converted into the ist I.P., 5,173.9 Ke, by the lst mixer, is applied te the Znd mixer via transformer L6.
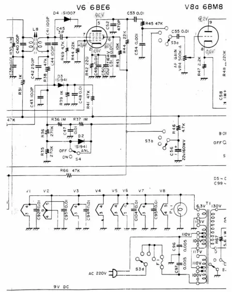
- 2nd Mixer Ist I.F. and ind lseal csciliator signals are added at the control grid of V2, a 3C3é, and results in sacond I.F. at 455 Ke at the plate of the tube.
- 2nd Local Oscillator T3, silicon transister <yrge 28C372, together with crystal and other parts, are installed in an I.F.T. case. Output of the 2nd local oscillator is applied to the control grid of V3 through transformer 116. Oscillator frequency is 5,628.9 Ke.
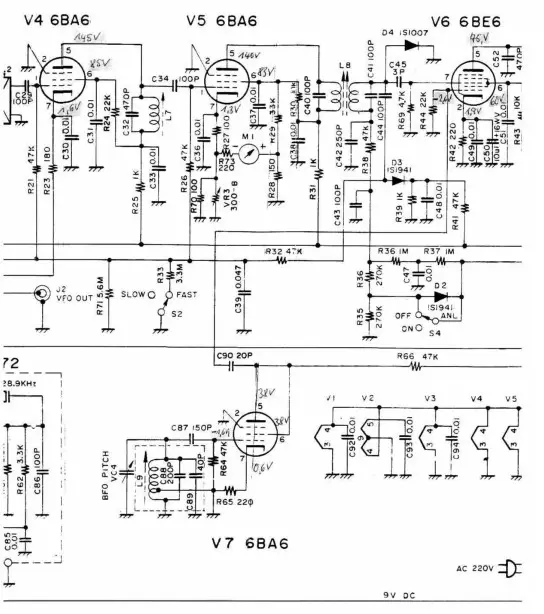
- 2nd I.F. Amplifier This is a two stage amplifier using two 6BA6 coupled by two 4 Ke mechanical filters. “S” meter is inserted in the cathode circuit of the first 6BA6 and must be adjusted to indicate gero with no input signal. ““S” meter indicates cathode voltage variation V4, which is proportional to the AVC voltage. A diode in series with the “S” meter protects it from inverse deflection. Cathode return of V5 together with that of the RF tube is connected to the RF GAIN potentiometer.
- AM Detector & Noise Limiter Circuit Gold bonded dicde, 1$1007, is used for AM detection. Series type automatic noise limiter (ANL}, with silicon diode 151941 effectively suppresses pulse noise. The ANL may be switched off at the front panel.
- SSB & CW Detector Product detector V6, 6BE6, has a very efficient performance for SSB and CW detection. BPO voltage is derived from V7, 6BA6, in a self excited oscillator circuit. BFO pitch is controlled by trimmer condenser vC4.
- AvcC Cirovit AVC voltage from the AM detector is applied to control grids of Vi, V4 and VE. AVC circuit keeps the output level of the receiver almost constant regardless of input signal strength. In the case of reception of DX (CW & SSB signals), the AVC circuit may be switched off and RF GAIN control adjusted for good reception quality.
- Mute & Monitor Circuit Adoption of a muting circuit enables smooth switching of transmit and receive. RF GAIN control VR1, and monitor control VR2 are in series to cathode return circuit of Vl and V4. For muting with a transmitter, relay contacts must open on “transmit” and close on “receive”. Thus, on “receive”, the mute terminal is grounded. On “transmit”, the monitor potentiometer increases the bias.
- A,F, Amplifier Output from the detector, through the mode switch, is applied to the triode section of V8, 6AW8, from which output is coupled to the power amplifier, the pentede section of V8. Since the same circuit is used for the speaker connection and headphone jack, low impedance speaker or headphones, 4 – 8 chms, should be used. The output transformer also has a 600 ohm wind- ing to supply anti-trip signal for a VOX circuit.
- Power Supply HT supply consists of four silicon diodes in a bridge circuit and with a filter choke performs with good regulation. Supply for the transistor oscillatcr is stabilized by a zener diode 18225. Heater supply is 6.3 volts, same as that of the FL-50B.
OPERATION OF RECEIVER
The following operating conditions should be observed.
- Antenna
The antennz input impedance of the FR-50B is 50 – 70 ohms.
Use a matching antenna with coaxial lead-in. The receiving sensitivity is directly dependent on the quality of the antenna. However, a length of wire will suffice for casual listening. - Speaker As the output impedance is 4 ohms, a speaker impedance close to this is recommended. For headphone use, connect the leads to the plug supplied. Low impedance, 4 ~ 16 ohms, headphones should be used. AM RECEPTION Position of Controls
Turn the main tuning knob to receive the desired signal and adjust for maximum “S” meter reading, then peak with pre- selector. When impulse noise such as generated by auto ignition systems is strong,switch on ANL. The tuning knob has 50 graduations, and one revolution of the knob covers about 50 Kc on each band, except 28 Mc where one revolution covers about 100 Kc. - SSB & CW Reception
Set knobs to the same position as above, except the mode switch is set to the SSB/CW position.
Tune for maximum “S” meter indication, then adjust BFO PITCH to resolve SSB signal, or, for CW, to obtain a comfortable listening tone. Most SSB stations use LSB on 80 and 40 meters and USB on 20, 15 and 10 meters, so the BFO knob will point somewhere near 453.5 Ke or 456.5 Ke position. To receive a weak signal, set RF GAIN to maximum and turn off AVC. For strong signals, decrease RF GAIN and increase AF GAIN. - Operation in Conjunction with a Transmitter It is possible to operate in the transceive condition if the transmitter is FL-50B. Refer to the diagram on page 4.
Use as short a length of coaxial cable as possible to connect to the VFO. When using a transmitter other than the PL-50B, the mute terminal must be so connected as to be open circuited to ground during transmitting, and short circuited during receiving. - Transceive Operation Set the Xtal switch of the FL-50B in EXT OSC position. Switch to SPOT on the transmitter and set the carrier control to maximum, then adjust BFO PITCH for zero beat. Return carrier control to the SSB position. Then the transmitting and receiving frequencies are the same. In the case of adjusting while communicating, turn the BFO PITCH to give the same tone from the received signal and monitored signal. Note that the BFO PITCH control ean be used to provide a degree of “off-set” tuning in the transceive mode.
ALIGNMENT PROCEDURE
- Test Equipment Required
A. Circuit tester
B. VTVM & RF probe
C. Standard signal generator - Voltage Measurement
Use the VTVM to measure voltages. Refer to the table for approximate values. A circuit tester used for measurement will indicate some lower voltages than those shown in the table. : - 455 Ke I.F. Alignment
Apply 455 Ke signal to grid 1 of V3. Adjust MP1, MF2 and L7 for maximum “S” meter reading. Use care if adjusting MF1l, MF2. The adjusting screws have a fine thread and can be easily damaged, if too much pressure is applied. However, re-adjustment of these should not be necessary . as there is little to get out of order. - Ast I.P. Alignment Apply 5,173.9 Ke signal to grid 1 of V2. Adjust L6 (both cores) for maximum *S” meter reading.
- Adjustment of 2nd Oscillator Output Connect RF probe of VIVM to grid 1 of V3. Adjust the upper core of L16 for 70% of maximum reading, and the lower core for maximum reading.
- Alignment_of VFO Scale For correct alignment a 100 Ke marker is necessary, and if this is built-in it should be used. Adjust coils at the low frequency end, and trimmer condensers at the high end of each band for zero beat. Repeat this adjustment for greatest accuracy. Note that turning of cores or trimmers too far may lead to incorrect frequency by an amount of +100 Kc.
- RF Alignment Set mode switch to AM, band to 10, and preselector to mid- scale. With the main dial, tune in a 28.5 Mc signal from the SSG. Adjust cores of L2 and Lé for maximum “S” meter reading. Set bandswitch to 15 and tune in a 21.25 Mc signal from the SSG, and adjust TClC and TC2C for maximum” “8” meter reading. On 20 meters, with SSG output 14.25 Mc, adjust TC1B and TC2B for maximum “S” meter reading. On 40 meters, with SSG output 7.25 Mc, adjust L3 and LS for maximum °”S” meter reading. On 80 meters, with SSG output 3.5 Mc and preselector at “1”, adjust TC1A and TC2A for maximum “S” meter reading. On this band, the upper limit of the preselector range is about 3.8 Me so a slight sensitivity decrease results between 3.8 and 4 Me. During the alignment, keep the SSG output level down to the minimum of that required.
- Adjustment of Trap Ll is a trap to prevent a spurious signal from entering directly into lst I.F. stage. Set the SSG output on 5,173.9 Ke and adjust Ll for minimum “S” meter reading. Adjust 119 so that no beat is heard from the speaker. This adjustment is unnecessary unless set up for transceive operation.
- BFO Alignment Set mode switch to SSB/CW. Tune receiver to a non-modulated signal from the SSG, adjusting for maximum “S* meter reading. Set BFO PITCH to “0” and adjust L18 for zero beat.
- “5S” Mater Zero Set
After removing antenna, adjust VR3 so that “S” meter indicates zero. Note that the “S” meter will not read inversely due to the installation of a diode.
MAINTENANCE
This receiver has been thoroughly adjusted with the aid of much measuring equipment by the manufacturer, so re-adjustment should not normally be necessary for a long time. If, due to component change or development of some fault, re-adjustment or repair should be found necessary, then this should be attempted only after full understanding of this booklet.
- Removal of Chassis
After removing the four screws from the underside, push an the front panel and withdraw from the rear. - Lecation of Faults
Measure voltages and make resistance checks using the tables for reference. Any large departure from the values shown in the tables could be an indication of the faulty secticn.
Use the VTVM for checking.
(1) Receiver not operating:- Examine AC power cord and plug. Check fuse.
If the fuse has gone, there may be a short circuit in the 8.T. or heater circuits, or failure of silicon diode rectifiers.
(2) No sound from speaker:-
Examine speaker connections, making sure that the headphone plug is removed from the jack on the front panel.
Check audio amplifier section by touching grid of V8 with a screwdriver.
Check detector stages.
AH — detector dicde
SSB — BFO and product detector
(3) Audio and detector atages OK but receive fails to operate:-
In checking IP and RF stages make use of the “S” meter.
Examine the lst converter if the receiver fails only on one band.
If click is apparent when grid of V3 is touched with a screwdriver, fault is in the stages preceding V3.
Local oscillator injection voltage must be measured with the VTVM.
NOTE: Dial Calibrations
On the main dial, the bottom scale is for 80 meters. “500” represents 3,500 Ke, “600” for 3,600 Ke, and so on.
The centre scale serves for the 40, 20 and 15 meters bands where “0” represents 7,000, 14,000 or 21,000 Ke, “100″ represents 7,100, 14,100 or 21,100 Kc, etc., depending on
the band in use. The sub-divisions on the main dial are 10 Ke points. The graduations on the tuning knob skirt closely represent 1 Ke divisions. The upper scale on the
main dial is used for 10 meters but in this case the knob skirt graduations represent 2 Ke divisions.
The knob skirt may be adjusted independently of the knob itself by firmly holding the knob while turning the skirt, and can be set at 0 for 100 Ke points with a crystal
calibrator. Since, on all bands except 10, the knob rotates two full turns for each 100 Ke segment, a double numbering system is adopted on the skirt, thus, read 0 to 49 Ke with black figures and 50 to 100 with red figures. A plug-in 100 Ke crystal is available as an optional extra.
CONNECTION OF FL-50B TRANSMITTER AND
FR-50B8 RECEIVER FOR TRANSCEIVE OPERATION
If receiver is used while disconnected from transmitter, M & G terminals must be shorted together.
VOLTAGE MEASUREMENT
(VOLT)
| TUBE | P/N NUMBER | ||||||||
| 1 | 2 | 3 | 4 | 5 | 6 | 7 | 8 | 9 | |
| VI | 0 | 1. | 0 | AC6.3 | 145 | 70 | 0 | ||
| V2 | 750 | –1.60 | 0 | AC6.3 | AC6.3 | 38 | 0. | 0.25 | 0 |
| V3 | 0. | 0.4 | 0 | AC6.3 | 100 | 17 | 0 | ||
| V4 | 0. | 0 | 0 | AC6.3 | 145 | 85 | 2. | ||
| V5 | 0 | 0 | 0 | AC6.3 | 140 | 83 | 1. | ||
| V6 | -2.6, | 1.9* | 0 | AC6.3 | 75* | 60* | 0 | ||
| V7 | -2. | 0 | 0 | AC6.3 | 38′ | 38* | 0.6* | ||
| V8 | 0 | 7. | 0 | AC6.3 | 0 | 145 | 124 | 0.6 | 9. |
RESISTANCE MEASUREMENT
(OPM)
| TUBE | 1 | 2 | 3 i 4 5 | 6 | 7 | 8 | 9 | ||
| VI | 150 | ……„,–1(../1 6K | 18K | 0 | |||||
| V2 | 100X° | IM | 0 ….„.1,..0„/”120X | 100K | 270 | 0 | |||
| V3 | 100X | 330 | ,e 52K | 500K | 0 | ||||
| V4 | op | 0 | ….,./–.. | 5.8K | 30K | 180 | |||
| 5 | co | 0 | …….„/– | 5.6K | 11.5K | 130 | |||
| V6 | 22K | 220 | …..„./”” | 34K* | 20K* | 4.7K | |||
| 7 | 47X | 0 | 34K* 34K* ……../1„/” | 220 | |||||
| V8 | 50010 | 220 | 470K …..„/”……,./”’ 3.6K | 9.5K | 2K | 300K | |||
° CALIBRATER OPERATED
MODE SWITCH POSITION ssa/cw *
AUDIO GAIN MAX.
PARTS LOCATION
![]() | ![]() |
![]() | ![]() |
![]() | ![]() |
Turn the main tuning knob to receive the desired signal and adjust for maximum “S” meter reading, then peak with pre- selector. When impulse noise such as generated by auto ignition systems is strong,switch on ANL. The tuning knob has 50 graduations, and one revolution of the knob covers about 50 Kc on each band, except 28 Mc where one revolution covers about 100 Kc.

















