JUKI PLC-2760NV Industrial Sewing Machines

Specifications
CAUTION
This Instruction Manual for the PLC-2760NV only describes their differences from the standard models (PLC-2760V).
For safety-related information, carefully read and fully understand “Safety precautions” described in the Instruction Manual for the standard models before using your sewing machine.
| Item | Application |
| Model | PLC-2760NV |
| Sewing speed | Max. 2,500 sti/min Refer to “10. SEWING SPEED TABLE” in the Instruction Manual for the standard model. |
| Stitch length | Max. 12 mm |
| Needle | SCHMETZ 134×35 (Nm 125 to Nm 200) (Standard : Nm 140) |
| Applicable thread size for sewing | #30 to #0 (US: #46 to #266, Europe: 60/3 to 10/3) |
| Applicable thread size to be cut | #30 to #0 (US: #46 to #266, Europe: 60/3 to 10/3) |
| Motor | AC servo motor |
| Presser foot pressure control | Electronic control |
| Horizontal feed control | Electronic control |
| Alternate vertical feed control | Electronic control |
| Lubricating oil | JUKI New Defrix Oil No. 1 (equivalent to ISO standard VG7) or JUKI MACHINE OIL No. 7 |
| Number of patterns | Sewing pattern…………………………. 99 patterns (For the polygonal shape sewing, as many as 10 patterns can be registered.) Cycle sewing pattern 9 patterns Custom-pitch pattern………………… 20 patterns Condensation custom pattern….. 9 patterns |
| Noise |
|
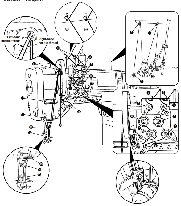
Threading The Machine Head
WARNING
To protect against possible personal injury due to abrupt start of the machine, be sure to start the following work after turning the power off and ascertaining that the motor is at rest.
- Thread the machine head following the order as illustrated in the figure.

If you want to perform thread trimming at a position where no material exists, it is necessary to change thread guide 13 with the suitable thread guide. The thread guide to be used instead of the current one is supplied with the unit as an accessory.
Part number of replacement thread guide: 40034675
Pneumatic Components (when the pneumatic center guide is used)
WARNING
To protect against possible personal injury due to abrupt start of the machine, be sure to start the following work after turning the power off and ascertaining that the motor is at rest.
Installing the regulator
- Install regulator (asm.) ❶ on mounting plate ❺ with screw ❷ , spring washer ❸ and nut ❹ which are supplied with the unit.
- Attach joint ❻ to inlet 1 . Attach joint ❼ to outlet.
- Attach mounting plate ❺ on the undersurface of the table with accessory screws ❽ supplied with the plate.
- Connect the ø6 air tube to joint ❼ .
* Screw ❷ which is supplied with the unit: Thread diameter M5; Length: 12 mm (SM6051202TP).
Adjusting The Air Pressure
- The operating air pressure is 0.5 to 0.55 MPa. Adjust the air pressure using air pressure regulating knob ❶ of the filter regulator.
- In the case fluid accumulation is observed in A section of the filter regulator, turn drain cock ❷ to drain the fluid.

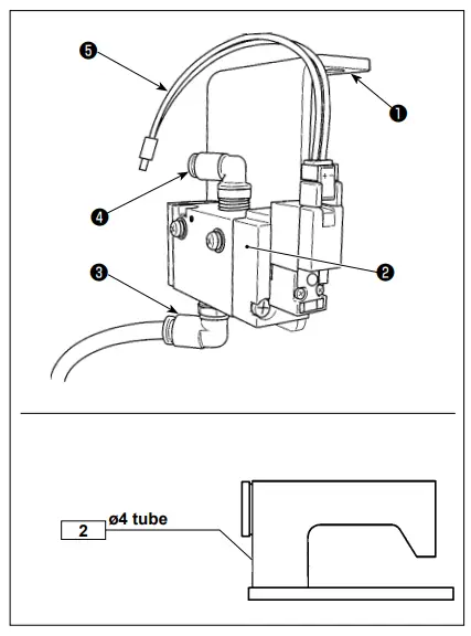
Attaching the solenoid valve
- Attach solenoid valve asm. ❷ to the undersurface of the table with accessory screw ❶ (SK3452001SE).
- Connect the ø6 tube described in step 4) in “(1) Installing the regulator” to joint ❸ . Cut the ø6 tube to an appropriate length before use.
- Connect the ø4 air tube coming from the air type center guide to joint ❹ .
- Connect connector ❺ to the CN59 on the electrical control box.

4. Setting The Incidental Device
Setting the ON/OFF status of the center guide
❶ held pressed for three second. The “mode screen” is displayed.
- Select “14. Incidental device setting”.

- The “Incidental device setting screen” is displayed. When the device setting of which is to be changed is selected, the setting screen for the selected device is displayed.
- Select “1. Center guide” to display the “Center guide setting screen”.

- Select “H001 Function ON/OFF” to display the “Center guide function ON/OFF setting screen”.

- Select ON/OFF status of the function.
- Press
❷ to confirm the setting.
- Press
❸ to display the sewing data edit screen.
- Press
❹ to display the “S056 center guide”.
- Then, set the ON/OFF status of the center guide.
- Press
❺ to confirm the value you have entered. - Press
❻ to display the sewing screen.
If the pneumatic center guide does not function just by setting its ON/OFF status, set the optional input/ output of the center guide as described in the next paragraph to enable the function of the pneumatic center guide.
Setting the optional input for the the center guide
Assign the switching function of the center guide to the 6-gang switch.
❶ held pressed for three second. The “mode screen” is displayed.
- Select “19. Optional I/O setting”.

- Select “1. Optional input setting”.

- Select “INPUT6. Thread clamp switch input”.

- Select “i62. Center guide input”.
- Press
❷ to confirm the selection.
Setting the optional output for the center guide
- Select “2. Optional output setting”.

- Select “OUTPUT11. Function is not provided”.

- Select “o25. Center guide”.
- Press
❶ to confirm the selection.




❶ held pressed for three second. The “mode screen” is displayed.



❷ to confirm the setting.

❹ to display the “S056 center guide”.

























