MITSUBISHI ELECTRIC PLK-G2010R Industrial Sewing Machine

FOR SAFE USE
Before the installation, operation, and inspection for this product, read the “FOR SAFE USE” and the technical manuals carefully. Also read the other technical manuals, “Control Unit” and “Operation Panel” describing some instructions, which are not in this manual, and use the sewing machine properly.
SAFETY INDICATIONS
DANGER
Indicates that incorrect handling may cause hazardous conditions, resulting in death or severe injury.
CAUTION
Indicates that incorrect handling may cause hazardous conditions, resulting in medium or slight personal injury or physical damage. Note that CAUTION level may lead to a serious consequence according to the circumstances. Always follow the instructions of both levels because they are important to personal safety.
CAUTION INDICATIONS
| No. | Caution indication | Description |
| 1 | ![]() | Precaution for sewing machine operation: Indicates that removing the safety and operating the sewing machine for some other purposes with power-on are prohibited. l Please do not operate the sewing machine without protective equipment such as a needle guard, an eye guard, a belt cover or the others. l Please turn off the power switch when threading, changing a needle and a bobbin, cleaning, and lubricating. |
| 2 | ![]()
| Caution for fingers injury: Indicates a possibility of fingers (hands) injury in a certain condition. |
| 3 |
| Caution for squeezing fingers: Indicates a possibility of squeezing fingers in a certain condition. |
| 4 | ![]() | Indication of pulley rotation direction: Indicates a normal pulley rotation direction of sewing machine. (For sewing machine with pulley) |
SAFETY PRECAUTIONS
DANGER
To prevent from receiving an electric shock, always turn off a power switch and unplug power supply when opening a control box, and then open after ten minutes passes.
CAUTION
USAGE ENVIRONMENT
Please do not operate the sewing machine under the following conditions.
- In the ambient temperature of 35 degrees (95°F) or more than 35 degrees, or the ambient temperature of 5 degrees or less than 5 degrees (41°F).
- In the ambient temperature of 55 degrees (131°F) or more than 55 degrees, or the ambient temperature of -10 degrees or less than -10 degrees (18°F) during transportation.
- In the relative humidity exceeding 85% or less than 45%.
- In the open-air place or the location that receives direct sunlight.
- In the place near heat sources such as heating devices.
- In the atmosphere filled with dust, explosive gas, or corrosive gas.
- In the place where the fluctuation in the power voltage of 10% or more than 10%, or the power voltage of -10% or less than -10% of the fixed power voltage.
- In the place where the power source cannot supply enough voltage to keep the motor running.
- In the place filled with strong electric noises such as high-frequency welders.
INSTALLATION
- Please have some specialists, who have enough experience for the sewing machine installations, install the sewing machine.
- Please have a qualified electrician perform necessary electric wiring.
- Please do not operate until the sewing machine is repaired when any damage or fault is found on the sewing machine at the installation.
- Please do not refurbish the sewing machine.
- The sewing machine is heavy. For the safety, please make sure to install the sewing machine head by more than one person.
- When tilting the sewing machine, please stand at the hinge side and hold the sewing machine with both hands. Also, please lock the caster on the steel stand
- When tilting the sewing machine, the work clamp slides toward the hinges. Remember to move the work clamps fully to the right side of the casting before placing the sewing head in the sewing position.
- Please lock the caster on the steel stand to prevent the machine from moving before tilting the sewing machine.
- Please make sure to fit the safety protective equipment (the motor cover or the others) and the accessory protective equipment (the eye guard) that removed temporarily for installation.
- If the table and the steel stand are not MITSUBISHI original, the table and the steel stand have to be strong enough to withstand the weight and vibration of the sewing machine.
- When fitting the caster to the steel stand that are not MITSUBISHI original, the caster with locking function has to be strong enough to withstand the weight and vibration of the sewing machine.
SEWING
- Please make sure to turn the power switch off before installing or replacing needles.
- Please pay attention for the fingers not to be injured by the needlepoint.
- Please make sure to turn power switch off before lubricating.
- Please pay attention that oil does not get on your skin or in your eyes as it may cause an inflammation.
- Please make sure to keep oil out of the reach of children who may drink oil by mistake.
- Please make sure to turn the power switch off before threading a needle.
- Before starting the sewing, please make sure the position and the function of the halt switch.
- Please do not touch the operating parts during sewing operation.
- It is very dangerous to operate the sewing machine without safety guards (eye guards, belt covers, link covers, finger guards or the others).
Please make sure to operate the sewing machine with safety guards. - Please make sure to turn the power switch off when stopping the sewing machine temporarily.
ADJUSTMENT
- Please make sure to turn the power switch off before adjusting the sewing machine.
- If the adjustment is required while the power switch on, do not step on the footswitch by mistake.
- Please be careful not to be injured by a sharp part such as the needle and the shuttle hook point.
- Please make sure to put the safety guards (eye guards, belt guards, link covers, and finger guards or the others) back on the initial position after the sewing machine adjustment.
- Please make sure to lock the caster on the table when tilting the sewing machine.
STRUCTURE OF THE SEWING MACHINE
PLK-G2010R electronic pattern sewing machine consists of the following main parts.

<1>: Sewing machine head <2>: Main shaft motor <3>: Halt switch <4>: Control box
<5>: Operation panel <6>: Work holder foot switch <7>: Start foot switch <8>:Gas spring <9>: Steel stand <10>: Thread stand <11>: Work holder pedal (Option)
INSTALLATION
CAUTION
- Please have some specialists, who have enough experience for the sewing machine installations, install the sewing machine.
- Please have a qualified electrician perform necessary electric wiring.
- Please do not operate until the sewing machine is repaired when any damage or fault is found on the sewing machine at the installation.
- Please do not refurbish the sewing machine.
- If the table and the steel stand are not MITSUBISHI original, the table and the steel stand have to be strong enough to withstand the weight and vibration of the sewing machine.
- When fitting the caster to the steel stand that are not MITSUBISHI original, the caster with locking function has to be strong enough to withstand the weight and vibration of the sewing machine.
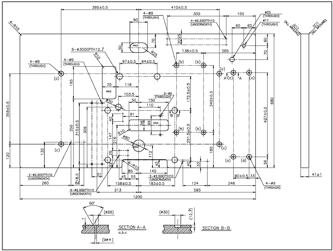
Preparation of the table
- If the table is not MITSUBISHI original, the thickness of the table is required to have 40mm and that is strong enough to withstand the weight and vibration of the sewing machine.
- Manufacture the table as shown on the figure below.

Preparation of the steel stand

- If the steel stand is not MITSUBISHI original, please refer to the dimensions shown on the figure at the right.
- When fitting the caster to the steel stand, the steel stand has to be strong enough to withstand the weight and vibration of the sewing machine.
- If the steel stand is MITSUBISHI PLK-G2516R original, assemble the steel stand with the assembling instructions enclosed in the packing.
Preparation of the steel stand

- If the steel stand is not MITSUBISHI original, please refer to the dimensions shown on the figure at the right.
- When fitting the caster to the steel stand, the steel stand has to be strong enough to withstand the weight and vibration of the sewing machine.
- If the steel stand is MITSUBISHI PLK-G2516R original, assemble the steel stand with the assembling instructions enclosed in the packing.
Installation of the control box
Install the control box with the instructions in the paragraph “[3] Installation” in the technical manual.
For connector location see page 7, Section 3-10 of this catalog.
Installation of the operation panel
Connect the operation panel PLK-G-PAL with the CON A on the rear of the control box. * See page 7 for the location.
Installation of the power switch and footswitch
- Mount the power switch (No.1) with the wood screw (No.2) at the position as shown on the figure.
- Hook up the connector (No.3) of the power switch to the control box CON B.
- Attach the power plug (No.5) to the incoming electrical cable (No.4).
- Fix the electric cables with the staples (No.6) to prevent the cables from hanging down.
- Hook up the connector (No.8) of the footswitch (No.7) to the control box CON H.
- As for the control box connector, refer to the instructions in the paragraph “3-10.Connection of the electric cables” in this manual.
[Notice] Power plug (No.5) is not included in the accessory box.

Installation of the oil pan
- Remove the oil pan A (No.1) from the accessory box then, set the oil bottle (No.2) to the oil pan A (No.1).
- Put the oil pan at the position shown on the figure then, fix the oil pan with staples (No.3).
- Set the damper cushions (No.4) to the table.
![MITSUBISHI ELECTRIC PLK-G2010R Industrial Sewing Machine-9]](https://static-data1.manualsee.com/1/img/450/3161800/2022/05/MITSUBISHI-ELECTRIC-PLK-G2010R-Industrial-Sewing-Machine-9.png)
Installation of the machine head
CAUTION
- The sewing machine is heavy. For the safety, please make sure to install the sewing machine head by more than one person.
- When tilting the sewing machine, please stand at the hinge side and hold the sewing machine with both hands. Also, please lock the caster on the steel stand.
- When tilting the sewing machine, the work clamp slides toward the hinges. Remember to move the work clamps fully to the right side of the casting before placing the sewing head in the sewing position.
- Put the machine head carefully on the damper cushion.
- Insert the hinge shafts (No.1) into the hole on the machine then, fix it to the machine with set screws (No.2).
- Fit the hinge rubbers (No.4) and the support plates (No.5) into the holes of the hinges (No.3) then, set the hinges to the hinge shafts.
- Fit the screw holes of the hinges (No.3) to the bolt setting holes then, fix the machine with the socket bolts (No.6) and the flat washers (No.7).
- Fix the headrest (No.8) with safety socket bolts (No.9).

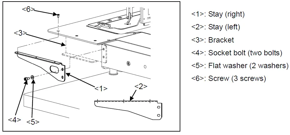
Installation of the stays
- Remove the bracket (No.3) after installing the machine head.
- Fix the stay (right) (No.1) with the socket bolts (No.4), the flat washers (No.5), and the screws (No.6).
- Attach the stay (left) (No.2) to the other side by the same procedure.

Installation of the tilting detect switch
- Install the switch unit (No.1) with the SW-MW screws (No.2) so that the switch turns on when the machine head in the initial position is pushed by the machine table.
NOTE
The switch unit (No.1) is temporarily fixed at the backside of the sewing machine bed. Fix it to the proper place as shown on the right figure.

<1>: Switch unit
<2>: SW-MW screw (two screws)
Installation of the eye guard
- Loosen the SW-MW screws (No.2) on the eye guard unit (No.1) then, mount the SW-PW screws (No.3) to the flat place of the sewing machine with the open guard.
- Return the open guard to the initial position then, tighten the SW-MW screws (No.2).

<3>: SW-PW screw (two screws)
Connection of the electric cables
CAUTION
- Please make sure to ground the place where there is a mark. Failure to do so may cause electric shock and/or malfunction.
- Connect the machine head and the control box with cables as shown on the figure.
- Hold the dangling cables under the table with accessory tie holders (MB60A0420) and cord ties (MB60A0201). At this time, please check whether the cables are not pulled when tilting the sewing machine. There are wood screw prepared holes for the tie holders (MB60A0420) on the rear surface of the table.

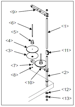
Installation of the thread stand
- Assemble the parts (No.1 to No.11) of the thread stand as shown on the figure.
- Fit the thread stand into the hole at the far right on the table stand with the nut (No.13) and the washers (No.12).

Connection of the air tube
- Remove the stepping motor cover.
- Attach the air presser regulator assembly (No.1) underneath the table with the wood screws (No.2). The prepared holes are provided for the wood screws on the rear surface of the table.
- Cut the part of sizeφ8 air tube (No.3) enclosed in the accessory box into about 1-meter length then, insert one end of this air tube into the manifold air fitting (No.5). The manifold is jointed with the magnet valves (No.4) and located at the left side surface of the sewing machine head.
Beside, pass the other end of the air tube (No.3) through the cutout hole of the tabletop then, insert it into the air outlet fitting (No.6) of the cutout hole of the tabletop then, insert it into the air outlet fitting (No.6) of the air presser regulator (No.1). - Insert the one end of the resting air tube (No.3) into the intake air fitting (No.7) of the air coupling to be adopted with the air supply source provided in your factory.
One of the air couplings is enclosed in the accessory box.

LUBRICATION
CAUTION
- Please make sure to turn power switch off before lubricating.
- Please pay attention that oil does not get on your skin or in your eyes as it may cause an inflammation.
- Please make sure to keep oil out of the reach of children who may drink oil by mistake.
[Notice] Please make sure to lubricate when operating for the first time after the installation. Also, please make sure to check the amount of oil when the machine has not been used for a long time.
- The oil tanks are set at three places of the machine. Pour oil through the oil holes of (No.1 to No.3) to the oil tanks.
- The oil tank No.1 and No.2 have level marks (at the center of the tank). Running out the oil may cause the machine to make abnormal noise and seize up. When the amount of oil decreases to one-third or less than one-third, make sure to fill the tank with oil. Also, do not pour oil more than the level marks. When tilting the machine head, it may cause oil leak.
- The oil tank No.3 shows the oil amount by the tip of the indicator. The appropriate oil amount is between level marks (high and low red lines).
Initial setting of the control box
When using the sewing machine for the first time, the model and the language of the sewing machine in use have to be set.
Refer to the instructions in the paragraph “[6] Initial Setting of System (Model/language Setting)” in the CONTROL UNIT technical manual.























