aspar Mini Modbus 1TE User Manual
Thank you for choosing our product.
This manual will help you with proper support and proper operation of the device.
The information contained in this manual have been prepared with utmost care by our professionals and serve as a description of the product without incurring any liability for the purposes of commercial law.
This information does not release you from the obligation of own judgment and verification.
We reserve the right to change product specifications without notice.
Please read the instructions carefully and follow the recommendations contained therein.
WARNING!
Failure to follow instructions can result in equipment damage or impede the use of the hardware or software.
Safety rules
- Before first use, refer to this manual
- Before first use, make sure that all cables are connected properly
- Please ensure proper working conditions, according to the device specifications (eg: supply voltage, temperature, maximum power consumption)
- Before making any modifications to wiring connections, turn off the power supply
Module Features
Purpose and description of the module
The 1TE module allows you to measure the temperature with attached popular sensor Pt100, Pt500, Pt1000, Ni100, KTY81-110, NTC (Carel) and thermocouple (type
J, K, T, N, S, R, B). In addition, it is possible to measure voltages in the range 256mV (10μV resolution) and to 2048mV (100μV resolution) as well as the measurement of resistance to 8kΩ. In addition, the module has one configurable digital outputs (PNP or NPN).
Values are read via RS485 (Modbus), so we can easily integrate the module with popular PLCs, HMI or PC equipped with the appropriate adapter.
This module is connected to the RS485 bus with twisted-pair wire.
Communication is via MODBUS RTU or MODBUS ASCII. The use of 32-bit ARM core processor provides fast processing and quick communication. The baud rate is configurable from 2400 to 115200.
The module is designed for mounting on a DIN rail in accordance with DIN EN 5002.
The module is equipped with a set of LEDs used to indicate the status of inputs and outputs useful for diagnostic purposes and helping to find errors.
Module configuration is done via USB by using a dedicated computer program. You can also change the parameters using the MODBUS protocol.
Technical Specifications
| Power Supply | Voltage | 10-38VDC; 20-28 VAC |
| Maximum Current | 72 mA @ 12V / 40 mA @ 24V | |
| Inputs | No of inputs | 1 |
| Pt100 operation range | -200°C – +850°C | |
| Pt500 operation range | -200°C – +850°C | |
| Pt1000 operation range | -200°C – +850°C | |
| Ni100 operation range | -60°C – +180°C | |
| KTY81-110 operation range | -55°C – +150°C | |
| J thermocouple operation range | -200°C – +1200°C | |
| K thermocouple operation range | -200°C – +1300°C | |
| T thermocouple operation range | -200°C – +400°C | |
| N thermocouple operation range | -200°C – +1300°C | |
| S thermocouple operation range | -0°C – +1700°C | |
| R thermocouple operation range | -0°C – +1700°C | |
| B thermocouple operation range | -0°C – +1800°C | |
| Resistance | From 0 to 8000Ω (1Ω resolution) | |
| Voltage | 0 to 2048mV (0,1mV resolution) 0 to 256mV (0,01mV resolution) | |
| Resistance measuring current | ~250μA | |
| Measurement resolution | 0,1°C | |
| Measurement error | ±0,5°C | |
| Cold junction temperature measurement | -55°C – +100°C | |
| Measurement error of the cold junction temperature | ±2°C | |
| ADC processing time | 150ms | |
| Digital outputs | Maximum current and voltage | 250mA / 50V |
| Temperature | Work | -10 °C – +50°C |
| Storage | -40 °C – +85°C | |
| Connectors | Power Supply | 2 pin |
| Communication | 3 pin | |
| Inputs and outputs | 2 x 3 pin | |
| Configuration | Mini USB | |
| Size | Height | 90 mm |
| Length | 56 mm | |
| Width | 17 mm | |
| Interface | RS485 | Up to 128 devices |
Dimensions of the product
Look and dimensions of the module are shown below. The module is mounted directly to the rail in the DIN industry standard. Power connectors, communication and IOs are at the bottom and top of the module. USB connector configuration and indicators located on the front of the module
Communication configuration
Grounding and shielding
In most cases, IO modules will be installed in an enclosure along with other
devices which generate electromagnetic radiation. Examples of these devices are relays and contactors, transformers, motor controllers etc. This electromagnetic radiation can induce electrical noise into both power and signal lines, as well as direct radiation into the module causing negative effects on the system. Appropriate grounding, shielding and other protective steps should be taken at the installation stage to prevent these effects. These protective steps include control cabinet grounding, module grounding, cable shield grounding, protective elements for electromagnetic switching devices, correct wiring as well as consideration of cable types and their cross sections.
Network Termination
Transmission line effects often present a problem on data communication networks. These problems include reflections and signal attenuation.
To eliminate the presence of reflections from the end of the cable, the cable must be terminated at both ends with a resistor across the line equal to its characteristic impedance. Both ends must be terminated since the direction of propagation is bidirectional. In the case of an RS485 twisted pair cable this termination is typically 120 Ω.
Types of Modbus Registers
There are 4 types of variables available in the module
| Type | Beginning address | Variable | Access | Modbus Command |
| 1 | 00001 | Digital Outputs | BitRead & Write | 1, 5, 15 |
| 2 | 10001 | Digital Inputs | Bit Read | 2 |
| 3 | 30001 | Input Registers | Registered Read | 3 |
| 4 | 40001 | Output Registers | Registered Read & Write | 4, 6, 16 |
Communication settings
The data stored in the modules memory are in 16-bit registers. Access to registers is via MODBUS RTU or MODBUS ASCII.
Default settings
| Parameter name | Value |
| Address | 1 |
| Baud rate | 19200 |
| Parity | No |
| Data bits | 8 |
| Stop bits | 1 |
| Reply Delay [ms] | 0 |
| Modbus Type | RTU |
Configuration registers
| Modbus | Dec | Hex | Name | Values |
| Address | ||||
| 40003 | 2 | 0x02 | Baud rate | 0 – 24001 – 48002 – 96003 – 192004 – 384005 – 576006 – 115200other – value * 10 |
| 40005 | 4 | 0x04 | Parity | 0 – none1 – odd2 – even3 – always 14 – always 0 |
| 40004 | 3 | 0x03 | Stop Bits LSB | 1 – one stop bit 2 – two stop bits |
| 40004 | 3 | 0x03 | Data Bits MSB | 7 – 7 data bits8 – 8 data bits |
| 40006 | 5 | 0x05 | Response delay | Time in ms |
| 40007 | 6 | 0x06 | Modbus Mode | 0 – RTU1 – ASCII |
Indicators

| Indicator | Description |
| ON | LED indicates that the module is correctly powered. |
| TX | The LED lights up when the unit received the correct packet and sends the answer. |
| IN | LED indicates that the sensor is connected. |
| DO | LED indicates that the output is on. |
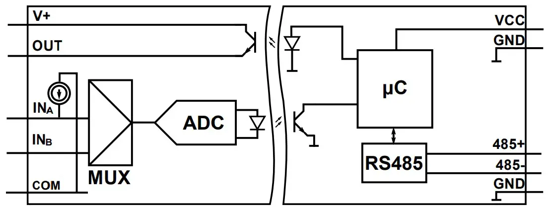
Block diagram
Module Connection

Modules Registers
Registered access
| Modbus | Dec | Hex | Register Name | Access | Description |
| 30001 | 0 | 0x00 | Version/Type | Read | Version and Type of the device |
| 30002 | 1 | 0x01 | Address | Read | Module Address |
| 40003 | 2 | 0x02 | Baud rate | Read & Write | RS485 baud rate |
| 40004 | 3 | 0x03 | Stop Bits & Data Bits | Read & Write | No of Stop bits & Data Bits (see 3.4.2) |
| 40005 | 4 | 0x04 | Parity | Read & Write | Parity bit |
| 40006 | 5 | 0x05 | Response Delay | Read & Write | Response delay in ms |
| 40007 | 6 | 0x06 | Modbus Mode | Read & Write | Modbus Mode (ASCII or RTU) |
| 40010 | 9 | 0x09 | Filter | Read & Write | Measurement filtering, value from 1 to 10 |
| 40033 | 32 | 0x20 | Received packets LSB | Read & Write | No of received packets |
| 40034 | 33 | 0x21 | Received packets MSB | Read & Write | |
| 40035 | 34 | 0x22 | Incorrect packets LSB | Read & Write | No of received packets with error |
| 40036 | 35 | 0x23 | Incorrect packets MSB | Read & Write | |
| 40037 | 36 | 0x24 | Sent packets LSB | Read & Write | No of sent packets |
| 40038 | 37 | 0x25 | Sent packets MSB | Read & Write | |
| 30051 | 50 | 0x32 | Inputs | Read | Connected sensorsBit in high state → sensor is connected |
| 40052 | 51 | 0x33 | Outputs | Read & Write | Alarms state bit 2 alarm output |
| 30053 | 52 | 0x34 | Temperature | Read | Temperature or measured analog in mV·10 for voltage to 2048mV in mV·100 for voltage to 256mV in °C·10 for temperaturein Ω for resistance |
| 30054 | 53 | 0x35 | Junction temperature | Read | Module junction temperature |
| 30055 | 54 | 0x36 | Measurement current | Read | Measurement current |
| 40056 | 55 | 0x37 | MAX alarm level | Read & Write | If the temperature exceeds this value the corresponding alarm flag is set |
| 40057 | 56 | 0x38 | MIN alarm level | Read & Write | If the temperature is below this value corresponding alarm flag is set |
| 40058 | 57 | 0x39 | Alarm settings | Read & Write | Alarm settings 0 – alarm due to the current temperature1 – Remember the value of the alarm, until reset by the master via Modbus |
| 40059 | 58 | 0x3A | Constant junction temperature | Read & Write | Value of junction temperature |
| 40060 | 59 | 0x3B | Junction temperature offset | Read & Write | Junction temperature offset |
| 40061 | 60 | 0x3C | Input settings | Read & Write | Analog input mode: 0 – input disabled1 – voltage to 2048mV 2 – voltage to 256mV 3 – J thermocouple4 – K thermocouple 5 – T thermocouple 6 – N thermocouple 7 – S thermocouple 8 – R thermocouple 9 – B thermocouple 10 – Pt100 3-wire 11 – Pt100 2-wire12 – resistance to 8kΩ 13 – Ni10014 – KTY81-11015 – Pt500 3-wire 16 – Pt500 2-wire 17 – Pt1000 3-wire 18 – Pt1000 2-wire19 – NTC Carel 2-wire1 +32 – junction temperature is taken from register 40081 “Constant junction temperature” |
| 40062 | 61 | 0x3D | Output settings | Read & Write | Alarm output settings 0 – output is set by PLC +256 – Output is set if value is greater than Alarm Value (register 40065) („cooling”)+512 – Output is set if value is less than Alarm Value ( register 40065) („heating”) |
| 40063 | 62 | 0x3E | Alarm Value | Read & Write | Alarm value for outputs |
| 40064 | 63 | 0x3F | Alarm hysteresis | Read & Write | The hysteresis value for alarm outputs |
| 40065 | 64 | 0x40 | Input resistance | Read & Write | Lead wire resistance for each input |
Bit access
| Modbus Address | Dec Address | Hex Address | Register name | Access | Description |
| 801 | 800 | 0x320 | Input | Read | Set when the sensor is connected |
| 817 | 816 | 0x330 | Alarm | Read | Alarm state |
| 818 | 817 | 0x331 | Digital output | Read & Write | State of digital output |
Sensor must be connected in paraller to resistor 7.5kΩ 1%
Configuration software
Modbus Configurator is software that is designed to set the module registers responsible for communication over Modbus network as well as to read and write the current value of other registers of the module. This program can be a convenient way to test the system as well as to observe real-time changes in the registers.
Communication with the module is done via the USB cable. The module does not require any drivers.
Configurator is a universal program, whereby it is possible to configure all available modules.
Manufactured for:
Aspars. c.
ul.Oilskin 112
80-209
Poland
[email protected]
www.ampero.eu
tel. +48 58 351 39 89; +48 58 732 71 73
Expansion Module – 1 temperature input, 1 digital output


















