Mini Modbus 4DI-M
Expansion Module – 4 digital inputs with counters memory
Version 1.4
User Manual
Thank you for choosing our product.
This manual will help you with proper support and proper operation of the device.
The information contained in this manual have been prepared with utmost care by our professionals and serve as a description of the product without incurring any liability for the purposes of commercial law.
This information does not release you from the obligation of own judgement and verification.
We reserve the right to change product specifications without notice.
Please read the instructions carefully and follow the recommendations contained therein.
WARNING!
Failure to follow instructions can result in equipment damage or impede the use of the hardware or software.
Safety rules
- Before first use, refer to this manual
- Before first use, make sure that all cables are connected properly
- Please ensure proper working conditions, according to the device specifications (eg: supply voltage, temperature, maximum power consumption)
- Before making any modifications to wiring connections, turn off the power supply
Module Features
2.1. Purpose and description of the module
4DI Module is an innovative device that provides a simple and cost-effective extension of the number of lines of input in popular PLCs.
The module has 4 digital inputs with configurable timer/counter option, which allow to connect two encoders. All inputs are isolated from the logic by optocouplers.
Each channel can be individually configured in one of several modes.
The module has a fast non-volatile FRAM memory that stores values of the counters and the counters captured. This means that even after a power failure, these values are stored and can further use when the power returns.
This module is connected to the RS485 bus with twisted-pair wire.
Communication is via MODBUS RTU or MODBUS ASCII. The use of 32-bit ARM core processor provides fast processing and quick communication. The baud rate is configurable from 2400 to 115200.
The module is designed for mounting on a DIN rail in accordance with DIN EN 5002.
The module is equipped with a set of LEDs used to indicate the status of inputs and outputs useful for diagnostic purposes and helping to find errors.
Module configuration is done via USB by using a dedicated computer program.
You can also change the parameters using the MODBUS protocol.
2.2. Technical Specifications
| Power Supply | Voltage | 10-38VDC; 20-28VAC |
| Maximum Current’ | 62 mA @ 12V / 35 mA @ 24V | |
| Digital Inputs | No of inputs | 4 |
| Voltage range | 0 — 36V | |
| Low State .0″ | 0 — 3V | |
| High State „1″ | 6 — 36V | |
| Input impedance | 4k0 | |
| Isolation | 1500 Vrms | |
| Input Type | PNP or NPN | |
| Counters | No | 4 |
| Resolution | 32 bits | |
| Frequency | lkHz (max) | |
| Impulse Width | 500 ps (min) | |
| Temperature | Work | -10 °C – +50°C |
| Storage | -40 °C – +85°C | |
| Connectors | Power Supply | 3 pin |
| Communication | 3 pin | |
| Inputs | 2 x3 pin | |
| Configuration | Mini USB | |
| Size | Height | 90 mm |
| Length | 56 mm | |
| Width | 17 mm | |
| Interface | RS485 | Up to 128 devices |
* Maximum current with active Modbus transmission and high state on all inputs
2.3. Dimensions of the product
Look and dimensions of the module are shown below. The module is mounted directly to the rail in the DIN industry standard. 
Communication configuration
3.1. Grounding and shielding
In most cases, IO modules will be installed in an enclosure along with other devices which generate electromagnetic radiation. Examples of these devices are relays and contactors, transformers, motor controllers etc. This electromagnetic radiation can induce electrical noise into both power and signal lines, as well as direct radiation into the module causing negative effects on the system. Appropriate grounding, shielding and other protective steps should be taken at the installation stage to prevent these effects. These protective steps include control cabinet grounding, module grounding, cable shield grounding, protective elements for electromagnetic switching devices, correct wiring as well as consideration of cable types and their cross sections.
3.2. Network Termination
Transmission line effects often present a problem on data communication networks. These problems include reflections and signal attenuation.
To eliminate the presence of reflections from the end of the cable, the cable must be terminated at both ends with a resistor across the line equal to its characteristic
impedance. Both ends must be terminated since the direction of propagation is bidirectional.
In the case of an RS485 twisted pair cable this termination is typically 120 Ω.
3.3. Types of Modbus Registers
There are 4 types of variables available in the module
| Type | Beginning address | Variable | Access | Modbus Command |
| 1 | 1 | Digital Outputs | Bit Read & Write | 1′ 5′ 15 |
| 2 | 10001 | Digital Inputs | Bit Read | 2 |
| 3 | 30001 | Input Registers | ||
| Registered Read | 3 | |||
| 4 | 40001 | Output Registers | Registered Read & Write | 4′ 6, 16 |
3.4. Communication settings
The data stored in the modules memory are in 16-bit registers. Access to registers is via MODBUS RTU or MODBUS ASCII.
3.4.1. Default settings
| Parameter name | Value |
| Address | 1 |
| Baud rate | 19200 |
| Parity | No |
| Data bits | 8 |
| Stop bits | 1 |
| Reply Delay [ms] | 0 |
| Modbus Type | RTU |
3.4.2. Configuration registers
| Modbus | Dec | Hex | Name | Values |
| Address | ||||
| 40003 40005 | 2 | 0x02 | Baud rate | 0 – 2400 1 – 4800 2 — 9600 3 — 19200 4 – 38400 5 – 57600 6 – 115200 other – value * 10 |
| 4 | 0x04 | Parity | 0 – none 1 – odd 2 – even 3 — always 1 4 – always 0 | |
| 40004 | 3 | 0x03 | Stop Bits LSB | 1 2 – one stop bit – two stop bits |
| 40004 | 3 | 0x03 | Data Bits MSB | 7 – 7 data bits8 – 8 data bits |
| 40006 | 5 | 0x05 | Response delay | Time in ms |
| 40007 | 6 | 0x06 | Modbus Mode | 0 – RTU 1 -ASCII |
Indicators

| Indicator | Description |
| ON | LED indicates that the module is correctly powered. |
| TX | The LED lights up when the unit received the correct packet and sends the answer. |
| 1, 2, 3, 4 | LED indicates that on the input is high state. |
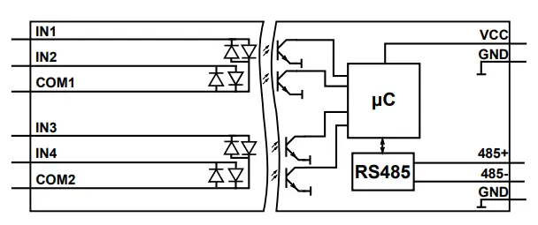
Block diagram

Module Connection
Input connection
Modules Registers
7.1. Registered access
| Modbus | Dec | Hex | Register Name | Access | Description |
| 30001 | 0 | Ox00 | Version/Type | Read | Version and Type of the device |
| 30002 | 1 | 0x01 | Address | Read | Module Address |
| 40003 | 2 | 0x02 | Baud rate | Read & Write | RS485 baud rate |
| 40004 | 3 | 0x03 | Stop Bits & Data Bits | Read & Write | No of Stop bits & Data Bits (see 3.4.2) |
| 40005 | 4 | 0x04 | Parity | Read & Write | Parity bit |
| 40006 | 5 | 0x05 | Response Delay | Read & Write | Response delay in ms |
| 40007 | 6 | 0x06 | Modbus Mode | Read & Write | Modbus Mode (ASCII or RTU) |
| 40009 | 8 | 0x08 | Watchdog | Read & Write | Watchdog |
| 40033 | 32 | 0x20 | Received packets LSB | Read & Write | No of received packets |
| 40034 | 33 | 0x21 | Received packets MSB | Read & Write | |
| 40035 | 34 | 0x22 | Incorrect packets LSB | Read & Write | No of received packets with error |
| 40036 | 35 | 0x23 | Incorrect packets MSB | Read & Write | |
| 40037 | 36 | 0x24 | Sent packets LSB | Read & Write | No of sent packets |
| 40038 | 37 | 0x25 | Sent packets MSB | Read & Write | |
| 30051 | 50 | 0x32 | Inputs | Read | Inputs state |
| 40053 | 52 | 0x34 | Counter 1 LSB | Read & Write | 32-bit counter 1 |
| 40054 | 53 | 0x35 | Counter 1 MSB | Read & Write | |
| 40055 | 54 | 0x36 | Counter 2 LSB | Read & Write | 32-bit counter 2 |
| 40056 | 55 | 0x37 | Counter 2 MSB | Read & Write | |
| 40057 | 56 | 0x38 | Counter 3 LSB | Read & Write | 32-bit counter 3 |
| 40058 | 57 | 0x39 | Counter 3 MSB | Read & Write | |
| 40059 | 58 | Ox3A | Counter 4 LSB | Read & Write | 32-bit counter 4 |
| 40060 | 59 | Ox3B | Counter 4 MSB | Read & Write | |
| 40061 | 60 | Ox3C | CCounter 1 LSB | Read & Write | 32-bit value of captured counter 1 |
| 40062 | 61 | Ox3D | CCounter 1 MSB | Read & Write | |
| 40063 | 62 | Ox3E | CCounter 2 LSB | Read & Write | 32-bit value of captured counter 2 |
| 40064 | 63 | 0x3F | CCounter 2 MSB | Read & Write | |
| 40065 | 64 | 0x40 | CCounter 3 LSB | Read & Write | 32-bit value of captured counter 3 |
| 40066 | 65 | 0x41 | CCounter 3 MSB | Read & Write | |
| 40067 | 66 | 0x42 | CCounter 4 LSB | Read & Write | 32-bit value of captured counter 4 |
| 40068 | 67 | 0x43 | CCounter 4 MSB | Read & Write | |
| 40069 | 68 | 0x44 | Counter Confg 1 | Read & Write | Counter Configuration +1 — time measurement (if 0 counting impulses) +2 — autocatch counter every 1 sec +4 — catch value when input low +8 — reset counter after catch +16 — reset counter if input low +32 — encoder |
| 40070 | 69 | 0x45 | Counter Confg 2 | Read & Write | |
| 40071 | 70 | 0x46 | Counter Confg 3 | Read & Write | |
| 40072 | 71 | 0x47 | Counter Confg 4 | Read & Write | |
| 40073 | 72 | 0x48 | Catch | Read & Write | Catch counter |
| 40074 | 73 | 0x49 | Status | Read & Write | Captured counter |
7.2. Bit access
| Modbus Address | Dec Address | Hex Address | Register name | Access | Description |
| 10801 | 800 | 0x320 | Input 1 | Read | Input 1 state |
| 10802 | 801 | 0x321 | Input 2 | Read | Input 2 state |
| 10803 | 802 | 0x322 | Input 3 | Read | Input 3 state |
| 10804 | 803 | 0x323 | Input 4 | Read | Input 4 state |
| 1153 | 1152 | 0x480 | Capture 1 | Read & Write | Capture counter 1 |
| 1154 | 1153 | 0x481 | Capture 2 | Read & Write | Capture counter 2 |
| 1155 | 1154 | 0x482 | Capture 3 | Read & Write | Capture counter 3 |
| 1156 | 1155 | 0x483 | Capture 4 | Read & Write | Capture counter 4 |
| 1169 | 1168 | 0x490 | Captured 1 | Read & Write | Captured value of counter 1 |
| 1170 | 1169 | 0x491 | Captured 2 | Read & Write | Captured value of counter 2 |
| 1171 | 1170 | 0x492 | Captured 3 | Read & Write | Captured value of counter 3 |
| 1172 | 1171 | 0x493 | Captured 4 | Read & Write | Captured value of counter 4 |
Configuration software
Modbus Configurator is software that is designed to set the module registers responsible for communication over Modbus network as well as to read and write the current value of other registers of the module. This program can be a convenient way to test the system as well as to observe real-time changes in the registers.
Communication with the module is done via the USB cable. The module does not require any drivers.
Configurator is a universal program, whereby it is possible to configure all available modules.
Manufactured for:
Aspar s.c.
ul. Oliwska 112
80-209 Chwaszczyno
Poland
[email protected]
www.ampero.eu
Tel. +48 58 351 39 89; +48 58 732 71 73


















