
2.45K3 Home Energy Storage
Installation Guide
Wall mounting
- Determine the bracket mounting place to be fixed using this Positioning cardboard.

- Drill holes in the wall for the M8 expansion screw anchors, which depth should be at least 50 mm. Tighten the screws to a torque of around 2.5 N.m.

- Fasten the battery to the bracket and fastens the hole with M6 screws with 2.0N. m roughly.

- Meanwhile, two or four batteries could be installed by these brackets.

Note: If more than 4 batteries are installed, a cabinet is recommended to be selected for the battery’s stability.
Ground installation
- Fix the braced feet to the battery’s mounting holes one by one.

- If more power and energy are needed, two or more (less than 4) batteries could be installed in one stack.

- But if the number of batteries at the range of 4-8, a cabinet recommended to be selected

Address select of Master and Slave battery(ies) connection

Warning: Please make sure the SW2 DIP switch is selected correctly, if the battery is connected in Parallel mode, selecting SW2 DIP8 at the ON position, probably leads to a serious fault even dangerously. Meanwhile, if the battery is connected in Series mode select SW2 DIP8 at OFF status, serious faults and dangers probably occurred.
For Series&Parallel connection, please set the DIP switches as per the below list.



Cable connections
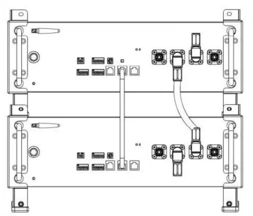
4.1Cable connection for Series connection(Ground installation)
Warning: Before connecting the battery with the inverter, please make sure that no inverter is connected or the inverter is turned off.
Note: The voltage difference of each battery should be less than 100mV.
- Feed a data cable to the M/S communication terminal interface one by one directly.

- If more than 4 batteries were installed, a cabinet was recommended.

4.2 Cable connection for Series connection( Wall mounting)
For wall mounting, the battery Series connection number should be less than 4, if more batteries are installed, a cabinet was recommended.
Note: If the battery is connected in Series mode, if s better to be installed in the Ground installation method, for the Power cable resistance difference between the stack and battery pack, which will have a fade effect on voltage balance.
Cable connection for Parallel connection
5.1 Ground installation
For parallel installation, please pay attention to the Cable connection, and the 01P8 of SW2 not need to be changed and stayed in the Initial Factory state.
5.2 Wall mounting
For wall mounting. the battery Series connection number should be less than 4, if more batteries are installed, a cabinet was recommended.
Note: Before two or more batteries are installed in parallel, please check the voltage of each battery and make sure the voltage different less than 2.0V.
Configuration
6.1 Settings for CAN /485 bus pins
SW1, SW4, and SW5 should be set correctly for proper communication between the inverter and the battery.
SW1: For CAN communication, please set pint and pin2 at on, pin3 and pin4 at off For 485 communication, please set pint and pin2 at off, pin3 and pin4 at on SW4, SW5: Please use them to set the port of 1145 Low signal (CAN) / 8 (485) SW4 High signal (CAN) /A (485)–SWS
Example (above picture ): CAN communication, port 5 of R145 is a low signal, and port 4 of R145 is a High signal.
Note: The battery default protocol is CAN bus, if an inverter communication mode is an RS485 or other protocol, please contact the GSmart hotline at 4001018585 before installing the battery.
Commissioning
7.1Commissioning battery
If there is only one battery installed, use the following steps to put it in operation:
- Press and hold the panel button on the left side of the unit for about 5s, after the indicator lights on, release the panel button.
- Make sure that the Run light is on. If it stays off, do not use the battery and contact GSmart 4001018585 or your distributor.
- Turn the inverter on, and wait for the start-up sequence to complete fully.
When there are two or more batteries connected with parallel mode, after the charging cable and the data cable has been connected correctly, follow these steps to put them in operation:
- Check battery voltage level is above 48V a)lf the battery voltage is under 4W contact your distributor or GSmart after-service hotline for help.
- Press and HOLD the panel button for about 5s, then the indicator lights will turn on.
- Release the panel button.
a)For all batteries, make sure that the Run light is on.
b)Make sure the maximum voltage difference between batteries is less than 2.0V
c)If not, the installer should balance the battery voltage and then parallel connect the batteries together.
d)Set the DIP switches like part 6.1 Setting for the communication interface. - Tum the inverter on, and wait for the start-up sequence to complete fully.
7.2 Shutting down the battery
- Press and hold the Panel Button about Ss, after a disconnected voice of the relay come can release it
- Make sure that every light on the battery is off.
Note: A breaker between the GBL2.45K3 battery and inverter was recommended to install, and the breaker’s min. current should be over 150A or follow local regulations.
Quick Installation Guide
Model: GBL2.45K3






















