

Mini Inverter Plus Heat Pump
Model: WMIP-003/004/006![]()
Installation & Operation Manual
Thank you very much for purchasing our product, please keep and read this manual carefully before you install a heat pump.
Fluorinated greenhouse gas – (R32)
The device contains the fluorinated greenhouse gas (R32) which is required for the device to work.
| Industrial designation Common designation Global warming potential (GWP) | HFC-32 R32 675 |
Further information can be found on the device itself or the Specifications.
WARNING!
Risk of fire and explosion through leaking finned heat exchanger!
The refrigerant circuit of the finned heat exchanger contains highly pressurized, easily flammable, odorless gas. Risk of fire and explosion in the event of uncontrolled gas leakage.
- The action of filling gas must be conducted by a professional with an R32 operating license.
- Keep the heat pump away from heat sources and naked flames.
- Do not drill into or scorch the heat pump.
- Do not use any objects apart from those permitted by the manufacturer to speed up the defrosting process.
- Immediately shut off the heat pump if you suspect a gas leakage.
- The refrigerant is odorless. Always keep ignition sources away from the installation site of the heat pump.
- Contact an authorized expert if you suspect a gas leakage.
WARNING!
Risk of electric shock!
A faulty electrical installation or a mains voltage that is too high can lead to electric shock.
- Have the installation, initial start-up, and maintenance of the heat pump carried out by authorized technicians only.
- Please always cut the power supply if you want to open the cabinet to reach inside the heat pump as there is high voltage electricity inside.
- Only start work on the heat pump after checking all safety regulations.
- Only connect the heat pump if the mains voltage from the power socket matches the voltage indicated on the rating plate.
- Do not operate the heat pump if there is visible damage or the mains cable or the mains plug is defective.
- Do not open the housing. Leave repairs to qualified specialists.
Liability and warranty claims are excluded in the event of repairs carried out on your own, or improper operation. - Ensure that children do not insert any objects into the fan blade and heat pump.
- Ensure that the electrical system to which the heat pump is connected has an earth conductor.
- If the unit would be installed where is vulnerable to lightning stroke, lightning protection measurements must be carried out.
WARNING!
- The manufacturer declines any responsibility for the damage caused to the people, objects, and the errors due to the installation that disobeys the annual guideline. Any use that is without conformity at the origin of its manufacturing will be regarded as dangerous.
- Please always keep the heat pump in the ventilation place and away from anything which could cause a fire.
- Don’t weld the pipe if there is refrigerant inside the machine. Please keep the machine out of the confined space when making the gas filling by the authorized technician.
- Please always empty the water in the heat pump during winter time or when the ambient temperature drops below 0℃, or else the Titanium exchanger will be damaged because of being frozen, in such case, it will be out of warranty for this machine.
Specifications
1.1 Technical data pool heat pumps
Model No. | WMIP-003 | WMIP-004 | WMIP-006 |
| * Heating Capacity at Air 26r Humidity 80%, Water 26r in, 28°C out | |||
| Heating Capacity (kW) | 3.0~095 | 4.5~1.2 | 6.0~1.5 |
| Power Input (kW) | 0.55~0.1 | 0.73~0.12 | 1.1~0.16 |
| COP | 9.5~5.5 | 10~5.5 | 9.4~5.5 |
| * Heating Capacity at Air 13°C Humidity 70%, Water 26r in, 28r out | |||
| Heating Capacity (kW) | 2.20~66 | 3.20~84 | 4.3~1.0 |
| Power Input (kW) | 0.5~0.11 | 0.73~0.14 | 0.98~0.17 |
| COP | 6.0~4.4 | 6.0~4.4 | 6.0~4.4 |
| * General data | |||
| Power supply | 220–240V/1/50Hz | ||
| Max Power Input (kW) | 0.80 | 1.20 | 1.60 |
| Max Current (A) | 4.1 | 6.2 | 7.5 |
| Water Flow Volume (m3/h) | 1.5 | 2.0 | 2.5 |
| Advised pool size m3 (With pool cover) | 0~10 | 5~16 | 8~20 |
| Refrigerant | R32 | ||
| Heat Exchanger | Screwed titanium tube | ||
| Water connection (mm) | 32/38 | ||
| Air Flow Direction | Horizontal | ||
| Kind of defrosting | by 4-way valve | ||
| Water temp. in heating (°C) | 15~40 | ||
| Water temp. in cooling (°C) | 8~28 | ||
| Working temp. range (°C) | -7~43 | ||
| Casing Material | ABS | ||
| Waterproof level | IPX4 | ||
| Noise level dB(A) 10m | 24~30 | 25~31 | 26~32 |
| Noise level dB(A) lm | 39~45 | 40~46 | 41~47 |
| Net Weight (kg) | 27 | 28 | 30 |
| Gross Weight (kg) | 29 | 30 | 32 |
| Net Dimensions (mm) | 420*360*490 | ||
| Package Dimensions (mm) | 480*435*520 | ||
*Above data is subject to modification without prior notice.
Dimension (mm)

Installation and connection
Attention:
Please observe the following rules when installing the heat pump:
- Any addition of chemicals must take place in the piping located downstream from the heat pump.
- Always hold the heat pump upright. If the unit has been held at an angle, wait at least 24 hours before starting the heat pump.
3.1 Heat pump location
The unit will work properly in any desired location as long as the following three items are present:
1. Fresh air – 2. Electricity – 3. Swimming pool filters
The unit may be installed in virtually any outdoor location as long as the specified minimum distances to other objects are maintained. Please consult your installer for installation with an indoor pool.
ATTENTION: Never install the unit in a closed room with a limited air volume in which the air expelled from the unit will be reused, or close to shrubbery that could block the air inlet. Such locations impair the continuous supply of fresh air, resulting in reduced efficiency and possibly preventing sufficient heat output.
3.2 Initial operation
Note: In order to heat the water in the pool (or hot tub), the filter pump must be running to cause the water to circulate through the heat pump. The heat pump will not start up if the water is not circulating.
3.3 Electrical connection
Before connecting the unit, verify that the supply voltage matches the operating voltage of the heat pump.

The RCD plug has been included with a power cable, which can offer electrical protection.
Attention:
| Ensure the power plug is secure the plug is not secure, it may cause an electric shock, overheating, or fire | Never pull out the power plug during operation | Never use damaged electric wires or unspecified electric wires. Otherwise, it may cause an electric shock or a fire. |
![]() | ![]() | ![]() |
After all, connections have been made and checked, carry out the following procedure:
- Switch on the filter pump. Check for leaks and verify that water is flowing from and to the swimming pool.
- Connect power to the heat pump and press the On/Off button on the electronic control panel. The unit will start up after the time delay expires (see below).
- After a few minutes, check whether the air blowing out of the unit is cooler.
- When turn off the filter pump, the unit should also turn off automatically. ending on the initial temperature of the water in the swimming pool and the air temperature, it may take some time to heat the water to the desired temperature. A good swimming pool cover can dramatically reduce the required ength of time.
Time delay –
The heat pump has a built-in 3-minute start-up delay to protect the circuitry and avoid excessive contact wear. The unit will restart automatically after this time delay expires.
If first power on or additional power interruptions, the heat pump starts 10s later after pressing ‘ON/OFF’ button.
3.4 Condensation
The air drawn into the heat pump is strongly cooled by the operation of the heat pump for heating the pool water, which may cause condensation on the ins of the evaporator. The amount of condensation may be as much as several litters per hour at high relative humidity. This is sometimes mistakenly regarded as a water leak. Please you can use the drainage jet and hose at the bottom of the machine to drain the condensation water. See below.

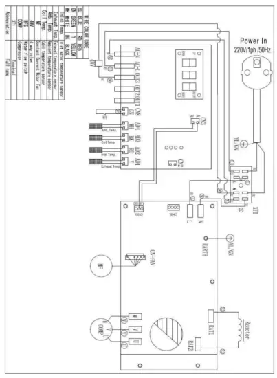
Electrical wiring
4.1 Swimming pool heat pump wiring diagram
NOTE:
- Above electrical wiring diagram only for your reference, please subject machine posted the wiring diagram.
- The swimming pool heat pump must be connected to the ground wire well, although the unit heat exchanger is electrically isolated from the rest of the unit. rounding the unit is still required to protect you against short circuits inside the unit. Bonding is also required. Disconnect: A disconnecting means (circuit reaker, fused or un-fused switch) should be located within sight of and readily accessible from the unit. This is common practice on commercial and residential heat pumps. It prevents remotely-energizing unattended equipment and permits turning off the power at the unit while the unit is being serviced.
Display controller operation
5.1 The interface of LED wire controller

- When the heat pump is running or on standby, the display shows the water inlet temperature.
- When the heat pump is Power-on, the display shows ‘OFF’
will light on when the machine is under Heating mode.
will light on when the machine is under Cooling mode.
will flash when the machine is under defrosting.
5.2 Turn on/off the heat pump
Hold
for 2 seconds to turn on/off the heat pump
NOTE: There is 3 min of time-delay protection for the compressor.
NOTE: the heat pump can run only if the water circle/filtration system is running.
5.3 Switch Heating & Cooling mode
Under main interface, press
to switch Heating & Cooling mode.
5.4 Set the desired water temperature
When the machine is under main interface in Heating or Cooling mode, press
directly to adjust
the desired water temperature, the data will be saved in 3 seconds or you can press
to save the data.
5.5 Real data checking
Hold
for 3 seconds to enter the real running data checking.
Press
or to check below parameters, press![]()
to check the data of the selected parameter,press
again to return back. Press
to return back the main interface.
| Parameter | Name |
| A01 | Inlet water temp. |
| A03 | Ambient temp. |
| A04 | Exhaust temp. |
| A06 | Piping system temp. |
| A10 | Compressor current |
| All | Radiator temp. |
| Al2 | DC bus voltage |
| A13 | Compressor speed |
| A14 | PCB current |
| Al5 | DC fan motor speed |
NOTE: The other parameters which are not shown on the below sheet are for reservation, no real function.
5.6 Parameters checking
Hold
for 3 seconds to enter the real running data checking. Press
to check the below parameters, press
to check the data of the selected parameter
press again to return back. Press
to return back the main interface.
| Parameter | Name | Range |
| P01 | Return water temp. difference | 1°C-18°C |
| PO4 | Desired water temp. under cooling | 8°C-28°C |
| P05 | Desired water temp. under heating | 15°C-40°C |
| P06 | High exhaust temp. protection value | 80°C-125°C |
| P07 | Exhaust temp. recovery value | 50°C-100°C |
| P09 | Inlet water temp. compensation | -5°C-15°C |
| P11 | Accumulated running time of Compressor | 20-90MIN |
| P12 | Piping temp. of entering defrosting | -15°C–1°C |
| P13 | Defrosting period | 2-20MIN |
| P14 | Piping temp. of exit defrosting | 1°C-40°C |
| P15 | Difference of ambient temp. and piping temp. | 0°C-15°C |
| P16 | Ambient temp. of enter defrosting | 0°C-20°C |
ATTENTION!
The logic of Inverter pool heat pump is much more complicated than the traditional ON/OFF system, we do advise not to adjust the key parameters which may affect the reliable operation of the unit.
5.7 Manual defrosting
When piping temp. Is lower than Parameter P12, hold
and
for 3 seconds to enter Manual defrosting function.
5.8 Factory setting recovery
Hold
and
for 10 seconds to recover factory setting.
Troubleshooting
6.1 Error code on the LED controller
Code | Description | Reason | Solutions |
| E03 | Water flow failure | 1. Insufficient or no water flow. 2. The wiring for water flow switch is in loose situation. | 1. Check the water pump or water piping system. 2. Check the wiring or change a new water flow switch. |
| E04 | Freezing protection | Low ambient temp. | It’s a protection for the system. |
| E09 | Communication failure | 1. Bad connection. 2. Controller or PCB broken. | 1. Check the wiring between PCB and controller. 2. Change a new controller or PCB. |
| El0 | Communication failure | 1. Bad connection. 2. Controller or PCB broken. | 1. Check the wiring between driver board and controller. 2. Change a new controller or driver board. |
| E12 | High exhaust temp. protection | Insufficient gas in the system. | Check if there is gas leakage in piping system |
| EIS | Inlet temp. sensor failure | Temp. sensor open circuit or short circuit. | 1. Check the sensor wiring. 2. Replace the new temp. sensor. |
| E16 | Piping temp. sensor failure | Temp. sensor open circuit or short circuit. | 1. Check the sensor wiring. 2. Replace the new temp. sensor. |
| E18 | Exhaust temp. sensor failure | Temp. sensor open circuit or short circuit. | 1. Check the sensor wiring.2. Replace the new temp. sensor. |
| E20 | Abnormal inverter module failure | Check the running situation of heat pump. | It’s a protection for the system. |
| E21 | Ambient temp. sensor failure | Temp. sensor open circuit or short circuit. | 1. Check the sensor wiring. 2. Replace the new temp. sensor. |
| E46 | DC fan motor failure | 1. Bad connection. 2. Fan motor broke. | 1. Check the wiring of fan motor. 2. Change a new fan motor. |
6.2 Other Malfunctions and Solutions (No display on LED wire controller)
Malfunctions | Observing | Reason | Solution |
| Heat pump is not running | LED wire controller no display. | No power supply. | Check the cable and circuit breaker if it is connected. |
| LED wire controller displays the actual water temperature. | 1. Water temperature is reaching to setting value, HP under constant temperature status. 2. Heat pump just starts to run. | 1. Verify the water temperature setting. 2. Start up the heat pump after a few minutes. | |
| Short running | LED displays actual water temperature, no error code displays. | 1. Fan NO running. 2. Air ventilation is not enough. 3. Refrigerant is not enough. | 1. Check the cable connections between the motor and fan, if necessary, it should be replaced. 2. Check the location of the heat pump unit and eliminate all obstacles to make good air ventilation. 3. Replace or repair the heat pump unit. |
| Water stains | Water stains on heat pump unit. | 1. Concreting. 2. Water leakage. | 1. No action. 2. Check the titanium heat exchanger carefully if it is any defect. |
Maintenance
- You should check the water supply system regularly to avoid the air entering the system and the occurrence of low water flow because it would reduce the performance and reliability of HP unit.
- Clean your pools and filtration system regularly to avoid the damage of the unit as a result of the dirty or a clogged filter.
- You should discharge the water from the heat pump if it will stop running for a long time (especially during the winter season).
- In another way, you should check the unit is water fully before the unit start to run again.
- When the unit is running, there is all the time a little water discharge under the unit.
WiFi Function
- Search ‘Weau’ in App Store (IOS) or Google Play (Android), or scan the QR code, then download.
- Sign up for the first time

- Press ‘+’ to add a device

- Put your mobile phone close to the pool heat pump, which are under the same Wifi area
- Make sure the device is reset, then enter the WIFI account and password to connect Wifi.
Reset the Wifi function: Hold the
and
for 5 seconds, the
will flash quickly.
- Press ‘Next’ to start the connection after completing. The device is successfully added if it’s connected, then
press ‘Done’
- Connection finished & App Main Interface8. Functions

- Functions
* Turn On/Off the machine
* Temperature setting and display
* Mode Selection
* Failure status display
* Timer setting
* Rename and Share your device
14400003000544




























