POTTER VSR-FEX Explosion Proof Vane Type Waterflow Alarm Switch With Retard

Features
- NEMA 4/IP66 solid metal enclosure
- 0-90 second field replaceable retard
- Non-corrosive saddle bushing
- (2) ½” threaded conduit connections
- Assembled in USA
NOTICE
This document contains important information on the installation and operation of VSR-FEX waterflow switches. Please read all instructions carefully before beginning installation. A copy of this document is required by NFPA 72 to be maintained on site.
General Information
The Model VSR-FEX is a vane type waterflow switch for use on wet sprinkler systems located in hazardous locations as shown above. The unit may also be used as a sectional waterflow detector on large systems.
The unit contains two single pole, double throw, snap action switches and an adjustable, instantly recycling pneumatic retard. The switches are actuated when a flow of 10 gallons per minute (38 Lpm) or more occurs downstream of the device. The flow condition must exist for a period of time necessary to overcome the selected retard period.
Enclosure
The unit is enclosed in a cast aluminum housing. The cover is held in place with six M6 x 1 mm-6g; 30 mm long socket head cap screws with a 5 mm hexagonal drive head and a property class of 8.8. These screws can only be replaced with identical ones. A field installable cover tamper switch is available as an option which may be used to indicate unauthorized removal of the cover. See bulletin number 5401024 for installation instructions of this switch.
CAUTION
Waterflow switches that are monitoring wet pipe sprinkler systems shall not be used as the sole initiating device to discharge AFFF, deluge, or chemical suppression systems. Waterflow switches used for this application may result in unintended discharges caused by surges, trapped air, or short retard times.
Technical Specifications
| Dimensions | See Fig. 2 |
| Enclosure | Cover: Cast Aluminum Base: Cast Aluminum |
| Minimum Flow Rate for Alarm | 10 GPM (38 Lpm) |
| Maximum Surge | 18 FPS (10 m/s) |
| Switch Contacts | Two sets of SPDT (Form C) 15.0 Amps at 125/250 VAC 2.0 Amps at 30 VDC Resistive |
|
environmental Limitations | • For use in hazardous locations, Classified as: Class I: Div. 1 & Div. 2, Groups C, D Class II: Div. 1 & Div. 2, Groups E, F, G, Class III: Div. 1 & Div. 2 • Suitable for indoor or outdoor use with factory installed gasket and cast aluminum housing • NEMA 4/IP66 Rated Enclosure – use with appropriate conduit fitting • Temperature: 40°F/120°F (+4.5°C ≤ Ta ≤ +49°C) • Non-corrosive sleeve factory installed in saddle |
| Conduit Entrances | Two conduit entrances provided for ½” conduit with ½” NPT threaded connections. Use an ATEX certified plug of protection “d”, “tb”, and IP66 for all unused conduit openings. |
| Service Use | NFPA 13, 72 |
| Maximum System Pressure | 450 PSI (31 BAR) |
*Specifications subject to change without notice
Installation
These devices may be mounted on horizontal or vertical pipe. On horizontal pipe they should be installed on the top side of the pipe where they will be accessible. The units should not be installed within 6” (15 cm) of a fitting which changes the direction of the waterflow or within 24” (61 cm) of a valve or drain.
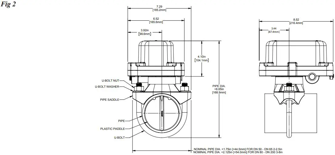
- Drain the system and cut a hole in the pipe using a hole saw in a slow speed drill. The 2” and 2 1/2” (50 mm and 65 mm) devices require a hole with a diameter of 1 1/4” + 1/8” – 1/16” (33 mm ±2 mm). All other sizes require a hole with a diameter of 2” ± 1/8” (50 mm ±2 mm). See chart below.
- Clean the inside pipe of all growth or other material for a distance equal to the pipe diameter on either side of the hole.
- Roll the vane so that it may be inserted into the hole, do not bend or crease it.
- Insert the vane so that the arrow on the saddle points in the direction of the waterflow.
- Install the saddle strap and tighten nuts alternately to an eventual 20 ft-lbs. (27 n-m) of torque. See Fig. 1 and chart below. The vane must not rub the inside of the pipe or bind in any way.
CAUTION
Do not trim the paddle. Failure to follow these instructions may prevent the device from operating and will void the warranty. Do not obstruct or otherwise prevent the trip stem of the flow switch from moving when water flows as this could damage the flow switch and prevent an alarm. If an alarm is not desired, a qualified technician should disable the alarm system.

| Compatible Pipe/ Installation Requirements | ||||||||||||||||||
| Model | Nominal Pipe Size | Nominal Pipe O.D. | Pipe Wall Thickness | Hole Size | U-Bolt Nuts Torque | |||||||||||||
| Lightwall | Schedule 10 (UL) | Schedule 40 (UL) | BS-1387 (LPC) | DN (VDS) | ||||||||||||||
| inch | mm | inch | mm | inch | mm | inch | mm | inch | mm | inch | mm | inch | mm | inch | mm | ft-lb | n-m | |
| VSR-FEX (2”) | 2 | DN50 | 2.375 | 60.3 | .065 | 1.651 | 0.109 | 2.77 | 0.154 | 3.91 | 0.142 | 3.6 | 0.091 | 2.3 | 1.25 + .125/- .062 | 33.0 ± 2.0 |
20 |
27 |
| VSR-FEX (2.5”) | 2.5 | – | 2.875 | 73.0 | .084 | 2.134 | 0.120 | 3.05 | 0.203 | 5.16 | – | – | – | – | ||||
| VSR-FEX (2.5”) | – | DN65 | 3.000 | 76.1 | – | – | – | – | – | – | 0.142 | 3.6 | 0.102 | 2.6 | ||||
| VSR-FEX (3”) | 3 | DN80 | 3.500 | 88.9 | .083 | 2.108 | 0.120 | 3.05 | 0.216 | 5.49 | 0.157 | 4.0 | 0.114 | 2.9 |
2.00 ± .125 |
50.8 ± 2.0 | ||
| VSR-FEX (4”) | 4 | DN100 | 4.500 | 114.3 | .084 | 2.134 | 0.120 | 3.05 | 0.237 | 6.02 | 0.177 | 4.5 | 0.126 | 3.2 | ||||
| VSR-FEX (6”) | 6 | DN150 | 6.625 | 168.3 | .115 | 2.921 | 0.134 | 3.40 | 0.280 | 7.11 | 0.197 | 5.0 | 0.157 | 4.0 | ||||
| VSR-FEX (8”) | 8 | DN200 | 8.625 | 219.1 | – | – | 0.148 | 3.76 | 0.322 | 8.18 | 0.248 | 6.3 | 0.177 | 4.5 | ||||
WARNING
When this device is to be installed in an area that is classified as “HAZARDOUS”, the person responsible for safety in the area shall be contacted to determine if the tools and operations required for the installation of the device and associated components are permitted in the area. To reduce the risk of ignition of hazardous atmospheres, disconnect supply circuits before opening cover. Keep cover tight while circuits are live.
The mating surfaces of the cover and housing are designed and machined to meet the hazardous location requirements of the applicable listing agencies. These surfaces shall be protected from any damage and shall be clean and free of all foreign matter. No gasket or sealant of any type is allowed on these surfaces. The use of any type of gasket, sealant, or damage to these surfaces will void the hazardous rating of the device and can lead to explosion and death. These surfaces are not repairable and the cover is not replaceable. If any damage has occurred to either surface or a gasket or sealant has been applied to either surface, the entire device must be immediately removed from service and replaced. All foreign matter must be removed. If mating surfaces are damaged, do not place the device in service.
Important: When reinstalling the cover during installation or maintenance, wipe the mating cover and housing surfaces with a soft clean lint free cloth. Carefully inspect the surfaces for any damage or foreign matter. Install the cover on the housing to fully seat the mating surfaces. Initially tighten each of the (6) cover screws evenly to 5 in-lbs (.56 n-m) to ensure that the cover is fully seated. Next, torque each cover screw to a final torque of 20 in-lbs (2.3 n-m). Failure to follow these instructions may result in injury or death.
Mounting Dimensions

Typical Electrical Connections

Switch Clamping Plate Terminal

WARNING
An uninsulated section of a single conductor should not be looped around the terminal and serve as two separate connections. The wire must be severed, thereby providing supervision of the connection in the event that the wire becomes dislodged from under the terminal.
Testing
The frequency of testing for the model VSR-FEX and its associated protective monitoring system should be in accordance with applicable NFPA Standards and/or the authority having jurisdiction (manufacturer recommends quarterly or more frequently).
If provided, the inspector’s test valve, that is usually located at the end of the most remote branch line, should always be used for test purposes. If there are no provisions for testing the operation of the flow detection device on the system, application of the VSR-FEX is not recommended or advisable.
A minimum flow of 10 gpm (38 Lpm) is required to activate this device.
NOTICE
Please advise the person responsible for testing of the fire protection system that this system must be tested in accordance with the testing instructions.
Engineer/Architect Specifications Vane Type Waterflow Switch
The Model VSR-FEX is a vane type waterflow switch for use on wet sprinkler systems located in hazardous locations. The unit may also be used as a sectional waterflow detector on large systems.
The unit contains two single pole, double throw, snap action switches and an adjustable, instantly recycling pneumatic retard. The switches are actuated when a flow of 10 gallons per minute (38 Lpm) or more occurs downstream of the device. The flow condition must exist for a period of time necessary to overcome the selected retard period.
WARNING
- Installation must be performed by qualified personnel and in accordance with all national and local codes and ordinances.
- Shock hazard. Disconnect power source before servicing. Serious injury or death could result.
- Read all instructions carefully and understand them before starting installation. Save instructions for future use. Failure to read and understand instructions could result in improper operation of device resulting in serious injury or death.
- Risk of explosion. Not for use in hazardous locations. Serious injury or death could result.
CAUTION
- Failure to install properly could damage the switch and cause improper operation resulting in damage to equipment and property.
- To seal threads, apply Teflon tape to male threads only. Using joint compounds or cement can obstruct the pressure port inlet and result in improper device operation and damage to equipment.
- Do not over tighten the device, standard piping practices apply.
Ordering Information
| Nominal Pipe Size | Model | Part Number | |
| 2″ | DN50 | VSR-FEX (2”) | 1113202 |
| 2 1/2″ | DN65 | VSR-FEX (2.5”) | 1113225 |
| 3″ | DN80 | VSR-FEX (3”) | 1113203 |
| 4″ | DN100 | VSR-FEX (4”) | 1113204 |
| 6″ | DN150 | VSR-FEX (6”) | 1113206 |
| 8″ | DN200 | VSR-FEX (8”) | 1113208 |
| Description | Part Number |
| Hex Key-5mm | 5250074 |
| Cover Tamper Switch Kit for VSR-FEX | 0090139 |
Potter Electric Signal Company, LLC
St. Louis, MO
Phone: 800-325-3936
www.pottersignal.com



















