VSR-S
VSR-S Series Waterflow Alarm Switch for Small Pipe
Owner’s Manual
Features
- Assembled in USA
- 0-90 second field replaceable time delay retard
- Easy to read retard time delay adjustment knob
- Fits 1” to 2” CPVC, copper, brass, or iron pipe
- Comes with all necessary paddles
- Two SPDT (form C) contacts
- Weatherproof
- Easy to read wire terminal designations
- 5 year warranty
CAUTION
Waterflow switches that are monitoring wet pipe sprinkler systems shall not be used as the sole initiating device to discharge AFFF, deluge, or chemical suppression systems. Waterflow switches used for this application may result in unintended discharges caused by surges, trapped air, or short retard times.
Important: This document contains important information on the installation and operation of the VSR-S waterflow switches. Please read all instructions carefully before beginning installation. A copy of this document is required by NFPA 72 to be maintained on site.
Description
The Model VSR-S is a vane type waterflow switch for use on wet sprinkler systems that use 1” (25mm), 1¼” (32mm), 1½” (38mm) or 2” (50mm) pipe size. The unit may also be used as a sectional waterflow detector on large systems.
The unit contains two single pole double throw snap action switches and an adjustable, instantly recycling pneumatic retard. The switches are actuated when a flow of 10 gallons per minute (38 LPM) or more occurs downstream of the device. The flow condition must exist for a period of time necessary to overcome the selected retard period.
Enclosure
The VSR-S switches and retard device are enclosed in a general purpose, die-cast housing. The cover is held in place with two tamper resistant screws which require a special key for removal. A field installable cover tamper switch is available as an option which may be used to indicate unauthorized removal of the cover. See bulletin number 5401103 for installation instructions of this switch.
WARNING
- Installation must be performed by qualified personnel and in accordance with all national and local codes and ordinances.
- Shock hazard. Disconnect power source before servicing.
Serious injury or death could result. - Risk of explosion. Not for use in hazardous locations. Serious injury or death could result.
Technical Specifications
| Service Pressure | 300 PSI (20,68 BAR) – UL |
| How Requinx1 for Alarm | 10 GPM (38 LPM) To ensure minimum flow of 10 gpm, a minimum pressure is required at all sprinklers with a k-factor of 3 or less. K-3: 10 PSI K-2.8: 12 PSI |
| Maximum Surge | 18 FPS (5,5 m/s) |
| Enclosure | Die-cast, red powdercoat finish |
| Contact Ratings | Two sets of SPDT (Form C) 10.0 Amps at 125/250VAC 2.0 Amps at 30 VDC Resistive 10 mAmps min. at 24VDC |
| Conduit Entrances | Two 1/2″ conduit connections provided. Individual switch compartments suitable for dissimilar voltages. |
| Usage | Listed plastic, copper, schedule 40 iron pipe and unlisted riser assemblies approved by Potter . Fits pipe sizes – 1″, 11/4″, 1’/i” and 2″ Note: 12 paddles are furnished with each unit, one for each pipe size of threaded and sweat TEE, one for I” CPVC, one for I” CPVC (Central), one for I” threaded Nibco CPVC, and one for 11/2″ threaded (Japan). |
| Environmental Specifications | • NEM A 4/IP65 Rated Enclosure suitable for indoor or outdoor use with factory installed gasket and die-cast housing when used with appropriate conduit fitting. • Temperature Range: 40°F -120°F, (4.5°C – 49°C) – UL |
| Service Use | Automatic Sprinkler NFPA-13 One or two family dwelling NFPA- I 3D Residential occupancy up to four stories NFPA-I 3R National Fire Alarm Code NFPA-72 |
*Specifications subject to change without notice.
Installation
These devices may be mounted in horizontal or vertical pipe. On horizontal pipe they should be installed on the top side of the pipe where they will be accessible. The units should not be installed within 6” (15cm) of a fitting which changes the direction of the waterflow or within 24” of a valve or drain. Select the proper paddle for the pipe size and type of TEE used see Fig. 2 for instructions on changing paddle. The unit has a 1” NPT bushing for threading into a TEE. See Fig. 1 for proper TEE size, type and installation. Use no more than three wraps of teflon tape.
Screw the device into the TEE fitting as shown in Fig. 1. Care must be taken to properly orient the device for the direction of waterflow.
The vane must not rub the inside of the TEE or bind in any way. The stem should move freely when operated by hand.
The device can also be used in copper or plastic pipe installations with the proper adapters so that the specified TEE fitting may be installed on the pipe run.
Note: Do not leave cover off for an extended period of time.
WARNING
Do not trim the paddle. Failure to follow these instructions may prevent the device from operating and will void the warranty. Do not obstruct or otherwise prevent the trip stem of the flow switch from moving when water flows as this could damage the flow switch and prevent an alarm. If an alarm is not desired, a Flow switch Bypass Switch should be used (refer to Potter data sheet 5401554), or a qualified technician should disable the alarm system.

Retard Adjustment
The delay can be adjusted by rotating the retard adjustment knob from 0 to the max setting (60-90 seconds). The time delay should be set at the minimum required to prevent false alarms.
Paddle Selection

WARNING
There are 12 paddles furnished with each unit. One for each size of threaded, sweat or plastic TEE as described in Fig. 3. These paddles have raised lettering that shows the pipe size and type of TEE that they are to be used with. The proper paddle must be used. The paddle must be properly attached (see drawing) and the screw that holds the paddle must be securely tightened. Do not trim the paddle.
Note: For National Fire Products risers, use paddle marked SWEAT for corresponding size riser.
TEE Specifications
Screw the fitting into the TEE fitting as shown in Fig. 3.

The depth to the inside bottom of the TEE should have the following dimensions:
| Approximate Depth Requirement | |||
| Tee Size | Threaded | Sweat | CPVC |
| 1″ x 1″ x 1″ | 2 1/16″ | 1 3/4″ | 2 7/16″ |
| 1 1/4″ x 1 1/4″ x 1″ | 2 7/16″ | 2 7/16″ | N/A |
| 1 1/2″ x 1 1/2″ x 1″ | 2 11/16″ | 2 1/4″ | N/A |
| 2″ x 2″ x 1″ | 3 3/16″ | 2 3/4″ | N/A |
NOTICE
Use only factory TEE’s with a 1” NPT bull. Threaded bushings, reducing bushings, mechanical TEE’s and weld-o-lets are not allowed unless they comply with the dimensions listed in the chart in Fig. 3 and have been factory approved by Potter. Apply teflon tape to the 1” NPT fitting. Do not use more than three wraps of teflon tape. Do not use any other type of sealant.
Cover Tamper Switch Wiring

Switch Terminal Connections Clamping Plate Terminal

WARNING
An uninsulated section of a single conductor should not be looped around the terminal and serve as two separate connections. The wire must be severed, thereby providing supervision of the connection in the event that the wire become dislodged from under the terminal. Failure to sever the wire may render the device inoperable risking severe property damage and loss of life.
Do not strip wire beyond 3/8” of length or expose an uninsulated conductor beyond the edge of the terminal block. When using stranded wire, capture all strands under the clamping plate.
Typical Electrical Connections

CAUTION
The VSR-S does not require power to operate. Do not connect AC power directly to the terminals as this will damage the switch.
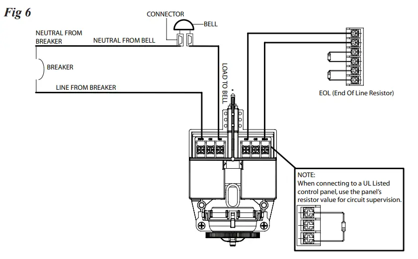
The terminals are for switching power to an indicating appliance such as a bell or strobe. Similar to how a light switch is used to switch power to a light. The terminals can also be used to connect to a fire/security panel.
Notes:
- The Model VSR-S has two switches, one can be used to operate a central station, proprietary or remote signaling unit, while the other contact is used to operate a local audible or visual annunciator.
- For supervised circuits, see “Switch Terminal Connections Clamping Plate Terminal” drawing and warning note (Fig. 5).
Fig 7
Break out thin section of cover when wiring both switches from one conduit entrance.

Testing
The frequency of inspection and testing for the Model VSR-S and its associated protective monitoring system should be in accordance with applicable NFPA Codes and Standards and/or the authority having jurisdiction (manufacturer recommends quarterly or more frequently). If provided, the inspector’s test valve shall always be used for test purposes. If there are no provisions for testing the operation of the flow detection device on the system, application of the VSR-S is not recommended or advisable.
A minimum flow of 10 GPM (38 LPM) is required to activate this device.
NOTICE
Please advise the person responsible for testing of the fire protection system that this system must be tested in accordance with the testing instructions. Do not obstruct or otherwise prevent the trip stem of the flow switch from moving when water flows as this could damage the flow switch and prevent an alarm. If an alarm is not desired, a Flow switch Bypass Switch should be used (refer to Potter data sheet 5401554), or a qualified technician should disable the alarm system.
Mounting Dimensions

Maintenance
Inspect detectors monthly for leaks. If leaks are found, replace the detector. The VSR-S waterflow switch should provide years of trouble-free service. The retard and switch assembly are easily field replaceable. In the unlikely event that either component does not perform properly, please order replacement retard switch assembly stock number 1029030. There is no maintenance required, only periodic testing and inspection. Vane type waterfowl switches have a normal service life of 10-15 years. However, the service life may be significantly reduced by local environmental conditions.
Vane-Type Waterflow Switch for Small Pipe Specification
UL, CUL Listed, LPCB Approved and CE Marked vane type waterflow switches shall be furnished and installed at each sprinkler system connection to the wet pipe main where indicated on the drawings and plans and as required by applicable local and national codes and standards. The device shall consist of a 1” NPT threaded brass bushing for installation into tees and approved manifolds, gasket and non-corrosive vane and trip stem assembly as well as a field replaceable adjustable time delay/switch mechanism to prevent false alarms from water surges. All whetted parts of the waterflow switch shall be non-corrosive to resist being affected by or contributing to corrosion. The waterflow switch enclosures shall be NEMA 4 rated and the cover shall be held captive by tamper resistant screws. It shall be possible to install an optional cover tamper switch to detect removal of the enclosure. The field replaceable instantly recycling adjustable pneumatic retard shall provide a 0-90 second time delay and visual indication of activation. Expiration of the retard time shall result in the simultaneous operation of two sets of single pole double throw (SPDT) switch contacts rated at 10A, 125VAC and 2A, 30 VDC. Each switch contact shall have a separate wiring chamber and separate conduit entrance to comply with the NEC requirements for separation of power limited and non power limited conductors without the need for special wire or wire methods. The device shall be listed for pressures up to 300 psi, maximum water surges of 18 fps and alarm activation by a continuous flow of 10 gpm. The device shall be Listed for installation on CPVC, brass, copper and iron tees and manifolds from 1” – 2” size. The waterflow switch shall be a model VSR-S manufactured by Potter Electric Signal Company LLC.
Retard/Switch Assembly Replacement
NOTICE
The Retard/Switch Assembly is field-replaceable without draining the system or removing the waterflow switch from the pipe
- Make sure the fire alarm zone or circuit connected to the waterflow switch is bypassed or otherwise taken out of service.
- Disconnect the power source for local bell (if applicable).
- Identify and remove all wires from the waterflow switch.
- Remove the (2) mounting screws holding retard/switch assembly to the base. Do not remove the (2) retard housing screws.
- Remove the retard assembly by lifting it straight up over the trip stem.
- Install the new retard assembly. Make sure the locating pins on the retard/switch assembly fit into the locating pin bosses on the base.
- Re-install the (2) original mounting screws.
- Reconnect all wires. Perform a flow test and place the system back in service.

Removal of Waterflow Switch
- To prevent accidental water damage, all control valves should be shut tight and the system completely drained before waterflow detectors are removed or replaced.
- Turn off electrical power to the detector, then disconnect wiring.
- Use a wrench on the flats of the bushing. Turn the switch counterclockwise to disengage the pipe threads.
- Gently lift with your fingers, roll the vane so it will fit through the hole while continuing to lift the waterflow detector.
- Lift detector clear of pipe.
Ordering Information
| Model | Description | Stock Number |
| VSR-S | VSR-S WATER FLOW INDICATOR | 1144440 |
Replaceable Components:
Retard/Switch Assembly, stock no. 1029030
Paddle Tree, stock no. 5559001
Paddle Retention Screw, stock no. 5490374
Optional Components:
Cover Tamper Switch, stock no. 0090148
FSBS – Flow switch Bypass Switch , stock no. 3001006
DG-B-R Surface Mount Double Gang Box – Red F/FSBS, stock no. 1000484
Potter Electric Signal Company, LLC
St. Louis, MO
Phone: 800-325-3936
www.pottersignal.com
5401206 – REV H • 05/19
firealarmresources.com![]()



















