POTTER VSR-C Vane Type Waterflow Alarm Switch

UL and CSFM Listed
- Service Pressure: 175 PSI (12,1 BAR) – UL
- Flow Sensitivity Range for Signal: 4-10 GPM (15-38 LPM) – UL
- Maximum Surge: 18 FPS (5.5 m/s)
- Contact Ratings: Two sets of SPDT (Form C)
- 10.0 Amps at 125/250VAC
- 2.0 Amps at 30VDC Resistive
- 10 mAmps min. at 24VDC
- Conduit Entrances: Two knockouts provided for 1/2″ conduit.
- Individual switch compartments suitable for dissimilar voltages
- Environmental Specifi cations:
- NEMA 4/IP54 Rated Enclosure suitable for indoor or outdoor use with factory installed gasket and die-cast housing when used with appropriate conduit fi tting
- Temperature Range: 40°F – 120°F, (4.5°C – 49°C) – UL
- Non-corrosive sleeve factory installed in saddle
Service Use:
- Automatic Sprinkler NFPA-13
- One or two family dwelling NFPA-13D
- Residential occupancy up to four stories NFPA-13R
- National Fire Alarm Code NFPA-72
- Optional: Cover Tamper Switch Kit, Stock No. 0090148
- Replaceable Components: Retard/Switch Assembly, stock no. 1029030
Warning
- Installation must be performed by qualifi ed personnel and in accordance with all national and local codes and ordinances.
- Shock hazard. Disconnect power source before servicing. Serious injury or death could result.
- Risk of explosion. Not for use in hazardous locations. Serious injury or death could result
General Information
| Ordering Information | |||
| Nominal Pipe Size | Model | Stock Number | |
| 2″ | 50mm | VSR-C 2″ | 1144450 |
| 2½” | 65mm | VSR-C 2½” | 1144451 |
| 3″ | 80mm | VSR-C 3″ | 1144452 |
| 4″ | 100mm | VSR-C 4″ | 1144453 |
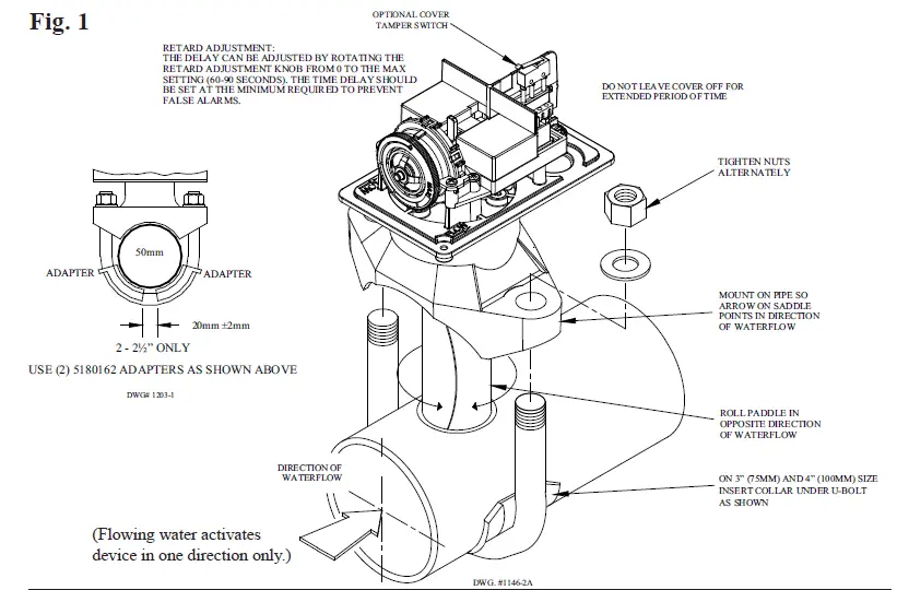
- The Model VSR-C is a vane type waterfl ow switch for use on wet sprinkler systems. It is UL Listed for use on Type K, L, and M copper pipe, sizes 2″ thru 4″ (50mm – 100mm).
- The VSR-C may also be used as a sectional waterfl ow detector on large systems.
- The VSR-C contains two single pole, double throw, snap action switches and an adjustable, instantly recycling pneumatic retard. The switches are actuated when a fl ow of 10 GPM (38 LPM) or more occurs downstream of the device. The fl ow condition must exist for a period of time necessary to overcome the selected retard period.
Enclosure
The VSR-C switches and retard device are enclosed in a general purpose, die-cast housing. The cover is held in place with two tamper resistant screws which require a special key for removal. A field installable cover tamper switch is available as an option which may be used to indicate unauthorized removal of the cover. See bulletin number 5401103 for installation instructions of this switch.
Installation
- These devices may be mounted on horizontal or vertical pipe. On horizontal pipe they should be installed on the top side of the pipe where they will be accessible. The device should not be installed within 6″ (15 cm) of a fi tting which changes the direction of the waterfl ow or within 24″ (60 cm) of a valve or drain.
Note: Do not leave cover off for an extended period of time. - Drain the system and drill a hole in the pipe using a hole saw in a slow speed drill. (see Fig. 1)
- Clean the inside pipe of all growth or other material for a distance equal to the pipe diameter on either side of the hole.
- Roll the vane so that it may be inserted into the hole; do not bend or crease it. Insert the vane so that the arrow on the saddle points in the direction of the waterfl ow. Install the saddle strap and tighten nuts alternately to required torque. (see Fig. 1). The vane must not rub the inside of the pipe or bind in any way.

- Specifi cations subject to change without notice.
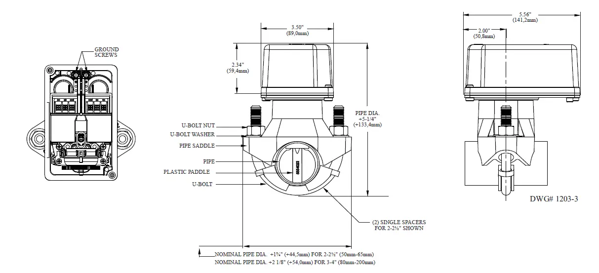
Switch Terminal Connections Clamping Plate Terminal
| Installation Requirements | |||||||
| Model | Nominal Pipe O.D. | Hole Size | U-Bolt Nuts Torque | ||||
| inch | inch | mm | inch | mm | in-lb | n-m | |
| VSR-C 2″ | 2 | 2.375 | 60.3 | 1.25 ± .062 | 33.0 ± 2.0 |
100 |
11,3 |
| VSR-C 2½” | 2½ | 2.875 | 73.0 | ||||
| VSR-C 3″ | 3 | 3.500 | 88.9 | 2.00 + .062/-.125 | 50.8 ± 2.0 | ||
| VSR-C 4″ | 4 | 4.500 | 114.3 | ||||
An uninsulated section of a single conductor should not be looped around the terminal and serve as two separate connections. The wire must be severed, thereby providing supervision of the connection in the event that the wire become dislodged from under the terminal. Failure to sever the wire may render the device inoperable risking severe property damage and loss of life.
Waterfl ow switches that are monitoring wet pipe sprinkler systems shall not be used as the sole initiating device to discharge AFFF, deluge, or chemical suppression systems. Waterfl ow switches used for this application may result in unintended discharges caused by surges, trapped air, or short retard times.
Typical Electrical Connections
Notes:
- The Model VSR-C has two switches, one can be used to operate a central station, proprietary or remote signaling unit, while the other contact is used to operate a local audible or visual annunciator.
- For supervised circuits see “Switch Terminal Connections” drawing and caution note (Fig. 2).
Break out thin section of cover when wiring both switches from one conduit entrance.
To remove knockouts: Place screwdriver at inside edge of knockouts, not in the center.
Testing
- The frequency of inspection and testing for the Model VSR-C and its associated protective monitoring system should be in accordance with applicable NFPA Codes and Standards and/or the authority having jurisdiction (manufacturer recommends quarterly or more frequently).
- If provided, the inspector’s test valve, that is usually located at the end of the most remote branch line, should always be used for test purposes. If there are no provisions for testing the operation of the flow detection device on the system, application of the VSR-C is not recommended or advisable.
- A minimum fl ow of 10 GPM (38 LPM) is required to activate this device.
Maintenance
Inspect detectors monthly for leaks. If leaks are found, replace the detector. The VSR-C waterfl ow switch should provide years of trouble-free service. The retard and switch assembly are easily fi eld replaceable. In the unlikely event that either component does not perform properly, please order replacement retard switch assembly stock number 1029030. There is no maintenance required, only periodic testing and inspection.
Removal
- To prevent accidental water damage, all control valves should be shut tight and the system completely drained before waterfl ow detectors are removed or replaced
- Turn off electrical power to the detector, then disconnect wiring
- Loosen nuts and remove U-bolts
- Gently lift the saddle far enough to get your fi ngers under it. With your fi ngers, roll the vane so it will fi t through the hole while continuing to lift the waterfl ow detector saddle
- Lift detector clear of pipe
Important Notice
Please advise the person responsible for testing of the fi re protection system that this system must be tested in accordance with the testing instructions.
Mounting Dimensions
PRINTED IN USA
firealarmresources.com





















