POTTER VSR-10 Vane Type Waterflow Alarm Switch with Retard

Specification
- Service Pressure: 300 PSI (20, 7 BAR)
- Flow Sensitivity Range for Signal: 4-10 GPM (15-38 LPM) –
- UL Maximum Surge: 18 FPS (5.5 m/s)
- Contact Ratings: Two sets of SPDT (Form C)
- 10.0 Amps at 125/250VAC
- 2.0 Amps at 30VDC Resistive
- 10 mAmps min. at 24VDC
- Conduit Entrances: Two knockouts provided for 1/2″ conduit. for dissimilar voltages.
Environmental Specifications:
- NEMA 4/IP54 Rated Enclosure suitable for indoor or outdoor use with factory installed gasket and die-cast housing when used with appropriate conduit fitting.
- Temperature Range: 40°F – 120°F, (4.5°C – 49°C) – UL
- Non-corrosive sleeve factory installed in saddle.
Service Use:
- Automatic Sprinkler: NFPA-13
- One or two family dwelling: NFPA-13D
- Residential occupancy up to four stories: NFPA-13R
- National Fire Alarm Code: NFPA-72
WARNING
- Installation must be performed by qualified personnel and in accordance with all national and local codes and ordinances.
- Shock hazard. Disconnect power source before servicing. Serious injury or death could result.
- Risk of explosion. Not for use in hazardous locations. Serious injury or death could result.
Caution: Waterflow switches that are monitoring wet pipe sprinkler systems shall not be used as the sole initiating device to discharge AFFF, deluge, or chemical suppression systems. Waterflow switches used for this application may result in unintended discharges caused by surges, trapped air, or short retard times.
Ordering Information
| Ordering Information | |||
| Nominal Pipe Size | Model | Part Number | |
| 10″ | DN250 | VSR-10 | 1144410 |
General Information
The Model VSR is a vane type waterflow switch for use on wet sprinkler systems. It is UL and CUL Listed for use on steel pipe; schedules 10 through 40. See Ordering Information chart. The VSR may also be used as a sectional waterflow detector on large systems. The VSR contains two single pole, double throw, snap action switches and an adjustable, instantly recycling pneumatic retard. The switches are actuated when a flow of 10 GPM (38 LPM) or more occurs downstream of the device. The flow condition must exist for a period of time necessary to overcome the selected retard period. Enclosure The VSR switches and retard device are enclosed in a general purpose, die-cast housing. The cover is held in place with two tamper resistant screws which require a special key for removal. A field installable cover tamper switch is available as an option which may be used to indicate unauthorized removal of the cover. See bulletin number 5401103 for installation instructions of this switch.
Installation
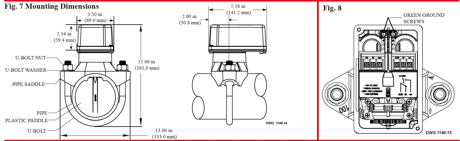
These devices may be mounted on horizontal or vertical pipe. On horizontal pipe they shall be installed on the top side of the pipe where they will be accessible. The device should not be installed within 6″ (15 mm) of a fitting which changes the direction of the waterflow or within 24″ (60 mm) of a valve or drain.
NOTE: Do not leave cover off for an extended period of time. Drain the system and drill a hole in the pipe using a hole saw in a slow speed drill (see Fig. 1). Clean the inside pipe of all growth or other material for a distance equal to the pipe diameter on either side of the hole. Roll the vane so that it may be inserted into the hole; do not bend or crease it. Insert the vane so that the arrow on the saddle points in the direction of the waterflow. Take care not to damage the non-corrosive bushing in the saddle. The bushing should fit inside the hole in the pipe. Install the saddle strap and tighten nuts alternately to required torque (see the chart in Fig. 1). The vane must not rub the inside of the pipe or bind in any way.
Caution
Do not trim the paddle. Failure to follow these instructions may prevent the device from operating and will void the warranty. Do not obstruct or otherwise prevent the trip stem of the flow switch from moving when water flows as this could damage the flow switch and prevent an alarm. If an alarm is not desired, a qualified technician should disable the alarm system.

Compatible Pipe/ Installation Requirements
| Compatible Pipe/ Installation Requirements | ||||||||||||
| Model | Nominal Pipe Size | Nominal Pipe O.D. | Pipe Wall Thickness | Hole Size | U-Bolt Nuts Torque | |||||||
| Schedule 10 (UL) | Schedule 40 (UL) | |||||||||||
| inch | mm | inch | mm | inch | mm | inch | mm | inch | mm | ft-lb | n-m | |
| VSR-10 | 10 | DN250 | 10.750 | 273.0 | 0.165 | 4.19 | 0.365 | 9.27 | 2.00 ± .125 | 50.8 ± 2.0 | 20 | 27 |
INSTRUCTION
- To remove knockouts: Place screwdriver at inside edge of knockouts, not in the center. Fig. 2
- Fig. 3 Break out thin section of cover when wiring both switches from one conduit entrance.
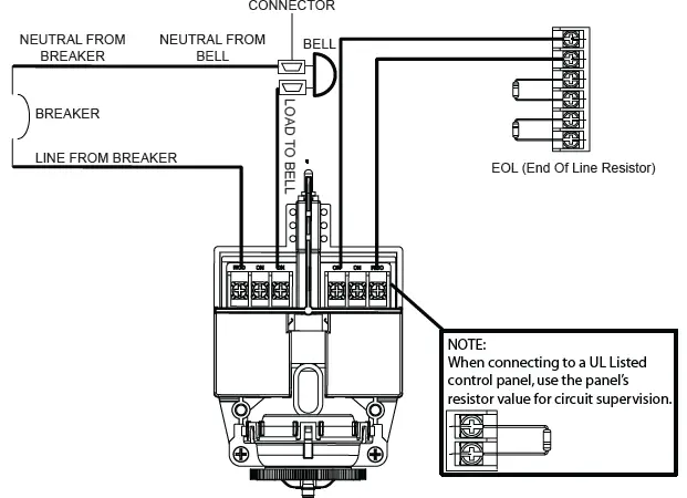
- Fig. 4 Switch Terminal Connections Clamping Plate Terminal

WARNING
An uninsulated section of a single conductor should not be looped around the terminal and serve as two separate connections. The wire must be severed, thereby providing supervision of the connection in the event that the wire become dislodged from under the terminal. Failure to sever the wire may render the device inoperable risking severe property damage and loss of life. Do not strip wire beyond 3/8″ of length or expose an uninsulated conductor beyond the edge of the terminal block. When using stranded wire, capture all strands under the clamping plate.
Fig. 5 Typical Electrical Connections
Notes:
- The Model VSR has two switches, one can be used to operate a central station, proprietary or remote signaling unit, while the other contact is used to operate a local audible or visual annunciator.
- For supervised circuits, see “Switch Terminal Connections” drawing and warning note (Fig. 4).

Testing
The frequency of inspection and testing for the Model VSR and its associated protective monitoring system shall be in accordance with applicable NFPA Codes and Standards and/or the authority having jurisdiction (manufacturer recommends quarterly or more frequently). If provided, the inspector’s test valve shall always be used for test purposes. If there are no provisions for testing the operation of the flow detection device on the system, application of the VSR is not recommended or advisable. A minimum flow of 10 GPM (38 LPM) is required to activate this device.
NOTE: Advise the person responsible for testing of the fire protection system that this system must be tested in accordance with the testing instructions.
Mounting Dimensions

Maintenance
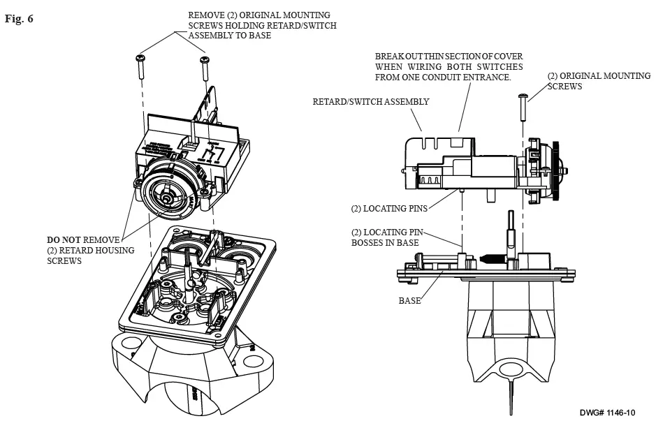
Inspect detectors monthly. If leaks are found, replace the detector. The VSR waterflow switch should provide years of trouble-free service. The retard and switch assembly are easily field replaceable. In the unlikely event that either component does not perform properly, please order replacement retard switch assembly stock #1029030 (see Fig. 6). There is no maintenance required, only periodic testing and inspection.
Retard/Switch Assembly Replacement (See Fig. 6)
The Retard/Switch Assembly is field-replaceable without draining the system or removing the waterflow switch from the pipe
- Make sure the fire alarm zone or circuit connected to the waterflow switch is bypassed or otherwise taken out of service.
- Disconnect the power source for local bell (if applicable).
- Identify and remove all wires from the waterflow switch.
- Remove the (2) mounting screws holding retard/switch assembly to the base. Do not remove the (2) retard housing screws.
- Remove the retard assembly by lifting it straight up over the tripstem.
- Install the new retard assembly. Make sure the locating pins on the retard/switch assembly fit into the locating pin bosses on the base.
- Re-install the (2) original mounting screws.
- Reconnect all wires. Perform a flow test and place the system back in service.

Removal of Waterflow Switch
- To prevent accidental water damage, all control valves should be shut tight and the system completely drained before waterflow detectors are removed or replaced.
- Turn off electrical power to the detector, then disconnect wiring.
- Loosen nuts and remove U-bolts.
- Gently lift the saddle far enough to get your fingers under it. With your fingers, roll the vane so it will fit through the hole while continuing to lift the waterflow detector saddle.
- Lift detector clear of pipe.




















