POTTER VSR-FE-2 Vane Type Waterflow Switch With Electronic Retard

Features
UL and ULC Listed, FM Approved
- Service Pressure: Up to 450 PSI (31 BAR)
- Minimum Flow for Alarm: 10 GPM (38 LPM)
- Maximum Surge: 18 FPS (5,5 m/s)
Power Requirements: - STANDBY: 10 mA at 120VAC or 1.5 mA at 24VAC/DC
- ALARM: 40 mA at 120VAC or 35 mA at 24VAC/DC
- Contact Ratings: DPDT (Form C) 2 Amps at 30VDC or 125VAC resistive
- Conduit Entrances: Two knockouts provided for 1/2″ conduit
Environmental Specifi cations:
- Suitable for indoor or outdoor use with factory installed gasket and die-cast housing.
- NEMA 4 Rated Enclosure – use with appropriate conduit fi tting
- Temperature range: 40°F / 120°F, 4,5°C/49°C
- Non-corrosive sleeve factory installed in saddle.
Sizes Available: Schedules 10 thru 40, sizes 2″ thru 8″ (50mm thru 200mm)
Service Use:
- Automatic Sprinkler NFPA-13
- One or two family dwelling NFPA-13D
- Residential occupancy up to four stories NFPA-13R
- National Fire Alarm Code NFPA-72
Optional: Cover Tamper Switch Kit, Stock No. 0090018
General Information
The Model VSR-FE-2 is a vane type waterfl ow switch for use on wet sprinkler systems. It is UL Listed and FM Approved for use on steel pipe; schedules 10 thru 40, sizes 2″ thru 8″ (50mm – 200mm). The unit may also be used as a sectional waterfl ow detector on large systems. The unit contains an output relay and an adjustable electronic retard. The relay is actuated when a fl ow of 10 gallons per minute (38 LPM) or more occurs downstream of the device. The fl ow condition must exist for a period of time necessary to overcome the selected retard period. Enclosure
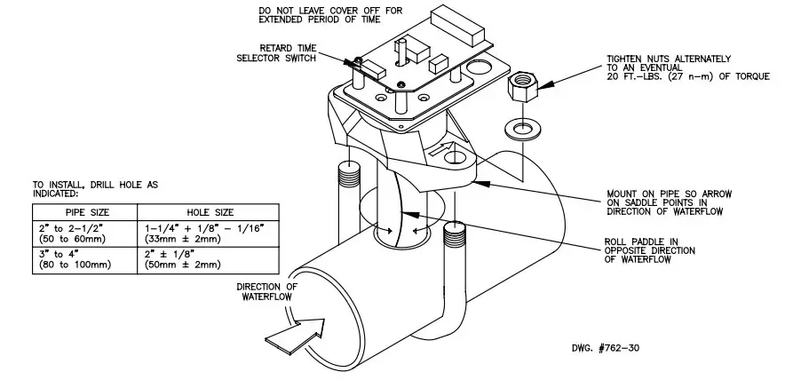
The unit is enclosed in a general purpose, die-cast housing. The cover is held in place with two tamper resistant screws which require a special key for removal. A fi eld installable cover tamper switch is available as an option which may be used to indicate unauthorized removal of the cover. See bulletin no. 5400775 for installation instructions of this switch. Installation See Fig. 1. These devices may be mounted on horizontal or vertical pipe. On horizontal pipe they should be installed on the top side of the pipe where they will be accessible. The units should not be installed within 6″ (15cm) of a fi tting which changes the direction of the waterfl ow or within 24″ (60cm) of a valve or drain. Drain the system and drill a hole in the pipe using a circular saw in a slow speed drill. The 2″ and 2 1/2″ (50mm and 65mm) devices require a hole with a diameter of 1 1/4″ +1/8″ -1/16″ (33mm ± 2mm). All other sizes require a hole with a diameter of 2″ ± 1/8″ (50mm ± 2mm). Clean the inside of the pipe of all growth or other material for a distance equal to the pipe diameter on either side of the hole. Roll the vane so that it may be inserted into the hole; do not bend or crease it. Insert the vane so that the arrow on the saddle points in the direction of the waterfl ow. Install the saddle strap and tighten nuts alternately to an eventual 20 ft.-lbs. (27 n-m) of torque (see Fig. 1). The vane must not rub the inside of the pipe or bind in any way.
Retard Adjustment
The retard time is selected by turning the appropriate switches to the off position. Example: For 45 seconds turn switches 1, 2 and 3 to the off position.

Approximate time is as follows:
Switch Off Time in Sec.
- 1 thru 8 On 0
- 1 15
- 1 & 2 30
- 1, 2, & 3 45
- 1, 2, 3, & 4 60
- 1, 2, 3, 4, & 5 75
- 1, 2, 3, 4, 5, & 6 90
- 7 not used
- 8 not used
Typical Electrical Connections

Caution When supervised circuits are used the following must be observed: An uninsulated section of a single conductor should not be looped around the terminal and serve as two separate connections. The wire must be severed, thereby providing supervision of the connection in the event that the wire becomes dislodged from under the terminal.
Due to the possibility of unintended discharges caused by pressure surges, trapped air, or short retard times, waterfl ow switches that are monitoring wet pipe sprinkler systems should not be used as the sole initiating device to discharge AFFF, deluge, or chemical suppression systems.
Testing The operation of the waterfl ow switch should be tested upon completion of installation and periodically thereafter in accordance with the applicable NFPA codes and standards and/or the authority having jurisdiction (manufacturer recommends quarterly or more frequently). If provided, the inspector’s test valve, that is usually located at the end of the most remote branch line, should always be used for test purposes. If there are no provisions for testing the operation of the fl ow detection device on the system, application of the VSR-FE-2 is not recommended or advisable. A fl ow of 10 GPM (38 LPM) is required to activate this device.
Important Notice Please advise the person responsible for testing of the fi re protection system that this system must be tested in accordance with the preceding section.



















