POTTER Vsr-S (Eu) Vane Type Waterflow Alarm Switch With Retard and Bspt Thread

WARNING
Installation must be perfomed by qualified personnel and in accordance with all national and local codes and ordinances.
Shock hazard. Disconnect power source before servicing. Serious injury or death could result.
Risk of explosion. Not for use in hazardous locations. Serious injury or death could result.
Replaceable Components: Retard/Switch Assembly, stock no. 1029020
UL, ULC, CE Marked (EN 12259-5), and LPCB Approved
- Service Pressure: Up to 17,2 BAR (250 PSI), up to 300 PSI (20,7 BAR) UL.
- Flow Sensitivity Range for Signal: 15-38 LPM (4-10 GPM) UL
- Pressure Loss: .2 BAR (3 PSI) Max at 5 m/s
- Maximum Surge: 5,5 m/s (18 FPS)
- Enclosure: Die-cast, red enamel finish Cover held in place with tamper resistant screws
- Contact Ratings:
- Two sets of SPDT (Form C)
- 10.0 Amps at 125/250 VAC
- 2.0 Amps at 30 VDC Resistive
- 10m Amps min. at 24 VDC
- Conduit Entrances: Two ½” openings provided for conduit or cable fitting.
- Usage: Listed plastic, copper and schedule 40 iron pipe.
Fits pipe sizes – 25mm (1″), 32mm (1¼”), 38mm (1½”) and 50mm (2″)
Note: 12 paddles are furnished with each unit, one for each pipe size of threaded and sweat TEE, one for 25mm (1″) CPVC, one for 25mm (1″) CPVC (Central), one for 1″ threaded Nibco CPVC, and one for 38mm (1½”) threaded (Japan). - Environmental Specifications:
- NEMA-4/IP54 Rated enclosure suitable for indoor or outdoor use with factory installed gasket and die-cast housing when used with appropriate conduit or cable fitting.
- Temperature range: 4,5° C to 49° C (40° F to 120° F) UL
- Service Use:
- Automatic Sprinkler NFPA-13
- One or two family dwelling NFPA-13D
- Residential occupancy up to four stories NFPA-13R
- National Fire Alarm Code NFPA-72
The Model VSR-S (EU) is a vane type waterflow switch for use on wet sprinkler systems that use 25mm (1″), 32mm (1¼”), 38mm (1½”) or 50mm (2″) pipe size. The unit may also be used as a sectional waterflow detector on large systems. The unit contains two single pole double throw snap action switches and an adjustable, instantly recycling pneumatic retard. The switches are actuated when a flow of 38 LPM (10 GPM) or more occurs downstream of the device. The flow condition must exist for a period of time necessary to overcome the selected retard period.
Enclosure
The VSR-S (EU) switches and retard device are enclosed in a general purpose, die-cast housing. The cover is held in place with two tamper resistant screws which require a special key for removal. A field installable cover tamper switch is available as an option which may be used to indicate unauthorized removal of the cover. See bulletin number 5401103 for installation instructions of this switch.
Installation
These devices may be mounted in horizontal or vertical pipe. On horizontal pipe they should be installed on the top side of the pipe where they will be accessible. The units should not be installed within 15cm (6″) of a valve, drain or fitting which changes the direction of the waterflow. Select the proper paddle for the pipe size and type of TEE used see Fig. 1 for instructions on changing paddle. The unit has a 1″ BSPT bushing for threading into a non-corrosive TEE. See Fig. 2 for proper TEE size, type and installation. Use no more than three wraps of teflon tape.
Screw the device into the TEE fitting as shown in Fig. 2. Care must be taken to properly orient the device for the direction of waterflow. The vane must not rub the inside of the TEE or bind in any way. The stem should move freely when operated by hand.
The device can also be used in copper or plastic pipe installations with the proper adapters so that the specified TEE fitting may be installed on the pipe run. The VSR-S (EU) can only be installed in factory TEEs with a 1″ BSPT bull. Reducing bushings, mechanical TEEs or weld-o-lets are not allowed.
Note: Do not leave cover off for an extended period of time.
CAUTION
Do not trim the paddle. Failure to follow these instructions may prevent the device from operating and will void the warranty.
Do not obstruct or otherwise prevent the trip stem of the flow switch from moving when water flows as this could damage the flow switch and prevent an alarm. If an alarm is not desired, a qualified technician should disable the alarm system.
Fig. 1
Retard Adjustment
The delay can be adjusted by rotating the retard adjustment knob from 0 to the max setting (20-30 seconds). The time delay should be set at the minimum required to prevent false alarms.

WARNING
There are 12 paddles furnished with each unit. One for each size of threaded, sweat or plastic TEE as described in Fig. 2. These paddles have raised lettering that shows the pipe size and type of TEE that they are to be used with. The proper paddle must be used. The paddle must be properly attached (see drawing) and the screw that holds the paddle must be securely tightened.
DO NOT LEAVE COVER OFF FOR EXTENDED PERIOD OF TIME

Fig. 2

Screw the device into the tee fitting as shown. Care must be taken to properly orient the device for the direction of waterflow. On sweat tees, no threaded bushings, inserts, or adapters are permitted, unless they comply with the dimensions listed in the chart below. Important – The depth to the inside bottom of the tee should have the following dimensions:
| Approximate Depth Requirement | |||
| Tee Size | Threaded | Sweat | CPVC |
| 1″ x 1″ x 1″ | 2 1/16″ | 1 3/4″ | 2 7/16″ |
| 1 1/4″ x 1 1/4″ x 1″ | 2 7/16″ | 2 7/16″ | N/A |
| 1 1/2″ x 1 1/2″ x 1″ | 2 11/16″ | 2 1/4″ | N/A |
| 2″ x 2″ x 1″ | 3 3/16″ | 2 3/4″ | N/A |
Use only factory TEEs with a 1″ BSPT bull. Reducing bushings, mechanical TEEs or weld-o-lets are not allowed.
Fig. 3 Switch Terminal Connections Clamping Plate Terminal

WARNING
An uninsulated section of a single conductor should not be looped around the terminal and serve as two separate connections. The wire must be severed, thereby providing supervision of the connection in the event that the wire become dislodged from under the terminal. Failure to sever the wire may render the device inoperable risking severe property damage and loss of life.
Fig. 4
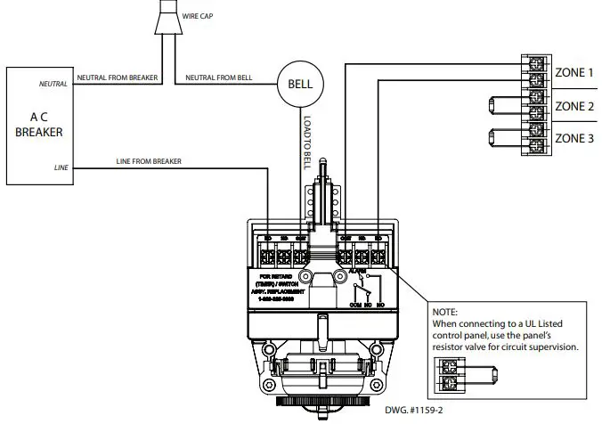
Fig. 5 Typical Electrical Connections

Notes:
- The Model VSR (EU) has two switches, one can be used to operate a central station, proprietary or remote signaling unit, while the other contact is used to operate a local audible or visual annunciator.
- For supervised circuits, see “Switch Terminal Connections” drawing and warning note (Fig. 3).
Testing
The frequency of inspection and testing for the Model VSR-S (EU) and its associated protective monitoring system should be in accordance with applicable NFPA Codes and Standards and/or the authority having jurisdiction (manufacturer recommends quarterly or more frequently.) An inspector’s test valve (usually located at the end of the most remote branch line) should always be used for test purposes. If there are no provisions for testing the operation of the flow detection device on the system, application of the VSR-S (EU) is not recommended or advisable.
A minimum flow of 38 LPM (10 GPM) is required to activate this device.
NOTICE
Please advise the person responsible for testing of the fire protection system that this system must be tested in accordance with the testing instructions.
Maintenance
Inspect detectors monthly for leaks. If leaks are found, replace the detector. The VSR-S (EU) waterflow switch should provide years of trouble-free service. The retard and switch assembly are easily field replaceable. In the unlikely event that either component does not perform properly, please order replacement retard switch assembly stock #1029020. There is no maintenance required, only periodic testing and inspection.
VSR-S (EU)
VANE TYPE WATERFLOW ALARM SWITCH WITH RETARD & BSPT THREAD
Removal
- To prevent accidental water damage, all control valves should be shut tight and the system completely drained before waterflow detectors are removed or replaced.
- Turn off electrical power to the detector, then disconnect wiring.
- Use a wrench on the flats of the bushing. Turn the switch counterclockwise to disengage the pipe threads.
- Gently lift with your fingers, roll the vane so it will fit through the hole while continuing to lift the waterflow detector.
- Lift detector clear of pipe.
CAUTION
Waterflow switches that are monitoring wet pipe sprinkler systems should not be used as the sole initiating device to discharge AFFF, deluge, or chemical suppression systems. Waterflow switches used for this application may result in unintended discharges caused by surges, trapped air, or short retard times.
Mounting Dimensions




















